Ersatzteile Blizzard Schneefräsen Twin 8-66 Typ: 319-3850 (1989) einfach online kaufen!

Hier können Sie so ziemlich alle Ersatzteile für Blizzard Schneefräsen Twin 8-66 Typ: 319-3850 (1989)online kaufen. Wählen Sie einfach die entsprechende Kategorie aus und es werden Ihnen alle verfügbaren Blizzard Schneefräsen Twin 8-66 Typ: 319-3850 (1989) Geräteteile mit der Auswahl der Ersatzteile angezeigt. Eine Skizze unterstützt Sie bei der Auswahl. Auch gibt es bereits zu vielen Ersatzteilen ein original Ersatzteilbild.
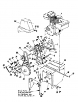
Ersatzteile Blizzard Schneefräsen Twin 8-66 Typ: 319-3850  (1989) Fahrantrieb, Räder
Hier können Sie Ersatzteile Blizzard Schneefräsen Twin 8-66 Typ: 319-3850 (1989) Fahrantrieb, Räder einfach online kaufen.

Bitte gehen Sie in die Detalsansicht. Dort finden Sie eine Auflistung der einzelnen Ersatzteile zu diesem Gerät.

Ersatzteile Blizzard Schneefräsen Twin 8-66 Typ: 319-3850  (1989) Holm
Hier können Sie Ersatzteile Blizzard Schneefräsen Twin 8-66 Typ: 319-3850 (1989) Holm einfach online kaufen.

Bitte gehen Sie in die Detalsansicht. Dort finden Sie eine Auflistung der einzelnen Ersatzteile zu diesem Gerät.

Ersatzteile Blizzard Schneefräsen Twin 8-66 Typ: 319-3850  (1989) Fahrantrieb, Fräsantrieb
Hier können Sie Ersatzteile Blizzard Schneefräsen Twin 8-66 Typ: 319-3850 (1989) Fahrantrieb, Fräsantrieb einfach online kaufen.

Bitte gehen Sie in die Detalsansicht. Dort finden Sie eine Auflistung der einzelnen Ersatzteile zu diesem Gerät.

Ersatzteile Blizzard Schneefräsen Twin 8-66 Typ: 319-3850  (1989) Fräsgehäuse, Schnecke, Schneckengetriebe
Hier können Sie Ersatzteile Blizzard Schneefräsen Twin 8-66 Typ: 319-3850 (1989) Fräsgehäuse, Schnecke, Schneckengetriebe einfach online kaufen.

Bitte gehen Sie in die Detalsansicht. Dort finden Sie eine Auflistung der einzelnen Ersatzteile zu diesem Gerät.

1 - 4 | 4 Artikel
  • Seiten:
  • 1
Kategorien
Ersatzteil-Fee

Die Ersatzteilfee

Das rege Interesse an dem Angebot in meinem Onlineshop hat mir gezeigt, dass die Zufriedenheit meiner Kunden sehr groß ist. Zahlreiche positive Kundenmeinungen bestätigen den gut sortierten Aufbau des Shops, die gute Beratung und den zügigen Versand. Mehr über mich...

Wir helfen Ihnen gerne, das richtige Ersatzteil zu finden. Dazu können Sie uns auch gerne Anfragen oder Fotos vom Ersatzteil/Gerät auf das Handy 0152 560 383 53
per WhatsApp senden. SMS Nachrichten können nicht empfangen werden!


Info zur Mehrwertsteuer

Lieferland wählen

Wählen Sie das Lieferland aus, um die Preise inkl. MwSt. abhängig von der Lieferadresse angezeigt zu bekommen.



Die im Shop angegebenen Preise sind in Euro inkl. der deutschen Mehrwertsteuer angegeben.
Für Bestellungen aus einem anderen EU-Land muss die dort geltende Mehrwertsteuer berechnet werden. Wenn Sie im Warenkorb das Lieferland auswählen, wird Ihnen auch der korrekte Mehrwertsteuersatz zu Ihrem EU-Land angezeigt.