Einstellungen
Versandland
Ihr Warenkorb ist leer.
Schnellkauf

Bitte geben Sie eine Artikelnummer ein.

Kategorien

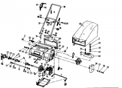
Ersatzteile Golf Elektrovertikutierer 133 VE Typ: 02846.07 (1993) einfach online kaufen!

Hier können Sie so ziemlich alle Ersatzteile für Golf Elektrovertikutierer 133 VE Typ: 02846.07 (1993)online kaufen. Wählen Sie einfach die entsprechende Kategorie aus und es werden Ihnen alle verfügbaren Golf Elektrovertikutierer 133 VE Typ: 02846.07 (1993) Geräteteile mit der Auswahl der Ersatzteile angezeigt. Eine Skizze unterstützt Sie bei der Auswahl. Auch gibt es bereits zu vielen Ersatzteilen ein original Ersatzteilbild.
Sortieren
Sortieren
Zeige 1 bis 1 (von insgesamt 1 Artikeln)
  • 1
Ersatzteile Golf Elektrovertikutierer 133 VE Typ: 02846.07 (1993) Grundgerät
Hier können Sie Ersatzteile Golf Elektrovertikutierer 133 VE Typ: 02846.07 (1993) Grundgerät einfach online kaufen.

Bitte gehen Sie in die Detalsansicht. Dort finden Sie eine Auflistung der einzelnen Ersatzteile zu diesem Gerät.

Zeige 1 bis 1 (von insgesamt 1 Artikeln)
  • 1