Einstellungen
Versandland
Ihr Warenkorb ist leer.
Schnellkauf

Bitte geben Sie eine Artikelnummer ein.

Kategorien

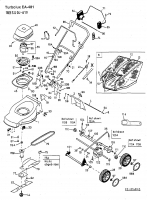
Ersatzteile Fleurelle Elektromäher EA 481 Typ: 18BSU0J-619 (2003) einfach online kaufen!

Hier können Sie so ziemlich alle Ersatzteile für Fleurelle Elektromäher EA 481 Typ: 18BSU0J-619 (2003)online kaufen. Wählen Sie einfach die entsprechende Kategorie aus und es werden Ihnen alle verfügbaren Fleurelle Elektromäher EA 481 Typ: 18BSU0J-619 (2003) Geräteteile mit der Auswahl der Ersatzteile angezeigt. Eine Skizze unterstützt Sie bei der Auswahl. Auch gibt es bereits zu vielen Ersatzteilen ein original Ersatzteilbild.
Sortieren
Sortieren
Zeige 1 bis 1 (von insgesamt 1 Artikeln)
  • 1
Ersatzteile Fleurelle Elektromäher EA 481 Typ: 18BSU0J-619 (2003) Grundgerät
Hier können Sie Ersatzteile Fleurelle Elektromäher EA 481 Typ: 18BSU0J-619 (2003) Grundgerät einfach online kaufen.

Bitte gehen Sie in die Detalsansicht. Dort finden Sie eine Auflistung der einzelnen Ersatzteile zu diesem Gerät.

Zeige 1 bis 1 (von insgesamt 1 Artikeln)
  • 1