Ersatzteile WOLF-Garten Schneefräse Select SF 56 Typ: 31A-32AD650 (2013)

Hier können Sie Ersatzteile für die WOLF-Garten Schneefräse Select SF 56 Typ: 31A-32AD650 (2013) einfach online kaufen.

Bitte wählen Sie den entsprechenden Teilbereich zu Ihrer WOLF-Garten Schneefräse Select SF 56 aus.

Ersatzteile WOLF-Garten Schneefräse Select SF 56 Typ: 31A-32AD650  (2013) Fahrantrieb, Fräsantrieb
Hier können Sie Ersatzteile WOLF-Garten Schneefräse Select SF 56 Typ: 31A-32AD650 (2013) Fahrantrieb, Fräsantrieb einfach online kaufen.

Bitte gehen Sie in die Detalsansicht. Dort finden Sie eine Auflistung der einzelnen Ersatzteile zu diesem Gerät.

Ersatzteile WOLF-Garten Schneefräse Select SF 56 Typ: 31A-32AD650  (2013) Holm
Hier können Sie Ersatzteile WOLF-Garten Schneefräse Select SF 56 Typ: 31A-32AD650 (2013) Holm einfach online kaufen.

Bitte gehen Sie in die Detalsansicht. Dort finden Sie eine Auflistung der einzelnen Ersatzteile zu diesem Gerät.

Ersatzteile WOLF-Garten Schneefräse Select SF 56 Typ: 31A-32AD650  (2013) Getriebe
Hier können Sie Ersatzteile WOLF-Garten Schneefräse Select SF 56 Typ: 31A-32AD650 (2013) Getriebe einfach online kaufen.

Bitte gehen Sie in die Detalsansicht. Dort finden Sie eine Auflistung der einzelnen Ersatzteile zu diesem Gerät.

Ersatzteile WOLF-Garten Schneefräse Select SF 56 Typ: 31A-32AD650  (2013) Auswurfschacht
Hier können Sie Ersatzteile WOLF-Garten Schneefräse Select SF 56 Typ: 31A-32AD650 (2013) Auswurfschacht einfach online kaufen.

Bitte gehen Sie in die Detalsansicht. Dort finden Sie eine Auflistung der einzelnen Ersatzteile zu diesem Gerät.

Ersatzteile WOLF-Garten Schneefräse Select SF 56 Typ: 31A-32AD650  (2013) Fräsgehäuse, Schnecke, Schneckengetriebe
Hier können Sie Ersatzteile WOLF-Garten Schneefräse Select SF 56 Typ: 31A-32AD650 (2013) Fräsgehäuse, Schnecke, Schneckengetriebe einfach online kaufen.

Bitte gehen Sie in die Detalsansicht. Dort finden Sie eine Auflistung der einzelnen Ersatzteile zu diesem Gerät.

Ersatzteile WOLF-Garten Schneefräse Select SF 56 Typ: 31A-32AD650  (2013) Schaufelrad
Hier können Sie Ersatzteile WOLF-Garten Schneefräse Select SF 56 Typ: 31A-32AD650 (2013) Schaufelrad einfach online kaufen.

Bitte gehen Sie in die Detalsansicht. Dort finden Sie eine Auflistung der einzelnen Ersatzteile zu diesem Gerät.

Ersatzteile WOLF-Garten Schneefräse Select SF 56 Typ: 31A-32AD650  (2013) Räder
Hier können Sie Ersatzteile WOLF-Garten Schneefräse Select SF 56 Typ: 31A-32AD650 (2013) Räder einfach online kaufen.

Bitte gehen Sie in die Detalsansicht. Dort finden Sie eine Auflistung der einzelnen Ersatzteile zu diesem Gerät.

Ersatzteile WOLF-Garten Schneefräse Select SF 56 Typ: 31A-32AD650  (2013) Gleitkufe
Hier können Sie Ersatzteile WOLF-Garten Schneefräse Select SF 56 Typ: 31A-32AD650 (2013) Gleitkufe einfach online kaufen.

Bitte gehen Sie in die Detalsansicht. Dort finden Sie eine Auflistung der einzelnen Ersatzteile zu diesem Gerät.

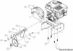
Ersatzteile WOLF-Garten Schneefräse Select SF 56 Typ: 31A-32AD650  (2013) Motor MTD
Hier können Sie Ersatzteile WOLF-Garten Schneefräse Select SF 56 Typ: 31A-32AD650 (2013) Motor MTD einfach online kaufen.

Bitte gehen Sie in die Detalsansicht. Dort finden Sie eine Auflistung der einzelnen Ersatzteile zu diesem Gerät.

1 - 9 | 9 Artikel
  • Seiten:
  • 1
Kategorien
Ersatzteil-Fee

Die Ersatzteilfee

Das rege Interesse an dem Angebot in meinem Onlineshop hat mir gezeigt, dass die Zufriedenheit meiner Kunden sehr groß ist. Zahlreiche positive Kundenmeinungen bestätigen den gut sortierten Aufbau des Shops, die gute Beratung und den zügigen Versand. Mehr über mich...

Wir helfen Ihnen gerne, das richtige Ersatzteil zu finden. Dazu können Sie uns auch gerne Anfragen oder Fotos vom Ersatzteil/Gerät auf das Handy 0152 560 383 53
per WhatsApp senden. SMS Nachrichten können nicht empfangen werden!


Info zur Mehrwertsteuer

Lieferland wählen

Wählen Sie das Lieferland aus, um die Preise inkl. MwSt. abhängig von der Lieferadresse angezeigt zu bekommen.



Die im Shop angegebenen Preise sind in Euro inkl. der deutschen Mehrwertsteuer angegeben.
Für Bestellungen aus einem anderen EU-Land muss die dort geltende Mehrwertsteuer berechnet werden. Wenn Sie im Warenkorb das Lieferland auswählen, wird Ihnen auch der korrekte Mehrwertsteuersatz zu Ihrem EU-Land angezeigt.