Ersatzteile MTD Rasentraktor B 125 Typ: 13AL470E678 (1997)

Hier können Sie Ersatzteile für den MTD Rasentraktor B 125 Typ: 13AL470E678 (1997) einfach online kaufen.

Bitte wählen Sie den entsprechenden Teilbereich zu Ihrem MTD Rasentraktor B 125 aus.

Ersatzteile MTD Rasentraktor B 125 Typ: 13AL470E678  (1997) Armaturenbrett, Sitz, Tank
Hier können Sie Ersatzteile MTD Rasentraktor B 125 Typ: 13AL470E678 (1997) Armaturenbrett, Sitz, Tank einfach online kaufen.

Bitte gehen Sie in die Detalsansicht. Dort finden Sie eine Auflistung der einzelnen Ersatzteile zu diesem Gerät.

Ersatzteile MTD Rasentraktor B 125 Typ: 13AL470E678  (1997) Vorderachse
Hier können Sie Ersatzteile MTD Rasentraktor B 125 Typ: 13AL470E678 (1997) Vorderachse einfach online kaufen.

Bitte gehen Sie in die Detalsansicht. Dort finden Sie eine Auflistung der einzelnen Ersatzteile zu diesem Gerät.

Ersatzteile MTD Rasentraktor B 125 Typ: 13AL470E678  (1997) Fahrantrieb, Motorkeilriemenscheibe, Pedal, Räder hinten
Hier können Sie Ersatzteile MTD Rasentraktor B 125 Typ: 13AL470E678 (1997) Fahrantrieb, Motorkeilriemenscheibe, Pedal, Räder hinten einfach online kaufen.

Bitte gehen Sie in die Detalsansicht. Dort finden Sie eine Auflistung der einzelnen Ersatzteile zu diesem Gerät.

Ersatzteile MTD Rasentraktor B 125 Typ: 13AL470E678  (1997) Getriebe 618-0166A
Hier können Sie Ersatzteile MTD Rasentraktor B 125 Typ: 13AL470E678 (1997) Getriebe 618-0166A einfach online kaufen.

Bitte gehen Sie in die Detalsansicht. Dort finden Sie eine Auflistung der einzelnen Ersatzteile zu diesem Gerät.

Ersatzteile MTD Rasentraktor B 125 Typ: 13AL470E678  (1997) Mähwerksaushebung
Hier können Sie Ersatzteile MTD Rasentraktor B 125 Typ: 13AL470E678 (1997) Mähwerksaushebung einfach online kaufen.

Bitte gehen Sie in die Detalsansicht. Dort finden Sie eine Auflistung der einzelnen Ersatzteile zu diesem Gerät.

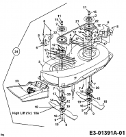
Ersatzteile MTD Rasentraktor B 125 Typ: 13AL470E678  (1997) Mähwerk E (36/91cm) Seitenauswurf
Hier können Sie Ersatzteile MTD Rasentraktor B 125 Typ: 13AL470E678 (1997) Mähwerk E (36"/91cm) Seitenauswurf einfach online kaufen.

Bitte gehen Sie in die Detalsansicht. Dort finden Sie eine Auflistung der einzelnen Ersatzteile zu diesem Gerät.

Ersatzteile MTD Rasentraktor B 125 Typ: 13AL470E678  (1997) Messerspindel 717-0900A
Hier können Sie Ersatzteile MTD Rasentraktor B 125 Typ: 13AL470E678 (1997) Messerspindel 717-0900A einfach online kaufen.

Bitte gehen Sie in die Detalsansicht. Dort finden Sie eine Auflistung der einzelnen Ersatzteile zu diesem Gerät.

Ersatzteile MTD Rasentraktor B 125 Typ: 13AL470E678  (1997) Motorzubehör
Hier können Sie Ersatzteile MTD Rasentraktor B 125 Typ: 13AL470E678 (1997) Motorzubehör einfach online kaufen.

Bitte gehen Sie in die Detalsansicht. Dort finden Sie eine Auflistung der einzelnen Ersatzteile zu diesem Gerät.

Ersatzteile MTD Rasentraktor B 125 Typ: 13AL470E678  (1997) Motorzubehör
Hier können Sie Ersatzteile MTD Rasentraktor B 125 Typ: 13AL470E678 (1997) Motorzubehör einfach online kaufen.

Bitte gehen Sie in die Detalsansicht. Dort finden Sie eine Auflistung der einzelnen Ersatzteile zu diesem Gerät.

Ersatzteile MTD Rasentraktor B 125 Typ: 13AL470E678  (1997) Motorzubehör
Hier können Sie Ersatzteile MTD Rasentraktor B 125 Typ: 13AL470E678 (1997) Motorzubehör einfach online kaufen.

Bitte gehen Sie in die Detalsansicht. Dort finden Sie eine Auflistung der einzelnen Ersatzteile zu diesem Gerät.

Ersatzteile MTD Rasentraktor B 125 Typ: 13AL470E678  (1997) Gasbegrenzer
Hier können Sie Ersatzteile MTD Rasentraktor B 125 Typ: 13AL470E678 (1997) Gasbegrenzer einfach online kaufen.

Bitte gehen Sie in die Detalsansicht. Dort finden Sie eine Auflistung der einzelnen Ersatzteile zu diesem Gerät.

Ersatzteile MTD Rasentraktor B 125 Typ: 13AL470E678  (1997) Motorhaube 0-Style
Hier können Sie Ersatzteile MTD Rasentraktor B 125 Typ: 13AL470E678 (1997) Motorhaube 0-Style einfach online kaufen.

Bitte gehen Sie in die Detalsansicht. Dort finden Sie eine Auflistung der einzelnen Ersatzteile zu diesem Gerät.

1 - 12 | 12 Artikel
  • Seiten:
  • 1
Kategorien
Ersatzteil-Fee

Die Ersatzteilfee

Das rege Interesse an dem Angebot in meinem Onlineshop hat mir gezeigt, dass die Zufriedenheit meiner Kunden sehr groß ist. Zahlreiche positive Kundenmeinungen bestätigen den gut sortierten Aufbau des Shops, die gute Beratung und den zügigen Versand. Mehr über mich...

Wir helfen Ihnen gerne, das richtige Ersatzteil zu finden. Dazu können Sie uns auch gerne Anfragen oder Fotos vom Ersatzteil/Gerät auf das Handy 0152 560 383 53
per WhatsApp senden. SMS Nachrichten können nicht empfangen werden!


Info zur Mehrwertsteuer

Lieferland wählen

Wählen Sie das Lieferland aus, um die Preise inkl. MwSt. abhängig von der Lieferadresse angezeigt zu bekommen.



Die im Shop angegebenen Preise sind in Euro inkl. der deutschen Mehrwertsteuer angegeben.
Für Bestellungen aus einem anderen EU-Land muss die dort geltende Mehrwertsteuer berechnet werden. Wenn Sie im Warenkorb das Lieferland auswählen, wird Ihnen auch der korrekte Mehrwertsteuersatz zu Ihrem EU-Land angezeigt.