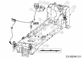
Ersatzteile MTD Rasentraktor Smart RN 145 Typ: 13A876KN600  (2020) Sitzträger
Für eine größere Ansicht klicken Sie auf das Vorschaubild

Ersatzteile MTD Rasentraktor Smart RN 145 Typ: 13A876KN600 (2020) Sitzträger

MTD
MTD Art.Nr.: E3-02482B-01
Hier können Sie Ersatzteile MTD Rasentraktor Smart RN 145 Typ: 13A876KN600 (2020) Sitzträger einfach online kaufen.

In der Skizze sind die Teile mit einer Zahl gekennzeichnet. Diese finden Sie in der Tabelle wieder und können so das Ersatzteil aus der Tabelle auswählen und online kaufen.


Ersatzteil
deutschenglishfrench
PreisBildkaufen
Teil 1 6KT-BLECHSCHRAUBE:#10-16:0.50
Art.Nr.: WG-710-0224
Part 1 SCR:AB:#10-16:0.50:HXINDWSH
Article no.: WG-710-0224
Partie 1 VIS PARK:#10-16:0.500:HXINDWSH
Numéro d'article: WG-710-0224
2,68 € ohne Abbildung
Teil 2 6KT-BLECHSCHR:AB:#8-18:0.50
Art.Nr.: WG-710-0227
Part 2 SCR:AB:#8-18:0.50:HXINDWH
Article no.: WG-710-0227
Partie 2 VIS
Numéro d'article: WG-710-0227
2,68 € Teil 2 6KT-BLECHSCHR:AB:#8-18:0.50 Art.Nr.: WG-710-0227
Teil 3 6KT-SCHR:FLG:3/8-16:0.88:GR5
Art.Nr.: WG-710-04482
Part 3 HHWSH:3/8-16:0.88:GR5:STD
Article no.: WG-710-04482
Partie 3 VIS:3/8-16:.875:GR5:STD
Numéro d'article: WG-710-04482
2,95 € Teil 3 6KT-SCHR:FLG:3/8-16:0.88:GR5 Art.Nr.: WG-710-04482
Teil 4 6KT-SCHRAUBE:TT:5/16-9:0.75
Art.Nr.: WG-710-04484
Part 4 SCR:TT:5/16-9:0.75:HXINDWSH
Article no.: WG-710-04484
Partie 4 VIS HEX. TT:5/16-18:.750:HXIND
Numéro d'article: WG-710-04484
6,10 € Teil 4 6KT-SCHRAUBE:TT:5/16-9:0.75 Art.Nr.: WG-710-04484
Teil 5 6KT-S-BUNDMUTTER:5/16-18:GRN5
Art.Nr.: WG-712-04063
Part 5 NUT:HEXFLGLK:5/16-18:GRN5:NYL
Article no.: WG-712-04063
Partie 5 ECROU HEX. AVEC FLANC
Numéro d'article: WG-712-04063
4,31 € Teil 5 6KT-S-BUNDMUTTER:5/16-18:GRN5 Art.Nr.: WG-712-04063
Teil 6 SCHALTFEDER:SITZ AUSSEN:
Art.Nr.: WG-725-1303
Part 6 SW:OUTER SEAT SPRG
Article no.: WG-725-1303
Partie 6 RESSORT DE SURETE SI£GE
Numéro d'article: WG-725-1303
2,56 € Teil 6 SCHALTFEDER:SITZ AUSSEN: Art.Nr.: WG-725-1303
Teil 7 SCHALTFEDER:SITZ INNEN
Art.Nr.: WG-725-1439
Part 7 SW:INNER SEAT SPRG
Article no.: WG-725-1439
Partie 7 RESSORT SURETE DE SIEGE
Numéro d'article: WG-725-1439
9,09 € Teil 7 SCHALTFEDER:SITZ INNEN Art.Nr.: WG-725-1439
Teil 8 HAUPTISOLIERPLATTE MIT CLIPS
Art.Nr.: WG-726-0278
Part 8 INSULATING PLATE
Article no.: WG-726-0278
Partie 8 PLAQUE D ISOLATION
Numéro d'article: WG-726-0278
2,56 € ohne Abbildung
Teil 9 ISOLIERPLATTE
Art.Nr.: WG-726-0279
Part 9 INSULATING PLATE
Article no.: WG-726-0279
Partie 9 PLAQUE D ISOLATION
Numéro d'article: WG-726-0279
2,56 € ohne Abbildung
Teil 10 ZUGFEDER:.815 OD x 4.775 LG
Art.Nr.: WG-732-04309
Part 10 SPR:EXTN:.815 OD x 4.775 LG
Article no.: WG-732-04309
Partie 10 RESSORT
Numéro d'article: WG-732-04309
12,01 € ohne Abbildung
Teil 11 DRUCKFEDER:1.314 OD x 2.55 LG
Art.Nr.: WG-732-0735A
Part 11 SPR:COMPRS:1.314 OD x 2.55 LG
Article no.: WG-732-0735A
Partie 11 RESSORT DE SIEGE
Numéro d'article: WG-732-0735A
16,53 € Teil 11 DRUCKFEDER:1.314 OD x 2.55 LG Art.Nr.: WG-732-0735A
Teil 12 ZAHNSCHEIBE:5/16" EXT
Art.Nr.: WG-736-0607
Part 12 WASH:LOCK:5/16 EXT
Article no.: WG-736-0607
Partie 12 RONDELLE
Numéro d'article: WG-736-0607
2,68 € ohne Abbildung
Teil 13 SCHULTERSCHR:.437x.262:5/16-18
Art.Nr.: WG-738-0296
Part 13 SCR:SHLDR:.437 x .262:5/16-18
Article no.: WG-738-0296
Partie 13 AXE EPAULE
Numéro d'article: WG-738-0296
6,69 € ohne Abbildung
Teil 14 SCHULTERSCHR:0.625x.110:3/8-16
Art.Nr.: WG-738-04012C
Part 14 SCR:SHLDR:0.625 X 0.110:3/8-16
Article no.: WG-738-04012C
Partie 14 AXE EPAULE
Numéro d'article: WG-738-04012C
3,33 € ohne Abbildung
Teil 15 HALTER:FEDER:SITZVERSTELLUNG
Art.Nr.: WG-783-0209D
Part 15 BRKT:LIFT:SEAT
Article no.: WG-783-0209D
Partie 15 SUPP. SI£GE
Numéro d'article: WG-783-0209D
8,88 € ohne Abbildung
Teil 16 SITZPLATTE:MAN.VERSTELLUNG
Art.Nr.: WG-783-04081D-S
Part 16 BRKT:SEAT:PIVOT MANUAL ADJ
Article no.: WG-783-04081D-S
Partie 16 PLAQUE DE SIEGE NOIRE
Numéro d'article: WG-783-04081D-S
49,00 €**Teil 16 SITZPLATTE:MAN.VERSTELLUNG Art.Nr.: WG-783-04081D-S
inkl. 19 % MwSt. Steuer-Info
zzgl. Versandkosten
Lieferzeit: 3-10 Werktage*
In den Warenkorb

Wenn Sie Hilfe zu einer Störung Ihres MTD Gerätes benötigen, nehmen Sie einfach Kontakt zu uns auf. Sie können gerne auch eine Nachricht per WhatsApp an 0152 560 383 53 senden. Wir helfen Ihnen gerne!

Alle aufgelisteten Ersatzteile sind original MTD Ersatzteile.

Alle Artikel aus der Kategorie Ersatzteile MTD Rasentraktor Smart RN 145 Typ: 13A876KN600 (2020)

Bitte beachten Sie, dass Elektro MTD Ersatzteile nur von Elektrofachkräften nach Vorgabe des Herstellers unter Berücksichtigung der gesetzlichen Vorschriften ersetzt werden dürfen.

Info zu GPSR: Stanley Black & Decker Deutschland GmbH Black-&-Decker-Strasse 40, 65510 Idstein support@blackanddecker.de

    Kategorien
    Ersatzteil-Fee

    Die Ersatzteilfee

    Das rege Interesse an dem Angebot in meinem Onlineshop hat mir gezeigt, dass die Zufriedenheit meiner Kunden sehr groß ist. Zahlreiche positive Kundenmeinungen bestätigen den gut sortierten Aufbau des Shops, die gute Beratung und den zügigen Versand. Mehr über mich...

    Wir helfen Ihnen gerne, das richtige Ersatzteil zu finden. Dazu können Sie uns auch gerne Anfragen oder Fotos vom Ersatzteil/Gerät auf das Handy 0152 560 383 53
    per WhatsApp senden. SMS Nachrichten können nicht empfangen werden!


    Info zur Mehrwertsteuer

    Lieferland wählen

    Wählen Sie das Lieferland aus, um die Preise inkl. MwSt. abhängig von der Lieferadresse angezeigt zu bekommen.



    Die im Shop angegebenen Preise sind in Euro inkl. der deutschen Mehrwertsteuer angegeben.
    Für Bestellungen aus einem anderen EU-Land muss die dort geltende Mehrwertsteuer berechnet werden. Wenn Sie im Warenkorb das Lieferland auswählen, wird Ihnen auch der korrekte Mehrwertsteuersatz zu Ihrem EU-Land angezeigt.