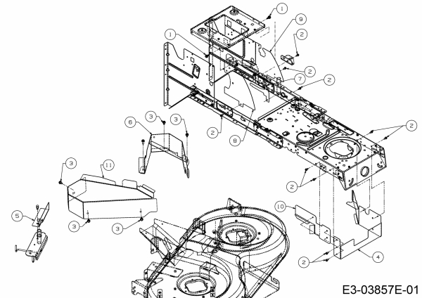
Ersatzteile MTD Rasentraktor Smart RN 145 Typ: 13A876KN600  (2020) Keilriemenschutz Mähwerk N (40/105cm)
Für eine größere Ansicht klicken Sie auf das Vorschaubild

Ersatzteile MTD Rasentraktor Smart RN 145 Typ: 13A876KN600 (2020) Keilriemenschutz Mähwerk N (40"/105cm)

MTD
MTD Art.Nr.: E3-03857E-01
Hier können Sie Ersatzteile MTD Rasentraktor Smart RN 145 Typ: 13A876KN600 (2020) Keilriemenschutz Mähwerk N (40"/105cm) einfach online kaufen.

In der Skizze sind die Teile mit einer Zahl gekennzeichnet. Diese finden Sie in der Tabelle wieder und können so das Ersatzteil aus der Tabelle auswählen und online kaufen.


Ersatzteil
deutschenglishfrench
PreisBildkaufen
Teil 1 6KT-SCHRAUBE:TT:5/16-9:0.75
Art.Nr.: WG-710-04484
Part 1 SCR:TT:5/16-9:0.75:HXINDWSH
Article no.: WG-710-04484
Partie 1 VIS HEX. TT:5/16-18:.750:HXIND
Numéro d'article: WG-710-04484
6,10 € Teil 1 6KT-SCHRAUBE:TT:5/16-9:0.75 Art.Nr.: WG-710-04484
Teil 2 6KT-SCHRAUBE:TT:1/4-20:0.500
Art.Nr.: WG-710-0599
Part 2 SCREW:TT:1/4-20:0.500:HXINDWSH
Article no.: WG-710-0599
Partie 2 VIS A SIX PANS CREUX
Numéro d'article: WG-710-0599
4,58 € Teil 2 6KT-SCHRAUBE:TT:1/4-20:0.500 Art.Nr.: WG-710-0599
Teil 3 6KT-SCHRAUBE:TT:5/16-18:0.50
Art.Nr.: WG-710-0607
Part 3 SCR:TT:5/16-18:.50:HXINDWSH
Article no.: WG-710-0607
Partie 3 VIS HEX.TT5/16-18:.500HXINDWSh
Numéro d'article: WG-710-0607
3,74 € Teil 3 6KT-SCHRAUBE:TT:5/16-18:0.50 Art.Nr.: WG-710-0607
Teil 5 ABDECKUNG3 FRANCE:LT-5:N-DECK
Art.Nr.: WG-783-06004637
Part 5 CVR:IDLR:N DECK
Article no.: WG-783-06004637
Partie 5 PROTECTION DE POULIE DROITE
Numéro d'article: WG-783-06004637
22,32 € ohne Abbildung
Teil 7 ABDECKUNG2:GETRIEBE:AUTO:LINKS
Art.Nr.: WG-783-06084637
Part 7 CVR:TRANS:AUTOMATIC:LS
Article no.: WG-783-06084637
Partie 7 PROTECTION
Numéro d'article: WG-783-06084637
17,47 € ohne Abbildung
Teil 9 ABDECKUNG:GETRIEBE:LINKS:LT-5
Art.Nr.: WG-783-09678637
Part 9 CVR:TRANS:LS:700 SERIES
Article no.: WG-783-09678637
Partie 9 PROTECTION ARRIERE GAUCHE
Numéro d'article: WG-783-09678637
27,60 €**ohne Abbildung
inkl. 19 % MwSt. Steuer-Info
zzgl. Versandkosten
Lieferzeit: 3-10 Werktage*
In den Warenkorb

Wenn Sie Hilfe zu einer Störung Ihres MTD Gerätes benötigen, nehmen Sie einfach Kontakt zu uns auf. Sie können gerne auch eine Nachricht per WhatsApp an 0152 560 383 53 senden. Wir helfen Ihnen gerne!

Alle aufgelisteten Ersatzteile sind original MTD Ersatzteile.

Alle Artikel aus der Kategorie Ersatzteile MTD Rasentraktor Smart RN 145 Typ: 13A876KN600 (2020)

Bitte beachten Sie, dass Elektro MTD Ersatzteile nur von Elektrofachkräften nach Vorgabe des Herstellers unter Berücksichtigung der gesetzlichen Vorschriften ersetzt werden dürfen.

Info zu GPSR: Stanley Black & Decker Deutschland GmbH Black-&-Decker-Strasse 40, 65510 Idstein support@blackanddecker.de

    Kategorien
    Ersatzteil-Fee

    Die Ersatzteilfee

    Das rege Interesse an dem Angebot in meinem Onlineshop hat mir gezeigt, dass die Zufriedenheit meiner Kunden sehr groß ist. Zahlreiche positive Kundenmeinungen bestätigen den gut sortierten Aufbau des Shops, die gute Beratung und den zügigen Versand. Mehr über mich...

    Wir helfen Ihnen gerne, das richtige Ersatzteil zu finden. Dazu können Sie uns auch gerne Anfragen oder Fotos vom Ersatzteil/Gerät auf das Handy 0152 560 383 53
    per WhatsApp senden. SMS Nachrichten können nicht empfangen werden!


    Info zur Mehrwertsteuer

    Lieferland wählen

    Wählen Sie das Lieferland aus, um die Preise inkl. MwSt. abhängig von der Lieferadresse angezeigt zu bekommen.



    Die im Shop angegebenen Preise sind in Euro inkl. der deutschen Mehrwertsteuer angegeben.
    Für Bestellungen aus einem anderen EU-Land muss die dort geltende Mehrwertsteuer berechnet werden. Wenn Sie im Warenkorb das Lieferland auswählen, wird Ihnen auch der korrekte Mehrwertsteuersatz zu Ihrem EU-Land angezeigt.