KÄRCHER Professional Ersatzteile Hochdruckreiniger Heisswasser HDS 12/18-4 S EU-I 1.071-923.0 UBS Zuendelektrode
Für eine größere Ansicht klicken Sie auf das Vorschaubild

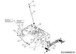
KÄRCHER Professional Ersatzteile Hochdruckreiniger Heisswasser HDS 12/18-4 S EU-I 1.071-923.0 UBS Zuendelektrode

KÄRCHER
KÄRCHER Art.Nr.: 2.638-974.0
In meinem Shop können Sie KÄRCHER Professional Ersatzteile für Hochdruckreiniger Heisswasser HDS 12/18-4 S EU-I 1.071-923.0 UBS Zuendelektrode einfach online kaufen! Eine Skizze unterstützt Sie bei der Auswahl des richtigen KÄRCHER Ersatzteils. Auch gibt es bereits zu vielen Ersatzteilen ein original Ersatzteilbild. Bitte wählen Sie das gewünschte Ersatzteil in der Tabelle aus.

Ersatzteil
deutschenglishfrench
PreisBildkaufen
Teil 3 Federscheibe B 5-FST-A2E DIN 137
Art.Nr.: 7.312-304.0
Part 3
Article no.: 7.312-304.0
Partie 3
Numéro d'article: 7.312-304.0
2,57 € ohne Abbildung
inkl. 19 % MwSt. Steuer-Info
zzgl. Versandkosten
Lieferzeit: 3-10 Werktage*
In den Warenkorb

Wenn Sie Hilfe zu einer Störung Ihres KÄRCHER Gerätes benötigen, nehmen Sie einfach Kontakt zu uns auf. Sie können gerne auch eine Nachricht per WhatsApp an 0152 560 383 53 senden. Wir helfen Ihnen gerne!

Alle aufgelisteten Ersatzteile sind original KÄRCHER Ersatzteile.

Alle Artikel aus der Kategorie KÄRCHER Professional Ersatzteile Hochdruckreiniger Heisswasser HDS 12/18-4 S EU-I 1.071-923.0

Bitte beachten Sie, dass Elektro KÄRCHER Ersatzteile nur von Elektrofachkräften nach Vorgabe des Herstellers unter Berücksichtigung der gesetzlichen Vorschriften ersetzt werden dürfen.

Info zu GPSR: Alfred Kärcher Vertriebs-GmbH Friedrich-List-Straße 4, 71364 Winnenden info@karcher.com

    Kategorien
    Ersatzteil-Fee

    Die Ersatzteilfee

    Das rege Interesse an dem Angebot in meinem Onlineshop hat mir gezeigt, dass die Zufriedenheit meiner Kunden sehr groß ist. Zahlreiche positive Kundenmeinungen bestätigen den gut sortierten Aufbau des Shops, die gute Beratung und den zügigen Versand. Mehr über mich...

    Wir helfen Ihnen gerne, das richtige Ersatzteil zu finden. Dazu können Sie uns auch gerne Anfragen oder Fotos vom Ersatzteil/Gerät auf das Handy 0152 560 383 53
    per WhatsApp senden. SMS Nachrichten können nicht empfangen werden!


    Info zur Mehrwertsteuer

    Lieferland wählen

    Wählen Sie das Lieferland aus, um die Preise inkl. MwSt. abhängig von der Lieferadresse angezeigt zu bekommen.



    Die im Shop angegebenen Preise sind in Euro inkl. der deutschen Mehrwertsteuer angegeben.
    Für Bestellungen aus einem anderen EU-Land muss die dort geltende Mehrwertsteuer berechnet werden. Wenn Sie im Warenkorb das Lieferland auswählen, wird Ihnen auch der korrekte Mehrwertsteuersatz zu Ihrem EU-Land angezeigt.