Einstellungen
Versandland
Ihr Warenkorb ist leer.
Schnellkauf

Bitte geben Sie eine Artikelnummer ein.

KÄRCHER Professional Ersatzteile Bodenreiniger COMMODORE DUO DLX 20 20G (OBS)" 1.008-614.0 VACUUM - DELUXE

KÄRCHER Professional
Art.Nr.: 0.250-452.0
KÄRCHER Professional Ersatzteile Bodenreiniger COMMODORE DUO DLX 20 20G (OBS)" 1.008-614.0 VACUUM - DELUXE
KÄRCHER Professional Ersatzteile Bodenreiniger COMMODORE DUO DLX 20 20G (OBS)" 1.008-614.0 VACUUM - DELUXE
Lieferzeit: 3-7 Werktage*
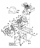
Suchen Sie in der Zeichnung nach der Nummer die sie benötigen. Wählen Sie diese dann in der Tabelle aus. Nur die, in der Tabelle aufgeführten Ersatzteile, sind verfügbar.

ErsatzteilPreisBildkaufen
Teil: 1 | Schraube 1/4-20 X 4.25
8.627-672.0
8,05 € ohne Abbildung
Teil: 2 | Scheibe 1/4 SPLIT LOCK PLTD
8.601-078.0
2,57 € ohne Abbildung
Teil: 3 | Scheibe 1/4 ID X 5/8 OD SS
8.601-063.0
3,86 € Teil 3 Scheibe 1/4 ID X 5/8 OD SS Art.Nr.: 8.601-063.0
Teil: 4 | Dichtung
8.600-376.0
43,68 €**ohne Abbildung
Teil: 7 | Dichtung
8.601-183.0
10,14 € ohne Abbildung
Teil: 8 | Platte
8.601-447.0
13,45 € ohne Abbildung
Teil: 9 | Schlauchleitung 1.5 BLK VAC X 14
8.600-442.0
74,02 €**ohne Abbildung
Teil: 10 | Kupplung
8.607-533.0
173,57 €**ohne Abbildung
Teil: 12 | Scheibe .344IDX1.13ODX.09T PLT
8.627-963.0
18,19 € ohne Abbildung
Teil: 13 | Schraube 5/16-18 X 5/8 HHCS SS
8.627-649.0
5,47 € ohne Abbildung
Teil: 14 | Scheibe THRUST.51 ID X1ODX.063
8.625-941.0
9,12 € ohne Abbildung
Teil: 15 | Gleitlager FLANGED.314IDX.502OD
8.622-884.0
12,98 € ohne Abbildung
Teil: 17 | Scheibe 5/16 FLAT SS
8.601-067.0
3,22 € ohne Abbildung
Teil: 18 | Mutter 5/16-18 HEX NYLOCK SS
8.627-083.0
7,51 € ohne Abbildung
Teil: 19 | Schraube 5/16-18HEXNYLOCKTHNSS
8.627-678.0
6,98 € ohne Abbildung
Teil: 20 | Schraube 10-32 X 1/2 PPHMS BLK NP
8.600-695.0
6,12 € ohne Abbildung
Teil: 24 | Klemme 2.0 WORM GEAR X .312W"
8.600-240.0
14,24 € ohne Abbildung
Teil: 25 | Schlauch 1.5 Blk Vac X 6.5
8.629-760.0
46,90 €**ohne Abbildung
Teil: 26 | Manschette HOSE 1.5 BLK A 2161"
8.600-301.0
15,63 € ohne Abbildung
Teil: 27 | Befestigung Netz
8.629-263.0
74,59 €**ohne Abbildung
Teil: 28 | Saugturbine VAC MOTOR, 36V
8.625-848.0
230,96 €**ohne Abbildung
  • Produktbeschreibung
  • Hersteller Informationen
Produktbeschreibung
In meinem Shop können Sie KÄRCHER Professional Ersatzteile für Bodenreiniger COMMODORE DUO DLX 20 20G (OBS)" 1.008-614.0 VACUUM - DELUXE einfach online kaufen! Eine Skizze unterstützt Sie bei der Auswahl des richtigen KÄRCHER Ersatzteils. Auch gibt es bereits zu vielen Ersatzteilen ein original Ersatzteilbild. Bitte wählen Sie das gewünschte Ersatzteil in der Tabelle aus.

Wenn Sie Hilfe bei der Suche nach dem richtigen KÄRCHER Professional Ersatzteils benötigen, nehmen Sie einfach Kontakt zu uns auf. Sie können gerne auch eine Nachricht per WhatsApp an 0152 560 383 53 senden. Alle aufgelisteten Ersatzteile sind original KÄRCHER Professional Ersatzteile. Nachbauartikel oder Ersatzartikel von anderen Herstellern sind mit dem Wort Nachbau bzw. Ersatzartikel gekennzeichnet.

Alle Artikel aus der Kategorie KÄRCHER Professional Ersatzteile Bodenreiniger COMMODORE DUO DLX 20 20G (OBS)" 1.008-614.0 einfach online kaufen!

Bitte beachten Sie, dass Elektro KÄRCHER Professional Ersatzteile nur von Elektrofachkräften nach Vorgabe des Herstellers unter Berücksichtigung der gesetzlichen Vorschriften ersetzt werden dürfen.

Hersteller Informationen
Kontakt Hersteller
Alfred Kärcher Vertriebs-GmbH
Friedrich-List-Straße 4
71364 Winnenden
Germany

info@karcher.com
* gilt für Lieferungen innerhalb Deutschlands, Lieferzeiten für andere Länder entnehmen Sie bitte der Schaltfläche mit den Versandinformationen.
** Die Versandkosten betragen innerhalb Deutschlands für Produkte mit ** Vermerk und KÄRCHER Zubehör 5,90 EUR. Für alle Produkte ohne diesen Vermerk betragen die Versandkosten 4,99 EUR.