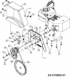
Ersatzteile Yard-Man Schneefräsen E 623 D Typ: 31BE623D643  (2001) Fahrantrieb, Fräsantrieb
Für eine größere Ansicht klicken Sie auf das Vorschaubild

Ersatzteile Yard-Man Schneefräsen E 623 D Typ: 31BE623D643 (2001) Fahrantrieb, Fräsantrieb

MTD
MTD Art.Nr.: E4-00292A-01
Hier können Sie Ersatzteile Yard-Man Schneefräsen E 623 D Typ: 31BE623D643 (2001) Fahrantrieb, Fräsantrieb einfach online kaufen.

In der Skizze sind die Teile mit einer Zahl gekennzeichnet. Diese finden Sie in der Tabelle wieder und können so das Ersatzteil aus der Tabelle auswählen und online kaufen.


Ersatzteil
deutschenglishfrench
PreisBildkaufen
Teil 2 6KT-SCHR:5/16-24:0.75:GR5:LOCK
Art.Nr.: WG-710-0627
Part 2 HHCS:5/16-24:0.75:GR5:LOCK
Article no.: WG-710-0627
Partie 2 VIS HEX. 5/16-24:.750 GR5:LOCK
Numéro d'article: WG-710-0627
3,09 € Teil 2 6KT-SCHR:5/16-24:0.75:GR5:LOCK Art.Nr.: WG-710-0627
Teil 3 6KT-SCHR:5/16-24:.75 GR5 STD
Art.Nr.: WG-710-0157
Part 3 HHCS:5/16-24:.75:GR5:STD
Article no.: WG-710-0157
Partie 3 VIS HEX.:5/16-24:.75 GR5 STD
Numéro d'article: WG-710-0157
4,72 € Teil 3 6KT-SCHR:5/16-24:.75 GR5 STD Art.Nr.: WG-710-0157
Teil 5 SKT-SCHR.3/8-16X1.25"
Art.Nr.: WG-710-0342
Part 5 SCREW-HEX
Article no.: WG-710-0342
Partie 5 VIS
Numéro d'article: WG-710-0342
2,95 € ohne Abbildung
Teil 6 SECHSKANT-SCHRAUBE
Art.Nr.: WG-710-0696
Part 6 HEXAGONAL SCREW
Article no.: WG-710-0696
Partie 6 VIS HEXAGONALE -EX 710-0877-
Numéro d'article: WG-710-0696
7,16 € ohne Abbildung
Teil 7 SKT-SCHRAUBE
Art.Nr.: WG-710-0888
Part 7 HEX SCR SPECIAL
Article no.: WG-710-0888
Partie 7 VIS HEXAGONAL
Numéro d'article: WG-710-0888
6,32 € Teil 7 SKT-SCHRAUBE Art.Nr.: WG-710-0888
Teil 8 SCHRAUBE:1/4-14:0,625:HXINDWSH
Art.Nr.: WG-710-0896
Part 8 SCR:AB:1/4-14:.625:HXINDWSH
Article no.: WG-710-0896
Partie 8 VIS HEX.:1/4-14:0,625
Numéro d'article: WG-710-0896
5,24 € Teil 8 SCHRAUBE:1/4-14:0,625:HXINDWSH Art.Nr.: WG-710-0896
Teil 9 6KT-RING-S-MUTTER:3/8-16:GR5
Art.Nr.: WG-712-0181
Part 9 NUT:JAMLK:3/8-16:GR5
Article no.: WG-712-0181
Partie 9 ECROU
Numéro d'article: WG-712-0181
3,31 € Teil 9 6KT-RING-S-MUTTER:3/8-16:GR5 Art.Nr.: WG-712-0181
Teil 10 KEILRIEMENABDECKUNG
Art.Nr.: WG-731-1324
Part 10 COVER-RH BELT
Article no.: WG-731-1324
Partie 10 PROTECTION
Numéro d'article: WG-731-1324
24,74 € Teil 10 KEILRIEMENABDECKUNG Art.Nr.: WG-731-1324
Teil 12 U-SCHEIBE:0.339x0.890x0.063
Art.Nr.: WG-736-0159
Part 12 WASH:FLAT:0.339X0.890X0.063
Article no.: WG-736-0159
Partie 12 RONDELLE .349 X 88X.06"
Numéro d'article: WG-736-0159
3,09 € ohne Abbildung
Teil 13 TELLERFEDER:0.336X0.885X.060
Art.Nr.: WG-736-0242
Part 13 WASH:BLVL:0.336X0.885X0.060
Article no.: WG-736-0242
Partie 13 RONDELLE CONIQUE.340X.872X.060
Numéro d'article: WG-736-0242
3,74 € Teil 13 TELLERFEDER:0.336X0.885X.060 Art.Nr.: WG-736-0242
Teil 14 SCHEIBE:FL:0.401x1.280x.157:HD
Art.Nr.: WG-736-0247
Part 14 WASH:FLAT:0.401X1.280X0.157:HD
Article no.: WG-736-0247
Partie 14 RONDELLE 40 X 1.25X .157"
Numéro d'article: WG-736-0247
9,42 € Teil 14 SCHEIBE:FL:0.401x1.280x.157:HD Art.Nr.: WG-736-0247
Teil 15 FEDERRING:1/4" NORMALAUSF.
Art.Nr.: WG-736-0329
Part 15 WASH:LOCK:1/4:SPLT:REG
Article no.: WG-736-0329
Partie 15 RONDELLE GROWER
Numéro d'article: WG-736-0329
2,95 € ohne Abbildung
Teil 16 TELLERFEDER:.384X1.135X.062
Art.Nr.: WG-736-0331
Part 16 WASH:BLVL:0.384X1.135X0.062
Article no.: WG-736-0331
Partie 16 RONDELLE CONIQUE
Numéro d'article: WG-736-0331
3,09 € Teil 16 TELLERFEDER:.384X1.135X.062 Art.Nr.: WG-736-0331
Teil 17 U-SCHEIBE:0.339x1.505x.149:HD
Art.Nr.: WG-736-0505
Part 17 WASH:FLAT:0.339X1.505X0.149:HD
Article no.: WG-736-0505
Partie 17 RONDELLE PL. .34x1.50x.150:HT
Numéro d'article: WG-736-0505
5,47 € ohne Abbildung
Teil 18 SPEZIALSCHEIBE
Art.Nr.: WG-736-0507
Part 18 SPACER
Article no.: WG-736-0507
Partie 18 RONDELLE
Numéro d'article: WG-736-0507
12,98 € ohne Abbildung
Teil 20 ADAPTER FÜR KR-SCHEIBE
Art.Nr.: WG-748-0360
Part 20 ADAPTER FOR PULLEY
Article no.: WG-748-0360
Partie 20 ADAPTATEUR POUR POULIE
Numéro d'article: WG-748-0360
34,44 €**ohne Abbildung
Teil 21 KEILRIEMEN 3/8X29"
Art.Nr.: WG-754-0456
Part 21 V-BELT
Article no.: WG-754-0456
Partie 21 COURROIE 3/8X29"
Numéro d'article: WG-754-0456
22,46 € Teil 21 KEILRIEMEN 3/8X29
Teil 22 KEILRIEMEN SATZ (2)
Art.Nr.: WG-754-0430
Part 22 BELT-V SET OF TWO
Article no.: WG-754-0430
Partie 22 COURROIE (2)
Numéro d'article: WG-754-0430
71,44 €**ohne Abbildung
Teil 23 SPANNROLLE
Art.Nr.: WG-756-0313
Part 23 PULLEY-IDLER-FLAT
Article no.: WG-756-0313
Partie 23 POULIE
Numéro d'article: WG-756-0313
26,75 €**ohne Abbildung
Teil 24 KEILRIEMENSCHEIBENHÄLFTE
Art.Nr.: WG-756-0569
Part 24 DISC REVERSE
Article no.: WG-756-0569
Partie 24 POULIE DE COUR. TRAPÜZ. MOITIE
Numéro d'article: WG-756-0569
12,45 € ohne Abbildung
Teil 25 KEILRIEMENSCHEIBE
Art.Nr.: WG-756-0967
Part 25 PULLEY
Article no.: WG-756-0967
Partie 25 POULIE
Numéro d'article: WG-756-0967
67,12 €**ohne Abbildung
Teil 29 KABEL MIT STECKER
Art.Nr.: WG-629-0071
Part 29 CORD-EXTENSION
Article no.: WG-629-0071
Partie 29 CABLE AVEC PRISE
Numéro d'article: WG-629-0071
44,75 €**ohne Abbildung
inkl. 19 % MwSt. Steuer-Info
zzgl. Versandkosten
Lieferzeit: 3-10 Werktage*
In den Warenkorb

Wenn Sie Hilfe zu einer Störung Ihres MTD Gerätes benötigen, nehmen Sie einfach Kontakt zu uns auf. Sie können gerne auch eine Nachricht per WhatsApp an 0152 560 383 53 senden. Wir helfen Ihnen gerne!

Alle aufgelisteten Ersatzteile sind original MTD Ersatzteile.

Alle Artikel aus der Kategorie Ersatzteile Yard-Man Schneefräsen E 623 D Typ: 31BE623D643 (2001)

Bitte beachten Sie, dass Elektro MTD Ersatzteile nur von Elektrofachkräften nach Vorgabe des Herstellers unter Berücksichtigung der gesetzlichen Vorschriften ersetzt werden dürfen.

Info zu GPSR: Stanley Black & Decker Deutschland GmbH Black-&-Decker-Strasse 40, 65510 Idstein support@blackanddecker.de

    Kategorien
    Ersatzteil-Fee

    Die Ersatzteilfee

    Das rege Interesse an dem Angebot in meinem Onlineshop hat mir gezeigt, dass die Zufriedenheit meiner Kunden sehr groß ist. Zahlreiche positive Kundenmeinungen bestätigen den gut sortierten Aufbau des Shops, die gute Beratung und den zügigen Versand. Mehr über mich...

    Wir helfen Ihnen gerne, das richtige Ersatzteil zu finden. Dazu können Sie uns auch gerne Anfragen oder Fotos vom Ersatzteil/Gerät auf das Handy 0152 560 383 53
    per WhatsApp senden. SMS Nachrichten können nicht empfangen werden!


    Info zur Mehrwertsteuer

    Lieferland wählen

    Wählen Sie das Lieferland aus, um die Preise inkl. MwSt. abhängig von der Lieferadresse angezeigt zu bekommen.



    Die im Shop angegebenen Preise sind in Euro inkl. der deutschen Mehrwertsteuer angegeben.
    Für Bestellungen aus einem anderen EU-Land muss die dort geltende Mehrwertsteuer berechnet werden. Wenn Sie im Warenkorb das Lieferland auswählen, wird Ihnen auch der korrekte Mehrwertsteuersatz zu Ihrem EU-Land angezeigt.