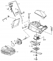
Ersatzteile Yard-Man Elektromäher YM 1513 Typ: 18B-G5F-643  (1999) Elektromotor, Messer, Räder
Für eine größere Ansicht klicken Sie auf das Vorschaubild

Ersatzteile Yard-Man Elektromäher YM 1513 Typ: 18B-G5F-643 (1999) Elektromotor, Messer, Räder

MTD
MTD Art.Nr.: E3-01287A-01
Hier können Sie Ersatzteile Yard-Man Elektromäher YM 1513 Typ: 18B-G5F-643 (1999) Elektromotor, Messer, Räder einfach online kaufen.

In der Skizze sind die Teile mit einer Zahl gekennzeichnet. Diese finden Sie in der Tabelle wieder und können so das Ersatzteil aus der Tabelle auswählen und online kaufen.


Ersatzteil
deutschenglishfrench
PreisBildkaufen
Teil 14 TORX-SCHRAUBE
Art.Nr.: WG-000.02.498
Part 14 SCREW-TORX HD 5/16-18
Article no.: WG-000.02.498
Partie 14 VIS DE LAME
Numéro d'article: WG-000.02.498
4,31 € ohne Abbildung
Teil 15 MESSERNABE KPL.180MM -GLT-
Art.Nr.: WG-631-0115
Part 15 FAN ASM:ELEC:T-DECK
Article no.: WG-631-0115
Partie 15 MOYEU DE LAMES COMPL
Numéro d'article: WG-631-0115
25,98 €**ohne Abbildung
Teil 15 MESSERNABE KPL.180MM
Art.Nr.: WG-631-0101
Part 15 BLADE HUB ASM
Article no.: WG-631-0101
Partie 15 MOYEU / LAMES COMPL
Numéro d'article: WG-631-0101
26,05 €**ohne Abbildung
Teil 17 SICHERUNGSBLECH
Art.Nr.: WG-782-7050
Part 17 LOCK PLATE
Article no.: WG-782-7050
Partie 17 PLAQUE D ARRET
Numéro d'article: WG-782-7050
7,80 € Teil 17 SICHERUNGSBLECH Art.Nr.: WG-782-7050
Teil 18 MESSERSCHRAUBE VOLLST.
Art.Nr.: WG-624-0075
Part 18 BOLT ASM:BLADE:T-DECK:ELEC
Article no.: WG-624-0075
Partie 18 VIS / LAME COMPL.
Numéro d'article: WG-624-0075
7,82 €
Teil 22 SCHEIBE DIN 9021-ST
Art.Nr.: WG-24.6486.13
Part 22 Washer
Article no.: WG-24.6486.13
Partie 22 RONDELLE
Numéro d'article: WG-24.6486.13
2,18 € ohne Abbildung
Teil 23 FAECHERSCHEIBE A4,3 DIN 6798
Art.Nr.: WG-24.8191.09
Part 23 Spring washer
Article no.: WG-24.8191.09
Partie 23 RONDELLE
Numéro d'article: WG-24.8191.09
3,00 € ohne Abbildung
Teil 24 LINSEN-BLECHSCHRAUBE DIN 7981
Art.Nr.: WG-710-1350
Part 24 Screw
Article no.: WG-710-1350
Partie 24 VIS
Numéro d'article: WG-710-1350
2,84 € ohne Abbildung
Teil 28 RAD 0 160 mm GLEITLAGER
Art.Nr.: WG-734-1884637
Part 28 WHEEL DIA 160mm,
Article no.: WG-734-1884637
Partie 28 ROUE DIA 160 MM
Numéro d'article: WG-734-1884637
25,32 €**ohne Abbildung
Teil 30 RADBOLZEN SHVN VORNE -G-
Art.Nr.: WG-738-1026
Part 30 BOLT
Article no.: WG-738-1026
Partie 30 GOUJON / ROUE AVANT -G-
Numéro d'article: WG-738-1026
6,26 € ohne Abbildung
Teil 32 BEULENSCHRAUBBLENDE -CG-
Art.Nr.: WG-720-0343637
Part 32 HUB CAP, WITHOUT LOGO, BLACK
Article no.: WG-720-0343637
Partie 32 ENJOLIVEUR NOIR
Numéro d'article: WG-720-0343637
5,70 € ohne Abbildung
Teil 41 SCHEIBE A8.4 DIN 9021
Art.Nr.: WG-736-0701
Part 41 WASH:FLAT:8.4x24x2.00 DIN 9021
Article no.: WG-736-0701
Partie 41 RONDELLE
Numéro d'article: WG-736-0701
3,38 € Teil 41 SCHEIBE A8.4          DIN 9021 Art.Nr.: WG-736-0701
Teil 42 VERSTELLARM
Art.Nr.: WG-782-0617
Part 42 Adjusting arm
Article no.: WG-782-0617
Partie 42 TIGE REGLAGE
Numéro d'article: WG-782-0617
11,03 € ohne Abbildung
Teil 43 HÖHENVERSTELLHEBEL VOLLST.
Art.Nr.: WG-682-0232
Part 43 LVR ASM:HGT:L0-WHL
Article no.: WG-682-0232
Partie 43 LEVIER AJUSTEMENT HAUTEUR
Numéro d'article: WG-682-0232
11,81 € ohne Abbildung
Teil 44 TELLERFEDER DIN 2093
Art.Nr.: WG-736-0651
Part 44 SPRING WASHER
Article no.: WG-736-0651
Partie 44 RONDELLE CONIQUE
Numéro d'article: WG-736-0651
2,56 € ohne Abbildung
Teil 45 SCHRAUBE M8X24 VERZINKT
Art.Nr.: WG-738-1030
Part 45 SCREW - INDIVIDUAL HEIGHT ADJ.
Article no.: WG-738-1030
Partie 45 BOULON
Numéro d'article: WG-738-1030
8,88 € ohne Abbildung
inkl. 19 % MwSt. Steuer-Info
zzgl. Versandkosten
Lieferzeit: 3-10 Werktage*
In den Warenkorb

Wenn Sie Hilfe zu einer Störung Ihres MTD Gerätes benötigen, nehmen Sie einfach Kontakt zu uns auf. Sie können gerne auch eine Nachricht per WhatsApp an 0152 560 383 53 senden. Wir helfen Ihnen gerne!

Alle aufgelisteten Ersatzteile sind original MTD Ersatzteile.

Alle Artikel aus der Kategorie Ersatzteile Yard-Man Elektromäher YM 1513 Typ: 18B-G5F-643 (1999)

Bitte beachten Sie, dass Elektro MTD Ersatzteile nur von Elektrofachkräften nach Vorgabe des Herstellers unter Berücksichtigung der gesetzlichen Vorschriften ersetzt werden dürfen.

Info zu GPSR: Stanley Black & Decker Deutschland GmbH Black-&-Decker-Strasse 40, 65510 Idstein support@blackanddecker.de

    Kategorien
    Ersatzteil-Fee

    Die Ersatzteilfee

    Das rege Interesse an dem Angebot in meinem Onlineshop hat mir gezeigt, dass die Zufriedenheit meiner Kunden sehr groß ist. Zahlreiche positive Kundenmeinungen bestätigen den gut sortierten Aufbau des Shops, die gute Beratung und den zügigen Versand. Mehr über mich...

    Wir helfen Ihnen gerne, das richtige Ersatzteil zu finden. Dazu können Sie uns auch gerne Anfragen oder Fotos vom Ersatzteil/Gerät auf das Handy 0152 560 383 53
    per WhatsApp senden. SMS Nachrichten können nicht empfangen werden!


    Info zur Mehrwertsteuer

    Lieferland wählen

    Wählen Sie das Lieferland aus, um die Preise inkl. MwSt. abhängig von der Lieferadresse angezeigt zu bekommen.



    Die im Shop angegebenen Preise sind in Euro inkl. der deutschen Mehrwertsteuer angegeben.
    Für Bestellungen aus einem anderen EU-Land muss die dort geltende Mehrwertsteuer berechnet werden. Wenn Sie im Warenkorb das Lieferland auswählen, wird Ihnen auch der korrekte Mehrwertsteuersatz zu Ihrem EU-Land angezeigt.