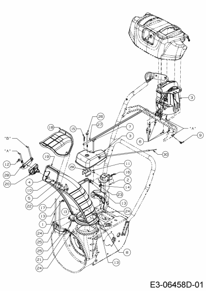
Ersatzteile WOLF-Garten Schneefräse SF 66 E Typ: 31AY54T3650  (2019) Auswurfschacht, Joystick
Für eine größere Ansicht klicken Sie auf das Vorschaubild

Ersatzteile WOLF-Garten Schneefräse SF 66 E Typ: 31AY54T3650 (2019) Auswurfschacht, Joystick


Ersatzteil
deutschenglishfrench
PreisBildkaufen
Teil 1 EINGRIFFSSCHUTZ AUSWURFSCHACHT
Art.Nr.: WG-684-04055
Part 1 CHUTE GUARD ASM POWDER BLACK
Article no.: WG-684-04055
Partie 1 EQUERRE PROTECTION
Numéro d'article: WG-684-04055
41,68 €**ohne Abbildung
Teil 3 STEUERUNG VST:AUSWURF:4-WEGE
Art.Nr.: WG-684-04355A
Part 3 684-04355A
Article no.: WG-684-04355A
Partie 3 BOITIER DE COMMANDE
Numéro d'article: WG-684-04355A
173,93 €**ohne Abbildung
Teil 4 FL-RUNDSCHR:5/16-18:1.50:GR5
Art.Nr.: WG-710-0262
Part 4 BOLT:CRG:5/16-18:1.50:GR5:STD
Article no.: WG-710-0262
Partie 4 VIS A TET PL.:5/16-18:1.50:GR2
Numéro d'article: WG-710-0262
3,62 € ohne Abbildung
Teil 5 HALBRD-SCHR:5/16-18x1.00:GR5
Art.Nr.: WG-710-04071
Part 5 BOLT:CRG:5/16-18:1.00:GR5:RECT
Article no.: WG-710-04071
Partie 5 VIS
Numéro d'article: WG-710-04071
2,68 € ohne Abbildung
Teil 6 6KT-SCHRAUBE:HL:1/4-15:0.50
Art.Nr.: WG-710-04187
Part 6 SCREW HEX 1/4-15:0.50
Article no.: WG-710-04187
Partie 6 VIS HEX.:1/4-15:0.50:HXINDWSH
Numéro d'article: WG-710-04187
2,95 € ohne Abbildung
Teil 7 6KT-SCHRAUBE:1/4-20:3.00:GR5
Art.Nr.: WG-710-04370
Part 7 HHCS:1/4-20:3.00:GR5:SPEC
Article no.: WG-710-04370
Partie 7 VIS 1/4-20X3.00
Numéro d'article: WG-710-04370
11,45 € ohne Abbildung
Teil 8 6KT-SCHR:1/4-20:1.00:GR5:STD
Art.Nr.: WG-710-0597
Part 8 HHCS:1/4-20:1.00:GR5:STD
Article no.: WG-710-0597
Partie 8 VIS 1/4-20:1.00/GR5/SPEC
Numéro d'article: WG-710-0597
2,56 € ohne Abbildung
Teil 9 6KT-SCHRAUBE:TT:1/4-20:0.500
Art.Nr.: WG-710-0599
Part 9 SCREW:TT:1/4-20:0.500:HXINDWSH
Article no.: WG-710-0599
Partie 9 VIS A SIX PANS CREUX
Numéro d'article: WG-710-0599
4,58 € Teil 9 6KT-SCHRAUBE:TT:1/4-20:0.500 Art.Nr.: WG-710-0599
Teil 10 6KT-SCHRAUBE:HL:1/4-15:0.750
Art.Nr.: WG-710-0895
Part 10 SCR:HL:1/4-15:0.750:HXINDWSH
Article no.: WG-710-0895
Partie 10 VIS A SIX PANS CREUX
Numéro d'article: WG-710-0895
3,36 € Teil 10 6KT-SCHRAUBE:HL:1/4-15:0.750 Art.Nr.: WG-710-0895
Teil 11 ABSTECKBOLZEN:.375X1.494X.151
Art.Nr.: WG-711-04469A
Part 11 PIN:CLV:0.375X1.494X0.151
Article no.: WG-711-04469A
Partie 11 GOUJON AV. T¤TE:3/8:1.87
Numéro d'article: WG-711-04469A
5,12 € ohne Abbildung
Teil 12 6KT-S-BUNDMUTTER:5/16-18:GRN5
Art.Nr.: WG-712-04063
Part 12 NUT:HEXFLGLK:5/16-18:GRN5:NYL
Article no.: WG-712-04063
Partie 12 ECROU HEX. AVEC FLANC
Numéro d'article: WG-712-04063
4,31 € Teil 12 6KT-S-BUNDMUTTER:5/16-18:GRN5 Art.Nr.: WG-712-04063
Teil 13 6KT-S-BUNDMUTTER:1/4-20:GRN5
Art.Nr.: WG-712-04064
Part 13 NUT:HEXFLGLK:1/4-20:GRN5:NYL
Article no.: WG-712-04064
Partie 13 ECROU HEXAGONAL
Numéro d'article: WG-712-04064
4,58 € Teil 13 6KT-S-BUNDMUTTER:1/4-20:GRN5 Art.Nr.: WG-712-04064
Teil 14 FLÜGELMUTTER: 1/4-20
Art.Nr.: WG-712-3087
Part 14 NUT:WING:1/4-20
Article no.: WG-712-3087
Partie 14 ECROU PAPILLON
Numéro d'article: WG-712-3087
3,62 € Teil 14 FLÜGELMUTTER: 1/4-20 Art.Nr.: WG-712-3087
Teil 15 FEDERSTECKER:.08 X 1.42"
Art.Nr.: WG-714-0101
Part 15 PIN:COT:INT:.08 X 1.42
Article no.: WG-714-0101
Partie 15 GOUPILLE ¡ RESSORT:.08 x 1,42"
Numéro d'article: WG-714-0101
2,56 € ohne Abbildung
Teil 16 FEDERSTECKER:1/4" - 3/8"
Art.Nr.: WG-714-04040
Part 16 PIN:COT:BOW-TIE:1/4" - 3/8"
Article no.: WG-714-04040
Partie 16 GOUPILLE
Numéro d'article: WG-714-04040
2,64 € Teil 16 FEDERSTECKER:1/4
Teil 17 FLÜGELMUTTER VST:5/16-18:3.00
Art.Nr.: WG-720-0284
Part 17 KNOB:WING:INT:5/16-18:3.00:BLK
Article no.: WG-720-0284
Partie 17 ÜCROU PAPILLON 5/16-18
Numéro d'article: WG-720-0284
4,58 € ohne Abbildung
Teil 18 AUSWURFSCHACHT OBERTEIL
Art.Nr.: WG-731-04425B
Part 18 UPPER CHUTE
Article no.: WG-731-04425B
Partie 18 CANAL DEJECTION SUPERIEUR
Numéro d'article: WG-731-04425B
29,82 €**ohne Abbildung
Teil 19 AUSWURFSCHACHT:UNTEN 5.0 DIA
Art.Nr.: WG-731-06440A
Part 19 CHUT:LWR:5.0 DIA:BLACK
Article no.: WG-731-06440A
Partie 19 TUYERE
Numéro d'article: WG-731-06440A
33,16 €**ohne Abbildung
Teil 20 BRACK.BOWDENFÜHRUNG:AUSWURFK.
Art.Nr.: WG-731-06451
Part 20 GDE:CBL:CHUTE TILT
Article no.: WG-731-06451
Partie 20 GUIDE DE VOLET
Numéro d'article: WG-731-06451
6,47 € Teil 20 BRACK.BOWDENFÜHRUNG:AUSWURFK. Art.Nr.: WG-731-06451
Teil 21 ZUGFEDER:.36 OD x 1.786LG
Art.Nr.: WG-732-04679
Part 21 SPR:EXTN:.36 OD X 1.786 LG
Article no.: WG-732-04679
Partie 21 RESSORT
Numéro d'article: WG-732-04679
7,80 € ohne Abbildung
Teil 22 U-SCHEIBE:0.339x0.890x0.063
Art.Nr.: WG-736-0159
Part 22 WASH:FLAT:0.339X0.890X0.063
Article no.: WG-736-0159
Partie 22 RONDELLE .349 X 88X.06"
Numéro d'article: WG-736-0159
3,09 € ohne Abbildung
Teil 23 SCHEIBE:FL:0.265x.640x0.052:HD
Art.Nr.: WG-736-04446
Part 23 WASH:FLAT:0.265X0.640X0.052:HD
Article no.: WG-736-04446
Partie 23 RONDELLE
Numéro d'article: WG-736-04446
3,74 € ohne Abbildung
Teil 24 U-SCHEIBE:0.276x0.640x0.052
Art.Nr.: WG-736-0463
Part 24 WASH:FLAT:0.276 X0.640 X0.052
Article no.: WG-736-0463
Partie 24 RONDELLE
Numéro d'article: WG-736-0463
2,68 € Teil 24 U-SCHEIBE:0.276x0.640x0.052 Art.Nr.: WG-736-0463
Teil 25 SCHULTERSCHR:0.375x.177:1/4-20
Art.Nr.: WG-738-0255
Part 25 SCR:SHLDR:0.375X0.177:1/4-20
Article no.: WG-738-0255
Partie 25 VIS A EPAULE .375 DIA x.181
Numéro d'article: WG-738-0255
6,69 € ohne Abbildung
Teil 26 SCHULTERSCHR:.313x3.495:1/4-20
Art.Nr.: WG-738-04367
Part 26 SCR:SHLDR:0.313X3.495:1/4-20
Article no.: WG-738-04367
Partie 26 VIS .312x3.5x1/4-20
Numéro d'article: WG-738-04367
9,09 € ohne Abbildung
Teil 27 STANGE:AUSWURFSCHACHT:3/8 6KT
Art.Nr.: WG-747-05116
Part 27 ROD:CHUT:3/8 HEX
Article no.: WG-747-05116
Partie 27 TRINGLE
Numéro d'article: WG-747-05116
26,91 €**Teil 27 STANGE:AUSWURFSCHACHT:3/8 6KT Art.Nr.: WG-747-05116
Teil 28
Art.Nr.: WG-784-5594A
Part 28
Article no.: WG-784-5594A
Partie 28
Numéro d'article: WG-784-5594A
13,46 € ohne Abbildung
Teil 29 HALTERUNG
Art.Nr.: WG-790-00503
Part 29 MOUNTING
Article no.: WG-790-00503
Partie 29 ATTACHE
Numéro d'article: WG-790-00503
7,37 € ohne Abbildung
Teil 30 BOWDENZUG
Art.Nr.: WG-746-04619B
Part 30 Bowden wire
Article no.: WG-746-04619B
Partie 30 CABLE
Numéro d'article: WG-746-04619B
36,78 €**ohne Abbildung
inkl. 19 % MwSt. Steuer-Info
zzgl. Versandkosten
Lieferzeit: 3-10 Werktage*
In den Warenkorb

Wenn Sie Hilfe zu einer Störung Ihres WOLF-Garten Gerätes benötigen, nehmen Sie einfach Kontakt zu uns auf. Sie können gerne auch eine Nachricht per WhatsApp an 0152 560 383 53 senden. Wir helfen Ihnen gerne!

Alle aufgelisteten Ersatzteile sind original WOLF-Garten Ersatzteile.

Alle Artikel aus der Kategorie Ersatzteile WOLF-Garten Schneefräse SF 66 E Typ: 31AY54T3650 (2019)

Bitte beachten Sie, dass Elektro WOLF-Garten Ersatzteile nur von Elektrofachkräften nach Vorgabe des Herstellers unter Berücksichtigung der gesetzlichen Vorschriften ersetzt werden dürfen.

Info zu GPSR: Stanley Black & Decker Deutschland GmbH Black-&-Decker-Strasse 40, 65510 Idstein support@blackanddecker.de

    Kategorien
    Ersatzteil-Fee

    Die Ersatzteilfee

    Das rege Interesse an dem Angebot in meinem Onlineshop hat mir gezeigt, dass die Zufriedenheit meiner Kunden sehr groß ist. Zahlreiche positive Kundenmeinungen bestätigen den gut sortierten Aufbau des Shops, die gute Beratung und den zügigen Versand. Mehr über mich...

    Wir helfen Ihnen gerne, das richtige Ersatzteil zu finden. Dazu können Sie uns auch gerne Anfragen oder Fotos vom Ersatzteil/Gerät auf das Handy 0152 560 383 53
    per WhatsApp senden. SMS Nachrichten können nicht empfangen werden!


    Info zur Mehrwertsteuer

    Lieferland wählen

    Wählen Sie das Lieferland aus, um die Preise inkl. MwSt. abhängig von der Lieferadresse angezeigt zu bekommen.



    Die im Shop angegebenen Preise sind in Euro inkl. der deutschen Mehrwertsteuer angegeben.
    Für Bestellungen aus einem anderen EU-Land muss die dort geltende Mehrwertsteuer berechnet werden. Wenn Sie im Warenkorb das Lieferland auswählen, wird Ihnen auch der korrekte Mehrwertsteuersatz zu Ihrem EU-Land angezeigt.