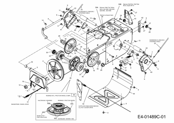
Ersatzteile WOLF-Garten Schneefräse Expert 7690 Typ: 31AY55TU650  (2013) Fahrantrieb
Für eine größere Ansicht klicken Sie auf das Vorschaubild

Ersatzteile WOLF-Garten Schneefräse Expert 7690 Typ: 31AY55TU650 (2013) Fahrantrieb


Ersatzteil
deutschenglishfrench
PreisBildkaufen
Teil 3 WELLE REIBRAD KPL.
Art.Nr.: WG-618-04322A
Part 3 SHAFT ASM:HEX:FRICTION WHEEL
Article no.: WG-618-04322A
Partie 3 ARBRE DENTR.:R. DE FRICT. CPL
Numéro d'article: WG-618-04322A
324,49 €**
Teil 4 REIBSCHEIBE VOLLST:
Art.Nr.: WG-656-04055
Part 4 DISC ASM:WHL:FRICTION
Article no.: WG-656-04055
Partie 4 POULIE
Numéro d'article: WG-656-04055
65,20 €**ohne Abbildung
Teil 5 TRAEGER VOLLST:REIBRAD
Art.Nr.: WG-684-04154B
Part 5 BRKT ASM:SUPT:FRCTN WHL
Article no.: WG-684-04154B
Partie 5 SUPPORT CPL ROUE DE FRICTION
Numéro d'article: WG-684-04154B
44,24 €**ohne Abbildung
Teil 6 SCHALTHEBEL VOLLSTÄNDIG
Art.Nr.: WG-684-04156A
Part 6 SHFT ASM:ROD S/T
Article no.: WG-684-04156A
Partie 6 LEVIER DEMBRAYAGE CPL.
Numéro d'article: WG-684-04156A
48,38 €**ohne Abbildung
Teil 7 6KT-SCHR:5/16-24:0.75:GR5:LOCK
Art.Nr.: WG-710-0627
Part 7 HHCS:5/16-24:0.75:GR5:LOCK
Article no.: WG-710-0627
Partie 7 VIS HEX. 5/16-24:.750 GR5:LOCK
Numéro d'article: WG-710-0627
3,09 € Teil 7 6KT-SCHR:5/16-24:0.75:GR5:LOCK Art.Nr.: WG-710-0627
Teil 8 6KT-SCHR:TT:1/4-20:1.0:HXINDWS
Art.Nr.: WG-710-0788
Part 8 SCREW:TT:1/4-20:1.000:HXINDWSH
Article no.: WG-710-0788
Partie 8 VIS A SIX PANS CREUX
Numéro d'article: WG-710-0788
3,36 € ohne Abbildung
Teil 9 6KT-SCHRAUBE:TT:1/4-20:0.62
Art.Nr.: WG-710-1652
Part 9 SCR:TT:1/4-20:0.62:HXINDWSH
Article no.: WG-710-1652
Partie 9 VIS HEX. TT:1/4-20:.625:HXINDW
Numéro d'article: WG-710-1652
3,21 € Teil 9 6KT-SCHRAUBE:TT:1/4-20:0.62 Art.Nr.: WG-710-1652
Teil 10 LAGERWELLE
Art.Nr.: WG-711-1268B
Part 10 SHAFT ACTUATOR DR 500 S/T
Article no.: WG-711-1268B
Partie 10 ARBRE DE PALIER
Numéro d'article: WG-711-1268B
12,11 € ohne Abbildung
Teil 11 6KT-S-BUNDMUTTER 3/8-16:GRN5
Art.Nr.: WG-712-04065
Part 11 NUT:HEXFLGLK:3/8-16:GRN5:NYLON
Article no.: WG-712-04065
Partie 11 ECROU HEXAGONAL
Numéro d'article: WG-712-04065
4,19 € Teil 11 6KT-S-BUNDMUTTER 3/8-16:GRN5 Art.Nr.: WG-712-04065
Teil 12 6KT-BUNDMUTTER:5/8-18
Art.Nr.: WG-712-05134
Part 12 NUT:FLG:5/8-18
Article no.: WG-712-05134
Partie 12 ÜCROU HEX. AV. FLANC: 5/8-18
Numéro d'article: WG-712-05134
4,31 € Teil 12 6KT-BUNDMUTTER:5/8-18 Art.Nr.: WG-712-05134
Teil 13 SCHEIBENFEDER NR.9: 3/16 x 3/4
Art.Nr.: WG-714-0126
Part 13 KEY-HI-PRO:3/16 x 3/4 DIA
Article no.: WG-714-0126
Partie 13 CLAVETTE
Numéro d'article: WG-714-0126
5,97 € ohne Abbildung
Teil 14 SICHERUNGSRING:.500 DIA WELLE
Art.Nr.: WG-716-0104
Part 14 E-RING:.500 DIA SHAFT
Article no.: WG-716-0104
Partie 14 CIRCLIPS:.500 DIA ARBRE
Numéro d'article: WG-716-0104
3,14 € ohne Abbildung
Teil 15 SICHERUNGSRING:AUSSEN:0.87"
Art.Nr.: WG-716-0136
Part 15 RING:RET:EXT:0.87:E-87
Article no.: WG-716-0136
Partie 15 CIRCLIPS:TYPE E:.875 DIA
Numéro d'article: WG-716-0136
2,95 € ohne Abbildung
Teil 16 ZAHNRAD 56 ZÄHNE
Art.Nr.: WG-717-04210
Part 16 GEAR-56 TOOTH
Article no.: WG-717-04210
Partie 16 PIGNON 56 DENTS
Numéro d'article: WG-717-04210
48,11 €**ohne Abbildung
Teil 17 ACHSENKLEMMRING:1/2"
Art.Nr.: WG-726-0221
Part 17 NUT:SPD:.500
Article no.: WG-726-0221
Partie 17 BAGUE DE SERRAGE DAXE:1/2"
Numéro d'article: WG-726-0221
3,36 € ohne Abbildung
Teil 18 DISTANZHÜLSE .76 ID X .75 LG
Art.Nr.: WG-731-05297
Part 18 SPACER: .76ID X .75 LG
Article no.: WG-731-05297
Partie 18 ENTRETOISE .76 ID X. 75 LG
Numéro d'article: WG-731-05297
4,72 € ohne Abbildung
Teil 19 ZUGFEDER:.380 OD x 2.500 LG
Art.Nr.: WG-732-0264
Part 19 SPR:EXTN:.380 OD x 2.500 LG
Article no.: WG-732-0264
Partie 19 RESSORT
Numéro d'article: WG-732-0264
11,58 € Teil 19 ZUGFEDER:.380 OD x 2.500 LG Art.Nr.: WG-732-0264
Teil 20 ZUGFEDER
Art.Nr.: WG-732-04345
Part 20 TENSION SPRING
Article no.: WG-732-04345
Partie 20 RESSORT DE TRACTION
Numéro d'article: WG-732-04345
4,89 € Teil 20 ZUGFEDER Art.Nr.: WG-732-04345
Teil 21 U-SCHEIBE:0.750x1.500x0.060:HD
Art.Nr.: WG-736-0188
Part 21 WASH:FLAT:0.750x1.500X0.060:HD
Article no.: WG-736-0188
Partie 21 RONDELLE 76 X 1.49 X .06
Numéro d'article: WG-736-0188
6,16 € ohne Abbildung
Teil 22 TELLERFEDER:0.336X0.885X.060
Art.Nr.: WG-736-0242
Part 22 WASH:BLVL:0.336X0.885X0.060
Article no.: WG-736-0242
Partie 22 RONDELLE CONIQUE.340X.872X.060
Numéro d'article: WG-736-0242
3,74 € Teil 22 TELLERFEDER:0.336X0.885X.060 Art.Nr.: WG-736-0242
Teil 23 U-SCHEIBE:0.572X1.250X0.080:HD
Art.Nr.: WG-736-0626
Part 23 WASH:FLAT:0.572X1.250X0.080:HD
Article no.: WG-736-0626
Partie 23 RONDELLE: .58 x1.125 x.08:HT
Numéro d'article: WG-736-0626
14,87 € Teil 23 U-SCHEIBE:0.572X1.250X0.080:HD Art.Nr.: WG-736-0626
Teil 27 SCHULTERSCHR:1/4-20:.370 x.108
Art.Nr.: WG-738-04184A
Part 27 SCR:SHLDR:0.370X0.108:TT
Article no.: WG-738-04184A
Partie 27 VIS A EPAULE:.368x.113:TT:1/4-
Numéro d'article: WG-738-04184A
4,89 € ohne Abbildung
Teil 28 SCHULTERSCRAUBE:0.342X0.330:C
Art.Nr.: WG-738-0924A
Part 28 SCR:SHLDR:.342 X 0.330:C
Article no.: WG-738-0924A
Partie 28 VIS A EPAULE:.340X.335 X C:
Numéro d'article: WG-738-0924A
2,84 € Teil 28 SCHULTERSCRAUBE:0.342X0.330:C Art.Nr.: WG-738-0924A
Teil 29 6KT-FLANSCHLAGER: x.75 ID
Art.Nr.: WG-741-0245
Part 29 BRG:HEX FLANGE x.75 ID
Article no.: WG-741-0245
Partie 29 BAGUE
Numéro d'article: WG-741-0245
8,99 € Teil 29 6KT-FLANSCHLAGER: x.75 ID Art.Nr.: WG-741-0245
Teil 30 KUGELLAGER
Art.Nr.: WG-741-04076
Part 30 SELF-ALIGNING BEARING
Article no.: WG-741-04076
Partie 30 ROULEMENT ¡ BILLES
Numéro d'article: WG-741-04076
12,98 € Teil 30 KUGELLAGER Art.Nr.: WG-741-04076
Teil 31 BOWDENZUG:KUPPLUNG:RADANTRIEB
Art.Nr.: WG-746-04229
Part 31 CBL:CLU:DR:WHL:44.955 LG
Article no.: WG-746-04229
Partie 31 C¢BLE DE BOW.:EMBR.:COMM. ROUE
Numéro d'article: WG-746-04229
18,90 €**ohne Abbildung
Teil 32 BOWDENZUG:KUPPL:EINZUGSCHNECKE
Art.Nr.: WG-746-04230B
Part 32 CBL:CLU:DR:AUGER:47.48 LG
Article no.: WG-746-04230B
Partie 32 C¢BLE EMBRAYAGE
Numéro d'article: WG-746-04230B
24,35 € Teil 32 BOWDENZUG:KUPPL:EINZUGSCHNECKE Art.Nr.: WG-746-04230B
Teil 33 BOWDENZUG-LENKUNG
Art.Nr.: WG-746-0956B
Part 33 CABLE STEERING
Article no.: WG-746-0956B
Partie 33 C¢BLE DE BOWDEN DE DIRECTION
Numéro d'article: WG-746-0956B
30,86 €**ohne Abbildung
Teil 34 DISTANZHÜLSE:.508IDx.750ODx.68
Art.Nr.: WG-748-0190
Part 34 SPCR:.508 ID x.750 OD x.68
Article no.: WG-748-0190
Partie 34 ENTRETOISE
Numéro d'article: WG-748-0190
3,62 € ohne Abbildung
Teil 35 DISTANZSTÜCK HALTER REIBRAD
Art.Nr.: WG-750-04474
Part 35 TUBE:SUPT:AXLE
Article no.: WG-750-04474
Partie 35 ENTRETOISE:CADRE SUPP.:R.D.F.
Numéro d'article: WG-750-04474
26,28 €**ohne Abbildung
Teil 36 DISTANZBUCHSE:ACHSE
Art.Nr.: WG-750-0767
Part 36 SPACER:AXLE
Article no.: WG-750-0767
Partie 36 ENTRETOISE
Numéro d'article: WG-750-0767
4,56 € ohne Abbildung
Teil 37 UMLENKROLLE
Art.Nr.: WG-756-0625
Part 37 Guide pulley
Article no.: WG-756-0625
Partie 37 POULIE
Numéro d'article: WG-756-0625
10,27 € Teil 37 UMLENKROLLE Art.Nr.: WG-756-0625
Teil 38 BEFESTIGUNGSWINKEL
Art.Nr.: WG-790-00096637
Part 38 BRACKET-SHIFT LEVER
Article no.: WG-790-00096637
Partie 38 ÜQUERRE DE FIXATION
Numéro d'article: WG-790-00096637
13,50 € ohne Abbildung
Teil 39A ANTRIEBSRAHMEN CUB CADET GELB
Art.Nr.: WG-790-00183BCY
Part 39A FRAME ASM:500 S/T CUB YELLOW
Article no.: WG-790-00183BCY
Partie 39A CHASSIS DENTRAINEMENT
Numéro d'article: WG-790-00183BCY
109,00 €**ohne Abbildung
Teil 40 RAHMENABDECKUNG LINKS
Art.Nr.: WG-790-00185691
Part 40 RET:SHF:DR/ACTR LH BLACK JACK
Article no.: WG-790-00185691
Partie 40 COUV. DE PROT. CHASS. ¡ GAU.
Numéro d'article: WG-790-00185691
40,38 €**ohne Abbildung
Teil 41 RAHMENABDECKUNG RECHTS
Art.Nr.: WG-790-00186691
Part 41 SHAFT RETAINER RH
Article no.: WG-790-00186691
Partie 41 COUV. DE PROT. CHASS. ¡ DR.
Numéro d'article: WG-790-00186691
40,38 €**ohne Abbildung
Teil 42 FÜHRUNG:BOWDENZUG:KUPPL:SCHNEC
Art.Nr.: WG-790-00206A
Part 42 BRKT:GDE:CBL:CLU:AUGER
Article no.: WG-790-00206A
Partie 42 GUID.:C¢BLE DE BOW.:EMBR.:VIS
Numéro d'article: WG-790-00206A
10,61 € ohne Abbildung
Teil 43 BOWDENZUGFÜHRUNG:KUPPL:ANTRIEB
Art.Nr.: WG-790-00207B
Part 43 BRKT:GDE:CBL:CLU:DRIVE
Article no.: WG-790-00207B
Partie 43 SUPPORT
Numéro d'article: WG-790-00207B
11,58 € ohne Abbildung
Teil 44 ABDECKBLECH:GEHÄUSE:RADANTRIEB
Art.Nr.: WG-790-00316637
Part 44 CVR:FRM:S/T
Article no.: WG-790-00316637
Partie 44 TÔLE DE PROT.:CART.:COMM. DE
Numéro d'article: WG-790-00316637
38,90 €**ohne Abbildung
Teil 45 REIBRAD KPL. 5.5 OD
Art.Nr.: WG-684-04159
Part 45 FRICTION WHEEL ASM 5.5 OD
Article no.: WG-684-04159
Partie 45 ROUE DE FRICTION COMPLET 5.50D
Numéro d'article: WG-684-04159
78,29 €**ohne Abbildung
Teil 45A REIBRADGUMMI:5.5 OD
Art.Nr.: WG-735-04054A
Part 45A WHEEL:FRICTION:5.5 OD
Article no.: WG-735-04054A
Partie 45A DISQUE DE FRICTION
Numéro d'article: WG-735-04054A
26,60 €**Teil 45A REIBRADGUMMI:5.5 OD Art.Nr.: WG-735-04054A
Teil 45B REIBRAD HALTERUNG
Art.Nr.: WG-618-0063A
Part 45B FRICTION WHEEL BEARING
Article no.: WG-618-0063A
Partie 45B PALIER
Numéro d'article: WG-618-0063A
69,99 €**ohne Abbildung
Teil 45C SCHRAUBE:1/4-14:0,625:HXINDWSH
Art.Nr.: WG-710-0896
Part 45C SCR:AB:1/4-14:.625:HXINDWSH
Article no.: WG-710-0896
Partie 45C VIS HEX.:1/4-14:0,625
Numéro d'article: WG-710-0896
5,24 € Teil 45C SCHRAUBE:1/4-14:0,625:HXINDWSH Art.Nr.: WG-710-0896
Teil 45D REIBPLATTE
Art.Nr.: WG-790-00174
Part 45D KNIFE GUIDE
Article no.: WG-790-00174
Partie 45D PLAQUE DE FRICTION
Numéro d'article: WG-790-00174
14,25 € ohne Abbildung
inkl. 19 % MwSt. Steuer-Info
zzgl. Versandkosten
Lieferzeit: 3-10 Werktage*
In den Warenkorb

Wenn Sie Hilfe zu einer Störung Ihres WOLF-Garten Gerätes benötigen, nehmen Sie einfach Kontakt zu uns auf. Sie können gerne auch eine Nachricht per WhatsApp an 0152 560 383 53 senden. Wir helfen Ihnen gerne!

Alle aufgelisteten Ersatzteile sind original WOLF-Garten Ersatzteile.

Alle Artikel aus der Kategorie Ersatzteile WOLF-Garten Schneefräse Expert 7690 Typ: 31AY55TU650 (2013)

Bitte beachten Sie, dass Elektro WOLF-Garten Ersatzteile nur von Elektrofachkräften nach Vorgabe des Herstellers unter Berücksichtigung der gesetzlichen Vorschriften ersetzt werden dürfen.

Info zu GPSR: Stanley Black & Decker Deutschland GmbH Black-&-Decker-Strasse 40, 65510 Idstein support@blackanddecker.de

    Kategorien
    Ersatzteil-Fee

    Die Ersatzteilfee

    Das rege Interesse an dem Angebot in meinem Onlineshop hat mir gezeigt, dass die Zufriedenheit meiner Kunden sehr groß ist. Zahlreiche positive Kundenmeinungen bestätigen den gut sortierten Aufbau des Shops, die gute Beratung und den zügigen Versand. Mehr über mich...

    Wir helfen Ihnen gerne, das richtige Ersatzteil zu finden. Dazu können Sie uns auch gerne Anfragen oder Fotos vom Ersatzteil/Gerät auf das Handy 0152 560 383 53
    per WhatsApp senden. SMS Nachrichten können nicht empfangen werden!


    Info zur Mehrwertsteuer

    Lieferland wählen

    Wählen Sie das Lieferland aus, um die Preise inkl. MwSt. abhängig von der Lieferadresse angezeigt zu bekommen.



    Die im Shop angegebenen Preise sind in Euro inkl. der deutschen Mehrwertsteuer angegeben.
    Für Bestellungen aus einem anderen EU-Land muss die dort geltende Mehrwertsteuer berechnet werden. Wenn Sie im Warenkorb das Lieferland auswählen, wird Ihnen auch der korrekte Mehrwertsteuersatz zu Ihrem EU-Land angezeigt.