Ersatzteile WOLF-Garten Rasentraktor Scooter Pro Typ: 13C226HD650  (2018) Schaltplan
Für eine größere Ansicht klicken Sie auf das Vorschaubild

Ersatzteile WOLF-Garten Rasentraktor Scooter Pro Typ: 13C226HD650 (2018) Schaltplan


Ersatzteil
deutschenglishfrench
PreisBildkaufen
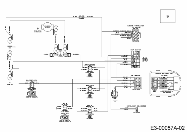
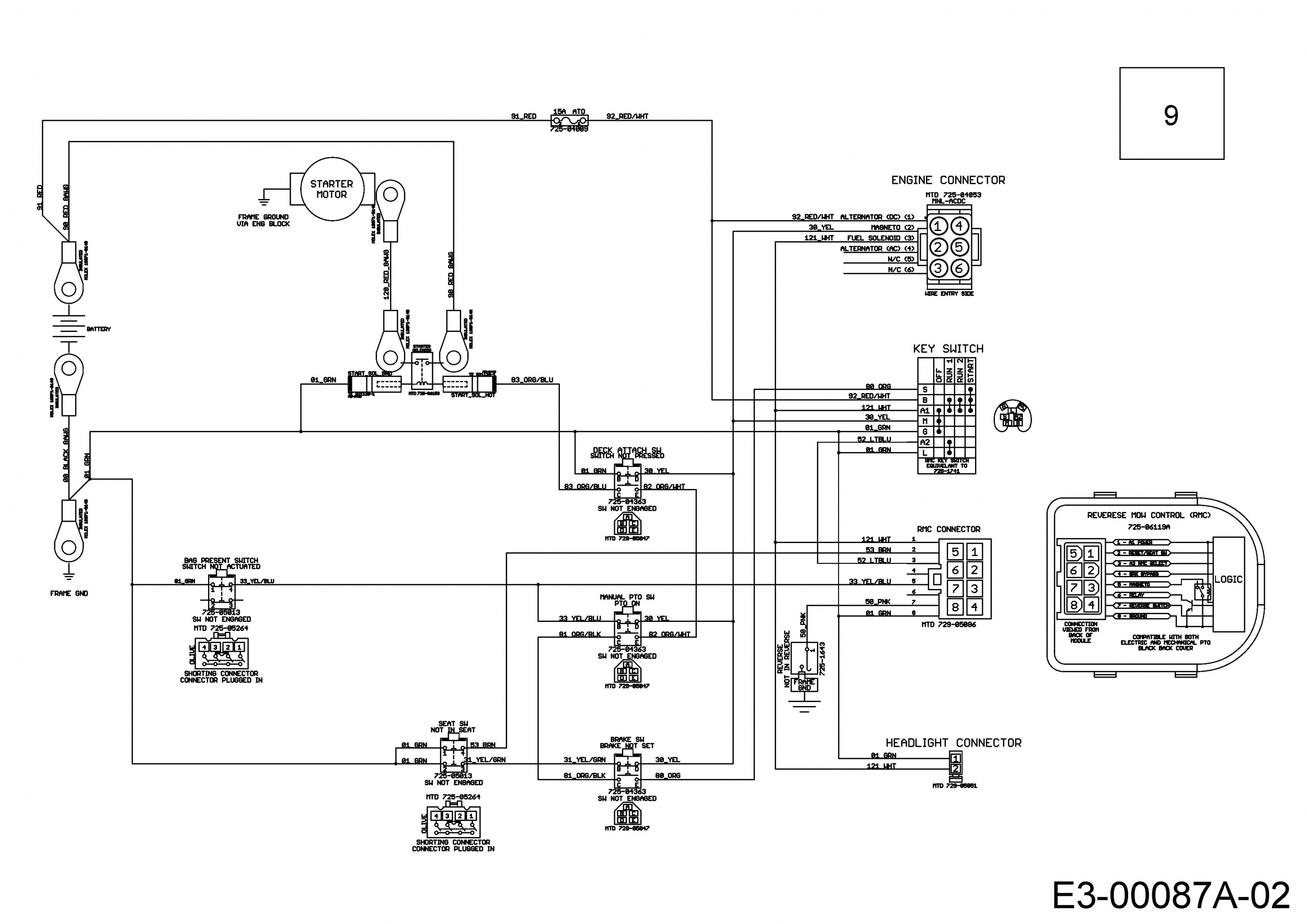
Teil 9 KABELBAUM:CR12:RMC:SOL:HDLT:
Art.Nr.: WG-725-07584
Part 9 HARN:CR12:RMC:SOL:HDLT:BAG
Article no.: WG-725-07584
Partie 9 FAICSEAU ELECTRIQUE
Numéro d'article: WG-725-07584
118,04 €**ohne Abbildung
inkl. 19 % MwSt. Steuer-Info
zzgl. Versandkosten
Lieferzeit: 3-10 Werktage*
In den Warenkorb

Wenn Sie Hilfe zu einer Störung Ihres WOLF-Garten Gerätes benötigen, nehmen Sie einfach Kontakt zu uns auf. Sie können gerne auch eine Nachricht per WhatsApp an 0152 560 383 53 senden. Wir helfen Ihnen gerne!

Alle aufgelisteten Ersatzteile sind original WOLF-Garten Ersatzteile.

Alle Artikel aus der Kategorie Ersatzteile WOLF-Garten Rasentraktor Scooter Pro Typ: 13C226HD650 (2018)

Bitte beachten Sie, dass Elektro WOLF-Garten Ersatzteile nur von Elektrofachkräften nach Vorgabe des Herstellers unter Berücksichtigung der gesetzlichen Vorschriften ersetzt werden dürfen.

Info zu GPSR: Stanley Black & Decker Deutschland GmbH Black-&-Decker-Strasse 40, 65510 Idstein support@blackanddecker.de

    Kategorien
    Ersatzteil-Fee

    Die Ersatzteilfee

    Das rege Interesse an dem Angebot in meinem Onlineshop hat mir gezeigt, dass die Zufriedenheit meiner Kunden sehr groß ist. Zahlreiche positive Kundenmeinungen bestätigen den gut sortierten Aufbau des Shops, die gute Beratung und den zügigen Versand. Mehr über mich...

    Wir helfen Ihnen gerne, das richtige Ersatzteil zu finden. Dazu können Sie uns auch gerne Anfragen oder Fotos vom Ersatzteil/Gerät auf das Handy 0152 560 383 53
    per WhatsApp senden. SMS Nachrichten können nicht empfangen werden!


    Info zur Mehrwertsteuer

    Lieferland wählen

    Wählen Sie das Lieferland aus, um die Preise inkl. MwSt. abhängig von der Lieferadresse angezeigt zu bekommen.



    Die im Shop angegebenen Preise sind in Euro inkl. der deutschen Mehrwertsteuer angegeben.
    Für Bestellungen aus einem anderen EU-Land muss die dort geltende Mehrwertsteuer berechnet werden. Wenn Sie im Warenkorb das Lieferland auswählen, wird Ihnen auch der korrekte Mehrwertsteuersatz zu Ihrem EU-Land angezeigt.