Ersatzteile WOLF-Garten Elektro Rasenmäher ohne Antrieb 2.34 E Typ: 4909003 Serie E  (2010) Grasfangsack
Für eine größere Ansicht klicken Sie auf das Vorschaubild

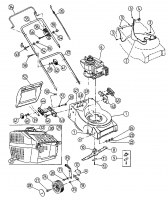
Ersatzteile WOLF-Garten Elektro Rasenmäher ohne Antrieb 2.34 E Typ: 4909003 Serie E (2010) Grasfangsack

WOLF-Garten
WOLF-Garten Art.Nr.: E3-05793A-01
Hier können Sie Ersatzteile WOLF-Garten Elektro Rasenmäher ohne Antrieb 2.34 E Typ: 4909003 Serie E (2010) Grasfangsack einfach online kaufen.

In der Skizze sind die Teile mit einer Zahl gekennzeichnet. Diese finden Sie in der Tabelle wieder und können so das Ersatzteil aus der Tabelle auswählen und online kaufen.


Ersatzteil
deutschenglishfrench
PreisBildkaufen
Teil 401 Fangsacktuch 2.34E rot RAL3000
Art.Nr.: WG-4904335
Part 401 Catcher Bag Cloth, red (RAL300
Article no.: WG-4904335
Partie 401 Fangsacktuch 2.34E rot RAL3000
Numéro d'article: WG-4904335
39,25 €**Teil 401 Fangsacktuch 2.34E rot RAL3000 Art.Nr.: WG-4904335
Teil 402 Fangsackgestell kpl.-lackiert
Art.Nr.: WG-4904034
Part 402 CATCHER FRAME 34E
Article no.: WG-4904034
Partie 402 ARMATURE DE BAC
Numéro d'article: WG-4904034
35,02 €**Teil 402 Fangsackgestell kpl.-lackiert Art.Nr.: WG-4904034
Teil 403 Sicherungsriegel schwarz
Art.Nr.: WG-4921309
Part 403 Locking bar black
Article no.: WG-4921309
Partie 403 Clavette plastique noire
Numéro d'article: WG-4921309
2,62 €
Teil 404 Schütte 34E:
Art.Nr.: WG-4904312
Part 404 CHUTE:34E
Article no.: WG-4904312
Partie 404 Schütte 34E:
Numéro d'article: WG-4904312
17,15 €**
Teil 405 Mundstück 34er rot (RAL3000)
Art.Nr.: WG-4904310
Part 405 MOUTH PIECE
Article no.: WG-4904310
Partie 405 Mundstück 34er rot (RAL3000)
Numéro d'article: WG-4904310
17,81 €**Teil 405 Mundstück 34er rot (RAL3000) Art.Nr.: WG-4904310
inkl. 19 % MwSt. Steuer-Info
zzgl. Versandkosten
Lieferzeit: 3-10 Werktage*
In den Warenkorb

Wenn Sie Hilfe zu einer Störung Ihres WOLF-Garten Gerätes benötigen, nehmen Sie einfach Kontakt zu uns auf. Sie können gerne auch eine Nachricht per WhatsApp an 0152 560 383 53 senden. Wir helfen Ihnen gerne!

Alle aufgelisteten Ersatzteile sind original WOLF-Garten Ersatzteile.

Alle Artikel aus der Kategorie Ersatzteile WOLF-Garten Elektro Rasenmäher ohne Antrieb 2.34 E Typ: 4909003 Serie E (2010)

Bitte beachten Sie, dass Elektro WOLF-Garten Ersatzteile nur von Elektrofachkräften nach Vorgabe des Herstellers unter Berücksichtigung der gesetzlichen Vorschriften ersetzt werden dürfen.

Info zu GPSR: Stanley Black & Decker Deutschland GmbH Black-&-Decker-Strasse 40, 65510 Idstein support@blackanddecker.de

    Kategorien
    Ersatzteil-Fee

    Die Ersatzteilfee

    Das rege Interesse an dem Angebot in meinem Onlineshop hat mir gezeigt, dass die Zufriedenheit meiner Kunden sehr groß ist. Zahlreiche positive Kundenmeinungen bestätigen den gut sortierten Aufbau des Shops, die gute Beratung und den zügigen Versand. Mehr über mich...

    Wir helfen Ihnen gerne, das richtige Ersatzteil zu finden. Dazu können Sie uns auch gerne Anfragen oder Fotos vom Ersatzteil/Gerät auf das Handy 0152 560 383 53
    per WhatsApp senden. SMS Nachrichten können nicht empfangen werden!


    Info zur Mehrwertsteuer

    Lieferland wählen

    Wählen Sie das Lieferland aus, um die Preise inkl. MwSt. abhängig von der Lieferadresse angezeigt zu bekommen.



    Die im Shop angegebenen Preise sind in Euro inkl. der deutschen Mehrwertsteuer angegeben.
    Für Bestellungen aus einem anderen EU-Land muss die dort geltende Mehrwertsteuer berechnet werden. Wenn Sie im Warenkorb das Lieferland auswählen, wird Ihnen auch der korrekte Mehrwertsteuersatz zu Ihrem EU-Land angezeigt.