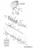
Ersatzteile WOLF-Garten Benzin Vertikutierer UV 40 B Typ: 3641000  (2013) Vertikutierergehäuse
Für eine größere Ansicht klicken Sie auf das Vorschaubild

Ersatzteile WOLF-Garten Benzin Vertikutierer UV 40 B Typ: 3641000 (2013) Vertikutierergehäuse

WOLF-Garten
WOLF-Garten Art.Nr.: E3-05781B-01
Hier können Sie Ersatzteile WOLF-Garten Benzin Vertikutierer UV 40 B Typ: 3641000 (2013) Vertikutierergehäuse einfach online kaufen.

In der Skizze sind die Teile mit einer Zahl gekennzeichnet. Diese finden Sie in der Tabelle wieder und können so das Ersatzteil aus der Tabelle auswählen und online kaufen.


Ersatzteil
deutschenglishfrench
PreisBildkaufen
Teil 100 Omega-Schelle CAC398-NAT
Art.Nr.: WG-3635305
Part 100 CLAMP CAC398-NAT
Article no.: WG-3635305
Partie 100 Omega-Schelle CAC398-NAT
Numéro d'article: WG-3635305
2,49 € Teil 100 Omega-Schelle CAC398-NAT Art.Nr.: WG-3635305
Teil 101 WOLF-Garten-Marke (103MM)
Art.Nr.: WG-0051130
Part 101 WOLF GARTEN LABEL
Article no.: WG-0051130
Partie 101 WOLF-GARTEN CLIPS
Numéro d'article: WG-0051130
2,93 € Teil 101 WOLF-Garten-Marke (103MM) Art.Nr.: WG-0051130
Teil 102 Verstellrad kpl. Höhenverstell
Art.Nr.: WG-3635032
Part 102 WHEEL ADJUSTING
Article no.: WG-3635032
Partie 102 POIGNEE A VIS
Numéro d'article: WG-3635032
9,76 € ohne Abbildung
Teil 103 Chassisabdeckung
Art.Nr.: WG-3635300
Part 103 CHASSIS COVER
Article no.: WG-3635300
Partie 103 CARTER SUPERIEUR
Numéro d'article: WG-3635300
39,59 €**ohne Abbildung
Teil 104 Sechskantmutter M8-DIN934-5
Art.Nr.: WG-0016213
Part 104 NUT
Article no.: WG-0016213
Partie 104 ECROU
Numéro d'article: WG-0016213
2,84 € ohne Abbildung
Teil 105 SF-Schr.M5X12-WN1352-10.9-Klev
Art.Nr.: WG-0012606
Part 105 SCREW M5X12-WN1352-10.9
Article no.: WG-0012606
Partie 105 VIS POUV UV-38BX
Numéro d'article: WG-0012606
6,32 € ohne Abbildung
Teil 106 Heckklappe schwarz RAL9005
Art.Nr.: WG-3641309
Part 106 3641309
Article no.: WG-3641309
Partie 106 CARTER ARRIERE
Numéro d'article: WG-3641309
36,17 €**Teil 106 Heckklappe schwarz RAL9005 Art.Nr.: WG-3641309
Teil 107 Gegengewicht-verzinkt UV35B
Art.Nr.: WG-3635116
Part 107 BALANCE WEIGHT
Article no.: WG-3635116
Partie 107 SUPPORT BAVETTE
Numéro d'article: WG-3635116
9,35 € ohne Abbildung
Teil 108 Schutzprofil
Art.Nr.: WG-3635318
Part 108 RUBBER EDGE
Article no.: WG-3635318
Partie 108 BAVETTE
Numéro d'article: WG-3635318
24,97 €**Teil 108 Schutzprofil Art.Nr.: WG-3635318
Teil 109 Chassis UV35B kpl. lackiert
Art.Nr.: WG-3635020
Part 109 CHASSIS UV35B
Article no.: WG-3635020
Partie 109 CHASSIS
Numéro d'article: WG-3635020
161,73 €**ohne Abbildung
Teil 110 Lagerschale
Art.Nr.: WG-3635308
Part 110 BEARING SHELL
Article no.: WG-3635308
Partie 110 COLLIER D ARBRE
Numéro d'article: WG-3635308
5,60 € ohne Abbildung
Teil 111 Achsclips
Art.Nr.: WG-3635310
Part 111 AXLE CLIP
Article no.: WG-3635310
Partie 111 SUPPORT AXE DE ROUE
Numéro d'article: WG-3635310
3,02 € ohne Abbildung
Teil 112 PT-Schraube K40x16-WN1452-TORX
Art.Nr.: WG-0012625
Part 112 SCREW
Article no.: WG-0012625
Partie 112 VIS TORX
Numéro d'article: WG-0012625
2,62 € Teil 112 PT-Schraube K40x16-WN1452-TORX Art.Nr.: WG-0012625
Teil 113 Sechskantschraube ISO4017-M8x1
Art.Nr.: WG-0010384
Part 113 SCREW
Article no.: WG-0010384
Partie 113 VIS
Numéro d'article: WG-0010384
1,89 € ohne Abbildung
Teil 114 PT-Schraube K40X10-WN1452-TORX
Art.Nr.: WG-0012626
Part 114 SCREW K40X10-WN1452-TORX
Article no.: WG-0012626
Partie 114 VIS
Numéro d'article: WG-0012626
2,62 € Teil 114 PT-Schraube K40X10-WN1452-TORX Art.Nr.: WG-0012626
Teil 115 Bügel, lackiert
Art.Nr.: WG-3640100
Part 115 RAIL
Article no.: WG-3640100
Partie 115 SUPPORT
Numéro d'article: WG-3640100
14,47 € ohne Abbildung
Teil 116 Frontelement
Art.Nr.: WG-3640300
Part 116 FRONT ELEMENT
Article no.: WG-3640300
Partie 116 CARTER AVANT
Numéro d'article: WG-3640300
19,11 € ohne Abbildung
Teil 117 Tragegriff
Art.Nr.: WG-3635302
Part 117 CARRY HANDLE
Article no.: WG-3635302
Partie 117 SUPPORT CARTER
Numéro d'article: WG-3635302
6,81 €**Teil 117 Tragegriff Art.Nr.: WG-3635302
Teil 118 PT-SCHR.K50X16-WN1451-TORX
Art.Nr.: WG-0012630
Part 118 SCREW
Article no.: WG-0012630
Partie 118 VIS
Numéro d'article: WG-0012630
2,08 € Teil 118 PT-SCHR.K50X16-WN1451-TORX Art.Nr.: WG-0012630
Teil 119 Keilriemenabdeckung ohne
Art.Nr.: WG-3635317
Part 119 BELT COVER WITHOUT WOLF-LOGO
Article no.: WG-3635317
Partie 119 CARTER DE COURROIE
Numéro d'article: WG-3635317
14,99 €**Teil 119 Keilriemenabdeckung ohne Art.Nr.: WG-3635317
Teil 120 Federring A8-DIN127-FST
Art.Nr.: WG-0017909
Part 120 SPRING WASHER
Article no.: WG-0017909
Partie 120 RONDELLE GROWER A 8
Numéro d'article: WG-0017909
2,62 € Teil 120 Federring A8-DIN127-FST Art.Nr.: WG-0017909
Teil 121 ZYL.SCHR. 5/16"-24 UNF-5/8" DI
Art.Nr.: WG-0011110
Part 121 SCREW 5/16"-24 UNF-5/8" DIN912
Article no.: WG-0011110
Partie 121 VIS 5/16"-24 UNF-5/8" DIN 912
Numéro d'article: WG-0011110
5,95 € ohne Abbildung
inkl. 19 % MwSt. Steuer-Info
zzgl. Versandkosten
Lieferzeit: 3-10 Werktage*
In den Warenkorb

Wenn Sie Hilfe zu einer Störung Ihres WOLF-Garten Gerätes benötigen, nehmen Sie einfach Kontakt zu uns auf. Sie können gerne auch eine Nachricht per WhatsApp an 0152 560 383 53 senden. Wir helfen Ihnen gerne!

Alle aufgelisteten Ersatzteile sind original WOLF-Garten Ersatzteile.

Alle Artikel aus der Kategorie Ersatzteile WOLF-Garten Benzin Vertikutierer UV 40 B Typ: 3641000 (2013)

Bitte beachten Sie, dass Elektro WOLF-Garten Ersatzteile nur von Elektrofachkräften nach Vorgabe des Herstellers unter Berücksichtigung der gesetzlichen Vorschriften ersetzt werden dürfen.

Info zu GPSR: Stanley Black & Decker Deutschland GmbH Black-&-Decker-Strasse 40, 65510 Idstein support@blackanddecker.de

    Kategorien
    Ersatzteil-Fee

    Die Ersatzteilfee

    Das rege Interesse an dem Angebot in meinem Onlineshop hat mir gezeigt, dass die Zufriedenheit meiner Kunden sehr groß ist. Zahlreiche positive Kundenmeinungen bestätigen den gut sortierten Aufbau des Shops, die gute Beratung und den zügigen Versand. Mehr über mich...

    Wir helfen Ihnen gerne, das richtige Ersatzteil zu finden. Dazu können Sie uns auch gerne Anfragen oder Fotos vom Ersatzteil/Gerät auf das Handy 0152 560 383 53
    per WhatsApp senden. SMS Nachrichten können nicht empfangen werden!


    Info zur Mehrwertsteuer

    Lieferland wählen

    Wählen Sie das Lieferland aus, um die Preise inkl. MwSt. abhängig von der Lieferadresse angezeigt zu bekommen.



    Die im Shop angegebenen Preise sind in Euro inkl. der deutschen Mehrwertsteuer angegeben.
    Für Bestellungen aus einem anderen EU-Land muss die dort geltende Mehrwertsteuer berechnet werden. Wenn Sie im Warenkorb das Lieferland auswählen, wird Ihnen auch der korrekte Mehrwertsteuersatz zu Ihrem EU-Land angezeigt.