Ersatzteile WOLF-Garten Benzin Rasenmäher mit Antrieb Expert 530 A Typ: 12C-PUKC650  (2018) Achsen, Höhenverstellung
Für eine größere Ansicht klicken Sie auf das Vorschaubild

Ersatzteile WOLF-Garten Benzin Rasenmäher mit Antrieb Expert 530 A Typ: 12C-PUKC650 (2018) Achsen, Höhenverstellung


Ersatzteil
deutschenglishfrench
PreisBildkaufen
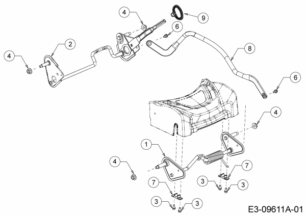
Teil 1 VORDERACHSE:8x8:ZENTRAL
Art.Nr.: WG-611-05040A
Part 1 FRONT AXLE ASSY. 8X8 ZENTRAL
Article no.: WG-611-05040A
Partie 1 AXE AVANT COMP. 8X8 ZENTRAL
Numéro d'article: WG-611-05040A
38,45 €**ohne Abbildung
Teil 2 HINTERACHSE:VST.:ZENTR.:8X8
Art.Nr.: WG-611-05039
Part 2 REAR AXLE ASSY. VST. ZENTR. 8X
Article no.: WG-611-05039
Partie 2 AXE ARRIERE ENS. VST. ZENTR. 8
Numéro d'article: WG-611-05039
44,82 €**ohne Abbildung
Teil 3 6KT-SCHRAUBE:HL:1/4-15:0.750
Art.Nr.: WG-710-0895
Part 3 SCR:HL:1/4-15:0.750:HXINDWSH
Article no.: WG-710-0895
Partie 3 VIS A SIX PANS CREUX
Numéro d'article: WG-710-0895
3,36 € Teil 3 6KT-SCHRAUBE:HL:1/4-15:0.750 Art.Nr.: WG-710-0895
Teil 4 6KT-S-BUNDMUTTER:3/8-16:GRF
Art.Nr.: WG-712-04217
Part 4 NUT:HEXFLGLK:3/8-16:GRF:TOPLK
Article no.: WG-712-04217
Partie 4 ECROU
Numéro d'article: WG-712-04217
2,14 € Teil 4 6KT-S-BUNDMUTTER:3/8-16:GRF Art.Nr.: WG-712-04217
Teil 6 6KT-SCHULTERSCHR:.348x.183:TT
Art.Nr.: WG-738-04502
Part 6 SCR:SHLDR:0.348 X 0.183:TT
Article no.: WG-738-04502
Partie 6 VIS
Numéro d'article: WG-738-04502
2,68 € Teil 6 6KT-SCHULTERSCHR:.348x.183:TT Art.Nr.: WG-738-04502
Teil 7 FLANSCHLAGER:.505 DIA x.62
Art.Nr.: WG-741-0492A
Part 7 BUSH:BLOCK:.505 DIA x.62
Article no.: WG-741-0492A
Partie 7 PALIER ¡ BRIDE: ESSIEU AVANT
Numéro d'article: WG-741-0492A
2,95 € Teil 7 FLANSCHLAGER:.505 DIA x.62 Art.Nr.: WG-741-0492A
Teil 9 GRIFF FÜR HÖHENVERSTELLHEBEL
Art.Nr.: WG-720-05052A
Part 9 KNOB:ADJ:HEIGHT
Article no.: WG-720-05052A
Partie 9 GRIFF FÜR HÖHENVERSTELLHEBEL
Numéro d'article: WG-720-05052A
10,83 €**ohne Abbildung
inkl. 19 % MwSt. Steuer-Info
zzgl. Versandkosten
Lieferzeit: 3-10 Werktage*
In den Warenkorb

Wenn Sie Hilfe zu einer Störung Ihres WOLF-Garten Gerätes benötigen, nehmen Sie einfach Kontakt zu uns auf. Sie können gerne auch eine Nachricht per WhatsApp an 0152 560 383 53 senden. Wir helfen Ihnen gerne!

Alle aufgelisteten Ersatzteile sind original WOLF-Garten Ersatzteile.

Alle Artikel aus der Kategorie Ersatzteile WOLF-Garten Benzin Rasenmäher mit Antrieb Expert 530 A Typ: 12C-PUKC650 (2018)

Bitte beachten Sie, dass Elektro WOLF-Garten Ersatzteile nur von Elektrofachkräften nach Vorgabe des Herstellers unter Berücksichtigung der gesetzlichen Vorschriften ersetzt werden dürfen.

Info zu GPSR: Stanley Black & Decker Deutschland GmbH Black-&-Decker-Strasse 40, 65510 Idstein support@blackanddecker.de

    Kategorien
    Ersatzteil-Fee

    Die Ersatzteilfee

    Das rege Interesse an dem Angebot in meinem Onlineshop hat mir gezeigt, dass die Zufriedenheit meiner Kunden sehr groß ist. Zahlreiche positive Kundenmeinungen bestätigen den gut sortierten Aufbau des Shops, die gute Beratung und den zügigen Versand. Mehr über mich...

    Wir helfen Ihnen gerne, das richtige Ersatzteil zu finden. Dazu können Sie uns auch gerne Anfragen oder Fotos vom Ersatzteil/Gerät auf das Handy 0152 560 383 53
    per WhatsApp senden. SMS Nachrichten können nicht empfangen werden!


    Info zur Mehrwertsteuer

    Lieferland wählen

    Wählen Sie das Lieferland aus, um die Preise inkl. MwSt. abhängig von der Lieferadresse angezeigt zu bekommen.



    Die im Shop angegebenen Preise sind in Euro inkl. der deutschen Mehrwertsteuer angegeben.
    Für Bestellungen aus einem anderen EU-Land muss die dort geltende Mehrwertsteuer berechnet werden. Wenn Sie im Warenkorb das Lieferland auswählen, wird Ihnen auch der korrekte Mehrwertsteuersatz zu Ihrem EU-Land angezeigt.