Ersatzteile WOLF-Garten Benzin Rasenmäher mit Antrieb Esprit 46 BA Typ: 4605006 Serie B  (2009) Holm
Für eine größere Ansicht klicken Sie auf das Vorschaubild

Ersatzteile WOLF-Garten Benzin Rasenmäher mit Antrieb Esprit 46 BA Typ: 4605006 Serie B (2009) Holm

WOLF-Garten
WOLF-Garten Art.Nr.: 4605006B-1
Hier können Sie Ersatzteile WOLF-Garten Benzin Rasenmäher mit Antrieb Esprit 46 BA Typ: 4605006 Serie B (2009) Holm einfach online kaufen.

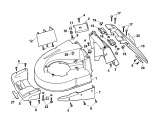
In der Skizze sind die Teile mit einer Zahl gekennzeichnet. Diese finden Sie in der Tabelle wieder und können so das Ersatzteil aus der Tabelle auswählen und online kaufen.


Ersatzteil
deutschenglishfrench
PreisBildkaufen
Teil 1 KUPPLUNGSHEBEL,KPL.LACK.
Art.Nr.: WG-4015035
Part 1 COUPLING LEVER
Article no.: WG-4015035
Partie 1 LEVIER EMBRAYAGE PREM. 40BA.
Numéro d'article: WG-4015035
25,94 €**ohne Abbildung
Teil 3 BOLZEN A6H11X28-DIN1444-vz(A2K
Art.Nr.: WG-0018107
Part 3 BOLT
Article no.: WG-0018107
Partie 3 AXE ESPRIT 46
Numéro d'article: WG-0018107
3,14 € Teil 3 BOLZEN A6H11X28-DIN1444-vz(A2K Art.Nr.: WG-0018107
Teil 4 HUTCLIPS D6
Art.Nr.: WG-3585503
Part 4 RETAINER
Article no.: WG-3585503
Partie 4 CLIP-CAPUCHON
Numéro d'article: WG-3585503
4,46 € Teil 4 HUTCLIPS  D6 Art.Nr.: WG-3585503
Teil 6 Hutmutter M6-5-DIN1587
Art.Nr.: WG-0016641
Part 6 NUT
Article no.: WG-0016641
Partie 6 ECROU
Numéro d'article: WG-0016641
2,43 € Teil 6 Hutmutter M6-5-DIN1587 Art.Nr.: WG-0016641
Teil 7 Schelle schwarz RAL9005
Art.Nr.: WG-4720105
Part 7 CLAMP
Article no.: WG-4720105
Partie 7 BRIDE
Numéro d'article: WG-4720105
13,09 € ohne Abbildung
Teil 9 ZYL.SCHR. M6X25-DIN84-5.8ZN
Art.Nr.: WG-0012211
Part 9 SCREW
Article no.: WG-0012211
Partie 9 VIS
Numéro d'article: WG-0012211
2,08 € ohne Abbildung
Teil 10 Doppelstütze schwarz RAL9005
Art.Nr.: WG-4015306
Part 10 DOUBLE SUPPORT
Article no.: WG-4015306
Partie 10 ARRET-SUPPORT DE CABLE
Numéro d'article: WG-4015306
10,27 €
Teil 11 Bowdenzug Kupplung kpl.
Art.Nr.: WG-4013055
Part 11 BOWDEN WIRE CLUTCH
Article no.: WG-4013055
Partie 11 CABLE DEMBRAYAGE ESPRIT BAK
Numéro d'article: WG-4013055
40,75 €**Teil 11 Bowdenzug Kupplung  kpl. Art.Nr.: WG-4013055
Teil 12 Klammer-schwarz
Art.Nr.: WG-6340312
Part 12 CLIP
Article no.: WG-6340312
Partie 12 BRIDE
Numéro d'article: WG-6340312
3,02 € Teil 12 Klammer-schwarz Art.Nr.: WG-6340312
Teil 13 Schlaufe-schwarz Esprit 40
Art.Nr.: WG-6340314
Part 13 STRAP
Article no.: WG-6340314
Partie 13 BRIDE
Numéro d'article: WG-6340314
2,24 € Teil 13 Schlaufe-schwarz Esprit 40 Art.Nr.: WG-6340314
Teil 14 Griffunterteil lack. schwarz
Art.Nr.: WG-4601132
Part 14 LOWER HANDLEBAR
Article no.: WG-4601132
Partie 14 Griffunterteil lack. schwarz
Numéro d'article: WG-4601132
30,18 €**ohne Abbildung
Teil 15 VERBINDUNGSSCHR.M8X55-5.6
Art.Nr.: WG-4901101
Part 15 SCREW
Article no.: WG-4901101
Partie 15 VIS DE FIXATION MANCHE 6.40E
Numéro d'article: WG-4901101
2,62 € Teil 15 VERBINDUNGSSCHR.M8X55-5.6 Art.Nr.: WG-4901101
Teil 16 Seilführung kpl. UV35B
Art.Nr.: WG-647-04247
Part 16 ROUTING
Article no.: WG-647-04247
Partie 16 GUIDE CABLE
Numéro d'article: WG-647-04247
11,41 €**Teil 16 Seilführung kpl. UV35B Art.Nr.: WG-647-04247
Teil 17 FL-MUTTER M 8,SCHWARZ
Art.Nr.: WG-720-04166
Part 17 THUMB NUT M 8,BLACK
Article no.: WG-720-04166
Partie 17 ECROU PAPILLON
Numéro d'article: WG-720-04166
4,43 €
Teil 18 Rohrstück rechts lack.schwarz,
Art.Nr.: WG-4028127
Part 18 PIPE RIGHT
Article no.: WG-4028127
Partie 18 Rohrstück rechts lack.schwarz,
Numéro d'article: WG-4028127
14,87 €
Teil 19 Rohrstück links lack.schwarz,
Art.Nr.: WG-4028125
Part 19 PIPE LEFT
Article no.: WG-4028125
Partie 19 Rohrstück links lack.schwarz,
Numéro d'article: WG-4028125
14,87 €
Teil 20 Blechschr. 4,8X22-DIN7981-C ve
Art.Nr.: WG-0015664
Part 20 SCREWPICCO
Article no.: WG-0015664
Partie 20 VIS 4,8 x 22
Numéro d'article: WG-0015664
2,08 € Teil 20 Blechschr. 4,8X22-DIN7981-C ve Art.Nr.: WG-0015664
inkl. 19 % MwSt. Steuer-Info
zzgl. Versandkosten
Lieferzeit: 3-10 Werktage*
In den Warenkorb

Wenn Sie Hilfe zu einer Störung Ihres WOLF-Garten Gerätes benötigen, nehmen Sie einfach Kontakt zu uns auf. Sie können gerne auch eine Nachricht per WhatsApp an 0152 560 383 53 senden. Wir helfen Ihnen gerne!

Alle aufgelisteten Ersatzteile sind original WOLF-Garten Ersatzteile.

Alle Artikel aus der Kategorie Ersatzteile WOLF-Garten Benzin Rasenmäher mit Antrieb Esprit 46 BA Typ: 4605006 Serie B (2009)

Bitte beachten Sie, dass Elektro WOLF-Garten Ersatzteile nur von Elektrofachkräften nach Vorgabe des Herstellers unter Berücksichtigung der gesetzlichen Vorschriften ersetzt werden dürfen.

Info zu GPSR: Stanley Black & Decker Deutschland GmbH Black-&-Decker-Strasse 40, 65510 Idstein support@blackanddecker.de

    Kategorien
    Ersatzteil-Fee

    Die Ersatzteilfee

    Das rege Interesse an dem Angebot in meinem Onlineshop hat mir gezeigt, dass die Zufriedenheit meiner Kunden sehr groß ist. Zahlreiche positive Kundenmeinungen bestätigen den gut sortierten Aufbau des Shops, die gute Beratung und den zügigen Versand. Mehr über mich...

    Wir helfen Ihnen gerne, das richtige Ersatzteil zu finden. Dazu können Sie uns auch gerne Anfragen oder Fotos vom Ersatzteil/Gerät auf das Handy 0152 560 383 53
    per WhatsApp senden. SMS Nachrichten können nicht empfangen werden!


    Info zur Mehrwertsteuer

    Lieferland wählen

    Wählen Sie das Lieferland aus, um die Preise inkl. MwSt. abhängig von der Lieferadresse angezeigt zu bekommen.



    Die im Shop angegebenen Preise sind in Euro inkl. der deutschen Mehrwertsteuer angegeben.
    Für Bestellungen aus einem anderen EU-Land muss die dort geltende Mehrwertsteuer berechnet werden. Wenn Sie im Warenkorb das Lieferland auswählen, wird Ihnen auch der korrekte Mehrwertsteuersatz zu Ihrem EU-Land angezeigt.