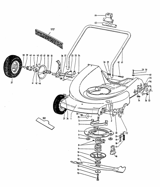
Ersatzteile WOLF-Garten Benzin Rasenmäher mit Antrieb 6.51 BA Typ: 6950580 Serie A  (1996) Mähwerksgehäuse, Messer, Messeraufnahme
Für eine größere Ansicht klicken Sie auf das Vorschaubild

Ersatzteile WOLF-Garten Benzin Rasenmäher mit Antrieb 6.51 BA Typ: 6950580 Serie A (1996) Mähwerksgehäuse, Messer, Messeraufnahme

WOLF-Garten
WOLF-Garten Art.Nr.: 0396_h17
Hier können Sie Ersatzteile WOLF-Garten Benzin Rasenmäher mit Antrieb 6.51 BA Typ: 6950580 Serie A (1996) Mähwerksgehäuse, Messer, Messeraufnahme einfach online kaufen.

In der Skizze sind die Teile mit einer Zahl gekennzeichnet. Diese finden Sie in der Tabelle wieder und können so das Ersatzteil aus der Tabelle auswählen und online kaufen.


Ersatzteil
deutschenglishfrench
PreisBildkaufen
Teil 9 MITN.-TOPF
Art.Nr.: WG-6925400
Part 9 23616
Article no.: WG-6925400
Partie 9 ACCOUPLEMENT
Numéro d'article: WG-6925400
55,25 €**ohne Abbildung
Teil 10 MITNEHMER
Art.Nr.: WG-6912401
Part 10 COLLAR ASSY.- DIFF LOCK
Article no.: WG-6912401
Partie 10 FLASQUE
Numéro d'article: WG-6912401
6,12 € Teil 10 MITNEHMER Art.Nr.: WG-6912401
Teil 11 MITNEHMER
Art.Nr.: WG-6925500
Part 11 CARRIER
Article no.: WG-6925500
Partie 11 MITNEHMER
Numéro d'article: WG-6925500
17,58 € ohne Abbildung
Teil 12 Messer
Art.Nr.: WG-4250070
Part 12 Lame
Article no.: WG-4250070
Partie 12 Lame
Numéro d'article: WG-4250070
24,77 €**Teil 12 Messer Art.Nr.: WG-4250070
Teil 14 FEDERRING A10-DIN127 F-STZN
Art.Nr.: WG-0017105
Part 14 SPRING WASHER
Article no.: WG-0017105
Partie 14 RONDELLE GROWER A 10
Numéro d'article: WG-0017105
2,08 € Teil 14 FEDERRING A10-DIN127 F-STZN Art.Nr.: WG-0017105
Teil 19 Scheibe A8,4-DIN125-St
Art.Nr.: WG-0017123
Part 19 WASHER
Article no.: WG-0017123
Partie 19 RONDELLE A 8
Numéro d'article: WG-0017123
2,37 € Teil 19 Scheibe A8,4-DIN125-St Art.Nr.: WG-0017123
Teil 27 SCHEIBE
Art.Nr.: WG-6920501
Part 27 washer
Article no.: WG-6920501
Partie 27 RONDELLE
Numéro d'article: WG-6920501
2,37 € ohne Abbildung
Teil 29 SCHEIBE A8,4-DIN9021 ST ZN
Art.Nr.: WG-736-0701
Part 29 WASHER
Article no.: WG-736-0701
Partie 29 RONDELLE A 8,4
Numéro d'article: WG-736-0701
3,38 € Teil 29 SCHEIBE A8,4-DIN9021    ST  ZN Art.Nr.: WG-736-0701
Teil 36 Sechskantmutter M8-DIN985-5
Art.Nr.: WG-712-0692
Part 36 HEXAGON NUT M8
Article no.: WG-712-0692
Partie 36 ÜCROU HEXAGONAL M 8
Numéro d'article: WG-712-0692
2,68 € Teil 36 Sechskantmutter M8-DIN985-5 Art.Nr.: WG-712-0692
Teil 41 MITNEHMER B2 5327
Art.Nr.: WG-4277504
Part 41 MITNEHMER B2 5327
Article no.: WG-4277504
Partie 41 MITNEHMER B2 5327
Numéro d'article: WG-4277504
12,17 € ohne Abbildung
Teil 43 FEDER-RUEC.
Art.Nr.: WG-4277506
Part 43 SPRING
Article no.: WG-4277506
Partie 43 RESSORT
Numéro d'article: WG-4277506
4,89 € ohne Abbildung
Teil 66 FLRUNDSCHR. M6X16-DIN6034.6ZN
Art.Nr.: WG-0013640
Zur Zeit nicht lieferbar
Part 66 SCREW
Article no.: WG-0013640
currently not available
Partie 66 VIS M6X16
Numéro d'article: WG-0013640
actuellement indisponible
Teil 66 FLRUNDSCHR. M6X16-DIN6034.6ZN Art.Nr.: WG-0013640
Teil 67 SCHEIBE A6,4X18-DIN9021 ST ZN
Art.Nr.: WG-0017289
Part 67 DISC
Article no.: WG-0017289
Partie 67 RONDELLE A 6,4
Numéro d'article: WG-0017289
2,08 € Teil 67 SCHEIBE A6,4X18-DIN9021 ST ZN Art.Nr.: WG-0017289
Teil 68 6KT-MUTTER M6-DIN985 5 GZ
Art.Nr.: WG-712-0691
Part 68 NUT M6
Article no.: WG-712-0691
Partie 68 ECROU M 6 STOP
Numéro d'article: WG-712-0691
2,68 € Teil 68 6KT-MUTTER M6-DIN985   5  GZ Art.Nr.: WG-712-0691
Teil 72 KEILRIEMEN
Art.Nr.: WG-6950509
Part 72 V-Belt
Article no.: WG-6950509
Partie 72 COURROIE
Numéro d'article: WG-6950509
44,09 €**ohne Abbildung
Teil 76 Scheibe A6,4-DIN125-St
Art.Nr.: WG-736-0668
Part 76 WASHER A6,4
Article no.: WG-736-0668
Partie 76 RONDELLE A 6,4
Numéro d'article: WG-736-0668
1,26 € Teil 76 Scheibe A6,4-DIN125-St Art.Nr.: WG-736-0668
Teil 77 Kugellager
Art.Nr.: WG-4249509
Part 77 Bearing
Article no.: WG-4249509
Partie 77 Roulement à billes
Numéro d'article: WG-4249509
8,49 € ohne Abbildung
inkl. 19 % MwSt. Steuer-Info
zzgl. Versandkosten
Lieferzeit: 3-10 Werktage*
In den Warenkorb

Wenn Sie Hilfe zu einer Störung Ihres WOLF-Garten Gerätes benötigen, nehmen Sie einfach Kontakt zu uns auf. Sie können gerne auch eine Nachricht per WhatsApp an 0152 560 383 53 senden. Wir helfen Ihnen gerne!

Alle aufgelisteten Ersatzteile sind original WOLF-Garten Ersatzteile.

Alle Artikel aus der Kategorie Ersatzteile WOLF-Garten Benzin Rasenmäher mit Antrieb 6.51 BA Typ: 6950580 Serie A (1996)

Bitte beachten Sie, dass Elektro WOLF-Garten Ersatzteile nur von Elektrofachkräften nach Vorgabe des Herstellers unter Berücksichtigung der gesetzlichen Vorschriften ersetzt werden dürfen.

Info zu GPSR: Stanley Black & Decker Deutschland GmbH Black-&-Decker-Strasse 40, 65510 Idstein support@blackanddecker.de

    Kategorien
    Ersatzteil-Fee

    Die Ersatzteilfee

    Das rege Interesse an dem Angebot in meinem Onlineshop hat mir gezeigt, dass die Zufriedenheit meiner Kunden sehr groß ist. Zahlreiche positive Kundenmeinungen bestätigen den gut sortierten Aufbau des Shops, die gute Beratung und den zügigen Versand. Mehr über mich...

    Wir helfen Ihnen gerne, das richtige Ersatzteil zu finden. Dazu können Sie uns auch gerne Anfragen oder Fotos vom Ersatzteil/Gerät auf das Handy 0152 560 383 53
    per WhatsApp senden. SMS Nachrichten können nicht empfangen werden!


    Info zur Mehrwertsteuer

    Lieferland wählen

    Wählen Sie das Lieferland aus, um die Preise inkl. MwSt. abhängig von der Lieferadresse angezeigt zu bekommen.



    Die im Shop angegebenen Preise sind in Euro inkl. der deutschen Mehrwertsteuer angegeben.
    Für Bestellungen aus einem anderen EU-Land muss die dort geltende Mehrwertsteuer berechnet werden. Wenn Sie im Warenkorb das Lieferland auswählen, wird Ihnen auch der korrekte Mehrwertsteuersatz zu Ihrem EU-Land angezeigt.