Einstellungen
Versandland
Ihr Warenkorb ist leer.
Schnellkauf

Bitte geben Sie eine Artikelnummer ein.

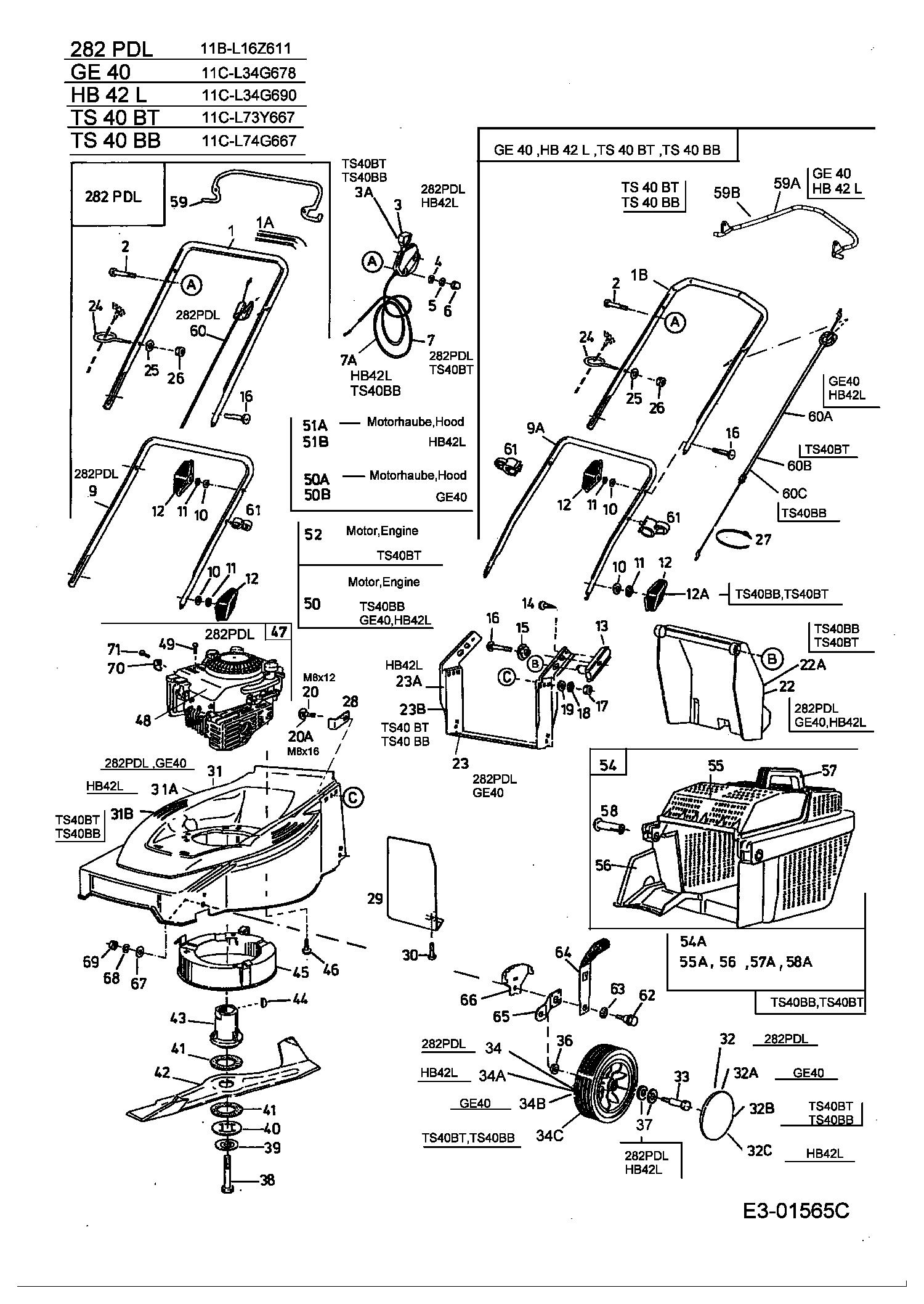
Ersatzteile Turbo Silent Motormäher TS 40 BB Typ: 11C-L74G667 (2003) Grundgerät

MTD
Art.Nr.: E3-01565C-01
Ersatzteile Turbo Silent Motormäher TS 40 BB Typ: 11C-L74G667 (2003) Grundgerät
Ersatzteile Turbo Silent Motormäher TS 40 BB Typ: 11C-L74G667 (2003) Grundgerät
Lieferzeit: 3-7 Werktage*
Suchen Sie in der Zeichnung nach der Nummer die sie benötigen. Wählen Sie diese dann in der Tabelle aus. Nur die, in der Tabelle aufgeführten Ersatzteile, sind verfügbar.

ErsatzteilPreisBildkaufen
Teil: 1A | SOFT-GRIFFSCHLAUCH 0 22x3
WG-720-0347637
9,61 € ohne Abbildung
Teil: 2 | LINSENSCHRAUBE M.KREUZDIN 7985
WG-23.5422.23
3,62 € ohne Abbildung
Teil: 3 | GAS FERNBEDIENUNG VOLLST.
WG-079.13.632
30,19 €**Teil 3 GAS FERNBEDIENUNG VOLLST. Art.Nr.: WG-079.13.632
Teil: 3A | GASFERNBEDIENUNG KPL. E-TEIL-S
WG-631-0146668
Zur Zeit nicht lieferbar
ohne Abbildung
Teil: 4 | SCHEIBE A6.4 DIN 9021-ST
WG-736-0685
3,09 € Teil 4 SCHEIBE A6.4  DIN      9021-ST Art.Nr.: WG-736-0685
Teil: 5 | FEDERRING B6 DIN 127-FEDERST
WG-736-0648
2,33 € Teil 5 FEDERRING B6   DIN 127-FEDERST Art.Nr.: WG-736-0648
Teil: 6 | HUTMUTTER:M6 5S DIN 1587
WG-24.3423.14
2,68 € ohne Abbildung
Teil: 7 | GASZUG V. L1=1145,L2=1210 -LT-
WG-746-0989
15,16 € ohne Abbildung
Teil: 7A | GASZUG V. L1=1275,L2=1340 -LT-
WG-746-0992
20,01 € Teil 7A GASZUG V. L1=1275,L2=1340 -LT- Art.Nr.: WG-746-0992
Teil: 10 | U-SCHEIBE:8x16x1.6:ISO 7089
WG-736-0700
2,37 € Teil 10 U-SCHEIBE:8x16x1.6:ISO 7089 Art.Nr.: WG-736-0700
Teil: 10 | U-SCHEIBE:8x16x1.6:ISO 7089
WG-736-0700
2,37 € Teil 10 U-SCHEIBE:8x16x1.6:ISO 7089 Art.Nr.: WG-736-0700
Teil: 11 | FÄCHERSCHEIBE:M8:EXT:DIN 6798
WG-736-0689
2,95 € Teil 11 FÄCHERSCHEIBE:M8:EXT:DIN 6798 Art.Nr.: WG-736-0689
Teil: 12 | FLUEGELMUTTER:M8 SCHWARZ
WG-000.02.377
5,12 € ohne Abbildung
Teil: 12a | FLÜGELMUTTER
WG-720-0368668
7,92 € ohne Abbildung
Teil: 16 | FL-RUNDSCHR:M8X50 DIN 603-4.6
WG-710-1719
2,95 € Teil 16 FL-RUNDSCHR:M8X50 DIN 603-4.6 Art.Nr.: WG-710-1719
Teil: 17 | 6KT-MUTTER: M8 DIN 934-8
WG-712-0690
2,84 € Teil 17 6KT-MUTTER: M8       DIN 934-8 Art.Nr.: WG-712-0690
Teil: 17 | 6KT-MUTTER: M8 DIN 934-8
WG-712-0690
2,84 € Teil 17 6KT-MUTTER: M8       DIN 934-8 Art.Nr.: WG-712-0690
Teil: 18 | SICHERUNGSSCHEIBE DIN N
WG-736-0708
Zur Zeit nicht lieferbar
ohne Abbildung
Teil: 18 | SICHERUNGSSCHEIBE DIN N
WG-736-0708
Zur Zeit nicht lieferbar
ohne Abbildung
Teil: 20 | FLACHRUNDSCHR.M8x16 DIN603-8.8
WG-710-1780
3,03 € ohne Abbildung
Teil: 20A | FLACHRUNDSCHR.M8x12-8.8 SPEC
WG-710-1775
4,31 € ohne Abbildung
Teil: 24 | STARTERHALTER -LT-
WG-782-7627
6,26 € ohne Abbildung
Teil: 25 | SCHEIBE:6.4X12X1.6:DIN125
WG-736-0668
1,26 € Teil 25 SCHEIBE:6.4X12X1.6:DIN125 Art.Nr.: WG-736-0668
Teil: 26 | S-6KT-MUTTER: M6 DIN 985-8
WG-712-0691
2,68 € Teil 26 S-6KT-MUTTER: M6     DIN 985-8 Art.Nr.: WG-712-0691
Teil: 27 | KABELBINDER 3,6x140 SCHWARZ
WG-000.70.563
3,09 € ohne Abbildung
Teil: 32A | RADKAPPE MIT MTD LOGO D=180MM
WG-720-0334662
4,56 € ohne Abbildung
Teil: 33 | RADBOLZEN:M8:53+1 LG 5.8
WG-079.29.166
13,11 € ohne Abbildung
Teil: 34C | RAD Ò180 SCHWARZ BAR PROFIL
WG-734-1916
18,95 € Teil 34C RAD Ò180 SCHWARZ BAR PROFIL Art.Nr.: WG-734-1916
Teil: 36 | SCHEIBE 8,4 DIN 7349-ST
WG-736-0695
2,56 € ohne Abbildung
Teil: 37 | TELLERFEDER B25 GRP.1 DIN 2093
WG-736-0758
3,00 € ohne Abbildung
Teil: 38 | MESSERSCHRAUBE 3/8"UNF SCHWARZ
WG-710-1254
Zur Zeit nicht lieferbar
Teil 38 MESSERSCHRAUBE 3/8
Teil: 40 | SICHERUNGSBLECH:MESSER
WG-782-7051
7,89 € Teil 40 SICHERUNGSBLECH:MESSER Art.Nr.: WG-782-7051
Teil: 41 | REIBSCHEIBE Ò32xÒ58x1,5 DICK
WG-736-0752
9,52 € Teil 41 REIBSCHEIBE Ò32xÒ58x1,5 DICK Art.Nr.: WG-736-0752
Teil: 43 | MESSERNABE FÜR KURBELWELLE:
WG-079.77.230
41,42 €**Teil 43 MESSERNABE FÜR KURBELWELLE: Art.Nr.: WG-079.77.230
Teil: 44 | SCHEIBENFEDER DIN 6888
WG-25.5239.09
3,31 € Teil 44 SCHEIBENFEDER         DIN 6888 Art.Nr.: WG-25.5239.09
Teil: 46 | 6KT-SCHR.:TT:SEMS:3/8-16:1.000
WG-710-0654A
5,12 € Teil 46 6KT-SCHR.:TT:SEMS:3/8-16:1.000 Art.Nr.: WG-710-0654A
Teil: 49 | SCHRAUBE:HL:#8-18:1.250:PANPHI
WG-710-1256
6,20 € ohne Abbildung
Teil: 51B | SKT.-SCHRAUBE 10-32:2. 320
WG-751B095225
3,00 € ohne Abbildung
Teil: 60A | BREMSZUG vollst. L2=1240 -LTQ-
WG-746-1051
21,32 € Teil 60A BREMSZUG vollst. L2=1240 -LTQ- Art.Nr.: WG-746-1051
Teil: 60B | BREMSZUG vollst. L2=1445 -LT-
WG-746-1050
28,29 €**Teil 60B BREMSZUG vollst. L2=1445  -LT- Art.Nr.: WG-746-1050
Teil: 60C | BREMSZUG VOLLST. 1100x1340
WG-746-1053
27,72 €**ohne Abbildung
Teil: 61 | KABELFÜHRUNG SCHWARZ -LTQ-
WG-731-1820
2,56 € ohne Abbildung
Teil: 62 | SHLT-SCHRAUBE M8 x 28.5 LG
WG-738-1030A
8,88 € ohne Abbildung
Teil: 63 | TELLERFEDER DIN 2093
WG-736-0651
2,56 € ohne Abbildung
Teil: 64 | HÖHENVERSTELLHEBEL VOLLST.
WG-682-0232
11,81 € ohne Abbildung
Teil: 65 | VERSTELLARM VERZINKT
WG-782-0617A
11,03 € ohne Abbildung
Teil: 66 | VERSTELLPLATTE - 5 FACH -
WG-079.30.313
14,87 € ohne Abbildung
Teil: 67 | SCHEIBE A8.4 DIN 9021
WG-736-0701
3,38 € Teil 67 SCHEIBE A8.4          DIN 9021 Art.Nr.: WG-736-0701
Teil: 71 | 6KT-SCHRAUBE:T:#10-32:0.625
WG-710-1237
3,09 € Teil 71 6KT-SCHRAUBE:T:#10-32:0.625 Art.Nr.: WG-710-1237
  • Produktbeschreibung
  • Downloads
  • Hersteller Informationen
Produktbeschreibung
Hier können Sie Ersatzteile Turbo Silent Motormäher TS 40 BB Typ: 11C-L74G667 (2003) Grundgerät einfach online kaufen.

In der Skizze sind die Teile mit einer Zahl gekennzeichnet. Diese finden Sie in der Tabelle wieder und können so das Ersatzteil aus der Tabelle auswählen und online kaufen.

Wenn Sie Hilfe bei der Suche nach dem richtigen MTD Ersatzteils benötigen, nehmen Sie einfach Kontakt zu uns auf. Sie können gerne auch eine Nachricht per WhatsApp an 0152 560 383 53 senden. Alle aufgelisteten Ersatzteile sind original MTD Ersatzteile. Nachbauartikel oder Ersatzartikel von anderen Herstellern sind mit dem Wort Nachbau bzw. Ersatzartikel gekennzeichnet.

Alle Artikel aus der Kategorie Ersatzteile Turbo Silent Motormäher TS 40 BB Typ: 11C-L74G667 (2003) einfach online kaufen!

Bitte beachten Sie, dass Elektro MTD Ersatzteile nur von Elektrofachkräften nach Vorgabe des Herstellers unter Berücksichtigung der gesetzlichen Vorschriften ersetzt werden dürfen.

Datei
Ersatzteilzeichnung als Pdf hier klicken...Ansehen
Hersteller Informationen
Kontakt Hersteller
Stanley Black & Decker Deutschland GmbH
Black-&-Decker-Strasse 40
65510 Idstein
Germany

support@blackanddecker.de
* gilt für Lieferungen innerhalb Deutschlands, Lieferzeiten für andere Länder entnehmen Sie bitte der Schaltfläche mit den Versandinformationen.
** Die Versandkosten betragen innerhalb Deutschlands für Produkte mit ** Vermerk und KÄRCHER Zubehör 5,90 EUR. Für alle Produkte ohne diesen Vermerk betragen die Versandkosten 4,99 EUR.