
Wenn Sie Hilfe zu einer Störung Ihres MTD Gerätes benötigen, nehmen Sie einfach Kontakt zu uns auf. Sie können gerne auch eine Nachricht per WhatsApp an 0152 560 383 53 senden. Wir helfen Ihnen gerne!
Alle aufgelisteten Ersatzteile sind original MTD Ersatzteile.
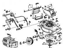
Alle Artikel aus der Kategorie Ersatzteile Ok Elektromäher OK 34-11 E Typ: 18A-H0E-667 (2004)
Bitte beachten Sie, dass Elektro MTD Ersatzteile nur von Elektrofachkräften nach Vorgabe des Herstellers unter Berücksichtigung der gesetzlichen Vorschriften ersetzt werden dürfen.Info zu GPSR: Stanley Black & Decker Deutschland GmbH Black-&-Decker-Strasse 40, 65510 Idstein support@blackanddecker.de

Das rege Interesse an dem Angebot in meinem Onlineshop hat mir gezeigt, dass die Zufriedenheit meiner Kunden sehr groß ist. Zahlreiche positive Kundenmeinungen bestätigen den gut sortierten Aufbau des Shops, die gute Beratung und den zügigen Versand. Mehr über mich...
Wir helfen Ihnen gerne, das richtige Ersatzteil zu finden. Dazu können Sie uns auch gerne Anfragen oder Fotos vom Ersatzteil/Gerät auf das Handy 0152 560 383 53
per WhatsApp senden. SMS Nachrichten können nicht empfangen werden!
Ich versende Ihre Ware mit DHL!
Damit ist eine Lieferung am Samstag und an eine Packstation möglich!
Die Waren versende ich nur innerhalb von Deutschland.
Zahlung per Kreditkarte, Lastschrift, Kauf auf Rechnung über PayPal möglich!

Sicherheit geht vor!
Der komplette Onlineshop ist SSL-verschlüsselt abgesichert.
Lieferland wählen
Wählen Sie das Lieferland aus, um die Preise inkl. MwSt. abhängig von der Lieferadresse angezeigt zu bekommen.
