Einstellungen
Versandland
Ihr Warenkorb ist leer.
Schnellkauf

Bitte geben Sie eine Artikelnummer ein.

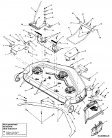
Ersatzteile Mastercut Motormäher mit Antrieb TV 53 GRB Typ: 12AKPN9K659 (2017) Achsen, Höhenverstellung

MTD
Art.Nr.: E3-09629A-01
Ersatzteile Mastercut Motormäher mit Antrieb TV 53 GRB Typ: 12AKPN9K659 (2017) Achsen, Höhenverstellung
Ersatzteile Mastercut Motormäher mit Antrieb TV 53 GRB Typ: 12AKPN9K659 (2017) Achsen, Höhenverstellung

ErsatzteilPreisBildkaufen
Teil: 1 | VORDERACHSE VST:ZENTR.:8x11
WG-611-05041B
38,08 €**ohne Abbildung
Teil: 2 | HINTERACHSE VST:ZENTR.:8x11
WG-611-05042
47,57 €**ohne Abbildung
Teil: 3 | 6KT-SCHRAUBE:HL:1/4-15:0.750
WG-710-0895
3,36 € Teil 3 6KT-SCHRAUBE:HL:1/4-15:0.750 Art.Nr.: WG-710-0895
Teil: 4 | 6KT-S-BUNDMUTTER:3/8-16:GRF
WG-712-04217
2,14 € Teil 4 6KT-S-BUNDMUTTER:3/8-16:GRF Art.Nr.: WG-712-04217
Teil: 6 | 6KT-SCHULTERSCHR:.348x.183:TT
WG-738-04502
2,68 € Teil 6 6KT-SCHULTERSCHR:.348x.183:TT Art.Nr.: WG-738-04502
Teil: 7 | FLANSCHLAGER:.505 DIA x.62
WG-741-0492A
2,95 € Teil 7 FLANSCHLAGER:.505 DIA x.62 Art.Nr.: WG-741-0492A
Teil: 8 | VERBINDUNGSSTANGE:ZTR:8x11:53
WG-749-05048A-S
29,63 €**ohne Abbildung
Teil: 9 | GRIFF FÜR HÖHENVERSTELLHEBEL
WG-720-04096
8,66 € ohne Abbildung
  • Produktbeschreibung
  • Downloads
  • Hersteller Informationen
Produktbeschreibung
Hier können Sie Ersatzteile Mastercut Motormäher mit Antrieb TV 53 GRB Typ: 12AKPN9K659 (2017) Achsen, Höhenverstellung einfach online kaufen.

In der Skizze sind die Teile mit einer Zahl gekennzeichnet. Diese finden Sie in der Tabelle wieder und können so das Ersatzteil aus der Tabelle auswählen und online kaufen.

Wenn Sie Hilfe bei der Suche nach dem richtigen MTD Ersatzteils benötigen, nehmen Sie einfach Kontakt zu uns auf. Sie können gerne auch eine Nachricht per WhatsApp an 0152 560 383 53 senden. Alle aufgelisteten Ersatzteile sind original MTD Ersatzteile. Nachbauartikel oder Ersatzartikel von anderen Herstellern sind mit dem Wort Nachbau bzw. Ersatzartikel gekennzeichnet.

Alle Artikel aus der Kategorie Ersatzteile Mastercut Motormäher mit Antrieb TV 53 GRB Typ: 12AKPN9K659 (2017) einfach online kaufen!

Bitte beachten Sie, dass Elektro MTD Ersatzteile nur von Elektrofachkräften nach Vorgabe des Herstellers unter Berücksichtigung der gesetzlichen Vorschriften ersetzt werden dürfen.

Datei
Ersatzteilzeichnung als Pdf hier klicken...Ansehen
Hersteller Informationen
Kontakt Hersteller
Stanley Black & Decker Deutschland GmbH
Black-&-Decker-Strasse 40
65510 Idstein
Germany

support@blackanddecker.de
* gilt für Lieferungen innerhalb Deutschlands, Lieferzeiten für andere Länder entnehmen Sie bitte der Schaltfläche mit den Versandinformationen.
** Die Versandkosten betragen innerhalb Deutschlands für Produkte mit ** Vermerk und KÄRCHER Zubehör 5,90 EUR. Für alle Produkte ohne diesen Vermerk betragen die Versandkosten 4,99 EUR.