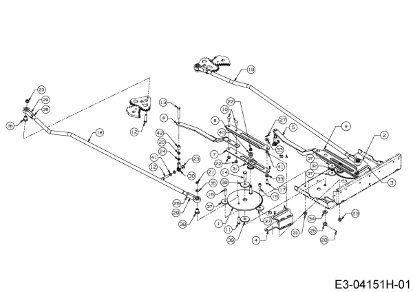
Ersatzteile Massey Ferguson Zero Turn MF 48-22 FMZ Typ: 17BI4BFY695  (2014) Lenkung
Für eine größere Ansicht klicken Sie auf das Vorschaubild

Ersatzteile Massey Ferguson Zero Turn MF 48-22 FMZ Typ: 17BI4BFY695 (2014) Lenkung


Ersatzteil
deutschenglishfrench
PreisBildkaufen
Teil 7 FÜHRUNGSLASCHE:FRONT CUT
Art.Nr.: WG-703-06531B
Part 7 PLT:CAM:FRT CUT
Article no.: WG-703-06531B
Partie 7 PATTE AJOUREE
Numéro d'article: WG-703-06531B
28,95 €**ohne Abbildung
Teil 8 FÜHRUNGSLASCHE-RE:FRONT CUT
Art.Nr.: WG-703-09679
Part 8 PLT:CAM:FRT CUT:RH
Article no.: WG-703-09679
Partie 8 FÜHRUNGSLASCHE-RE:FRONT CUT
Numéro d'article: WG-703-09679
28,66 €**ohne Abbildung
Teil 9 FÜHRUNGSLASCHE-LI.:FRONT CUT
Art.Nr.: WG-703-09680
Part 9 PLT:CAM:FRT CUT:LH
Article no.: WG-703-09680
Partie 9 FÜHRUNGSLASCHE-LI.:FRONT CUT
Numéro d'article: WG-703-09680
28,66 €**ohne Abbildung
Teil 10 FL-RUNDSCHR:5/16-18:1.00:GR5
Art.Nr.: WG-710-0276
Part 10 BOLT:CRG:5/16-18:1.00:GR5:STD
Article no.: WG-710-0276
Partie 10 VIS A TETE PLATE: 5/16-18:1.00
Numéro d'article: WG-710-0276
3,31 € ohne Abbildung
Teil 11 6KT-SCHR:3/8-16:1.50:GR5
Art.Nr.: WG-710-0344
Part 11 HHCS:3/8-16:1.50:GR5:FTHD
Article no.: WG-710-0344
Partie 11 VIS HEX.:3/8-16:1.50:GR5:SPEC
Numéro d'article: WG-710-0344
7,25 € ohne Abbildung
Teil 12 6KT-SCHR:3/8-16:1.75:GR5:STD
Art.Nr.: WG-710-0347
Part 12 HHCS:3/8-16:1.75:GR5:STD
Article no.: WG-710-0347
Partie 12 VIS HEX. 3/8-16:1.75:GR5:STD
Numéro d'article: WG-710-0347
3,88 € Teil 12 6KT-SCHR:3/8-16:1.75:GR5:STD Art.Nr.: WG-710-0347
Teil 13 6KT-SCHR:3/8-24:2.50:GR5:SPEC
Art.Nr.: WG-710-0369
Part 13 SCRE.HHCS:3/8-24:2.50:GR5:SPEC
Article no.: WG-710-0369
Partie 13 VIS HHCS:3/8-24:2.50:GR5:SPEC
Numéro d'article: WG-710-0369
10,94 € ohne Abbildung
Teil 14 6KT-SCHR:1/2-20:1.75:GR5:STD
Art.Nr.: WG-710-04775
Part 14 HHCS: 1/2-20:1.75:GR5:STD
Article no.: WG-710-04775
Partie 14 VIS
Numéro d'article: WG-710-04775
7,49 € ohne Abbildung
Teil 15 SCHRAUBE/INNEN6KT:3/8-16x1.250
Art.Nr.: WG-710-04789
Part 15 SCR:SHCS:3/8-16X1.250
Article no.: WG-710-04789
Partie 15 VIS
Numéro d'article: WG-710-04789
6,20 € ohne Abbildung
Teil 16 6KT-SCHR:3/8-16:1.25:GR5:STD
Art.Nr.: WG-710-3005
Part 16 SCREW HHCS:3/8-16:1.25:GR5:STD
Article no.: WG-710-3005
Partie 16 VIS HEX.HHCS:3/8-16:1.25GR5STD
Numéro d'article: WG-710-3005
2,95 € ohne Abbildung
Teil 17 STECKBOLZEN:.375 DIA x .969
Art.Nr.: WG-711-0173
Part 17 PIN-CLEVIS:.375 DIA x .969
Article no.: WG-711-0173
Partie 17 AXE
Numéro d'article: WG-711-0173
20,64 € ohne Abbildung
Teil 20 6KT-S-MUTTER:3/8-24:GR2:NYLON
Art.Nr.: WG-712-0116
Part 20 NUT:JAMLK:3/8-24:GR2:NYLON
Article no.: WG-712-0116
Partie 20 ECROU HEXAGONAL: 3/8-24:GR5:
Numéro d'article: WG-712-0116
3,69 € ohne Abbildung
Teil 21 6KT-RING-S-MUTTER:3/8-16:GR5
Art.Nr.: WG-712-0181
Part 21 NUT:JAMLK:3/8-16:GR5
Article no.: WG-712-0181
Partie 21 ECROU
Numéro d'article: WG-712-0181
3,31 € Teil 21 6KT-RING-S-MUTTER:3/8-16:GR5 Art.Nr.: WG-712-0181
Teil 22 6KT-S-BUNDMUTTER:5/16-18:GRN5
Art.Nr.: WG-712-04063
Part 22 NUT:HEXFLGLK:5/16-18:GRN5:NYL
Article no.: WG-712-04063
Partie 22 ECROU HEX. AVEC FLANC
Numéro d'article: WG-712-04063
4,31 € Teil 22 6KT-S-BUNDMUTTER:5/16-18:GRN5 Art.Nr.: WG-712-04063
Teil 23 6KT-S-BUNDMUTTER 3/8-16:GRN5
Art.Nr.: WG-712-04065
Part 23 NUT:HEXFLGLK:3/8-16:GRN5:NYLON
Article no.: WG-712-04065
Partie 23 ECROU HEXAGONAL
Numéro d'article: WG-712-04065
4,19 € Teil 23 6KT-S-BUNDMUTTER 3/8-16:GRN5 Art.Nr.: WG-712-04065
Teil 24 6KT-MUTTER:3/8-24:GR5
Art.Nr.: WG-712-0711
Part 24 NUT:JAM:3/8-24:GR5
Article no.: WG-712-0711
Partie 24 ECROU HEXAGONAL
Numéro d'article: WG-712-0711
2,68 € Teil 24 6KT-MUTTER:3/8-24:GR5 Art.Nr.: WG-712-0711
Teil 25 KRONENMUTTER:1/2-20:GR2
Art.Nr.: WG-712-3012
Part 25 NUT:HEXSLT:1/2-20:GR2
Article no.: WG-712-3012
Partie 25 ECROU CONIQUE
Numéro d'article: WG-712-3012
4,29 € ohne Abbildung
Teil 26 6KT-S-MUTTER:5/8-18:GR5
Art.Nr.: WG-712-3056
Part 26 NUT:JAM:5/8-18:GR5
Article no.: WG-712-3056
Partie 26 ECROU
Numéro d'article: WG-712-3056
3,43 € ohne Abbildung
Teil 27 FEDERSTECKER:.072DIA x 1.13 LG
Art.Nr.: WG-714-0104
Part 27 PIN:COT:.072 DIA x 1.13 LG
Article no.: WG-714-0104
Partie 27 GOUPILLE
Numéro d'article: WG-714-0104
2,42 € Teil 27 FEDERSTECKER:.072DIA x 1.13 LG Art.Nr.: WG-714-0104
Teil 28 SPLINT:3/32 x 1.0"
Art.Nr.: WG-714-0111
Part 28 COTTER PIN 3/32 DIA X 1.00
Article no.: WG-714-0111
Partie 28 GOUPILLE FENDUE 3/32:1.0"
Numéro d'article: WG-714-0111
2,95 € ohne Abbildung
Teil 29 AUGE:.625 ID x 5/8-18
Art.Nr.: WG-723-04050
Part 29 BALL JOINT 0.625 ID x 5/8-18
Article no.: WG-723-04050
Partie 29 ROTULE
Numéro d'article: WG-723-04050
66,41 €**ohne Abbildung
Teil 30 KUGELGELENK:3/8-24 RECHTSGEW.
Art.Nr.: WG-723-04080
Part 30 JOINT:BALL:FEMALE 3/8-24 RH
Article no.: WG-723-04080
Partie 30 ROTULE DE DIRECTION
Numéro d'article: WG-723-04080
27,48 €**ohne Abbildung
Teil 32 U-SCHEIBE:0.380x0.630x0.033
Art.Nr.: WG-736-0117
Part 32 WASH:FLAT:0.380 x0.630 x0.033
Article no.: WG-736-0117
Partie 32 RONDELLE 3/8X.620X.033
Numéro d'article: WG-736-0117
2,73 € ohne Abbildung
Teil 33 U-SCHEIBE:0.380 x0.880 x0.092
Art.Nr.: WG-736-0262
Part 33 WASH:FLAT:0.380 x0.880 x0.092
Article no.: WG-736-0262
Partie 33 RONDELLE PLATE:.385x.870x.092
Numéro d'article: WG-736-0262
2,68 € Teil 33 U-SCHEIBE:0.380 x0.880 x0.092 Art.Nr.: WG-736-0262
Teil 34 U-SCHEIBE:0.505x1.015x0.125
Art.Nr.: WG-736-0326
Part 34 WASH:FLAT:0.505X1.015X0.125
Article no.: WG-736-0326
Partie 34 RONDELLE .510 X 1.0.125
Numéro d'article: WG-736-0326
3,31 € ohne Abbildung
Teil 35 DRUCKSCHEIBE:0.377X0.802X0.060
Art.Nr.: WG-736-0864
Dieses Produkt wird mir leider nicht mehr angeboten
Part 35 WASH:THRST:0.377X0.802X0.060
Article no.: WG-736-0864
no longer available
Partie 35 RONDELLE
Numéro d'article: WG-736-0864
plus disponible
ohne Abbildung
Teil 37 BUNDSCHEIBE:0.380x0.855x0.200
Art.Nr.: WG-738-04162C
Part 37 SPCR:SHLDR:0.380X0.855X0.200
Article no.: WG-738-04162C
Partie 37 RONDELLE EPAULEE
Numéro d'article: WG-738-04162C
4,33 € Teil 37 BUNDSCHEIBE:0.380x0.855x0.200 Art.Nr.: WG-738-04162C
Teil 38 FLANSCHBUCHS:.3825 IDx.6175 OD
Art.Nr.: WG-738-04328
Part 38 SPACER:SHLDR:.3825 ID x.6175OD
Article no.: WG-738-04328
Partie 38 RONDELLE EPAULEE
Numéro d'article: WG-738-04328
6,71 € ohne Abbildung
Teil 39 FLANSCHBUCHSE:.9790 x.2025
Art.Nr.: WG-738-04337A
Part 39 SPACER:SHLDE
Article no.: WG-738-04337A
Partie 39 RONDELLE EPAULEE
Numéro d'article: WG-738-04337A
15,60 € ohne Abbildung
Teil 40 FLANSCHLAGER:.51 ID x .757 OD
Art.Nr.: WG-741-0248
Part 40 FLANGE BEARING
Article no.: WG-741-0248
Partie 40 BAGUE
Numéro d'article: WG-741-0248
11,37 € ohne Abbildung
Teil 41 DIST-SCHEIBE:0.376X0.625X0.215
Art.Nr.: WG-750-0535
Part 41 SPCR:0.376X0.625X0.215
Article no.: WG-750-0535
Partie 41 ENTRETOISE
Numéro d'article: WG-750-0535
7,27 € ohne Abbildung
Teil 42 BÜCHSE:.385x.625x.700
Art.Nr.: WG-750-0807
Part 42 SPCR: .385 X.625 X.700
Article no.: WG-750-0807
Partie 42 ENTRETOISE
Numéro d'article: WG-750-0807
2,68 € ohne Abbildung
inkl. 19 % MwSt. Steuer-Info
zzgl. Versandkosten
Lieferzeit: 3-10 Werktage*
In den Warenkorb

Wenn Sie Hilfe zu einer Störung Ihres MTD Gerätes benötigen, nehmen Sie einfach Kontakt zu uns auf. Sie können gerne auch eine Nachricht per WhatsApp an 0152 560 383 53 senden. Wir helfen Ihnen gerne!

Alle aufgelisteten Ersatzteile sind original MTD Ersatzteile.

Alle Artikel aus der Kategorie Ersatzteile Massey Ferguson Zero Turn MF 48-22 FMZ Typ: 17BI4BFY695 (2014)

Bitte beachten Sie, dass Elektro MTD Ersatzteile nur von Elektrofachkräften nach Vorgabe des Herstellers unter Berücksichtigung der gesetzlichen Vorschriften ersetzt werden dürfen.

Info zu GPSR: Stanley Black & Decker Deutschland GmbH Black-&-Decker-Strasse 40, 65510 Idstein support@blackanddecker.de

    Kategorien
    Ersatzteil-Fee

    Die Ersatzteilfee

    Das rege Interesse an dem Angebot in meinem Onlineshop hat mir gezeigt, dass die Zufriedenheit meiner Kunden sehr groß ist. Zahlreiche positive Kundenmeinungen bestätigen den gut sortierten Aufbau des Shops, die gute Beratung und den zügigen Versand. Mehr über mich...

    Wir helfen Ihnen gerne, das richtige Ersatzteil zu finden. Dazu können Sie uns auch gerne Anfragen oder Fotos vom Ersatzteil/Gerät auf das Handy 0152 560 383 53
    per WhatsApp senden. SMS Nachrichten können nicht empfangen werden!


    Info zur Mehrwertsteuer

    Lieferland wählen

    Wählen Sie das Lieferland aus, um die Preise inkl. MwSt. abhängig von der Lieferadresse angezeigt zu bekommen.



    Die im Shop angegebenen Preise sind in Euro inkl. der deutschen Mehrwertsteuer angegeben.
    Für Bestellungen aus einem anderen EU-Land muss die dort geltende Mehrwertsteuer berechnet werden. Wenn Sie im Warenkorb das Lieferland auswählen, wird Ihnen auch der korrekte Mehrwertsteuersatz zu Ihrem EU-Land angezeigt.