Einstellungen
Versandland
Ihr Warenkorb ist leer.
Schnellkauf

Bitte geben Sie eine Artikelnummer ein.

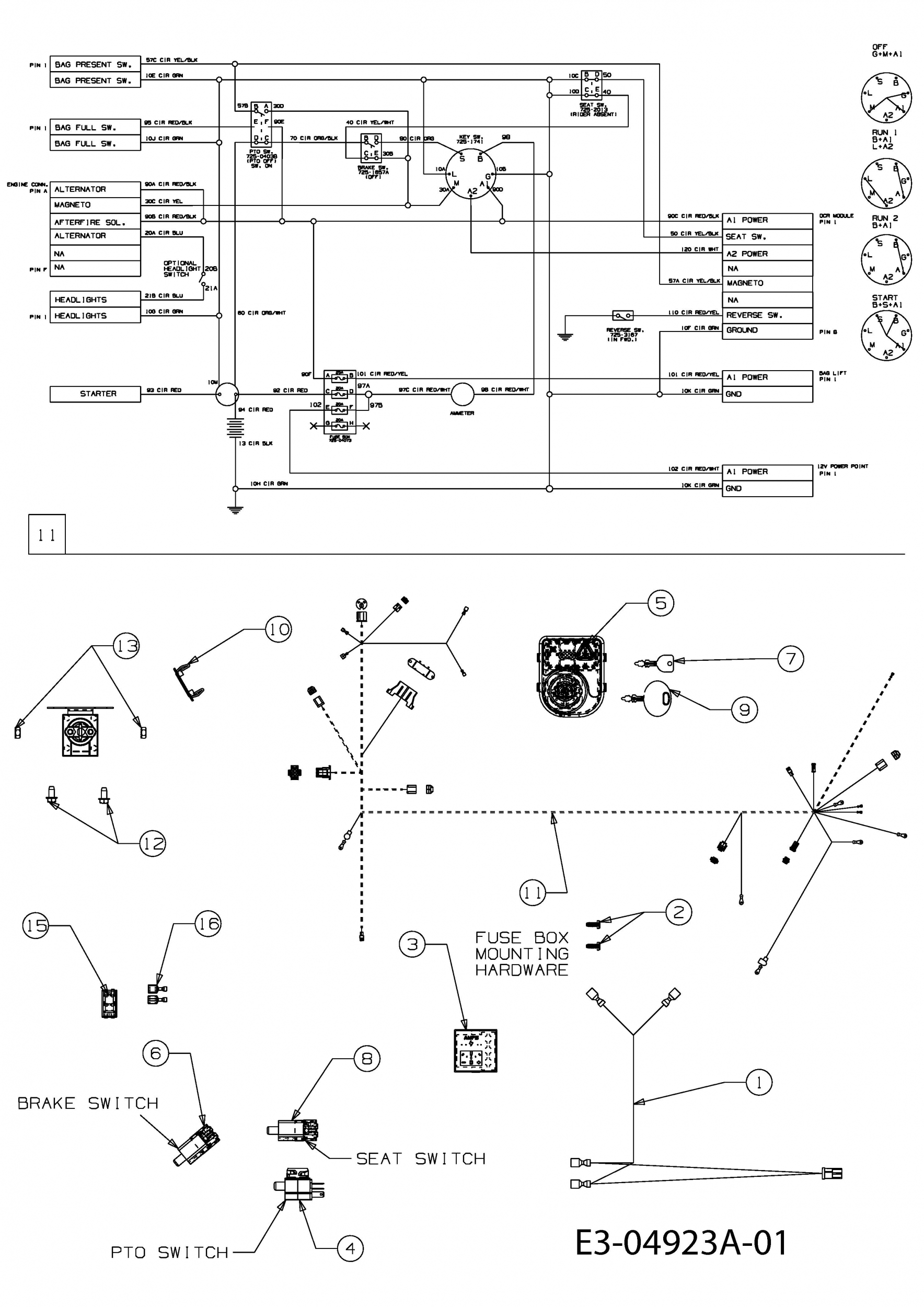
Ersatzteile Massey Ferguson Rasentraktoren MF 48-24 RD Typ: 13CI51CJ495 (2010) Elektroteile, Schaltplan

MTD
Art.Nr.: E3-04923A-01
Ersatzteile Massey Ferguson Rasentraktoren MF 48-24 RD Typ: 13CI51CJ495 (2010) Elektroteile, Schaltplan
Ersatzteile Massey Ferguson Rasentraktoren MF 48-24 RD Typ: 13CI51CJ495 (2010) Elektroteile, Schaltplan

ErsatzteilPreisBildkaufen
Teil: 1 | KABELSATZ VST:UNIVERSAL:LICHT
WG-629-04133B
11,69 € Teil 1 KABELSATZ VST:UNIVERSAL:LICHT Art.Nr.: WG-629-04133B
Teil: 2 | KREUZSCHLITZ-SCHR:#10-16:0.500
WG-710-0351
3,38 € Teil 2 KREUZSCHLITZ-SCHR:#10-16:0.500 Art.Nr.: WG-710-0351
Teil: 3 | ANZEIGE:AMP£REMETER OHNE LICHT
WG-725-04156
23,58 € ohne Abbildung
Teil: 4 | SCHALTER DELTA:3 POLIG:
WG-725-04038
31,57 €**Teil 4 SCHALTER DELTA:3 POLIG: Art.Nr.: WG-725-04038
Teil: 5 | ZÜNDSCHLOSS:MIT RMC:8 POL
WG-725-06119C
47,81 €**Teil 5 ZÜNDSCHLOSS:MIT RMC:8 POL Art.Nr.: WG-725-06119C
Teil: 6 | SCHALTER:NO/NC SCHNAPPER MONT.
WG-725-1657A
15,38 € Teil 6 SCHALTER:NO/NC SCHNAPPER MONT. Art.Nr.: WG-725-1657A
Teil: 7 | ZÜNDSCHLÜSSEL:UNIVERSAL
WG-725-1745A
6,02 € Teil 7 ZÜNDSCHLÜSSEL:UNIVERSAL Art.Nr.: WG-725-1745A
Teil: 8 | SICHERHEITSSCHALTER
WG-725-2013
28,47 €**Teil 8 SICHERHEITSSCHALTER Art.Nr.: WG-725-2013
Teil: 9 | ZÜNDSCHLÜSSEL:UNIVERSAL:BLACK
WG-725-1745A
6,02 € Teil 9 ZÜNDSCHLÜSSEL:UNIVERSAL:BLACK Art.Nr.: WG-725-1745A
Teil: 10 | ABDECKUNG:SCHALTER:PTO
WG-731-04010
13,24 € ohne Abbildung
Teil: 11 | KABELBAUM:500:MAN:RR SOL:OCR:
WG-725-04629A
145,99 €**ohne Abbildung
Teil: 12 | 6KT-SCHRAUBE:TT:1/4-20:0.500
WG-710-0599
4,58 € Teil 12 6KT-SCHRAUBE:TT:1/4-20:0.500 Art.Nr.: WG-710-0599
Teil: 13 | 6KT-MUTTER 1/4-20"+ZAHNSCHEIBE
WG-712-0271
2,68 € ohne Abbildung
Teil: 14 | MAGNETSCHALTER:4 FUNKTIONEN
WG-725-04439B
26,55 €**Teil 14 MAGNETSCHALTER:4 FUNKTIONEN Art.Nr.: WG-725-04439B
Teil: 15 | WIPPSCHALTER:LICHT
WG-725-0634
18,88 € Teil 15 WIPPSCHALTER:LICHT Art.Nr.: WG-725-0634
Teil: 16 | ANSCHLUSSKABEL LICHTSCHALTER
WG-725-04839
13,06 € Teil 16 ANSCHLUSSKABEL LICHTSCHALTER Art.Nr.: WG-725-04839
  • Produktbeschreibung
  • Downloads
  • Hersteller Informationen
Produktbeschreibung
Hier können Sie Ersatzteile Massey Ferguson Rasentraktoren MF 48-24 RD Typ: 13CI51CJ495 (2010) Elektroteile, Schaltplan einfach online kaufen.

In der Skizze sind die Teile mit einer Zahl gekennzeichnet. Diese finden Sie in der Tabelle wieder und können so das Ersatzteil aus der Tabelle auswählen und online kaufen.

Wenn Sie Hilfe bei der Suche nach dem richtigen MTD Ersatzteils benötigen, nehmen Sie einfach Kontakt zu uns auf. Sie können gerne auch eine Nachricht per WhatsApp an 0152 560 383 53 senden. Alle aufgelisteten Ersatzteile sind original MTD Ersatzteile. Nachbauartikel oder Ersatzartikel von anderen Herstellern sind mit dem Wort Nachbau bzw. Ersatzartikel gekennzeichnet.

Alle Artikel aus der Kategorie Ersatzteile Massey Ferguson Rasentraktoren MF 48-24 RD Typ: 13CI51CJ495 (2010) einfach online kaufen!

Bitte beachten Sie, dass Elektro MTD Ersatzteile nur von Elektrofachkräften nach Vorgabe des Herstellers unter Berücksichtigung der gesetzlichen Vorschriften ersetzt werden dürfen.

Datei
Ersatzteilzeichnung als Pdf hier klicken...Ansehen
Hersteller Informationen
Kontakt Hersteller
Stanley Black & Decker Deutschland GmbH
Black-&-Decker-Strasse 40
65510 Idstein
Germany

support@blackanddecker.de
* gilt für Lieferungen innerhalb Deutschlands, Lieferzeiten für andere Länder entnehmen Sie bitte der Schaltfläche mit den Versandinformationen.
** Die Versandkosten betragen innerhalb Deutschlands für Produkte mit ** Vermerk und KÄRCHER Zubehör 5,90 EUR. Für alle Produkte ohne diesen Vermerk betragen die Versandkosten 4,99 EUR.