Einstellungen
Versandland
Ihr Warenkorb ist leer.
Schnellkauf

Bitte geben Sie eine Artikelnummer ein.

Ersatzteile Mac Allister Rasentraktoren Mac 220/105 H Typ: 13AU718N668 (2013) Motorzubehör

MTD
Art.Nr.: E3-05067B-01
Ersatzteile Mac Allister Rasentraktoren Mac 220/105 H Typ: 13AU718N668 (2013) Motorzubehör
Ersatzteile Mac Allister Rasentraktoren Mac 220/105 H Typ: 13AU718N668 (2013) Motorzubehör
Lieferzeit: 3-7 Werktage*
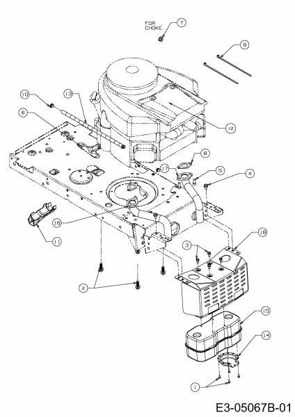
Suchen Sie in der Zeichnung nach der Nummer die sie benötigen. Wählen Sie diese dann in der Tabelle aus. Nur die, in der Tabelle aufgeführten Ersatzteile, sind verfügbar.

ErsatzteilPreisBildkaufen
Teil: 1 | 6KT-BLECHSCHR:AB:#8-18:0.50
WG-710-0227
2,68 € Teil 1 6KT-BLECHSCHR:AB:#8-18:0.50 Art.Nr.: WG-710-0227
Teil: 2 | 6KT-SCR:TT:3/8-16:1.000
WG-710-04683C
2,49 € Teil 2 6KT-SCR:TT:3/8-16:1.000 Art.Nr.: WG-710-04683C
Teil: 3 | 6KT-SCHRAUBE:TT:1/4-20:0.500
WG-710-0599
4,58 € Teil 3 6KT-SCHRAUBE:TT:1/4-20:0.500 Art.Nr.: WG-710-0599
Teil: 4 | 6KT-SCHRAUBE:TT:5/16-18:0.63
WG-710-0604A
3,74 € ohne Abbildung
Teil: 5 | INNEN-6KT-SCHR:5/16-18:.75:GR8
WG-710-1314A
2,95 € Teil 5 INNEN-6KT-SCHR:5/16-18:.75:GR8 Art.Nr.: WG-710-1314A
Teil: 6 | 6KT-MUTTER 1/4-20"+ZAHNSCHEIBE
WG-712-0271
2,68 € ohne Abbildung
Teil: 7 | 6KT-S-BUNDMUTTER:3/8-16:GR5
WG-712-3005
2,95 € ohne Abbildung
Teil: 8 | AUSPUFFDICHTUNG INTEK TWIN
WG-721-0460
6,26 € Teil 8 AUSPUFFDICHTUNG INTEK TWIN Art.Nr.: WG-721-0460
Teil: 9 | KABELBINDER:.05X.18X7.56:50LB
WG-725-0157
2,68 € Teil 9 KABELBINDER:.05X.18X7.56:50LB Art.Nr.: WG-725-0157
Teil: 10 | SCHLAUCHKLEMME: 0.50 DIA
WG-726-0205
2,56 € Teil 10 SCHLAUCHKLEMME: 0.50 DIA Art.Nr.: WG-726-0205
Teil: 11 | ÖLABLAUFRINNE
WG-731-05628
10,52 € Teil 11 ÖLABLAUFRINNE Art.Nr.: WG-731-05628
Teil: 14 | LUFTLEITBLECH:DFL:AUSPUFF
WG-751-0564B
12,85 € ohne Abbildung
Teil: 15 | AUSPUFFTOPF:DUAL INLET
WG-751-0616B
124,98 €**ohne Abbildung
Teil: 16 | AUSPUFFROHR:RECHTS INTEK TWIN
WG-751-0650B
53,07 €**ohne Abbildung
Teil: 17 | AUSPUFFROHR:LINKS INTEK TWIN
WG-751-0651B
53,07 €**ohne Abbildung
  • Produktbeschreibung
  • Downloads
  • Hersteller Informationen
Produktbeschreibung
Hier können Sie Ersatzteile Mac Allister Rasentraktoren Mac 220/105 H Typ: 13AU718N668 (2013) Motorzubehör einfach online kaufen.

In der Skizze sind die Teile mit einer Zahl gekennzeichnet. Diese finden Sie in der Tabelle wieder und können so das Ersatzteil aus der Tabelle auswählen und online kaufen.

Wenn Sie Hilfe bei der Suche nach dem richtigen MTD Ersatzteils benötigen, nehmen Sie einfach Kontakt zu uns auf. Sie können gerne auch eine Nachricht per WhatsApp an 0152 560 383 53 senden. Alle aufgelisteten Ersatzteile sind original MTD Ersatzteile. Nachbauartikel oder Ersatzartikel von anderen Herstellern sind mit dem Wort Nachbau bzw. Ersatzartikel gekennzeichnet.

Alle Artikel aus der Kategorie Ersatzteile Mac Allister Rasentraktoren Mac 220/105 H Typ: 13AU718N668 (2013) einfach online kaufen!

Bitte beachten Sie, dass Elektro MTD Ersatzteile nur von Elektrofachkräften nach Vorgabe des Herstellers unter Berücksichtigung der gesetzlichen Vorschriften ersetzt werden dürfen.

Datei
Ersatzteilzeichnung als Pdf hier klicken...Ansehen
Hersteller Informationen
Kontakt Hersteller
Stanley Black & Decker Deutschland GmbH
Black-&-Decker-Strasse 40
65510 Idstein
Germany

support@blackanddecker.de
* gilt für Lieferungen innerhalb Deutschlands, Lieferzeiten für andere Länder entnehmen Sie bitte der Schaltfläche mit den Versandinformationen.
** Die Versandkosten betragen innerhalb Deutschlands für Produkte mit ** Vermerk und KÄRCHER Zubehör 5,90 EUR. Für alle Produkte ohne diesen Vermerk betragen die Versandkosten 4,99 EUR.