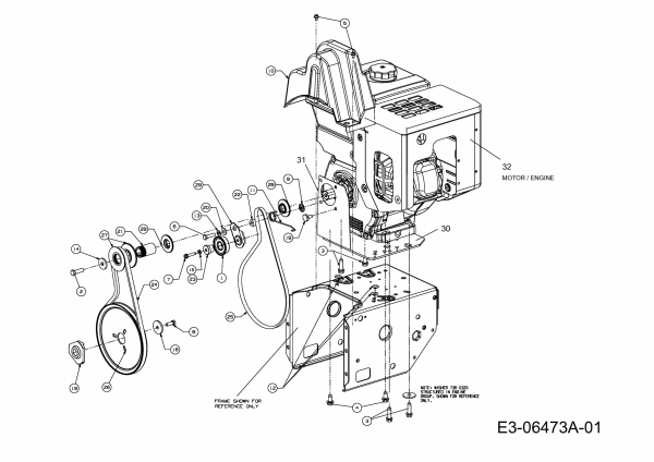
Ersatzteile MTD Schneefräse ME 66 T Typ: 31AY74S3678  (2011) Keilriemen, Motor, Tank
Für eine größere Ansicht klicken Sie auf das Vorschaubild

Ersatzteile MTD Schneefräse ME 66 T Typ: 31AY74S3678 (2011) Keilriemen, Motor, Tank

MTD
MTD Art.Nr.: E3-06473A-01
Hier können Sie Ersatzteile MTD Schneefräse ME 66 T Typ: 31AY74S3678 (2011) Keilriemen, Motor, Tank einfach online kaufen.

In der Skizze sind die Teile mit einer Zahl gekennzeichnet. Diese finden Sie in der Tabelle wieder und können so das Ersatzteil aus der Tabelle auswählen und online kaufen.


Ersatzteil
deutschenglishfrench
PreisBildkaufen
Teil 1 SPANNROLLE VOLLST:1.917 OD
Art.Nr.: WG-684-04169
Part 1 PULLEY ASM:IDLER:1.917 OD
Article no.: WG-684-04169
Partie 1 GALET TENDEUR CPL.:1.917 OD
Numéro d'article: WG-684-04169
26,96 €**ohne Abbildung
Teil 2 6KT-SCHR.3/8-24:1.25:GR8:STD
Art.Nr.: WG-710-0191
Part 2 HHCS:3/8-24:1.25:GR8:STD
Article no.: WG-710-0191
Partie 2 VIS HEX. 3/8-24:1.25:GR8:SPEC
Numéro d'article: WG-710-0191
6,61 € ohne Abbildung
Teil 3 6KT-SCHR:3/8-16:1.250:HXLWSH
Art.Nr.: WG-710-0502A
Part 3 SCR:TTSEMS:3/8-16:1.250:HXLWSH
Article no.: WG-710-0502A
Partie 3 VIS HEX. 3/8-16:1.250 LG.
Numéro d'article: WG-710-0502A
8,84 € ohne Abbildung
Teil 4 6KT-BLECHSCHR:TT:3/8-16:0.75
Art.Nr.: WG-710-0623
Part 4 SCR:TT:3/8-16:.75:HXINDWSH
Article no.: WG-710-0623
Partie 4 VIS PARK. HEX.:TT:3/8-16:0.750
Numéro d'article: WG-710-0623
5,35 € ohne Abbildung
Teil 5 6KT-SCHRAUBE:TT:1/4-20:0.375
Art.Nr.: WG-710-0653
Part 5 SCREW:TT:1/4-20:0.375:HXINDWSH
Article no.: WG-710-0653
Partie 5 VIS A SIX PANS CREUX
Numéro d'article: WG-710-0653
3,88 € Teil 5 6KT-SCHRAUBE:TT:1/4-20:0.375 Art.Nr.: WG-710-0653
Teil 6 6KT-SCHR:5/16-24:1.25:GR5:STD
Art.Nr.: WG-710-0672
Part 6 HHCS:5/16-24:1.25:GR5:STD
Article no.: WG-710-0672
Partie 6 VIS HEX. 5/16-24:1.25:GR5:STD
Numéro d'article: WG-710-0672
3,36 € Teil 6 6KT-SCHR:5/16-24:1.25:GR5:STD Art.Nr.: WG-710-0672
Teil 7 6KT-SCHRAUBE:TT:1/4-20:1.25
Art.Nr.: WG-710-0809
Part 7 SCR:TT:1/4-20:1.25:HXINDWSH
Article no.: WG-710-0809
Partie 7 VIS HEX. TT:1/4-20:1.250:HXIND
Numéro d'article: WG-710-0809
3,21 € ohne Abbildung
Teil 8 SECHSKANT-SCHRAUBE
Art.Nr.: WG-710-1245
Part 8 HEXAGONAL SCREW
Article no.: WG-710-1245
Partie 8 VIS HEXAGONALE
Numéro d'article: WG-710-1245
3,21 € ohne Abbildung
Teil 9 KLEMMRING:.25 DIA PUSH-ON
Art.Nr.: WG-726-04012
Part 9 NUT:PUSH-ON:.25 DIA
Article no.: WG-726-04012
Partie 9 CLIPS
Numéro d'article: WG-726-04012
4,20 € Teil 9 KLEMMRING:.25 DIA PUSH-ON Art.Nr.: WG-726-04012
Teil 10 KEILRIEMENABDECKUNG
Art.Nr.: WG-753-09065
Part 10 BELT PLAST COVER
Article no.: WG-753-09065
Partie 10 PROTECTION DE COURROIE
Numéro d'article: WG-753-09065
20,13 €**Teil 10 KEILRIEMENABDECKUNG Art.Nr.: WG-753-09065
Teil 11 DREHFEDER
Art.Nr.: WG-732-04308C
Part 11 TORSION SPRING
Article no.: WG-732-04308C
Partie 11 RESSORT ROTATIF
Numéro d'article: WG-732-04308C
8,52 € Teil 11 DREHFEDER Art.Nr.: WG-732-04308C
Teil 12 STOPFEN:3/8 ID
Art.Nr.: WG-735-04099
Part 12 PLUG:3/8 ID
Article no.: WG-735-04099
Partie 12 BOUCHON:3/8 ID
Numéro d'article: WG-735-04099
18,19 € ohne Abbildung
Teil 13 FEDERRING:5/16" NORMALAUSF.
Art.Nr.: WG-736-0119
Part 13 WASHER:LOCK:5/16:SPLT:REG
Article no.: WG-736-0119
Partie 13 RONDELLE
Numéro d'article: WG-736-0119
3,09 € Teil 13 FEDERRING:5/16
Teil 14 SCHEIBE:FL:0.401x1.280x.157:HD
Art.Nr.: WG-736-0247
Part 14 WASH:FLAT:0.401X1.280X0.157:HD
Article no.: WG-736-0247
Partie 14 RONDELLE 40 X 1.25X .157"
Numéro d'article: WG-736-0247
9,42 € Teil 14 SCHEIBE:FL:0.401x1.280x.157:HD Art.Nr.: WG-736-0247
Teil 15 FEDERRING:1/4" NORMALAUSF.
Art.Nr.: WG-736-0329
Part 15 WASH:LOCK:1/4:SPLT:REG
Article no.: WG-736-0329
Partie 15 RONDELLE GROWER
Numéro d'article: WG-736-0329
2,95 € ohne Abbildung
Teil 16 U-SCHEIBE:0.339x1.505x.149:HD
Art.Nr.: WG-736-0505
Part 16 WASH:FLAT:0.339X1.505X0.149:HD
Article no.: WG-736-0505
Partie 16 RONDELLE PL. .34x1.50x.150:HT
Numéro d'article: WG-736-0505
5,47 € ohne Abbildung
Teil 18 SCHULTERSCHR:.500x.145:5/16-24
Art.Nr.: WG-738-04439
Part 18 SCR:SHLDR:.500X.145:5/16-24
Article no.: WG-738-04439
Partie 18 VIS EPAULEE
Numéro d'article: WG-738-04439
4,56 € ohne Abbildung
Teil 19 MITNEHMERSCHEIBE
Art.Nr.: WG-748-04053A
Part 19 CAM PLATE
Article no.: WG-748-04053A
Partie 19 ADAPTATEUR DE POULIE
Numéro d'article: WG-748-04053A
35,50 €**ohne Abbildung
Teil 20 BUNDBUCHSE:.3175ID x.500 x.097
Art.Nr.: WG-748-04112B
Part 20 SPCR:SHLDR:.3175ID x.500 x.097
Article no.: WG-748-04112B
Partie 20 DOUILLE AVEC CEINTURE
Numéro d'article: WG-748-04112B
5,70 € ohne Abbildung
Teil 21 DISTANZHÜLSE:.875ID x 1.185 OD
Art.Nr.: WG-750-04303
Part 21 SPCR:.875 ID x 1.185 OD
Article no.: WG-750-04303
Partie 21 DOUILLE DE DISTANCE
Numéro d'article: WG-750-04303
13,96 € ohne Abbildung
Teil 22 DISTANZSTÜCK:.340 x.750x.330LG
Art.Nr.: WG-750-04477A
Part 22 SPCR:.340X.750X.330 LG
Article no.: WG-750-04477A
Partie 22 ENTRETOISE
Numéro d'article: WG-750-04477A
5,58 € ohne Abbildung
Teil 23 BUNDBUCHSE:.260 x .785 x .538
Art.Nr.: WG-750-04571
Part 23 SPCR:SHLDR:.260 x .785 x .538
Article no.: WG-750-04571
Partie 23 DOUILLE AVEC CEINTURE
Numéro d'article: WG-750-04571
6,26 € ohne Abbildung
Teil 24 KEILRIEMEN:.500 x 37.00 LG
Art.Nr.: WG-754-04195A
Part 24 BELT:.500 X 37.00 LG
Article no.: WG-754-04195A
Partie 24 COURROIE DE FRAISES
Numéro d'article: WG-754-04195A
37,08 €**Teil 24 KEILRIEMEN:.500 x 37.00 LG Art.Nr.: WG-754-04195A
Teil 25 KEILRIEMEN:V:3/8 x 35.68" LG
Art.Nr.: WG-754-04201A
Part 25 BELT:V TYP:3/8 X 35.68"
Article no.: WG-754-04201A
Partie 25 COURROIE D AVANCEMENT
Numéro d'article: WG-754-04201A
37,90 €**Teil 25 KEILRIEMEN:V:3/8 x 35.68
Teil 26 KEILRIEMENSCHEIBE:8.1x.50:BELT
Art.Nr.: WG-756-04109
Part 26 PUL:AUGR:8.1 x.5 BELT
Article no.: WG-756-04109
Partie 26 POULIE DE COUR. TRAP. 8.1x.50
Numéro d'article: WG-756-04109
43,44 €**ohne Abbildung
Teil 27 KEILRIEMENSCHEIBENHÄLFTE:
Art.Nr.: WG-756-04113
Dieses Produkt wird mir leider nicht mehr angeboten
Part 27 PUL:HALF:4L-V x 2.600 OD
Article no.: WG-756-04113
no longer available
Partie 27 POULIE DE COUR. TRAP. MOITIÜ
Numéro d'article: WG-756-04113
plus disponible
ohne Abbildung
Teil 28 KEILRIEMENSCHEIBENHÄLFTE
Art.Nr.: WG-756-04252
Part 28 PULLEY HALF
Article no.: WG-756-04252
Partie 28 POULIE DE COUR. TRAP. MOITIÜ
Numéro d'article: WG-756-04252
27,52 €**ohne Abbildung
Teil 29 HALTER:SPANNROLLE
Art.Nr.: WG-790-00208C
Part 29 BRKT:IDLR
Article no.: WG-790-00208C
Partie 29 SUPPORT DE POULIE
Numéro d'article: WG-790-00208C
20,94 €**ohne Abbildung
inkl. 19 % MwSt. Steuer-Info
zzgl. Versandkosten
Lieferzeit: 3-10 Werktage*
In den Warenkorb

Wenn Sie Hilfe zu einer Störung Ihres MTD Gerätes benötigen, nehmen Sie einfach Kontakt zu uns auf. Sie können gerne auch eine Nachricht per WhatsApp an 0152 560 383 53 senden. Wir helfen Ihnen gerne!

Alle aufgelisteten Ersatzteile sind original MTD Ersatzteile.

Alle Artikel aus der Kategorie Ersatzteile MTD Schneefräse ME 66 T Typ: 31AY74S3678 (2011)

Bitte beachten Sie, dass Elektro MTD Ersatzteile nur von Elektrofachkräften nach Vorgabe des Herstellers unter Berücksichtigung der gesetzlichen Vorschriften ersetzt werden dürfen.

Info zu GPSR: Stanley Black & Decker Deutschland GmbH Black-&-Decker-Strasse 40, 65510 Idstein support@blackanddecker.de

    Kategorien
    Ersatzteil-Fee

    Die Ersatzteilfee

    Das rege Interesse an dem Angebot in meinem Onlineshop hat mir gezeigt, dass die Zufriedenheit meiner Kunden sehr groß ist. Zahlreiche positive Kundenmeinungen bestätigen den gut sortierten Aufbau des Shops, die gute Beratung und den zügigen Versand. Mehr über mich...

    Wir helfen Ihnen gerne, das richtige Ersatzteil zu finden. Dazu können Sie uns auch gerne Anfragen oder Fotos vom Ersatzteil/Gerät auf das Handy 0152 560 383 53
    per WhatsApp senden. SMS Nachrichten können nicht empfangen werden!


    Info zur Mehrwertsteuer

    Lieferland wählen

    Wählen Sie das Lieferland aus, um die Preise inkl. MwSt. abhängig von der Lieferadresse angezeigt zu bekommen.



    Die im Shop angegebenen Preise sind in Euro inkl. der deutschen Mehrwertsteuer angegeben.
    Für Bestellungen aus einem anderen EU-Land muss die dort geltende Mehrwertsteuer berechnet werden. Wenn Sie im Warenkorb das Lieferland auswählen, wird Ihnen auch der korrekte Mehrwertsteuersatz zu Ihrem EU-Land angezeigt.