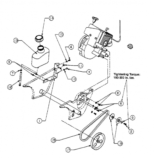
Ersatzteile MTD Schneefräse 150 Typ: 31A-150-678  (1998) Fräsantrieb
Für eine größere Ansicht klicken Sie auf das Vorschaubild

Ersatzteile MTD Schneefräse 150 Typ: 31A-150-678 (1998) Fräsantrieb

MTD
MTD Art.Nr.: E4-00915A-01
Hier können Sie Ersatzteile MTD Schneefräse 150 Typ: 31A-150-678 (1998) Fräsantrieb einfach online kaufen.

In der Skizze sind die Teile mit einer Zahl gekennzeichnet. Diese finden Sie in der Tabelle wieder und können so das Ersatzteil aus der Tabelle auswählen und online kaufen.


Ersatzteil
deutschenglishfrench
PreisBildkaufen
Teil 2 6KT-SCHR:5/16-24:.75 GR5 STD
Art.Nr.: WG-710-0157
Part 2 HHCS:5/16-24:.75:GR5:STD
Article no.: WG-710-0157
Partie 2 VIS HEX.:5/16-24:.75 GR5 STD
Numéro d'article: WG-710-0157
4,72 € Teil 2 6KT-SCHR:5/16-24:.75 GR5 STD Art.Nr.: WG-710-0157
Teil 4 SKT-SCHR.1/4-20X.50"
Art.Nr.: WG-710-0289
Part 4 HHCS:1/4-20:.50:GR2:STD
Article no.: WG-710-0289
Partie 4 VIS
Numéro d'article: WG-710-0289
9,62 € ohne Abbildung
Teil 5 SCHRAUBE:1/4-14:0,625:HXINDWSH
Art.Nr.: WG-710-0896
Part 5 SCR:AB:1/4-14:.625:HXINDWSH
Article no.: WG-710-0896
Partie 5 VIS HEX.:1/4-14:0,625
Numéro d'article: WG-710-0896
5,24 € Teil 5 SCHRAUBE:1/4-14:0,625:HXINDWSH Art.Nr.: WG-710-0896
Teil 6 6KT-SCHR:5/16-18:0.62:GR5:STD
Art.Nr.: WG-710-3025
Part 6 HHCS:5/16-18:0.62:GR5:STD
Article no.: WG-710-3025
Partie 6 VIS
Numéro d'article: WG-710-3025
2,68 € Teil 6 6KT-SCHR:5/16-18:0.62:GR5:STD Art.Nr.: WG-710-3025
Teil 7 SCHLAUCHKLEMME: 0.50 DIA
Art.Nr.: WG-726-0205
Part 7 CLAMP HOSE: 0.50
Article no.: WG-726-0205
Partie 7 COLLIER DE SERRAGE DE BOYAU
Numéro d'article: WG-726-0205
2,56 € Teil 7 SCHLAUCHKLEMME: 0.50 DIA Art.Nr.: WG-726-0205
Teil 8 FEDERRING:5/16" NORMALAUSF.
Art.Nr.: WG-736-0119
Part 8 WASHER:LOCK:5/16:SPLT:REG
Article no.: WG-736-0119
Partie 8 RONDELLE
Numéro d'article: WG-736-0119
3,09 € Teil 8 FEDERRING:5/16
Teil 9 TELLERFEDER:0.336X0.885X.060
Art.Nr.: WG-736-0242
Part 9 WASH:BLVL:0.336X0.885X0.060
Article no.: WG-736-0242
Partie 9 RONDELLE CONIQUE.340X.872X.060
Numéro d'article: WG-736-0242
3,74 € Teil 9 TELLERFEDER:0.336X0.885X.060 Art.Nr.: WG-736-0242
Teil 10 FEDERRING:1/4" NORMALAUSF.
Art.Nr.: WG-736-0329
Part 10 WASH:LOCK:1/4:SPLT:REG
Article no.: WG-736-0329
Partie 10 RONDELLE GROWER
Numéro d'article: WG-736-0329
2,95 € ohne Abbildung
Teil 11 PLASTIK-SCHNAPPLAGER:.385 ID
Art.Nr.: WG-741-0475
Part 11 BRG:FLG:SNAP .385 ID
Article no.: WG-741-0475
Partie 11 DOUILLE PLASTIQUE:.385 ID
Numéro d'article: WG-741-0475
4,79 € Teil 11 PLASTIK-SCHNAPPLAGER:.385 ID Art.Nr.: WG-741-0475
Teil 12 BENZINSCHLAUCH METERWARE
Art.Nr.: WG-751-10349-54
Part 12 FUEL LINE (METER LENGTHS ONLY)
Article no.: WG-751-10349-54
Partie 12 TUYAU D ESSENCE (PAR METRE)
Numéro d'article: WG-751-10349-54
26,78 €**Teil 12 BENZINSCHLAUCH  METERWARE Art.Nr.: WG-751-10349-54
Teil 14 TANKDECKEL
Art.Nr.: WG-751-0603B
Part 14 FUEL TANK CAP
Article no.: WG-751-0603B
Partie 14 BOUCHON DU RÜSERVOIR D ESSENCE
Numéro d'article: WG-751-0603B
8,99 € Teil 14 TANKDECKEL Art.Nr.: WG-751-0603B
Teil 15 KEILRIEMEN 1/2X35" LG.
Art.Nr.: WG-754-0101A
Part 15 BELT-V 1/2X35" LG.
Article no.: WG-754-0101A
Partie 15 COURROIE
Numéro d'article: WG-754-0101A
29,32 €**ohne Abbildung
Teil 16 KEILRIEMENSCHEIBE-HÄLFTE
Art.Nr.: WG-756-0416B
Part 16 V-PULLEY HALF
Article no.: WG-756-0416B
Partie 16 POULIE D. COUR. TRAP. MOITIE
Numéro d'article: WG-756-0416B
11,03 € ohne Abbildung
inkl. 19 % MwSt. Steuer-Info
zzgl. Versandkosten
Lieferzeit: 3-10 Werktage*
In den Warenkorb

Wenn Sie Hilfe zu einer Störung Ihres MTD Gerätes benötigen, nehmen Sie einfach Kontakt zu uns auf. Sie können gerne auch eine Nachricht per WhatsApp an 0152 560 383 53 senden. Wir helfen Ihnen gerne!

Alle aufgelisteten Ersatzteile sind original MTD Ersatzteile.

Alle Artikel aus der Kategorie Ersatzteile MTD Schneefräse 150 Typ: 31A-150-678 (1998)

Bitte beachten Sie, dass Elektro MTD Ersatzteile nur von Elektrofachkräften nach Vorgabe des Herstellers unter Berücksichtigung der gesetzlichen Vorschriften ersetzt werden dürfen.

Info zu GPSR: Stanley Black & Decker Deutschland GmbH Black-&-Decker-Strasse 40, 65510 Idstein support@blackanddecker.de

    Kategorien
    Ersatzteil-Fee

    Die Ersatzteilfee

    Das rege Interesse an dem Angebot in meinem Onlineshop hat mir gezeigt, dass die Zufriedenheit meiner Kunden sehr groß ist. Zahlreiche positive Kundenmeinungen bestätigen den gut sortierten Aufbau des Shops, die gute Beratung und den zügigen Versand. Mehr über mich...

    Wir helfen Ihnen gerne, das richtige Ersatzteil zu finden. Dazu können Sie uns auch gerne Anfragen oder Fotos vom Ersatzteil/Gerät auf das Handy 0152 560 383 53
    per WhatsApp senden. SMS Nachrichten können nicht empfangen werden!


    Info zur Mehrwertsteuer

    Lieferland wählen

    Wählen Sie das Lieferland aus, um die Preise inkl. MwSt. abhängig von der Lieferadresse angezeigt zu bekommen.



    Die im Shop angegebenen Preise sind in Euro inkl. der deutschen Mehrwertsteuer angegeben.
    Für Bestellungen aus einem anderen EU-Land muss die dort geltende Mehrwertsteuer berechnet werden. Wenn Sie im Warenkorb das Lieferland auswählen, wird Ihnen auch der korrekte Mehrwertsteuersatz zu Ihrem EU-Land angezeigt.