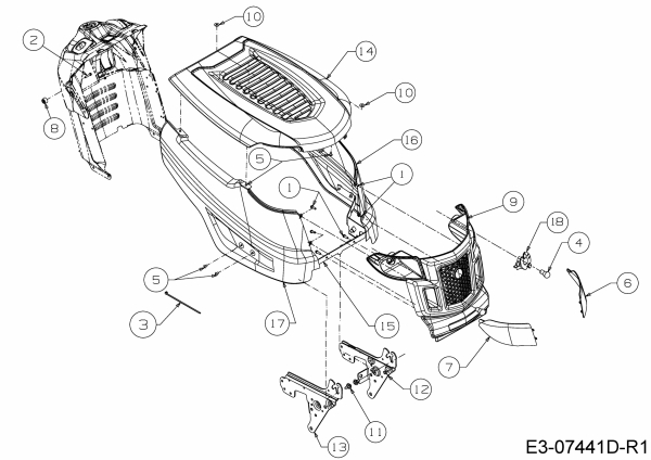
Ersatzteile MTD Rasentraktor Smart RG 145 Typ: 13HM76KG600  (2018) Motorhaube K-Style
Für eine größere Ansicht klicken Sie auf das Vorschaubild

Ersatzteile MTD Rasentraktor Smart RG 145 Typ: 13HM76KG600 (2018) Motorhaube K-Style

MTD
MTD Art.Nr.: E3-07441D-R1
Hier können Sie Ersatzteile MTD Rasentraktor Smart RG 145 Typ: 13HM76KG600 (2018) Motorhaube K-Style einfach online kaufen.

In der Skizze sind die Teile mit einer Zahl gekennzeichnet. Diese finden Sie in der Tabelle wieder und können so das Ersatzteil aus der Tabelle auswählen und online kaufen.


Ersatzteil
deutschenglishfrench
PreisBildkaufen
Teil 1 6KT-SCHRAUBE:BOS:M6.3x2.2:0.75
Art.Nr.: WG-710-05108
Part 1 SCR:BOS:M6.3x2.2:0.75:HXINDWSH
Article no.: WG-710-05108
Partie 1 VIS
Numéro d'article: WG-710-05108
5,47 € ohne Abbildung
Teil 2 6KT-SCHRAUBE:BUND:#12-16:1.13
Art.Nr.: WG-710-05281
Part 2 SCR:HL:#12-16:1.13:HXINDWSH
Article no.: WG-710-05281
Partie 2 VIS
Numéro d'article: WG-710-05281
5,70 € ohne Abbildung
Teil 3 KABELBINDER:.05X.18X7.56:50LB
Art.Nr.: WG-725-0157
Part 3 TIE:CBL:0.05X0.18X7.56:50LB
Article no.: WG-725-0157
Partie 3 COLLIER DE SERRAGE3/16X0.5X7.4
Numéro d'article: WG-725-0157
2,68 € ohne Abbildung
Teil 4 GLÜHLAMPE:12V 21W #1156
Art.Nr.: WG-725-0963
Part 4 LAMP:#1156
Article no.: WG-725-0963
Partie 4 AMPOULE ELECTRIQUE
Numéro d'article: WG-725-0963
7,70 € Teil 4 GLÜHLAMPE:12V 21W #1156 Art.Nr.: WG-725-0963
Teil 5 POPNIET:1/4:#84:GR30:DOME
Art.Nr.: WG-728-04063
Part 5 RIV:POP:1/4:#84:GR30:DOME
Article no.: WG-728-04063
Partie 5 RIVET
Numéro d'article: WG-728-04063
3,36 € ohne Abbildung
Teil 6 LAMPENGLAS:LINKS:TROY-B:K-ST
Art.Nr.: WG-731-06095
Part 6 LENS:LH TROY-BILT
Article no.: WG-731-06095
Partie 6 OPTIQUE GAUCHE
Numéro d'article: WG-731-06095
16,31 € ohne Abbildung
Teil 7 LAMPENGLAS:RECHTS:TROY-B:K-ST
Art.Nr.: WG-731-06096
Part 7 LENS:RH TROY-BILT
Article no.: WG-731-06096
Partie 7 OPTIQUE DROITE
Numéro d'article: WG-731-06096
16,31 € ohne Abbildung
Teil 8 STOSSFÄNGER ( GUMMIPUFFER )
Art.Nr.: WG-731-06404
Part 8 BMPR:DASH K-STYLE
Article no.: WG-731-06404
Partie 8 SILENBLOCK:CAPOT STYLE-K
Numéro d'article: WG-731-06404
9,05 € ohne Abbildung
Teil 9 FRONTGRILL:K-STYLE
Art.Nr.: WG-731-06796A
Part 9 GRILL:K-STYLE
Article no.: WG-731-06796A
Partie 9 CALANDRE STYLE K
Numéro d'article: WG-731-06796A
94,77 €**ohne Abbildung
Teil 10 U-SCHEIBE:0.276 x0.749 x0.063
Art.Nr.: WG-736-0173
Part 10 WASH:FLAT:0.276x0.749x0.063
Article no.: WG-736-0173
Partie 10 RONDELLE 281DX 74ODX.063
Numéro d'article: WG-736-0173
2,68 € ohne Abbildung
Teil 11 SHLDR-SCHR:.43x.29:TT:5/16-18
Art.Nr.: WG-738-04091A
Part 11 SCR:SHLDR:.43 x.29:TT:5/16-18
Article no.: WG-738-04091A
Partie 11 VIS EPAULEE
Numéro d'article: WG-738-04091A
4,72 € ohne Abbildung
Teil 13 SCHARNIERBÜGEL:RECHTS HAUBE
Art.Nr.: WG-783-05418637
Part 13 BRKT:SUPT:PIVOT RH
Article no.: WG-783-05418637
Partie 13 ÉTRIER DE CHARN.:À DR. CAPOT
Numéro d'article: WG-783-05418637
37,08 €**ohne Abbildung
Teil 14 MOTORHAUBE:K-STYLE
Art.Nr.: WG-783-06302638
Part 14 HOOD:TROY BILT:EURO
Article no.: WG-783-06302638
Partie 14 CAPOT:K-STYLE
Numéro d'article: WG-783-06302638
129,68 €**ohne Abbildung
Teil 15 FRONTBLECH:MOTORHAUBE K-STYLE
Art.Nr.: WG-783-06328A-S
Part 15 BRKT:PIVOT:HOOD K-STYLE EXPORT
Article no.: WG-783-06328A-S
Partie 15 SUPPORT
Numéro d'article: WG-783-06328A-S
28,66 €**ohne Abbildung
Teil 16 SEITENTEIL LINKS
Art.Nr.: WG-783-09254638
Part 16 SIDE FRAME L.H.
Article no.: WG-783-09254638
Partie 16 FLAN CAPOT DROIT
Numéro d'article: WG-783-09254638
93,55 €**ohne Abbildung
Teil 17 SEITENTEIL RECHTS
Art.Nr.: WG-783-09255638
Part 17 PANEL SIDE RH
Article no.: WG-783-09255638
Partie 17 FLAN CAPOT
Numéro d'article: WG-783-09255638
91,73 €**ohne Abbildung
Teil 18 LAMPEN-FASSUNG: 1/4 DREHUNG
Art.Nr.: WG-725-1649A
Part 18 SOC:LAM: 1/4 TURN
Article no.: WG-725-1649A
Partie 18 DOUILLE DE LAMPE: 1/4 ROTATION
Numéro d'article: WG-725-1649A
7,33 €
inkl. 19 % MwSt. Steuer-Info
zzgl. Versandkosten
Lieferzeit: 3-10 Werktage*
In den Warenkorb

Wenn Sie Hilfe zu einer Störung Ihres MTD Gerätes benötigen, nehmen Sie einfach Kontakt zu uns auf. Sie können gerne auch eine Nachricht per WhatsApp an 0152 560 383 53 senden. Wir helfen Ihnen gerne!

Alle aufgelisteten Ersatzteile sind original MTD Ersatzteile.

Alle Artikel aus der Kategorie Ersatzteile MTD Rasentraktor Smart RG 145 Typ: 13HM76KG600 (2018)

Bitte beachten Sie, dass Elektro MTD Ersatzteile nur von Elektrofachkräften nach Vorgabe des Herstellers unter Berücksichtigung der gesetzlichen Vorschriften ersetzt werden dürfen.

Info zu GPSR: Stanley Black & Decker Deutschland GmbH Black-&-Decker-Strasse 40, 65510 Idstein support@blackanddecker.de

    Kategorien
    Ersatzteil-Fee

    Die Ersatzteilfee

    Das rege Interesse an dem Angebot in meinem Onlineshop hat mir gezeigt, dass die Zufriedenheit meiner Kunden sehr groß ist. Zahlreiche positive Kundenmeinungen bestätigen den gut sortierten Aufbau des Shops, die gute Beratung und den zügigen Versand. Mehr über mich...

    Wir helfen Ihnen gerne, das richtige Ersatzteil zu finden. Dazu können Sie uns auch gerne Anfragen oder Fotos vom Ersatzteil/Gerät auf das Handy 0152 560 383 53
    per WhatsApp senden. SMS Nachrichten können nicht empfangen werden!


    Info zur Mehrwertsteuer

    Lieferland wählen

    Wählen Sie das Lieferland aus, um die Preise inkl. MwSt. abhängig von der Lieferadresse angezeigt zu bekommen.



    Die im Shop angegebenen Preise sind in Euro inkl. der deutschen Mehrwertsteuer angegeben.
    Für Bestellungen aus einem anderen EU-Land muss die dort geltende Mehrwertsteuer berechnet werden. Wenn Sie im Warenkorb das Lieferland auswählen, wird Ihnen auch der korrekte Mehrwertsteuersatz zu Ihrem EU-Land angezeigt.