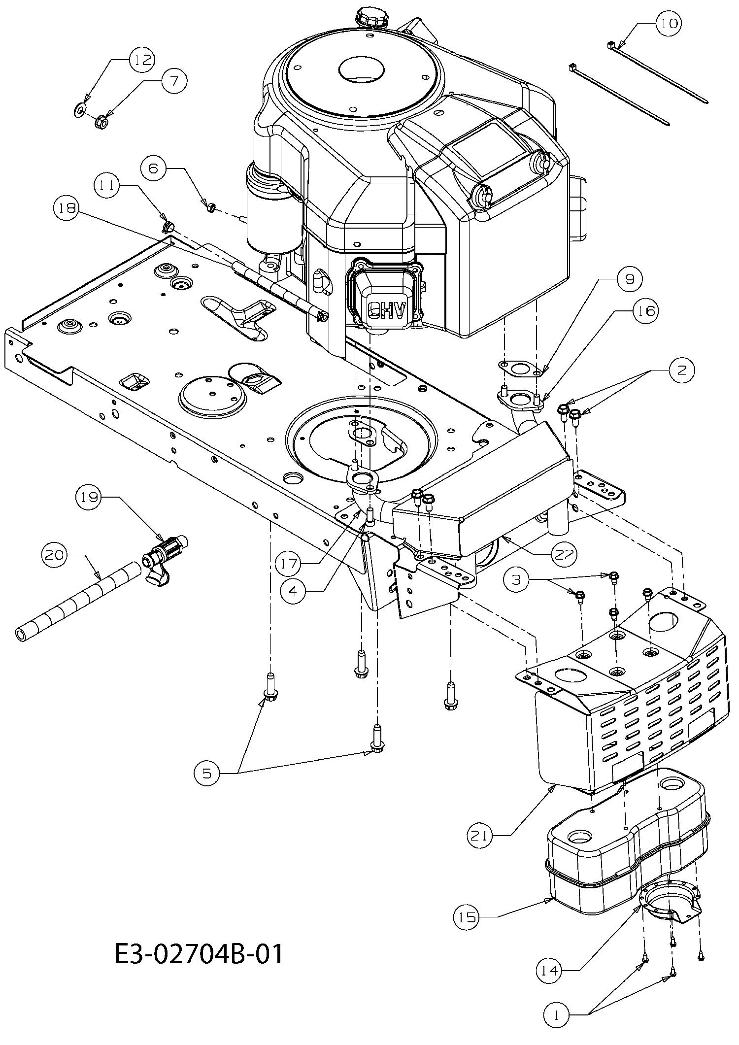
Ersatzteile MTD Rasentraktor RS 220/107 Typ: 13A4762G600  (2007) Motorzubehör
Für eine größere Ansicht klicken Sie auf das Vorschaubild

Ersatzteile MTD Rasentraktor RS 220/107 Typ: 13A4762G600 (2007) Motorzubehör


Ersatzteil
deutschenglishfrench
PreisBildkaufen
Teil 1 6KT-BLECHSCHR:AB:#8-18:0.50
Art.Nr.: WG-710-0227
Part 1 SCR:AB:#8-18:0.50:HXINDWH
Article no.: WG-710-0227
Partie 1 VIS
Numéro d'article: WG-710-0227
2,68 € Teil 1 6KT-BLECHSCHR:AB:#8-18:0.50 Art.Nr.: WG-710-0227
Teil 2 6KT-SCHRAUBE:TT:1/4-20:0.500
Art.Nr.: WG-710-0599
Part 2 SCREW:TT:1/4-20:0.500:HXINDWSH
Article no.: WG-710-0599
Partie 2 VIS A SIX PANS CREUX
Numéro d'article: WG-710-0599
4,58 € Teil 2 6KT-SCHRAUBE:TT:1/4-20:0.500 Art.Nr.: WG-710-0599
Teil 3 6KT-SCHR:AB:5/16-12:0.750
Art.Nr.: WG-710-0726
Part 3 SCR:AB:5/16-12:0.750:HXINDWSH
Article no.: WG-710-0726
Partie 3 VIS 5/16-12:0.750:HXINDWS
Numéro d'article: WG-710-0726
3,09 € Teil 3 6KT-SCHR:AB:5/16-12:0.750 Art.Nr.: WG-710-0726
Teil 4 INNEN-6KT-SCHR:5/16-18:.75:GR8
Art.Nr.: WG-710-1314A
Part 4 SCR:SOC HD:5/16-18:.750 GR8
Article no.: WG-710-1314A
Partie 4 VIS HEX. INT. 5/16-18:.75:GR8
Numéro d'article: WG-710-1314A
2,95 € Teil 4 INNEN-6KT-SCHR:5/16-18:.75:GR8 Art.Nr.: WG-710-1314A
Teil 5 6KT-SCHRAUBE:TT:3/8-16:1.25
Art.Nr.: WG-710-1315
Part 5 SCR:TT:3/8-16:1.25:HXINDWSH
Article no.: WG-710-1315
Partie 5 VIS HEX.TT:3/8-16:1.25:HXIN:S
Numéro d'article: WG-710-1315
6,10 € Teil 5 6KT-SCHRAUBE:TT:3/8-16:1.25 Art.Nr.: WG-710-1315
Teil 6 6KT-MUTTER 1/4-20"+ZAHNSCHEIBE
Art.Nr.: WG-712-0271
Part 6 NUT:HEXKEPS:1/4-20:GR5
Article no.: WG-712-0271
Partie 6 ECROU 1/4-20"+ DISQUE DENTE
Numéro d'article: WG-712-0271
2,68 € ohne Abbildung
Teil 7 6KT-S-BUNDMUTTER:3/8-16:GR5
Art.Nr.: WG-712-3005
Part 7 NUT:HEXFLGLK:3/8-16:GR5:SERR
Article no.: WG-712-3005
Partie 7 ECROU AVEC FLANC:3/8-16:GR5
Numéro d'article: WG-712-3005
2,95 € ohne Abbildung
Teil 9 AUSPUFFDICHTUNG INTEK TWIN
Art.Nr.: WG-721-0460
Part 9 GSKT:EXH:INTEK TWIN
Article no.: WG-721-0460
Partie 9 JOINT D ECHAPPEMT. INTEK TWIN
Numéro d'article: WG-721-0460
6,26 € Teil 9 AUSPUFFDICHTUNG INTEK TWIN Art.Nr.: WG-721-0460
Teil 10 KABELBINDER:.05X.18X7.56:50LB
Art.Nr.: WG-725-0157
Part 10 TIE:CBL:0.05X0.18X7.56:50LB
Article no.: WG-725-0157
Partie 10 COLLIER DE SERRAGE3/16X0.5X7.4
Numéro d'article: WG-725-0157
2,68 € ohne Abbildung
Teil 11 SCHLAUCHKLEMME: 0.50 DIA
Art.Nr.: WG-726-0205
Part 11 CLAMP HOSE: 0.50
Article no.: WG-726-0205
Partie 11 COLLIER DE SERRAGE DE BOYAU
Numéro d'article: WG-726-0205
2,56 € Teil 11 SCHLAUCHKLEMME: 0.50 DIA Art.Nr.: WG-726-0205
Teil 12 U-SCHEIBE:0.396 x0.885 x0.060
Art.Nr.: WG-736-0300
Part 12 WASH:FLAT:0.396X0.885X0.060
Article no.: WG-736-0300
Partie 12 RONDELLE
Numéro d'article: WG-736-0300
2,56 € Teil 12 U-SCHEIBE:0.396 x0.885 x0.060 Art.Nr.: WG-736-0300
Teil 14 LUFTLEITBLECH:DFL:AUSPUFF
Art.Nr.: WG-751-0564B
Part 14 DEFLECTOR:MUFFLER
Article no.: WG-751-0564B
Partie 14 DEFLECTEUR ECHAPPEMENT
Numéro d'article: WG-751-0564B
12,85 € ohne Abbildung
Teil 15 AUSPUFFTOPF:DUAL INLET
Art.Nr.: WG-751-0616A
Part 15 SILENCER:DUAL INLET
Article no.: WG-751-0616A
Partie 15 POT D ÜCHAPPEMENT
Numéro d'article: WG-751-0616A
124,98 €**ohne Abbildung
Teil 19 OELABLAßSTUTZEN
Art.Nr.: WG-751-3140
Part 19 DRAIN:OIL
Article no.: WG-751-3140
Partie 19 EMBOUT DE VIDANGE
Numéro d'article: WG-751-3140
22,18 € ohne Abbildung
Teil 21 VERSCHLUSSKAPPE:ÖLABLASS
Art.Nr.: WG-751-3142
Part 21 CAP:DRAIN:OIL
Article no.: WG-751-3142
Partie 21 BOUCHON VIDANGE
Numéro d'article: WG-751-3142
17,12 € ohne Abbildung
Teil 22 HITZESCHUTZ FÜR AUSPUFF
Art.Nr.: WG-783-0615D637
Part 22 BRKT:MFLR
Article no.: WG-783-0615D637
Partie 22 HITZESCHUTZ FÜR AUSPUFF
Numéro d'article: WG-783-0615D637
45,46 €**ohne Abbildung
Teil 23 HITZESCHUTZSCHILD TWIN MOTOREN
Art.Nr.: WG-783-0625C
Part 23 SHLD:HEAT:TWIN
Article no.: WG-783-0625C
Partie 23 PROTECTION
Numéro d'article: WG-783-0625C
33,49 €**ohne Abbildung
inkl. 19 % MwSt. Steuer-Info
zzgl. Versandkosten
Lieferzeit: 3-10 Werktage*
In den Warenkorb

Wenn Sie Hilfe zu einer Störung Ihres MTD Gerätes benötigen, nehmen Sie einfach Kontakt zu uns auf. Sie können gerne auch eine Nachricht per WhatsApp an 0152 560 383 53 senden. Wir helfen Ihnen gerne!

Alle aufgelisteten Ersatzteile sind original MTD Ersatzteile.

Alle Artikel aus der Kategorie Ersatzteile MTD Rasentraktor RS 220/107 Typ: 13A4762G600 (2007)

Bitte beachten Sie, dass Elektro MTD Ersatzteile nur von Elektrofachkräften nach Vorgabe des Herstellers unter Berücksichtigung der gesetzlichen Vorschriften ersetzt werden dürfen.

Info zu GPSR: Stanley Black & Decker Deutschland GmbH Black-&-Decker-Strasse 40, 65510 Idstein support@blackanddecker.de

    Kategorien
    Ersatzteil-Fee

    Die Ersatzteilfee

    Das rege Interesse an dem Angebot in meinem Onlineshop hat mir gezeigt, dass die Zufriedenheit meiner Kunden sehr groß ist. Zahlreiche positive Kundenmeinungen bestätigen den gut sortierten Aufbau des Shops, die gute Beratung und den zügigen Versand. Mehr über mich...

    Wir helfen Ihnen gerne, das richtige Ersatzteil zu finden. Dazu können Sie uns auch gerne Anfragen oder Fotos vom Ersatzteil/Gerät auf das Handy 0152 560 383 53
    per WhatsApp senden. SMS Nachrichten können nicht empfangen werden!


    Info zur Mehrwertsteuer

    Lieferland wählen

    Wählen Sie das Lieferland aus, um die Preise inkl. MwSt. abhängig von der Lieferadresse angezeigt zu bekommen.



    Die im Shop angegebenen Preise sind in Euro inkl. der deutschen Mehrwertsteuer angegeben.
    Für Bestellungen aus einem anderen EU-Land muss die dort geltende Mehrwertsteuer berechnet werden. Wenn Sie im Warenkorb das Lieferland auswählen, wird Ihnen auch der korrekte Mehrwertsteuersatz zu Ihrem EU-Land angezeigt.