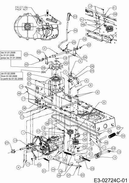
Ersatzteile MTD Rasentraktor P 155 HF Typ: 13AM793F478  (2008) Fahrantrieb
Für eine größere Ansicht klicken Sie auf das Vorschaubild

Ersatzteile MTD Rasentraktor P 155 HF Typ: 13AM793F478 (2008) Fahrantrieb

MTD
MTD Art.Nr.: E3-02724C-01
Hier können Sie Ersatzteile MTD Rasentraktor P 155 HF Typ: 13AM793F478 (2008) Fahrantrieb einfach online kaufen.

In der Skizze sind die Teile mit einer Zahl gekennzeichnet. Diese finden Sie in der Tabelle wieder und können so das Ersatzteil aus der Tabelle auswählen und online kaufen.


Ersatzteil
deutschenglishfrench
PreisBildkaufen
Teil 1 GETRIEBE KPLT.:LT-5:SD:HYDRO
Art.Nr.: WG-618-04198
Part 1 TRANS ASM:HYDRO:0510:LT-5
Article no.: WG-618-04198
Partie 1 PONT HYDRO CONTACTER MTD
Numéro d'article: WG-618-04198
1.215,84 €**ohne Abbildung
Teil 4 6KT-SCHR:5/16-18:2.75:GR5:STD
Art.Nr.: WG-710-0176
Part 4 HHCS:5/16-18:2.75:GR5:STD
Article no.: WG-710-0176
Partie 4 VIS HEX.:5/16-18:2.75:GR5:STD
Numéro d'article: WG-710-0176
5,70 € ohne Abbildung
Teil 5 6KT-BLECHSCHR:AB:#8-18:0.50
Art.Nr.: WG-710-0227
Part 5 SCR:AB:#8-18:0.50:HXINDWH
Article no.: WG-710-0227
Partie 5 VIS
Numéro d'article: WG-710-0227
2,68 € Teil 5 6KT-BLECHSCHR:AB:#8-18:0.50 Art.Nr.: WG-710-0227
Teil 6 6KT-SCHR:3/8-16:1.75:GR5:STD
Art.Nr.: WG-710-0347
Part 6 HHCS:3/8-16:1.75:GR5:STD
Article no.: WG-710-0347
Partie 6 VIS HEX. 3/8-16:1.75:GR5:STD
Numéro d'article: WG-710-0347
3,88 € Teil 6 6KT-SCHR:3/8-16:1.75:GR5:STD Art.Nr.: WG-710-0347
Teil 7 KREUZSCHLITZ-SCHR:#10-16:0.500
Art.Nr.: WG-710-0351
Part 7 SCR:B:#10-16:0.5":PANPHI
Article no.: WG-710-0351
Partie 7 VIS
Numéro d'article: WG-710-0351
3,38 € Teil 7 KREUZSCHLITZ-SCHR:#10-16:0.500 Art.Nr.: WG-710-0351
Teil 8 6KT-SCHRAUBE:TT:5/16-9:0.75
Art.Nr.: WG-710-04484
Part 8 SCR:TT:5/16-9:0.75:HXINDWSH
Article no.: WG-710-04484
Partie 8 VIS HEX. TT:5/16-18:.750:HXIND
Numéro d'article: WG-710-04484
6,10 € Teil 8 6KT-SCHRAUBE:TT:5/16-9:0.75 Art.Nr.: WG-710-04484
Teil 9 6KT-SCHR:3/8-16:1.00:GR5:STD
Art.Nr.: WG-710-0514
Part 9 HHCS:3/8-16:1.00:GR5:STD
Article no.: WG-710-0514
Partie 9 VIS HEX.:3/8-16:1.00:GR5:STD
Numéro d'article: WG-710-0514
3,88 € Teil 9 6KT-SCHR:3/8-16:1.00:GR5:STD Art.Nr.: WG-710-0514
Teil 10 6KT-SCHRAUBE:TT:5/16-18:0.63
Art.Nr.: WG-710-0604A
Part 10 SCR:TT:5/16-18:0.63:HXINDWSH
Article no.: WG-710-0604A
Partie 10 VIS 5/16-18:0.625
Numéro d'article: WG-710-0604A
3,74 € ohne Abbildung
Teil 11 6KT-SCHRAUBE:TT:1/4-20:1.25
Art.Nr.: WG-710-0809
Part 11 SCR:TT:1/4-20:1.25:HXINDWSH
Article no.: WG-710-0809
Partie 11 VIS HEX. TT:1/4-20:1.250:HXIND
Numéro d'article: WG-710-0809
3,21 € ohne Abbildung
Teil 12 6KT-SCHRAUBE:TT:1/4-20:1.63
Art.Nr.: WG-710-1325
Part 12 SCR:TT:1/4-20:1.63:HXINDWSH
Article no.: WG-710-1325
Partie 12 VIS HEXAGONALE
Numéro d'article: WG-710-1325
3,74 € ohne Abbildung
Teil 13 6KT-SCHR:5/16-18:0.75 GR5:STD
Art.Nr.: WG-710-3008
Part 13 HHCS:5/16-18:0.75:GR5:STD
Article no.: WG-710-3008
Partie 13 VIS 5/16-18:.75:GR5:STD
Numéro d'article: WG-710-3008
2,68 € ohne Abbildung
Teil 15 SPINDELMUTTER:5/16-24x.312 DIA
Art.Nr.: WG-711-04448
Part 15 FRL:5/16-24 x .312 DIA
Article no.: WG-711-04448
Partie 15 FERRURE
Numéro d'article: WG-711-04448
5,02 € ohne Abbildung
Teil 16 S-MUTTER:JAMLK:1/2-20:GRN2:NYL
Art.Nr.: WG-712-0346
Part 16 NUT:JAMLK:1/2-20:GRN2:NYL
Article no.: WG-712-0346
Partie 16 ECROU HEX. 1/2-20:GR5:NYLON
Numéro d'article: WG-712-0346
4,31 € ohne Abbildung
Teil 17 6KT-S-BUNDMUTTER:5/16-18:GRN5
Art.Nr.: WG-712-04063
Part 17 NUT:HEXFLGLK:5/16-18:GRN5:NYL
Article no.: WG-712-04063
Partie 17 ECROU HEX. AVEC FLANC
Numéro d'article: WG-712-04063
4,31 € Teil 17 6KT-S-BUNDMUTTER:5/16-18:GRN5 Art.Nr.: WG-712-04063
Teil 18 6KT-S-BUNDMUTTER 3/8-16:GRN5
Art.Nr.: WG-712-04065
Part 18 NUT:HEXFLGLK:3/8-16:GRN5:NYLON
Article no.: WG-712-04065
Partie 18 ECROU HEXAGONAL
Numéro d'article: WG-712-04065
4,19 € Teil 18 6KT-S-BUNDMUTTER 3/8-16:GRN5 Art.Nr.: WG-712-04065
Teil 19 FEDERSTECKER:.072DIA x 1.13 LG
Art.Nr.: WG-714-0104
Part 19 PIN:COT:.072 DIA x 1.13 LG
Article no.: WG-714-0104
Partie 19 GOUPILLE
Numéro d'article: WG-714-0104
2,42 € Teil 19 FEDERSTECKER:.072DIA x 1.13 LG Art.Nr.: WG-714-0104
Teil 20 SPLINT:3/32 x 1.0"
Art.Nr.: WG-714-0111
Part 20 COTTER PIN 3/32 DIA X 1.00
Article no.: WG-714-0111
Partie 20 GOUPILLE FENDUE 3/32:1.0"
Numéro d'article: WG-714-0111
2,95 € ohne Abbildung
Teil 22 SICHERUNGSSCHEIBE:0.62:E-62
Art.Nr.: WG-716-0106A
Part 22 RING:RET:EXT:0.62:E-62
Article no.: WG-716-0106A
Partie 22 CIRCLIPS
Numéro d'article: WG-716-0106A
3,09 € Teil 22 SICHERUNGSSCHEIBE:0.62:E-62 Art.Nr.: WG-716-0106A
Teil 23 HANDGRIFF:1/2
Art.Nr.: WG-720-0311
Part 23 GRIP-HANDLE:1/2
Article no.: WG-720-0311
Partie 23 POIGNÜE LEVIER COUPE : 1/2
Numéro d'article: WG-720-0311
15,42 € Teil 23 HANDGRIFF:1/2 Art.Nr.: WG-720-0311
Teil 24 FEDERSCHALTER:HYDRO
Art.Nr.: WG-725-04249
Part 24 SW:SPR:HYDRO
Article no.: WG-725-04249
Partie 24 INTERRUPTEUR ¡ RESSORT
Numéro d'article: WG-725-04249
6,71 € ohne Abbildung
Teil 25 AUFDRUCKKAPPE:.625 DIA
Art.Nr.: WG-726-0214
Part 25 CAP:PUSH 5/8
Article no.: WG-726-0214
Partie 25 BOUCHON
Numéro d'article: WG-726-0214
5,58 € Teil 25 AUFDRUCKKAPPE:.625 DIA Art.Nr.: WG-726-0214
Teil 26 ISOLIERPLATTE
Art.Nr.: WG-726-0320
Part 26 INSULATING PLATE
Article no.: WG-726-0320
Partie 26 PLAQUE D ISOLATION
Numéro d'article: WG-726-0320
2,56 € ohne Abbildung
Teil 27 HÜLSE:.765 ID x 1.500 LG
Art.Nr.: WG-731-05299
Part 27 SLV:.765 ID x 1.500 LG
Article no.: WG-731-05299
Partie 27 BAGUE
Numéro d'article: WG-731-05299
9,72 € ohne Abbildung
Teil 28 LÜFTERFLÜGEL:MESSER:10
Art.Nr.: WG-731-1449A
Part 28 FAN:BLADE:10
Article no.: WG-731-1449A
Partie 28 HELICE DE REFROIDISSEMENT
Numéro d'article: WG-731-1449A
24,79 € ohne Abbildung
Teil 28A LÜFTERRAD:HYDRO:LEICHT
Art.Nr.: WG-731-06098
Part 28A FAN:HYDRO:LT
Article no.: WG-731-06098
Partie 28A HELICE DE REFROIDISSEMENT
Numéro d'article: WG-731-06098
20,71 € Teil 28A LÜFTERRAD:HYDRO:LEICHT Art.Nr.: WG-731-06098
Teil 29 SCHENKELFEDER
Art.Nr.: WG-732-04225
Part 29 SPRING-EXTENSION
Article no.: WG-732-04225
Partie 29 RESSORT
Numéro d'article: WG-732-04225
8,88 € ohne Abbildung
Teil 30 ZUGFEDER:.75 DIA x 6.02
Art.Nr.: WG-732-04229
Part 30 SPR:EXT:.75 DIA x 6.02
Article no.: WG-732-04229
Partie 30 RESSORT
Numéro d'article: WG-732-04229
15,71 € ohne Abbildung
Teil 31 ZUGFEDER: .59 OD x 4.00 LG
Art.Nr.: WG-732-0716D
Part 31 SPR:EXTN:.59 OD x 4.00 LG
Article no.: WG-732-0716D
Partie 31 RESSORT
Numéro d'article: WG-732-0716D
11,75 € Teil 31 ZUGFEDER: .59 OD x 4.00 LG Art.Nr.: WG-732-0716D
Teil 32 SICHERUNGSRING:FEDERSTAHL
Art.Nr.: WG-732-0729
Part 32 CIRCLIP
Article no.: WG-732-0729
Partie 32 CIRCLIP
Numéro d'article: WG-732-0729
3,03 € ohne Abbildung
Teil 33 ZUGFEDER: .50 DIA x 6.37 LG
Art.Nr.: WG-732-0963
Part 33 SPRING:EXTN: .50 DIA x 6.37 LG
Article no.: WG-732-0963
Partie 33 RESSORT
Numéro d'article: WG-732-0963
10,61 € Teil 33 ZUGFEDER: .50 DIA x 6.37 LG Art.Nr.: WG-732-0963
Teil 34 PEDALGUMMI:RUND:GERILLT:4.0 LG
Art.Nr.: WG-735-0239A
Part 34 PAD:FOOT:4.0 LONG
Article no.: WG-735-0239A
Partie 34 CAOUTCHOUC/PEDALE 4;0 LG
Numéro d'article: WG-735-0239A
8,02 € Teil 34 PEDALGUMMI:RUND:GERILLT:4.0 LG Art.Nr.: WG-735-0239A
Teil 35 SPERRSCHEIBE:GETRIEBE HYDRO
Art.Nr.: WG-736-04263
Part 35 WASHER:LOCK:TRANS HYDRO
Article no.: WG-736-04263
Partie 35 RONDELLE
Numéro d'article: WG-736-04263
5,12 € ohne Abbildung
Teil 36 ZAHNSCHEIBE:5/16" EXT
Art.Nr.: WG-736-0607
Part 36 WASH:LOCK:5/16 EXT
Article no.: WG-736-0607
Partie 36 RONDELLE
Numéro d'article: WG-736-0607
2,68 € ohne Abbildung
Teil 37 U-SCHEIBE:0.334x0.760x0.120
Art.Nr.: WG-736-3008
Part 37 WASH:FLAT:0.334 X0.760 X 0.120
Article no.: WG-736-3008
Partie 37 RONDELLE
Numéro d'article: WG-736-3008
2,95 € Teil 37 U-SCHEIBE:0.334x0.760x0.120 Art.Nr.: WG-736-3008
Teil 38 SCHEIBE:FL:0.402x0.822x.135:HD
Art.Nr.: WG-736-3010
Part 38 WASH:FL:0.402X0.822X0.135:HD
Article no.: WG-736-3010
Partie 38 RONDELLE
Numéro d'article: WG-736-3010
3,09 € ohne Abbildung
Teil 40 BUNDSCHEIBE:0.381x0.625x0.169
Art.Nr.: WG-738-0347
Part 40 SPCR:SHLDR:0.381X0.625X0.169
Article no.: WG-738-0347
Partie 40 RONDELLE ¡ EMB. .625IDx.169
Numéro d'article: WG-738-0347
4,58 € Teil 40 BUNDSCHEIBE:0.381x0.625x0.169 Art.Nr.: WG-738-0347
Teil 42 SECHSKANT-FLANSCHLAGER
Art.Nr.: WG-741-0225
Part 42 HEX FLANGE BEARING
Article no.: WG-741-0225
Partie 42 BAGUE HEXAGONALE TEFLON 6 PANS
Numéro d'article: WG-741-0225
4,41 € Teil 42 SECHSKANT-FLANSCHLAGER Art.Nr.: WG-741-0225
Teil 45 KONTROLLHEBEL HYDRO LT-5
Art.Nr.: WG-747-04296
Part 45 HNDL:CONT:HYDRO
Article no.: WG-747-04296
Partie 45 LEVIER INVERSEUR
Numéro d'article: WG-747-04296
26,75 €**ohne Abbildung
Teil 47 STANGE:CONTROL:HYDRO
Art.Nr.: WG-747-04407A
Part 47 ROD:CONT:HYDRO
Article no.: WG-747-04407A
Partie 47 TRINGLE
Numéro d'article: WG-747-04407A
16,42 € ohne Abbildung
Teil 48 DISTANZSTÜCK:0.255x0.376x1.030
Art.Nr.: WG-750-0566A
Part 48 SPCR:0.255 X 0.376 X 1.030 LG
Article no.: WG-750-0566A
Partie 48 ENTRETOISE
Numéro d'article: WG-750-0566A
8,23 € Teil 48 DISTANZSTÜCK:0.255x0.376x1.030 Art.Nr.: WG-750-0566A
Teil 49 DISTANZROHR:0.630x0.770x2.630
Art.Nr.: WG-750-0802
Part 49 SPCR:0.630 X 0.770 X 2.630
Article no.: WG-750-0802
Partie 49 ENTRETOISE / .640IDX.760DX2.63
Numéro d'article: WG-750-0802
2,56 € ohne Abbildung
Teil 50 KEILRIEMEN V TYPE 4L SECx78.2"
Art.Nr.: WG-754-04074A
Part 50 BELT:V TYP:4L SEC x 78,2 LG
Article no.: WG-754-04074A
Partie 50 COURROIE HYDRO
Numéro d'article: WG-754-04074A
45,88 €**Teil 50 KEILRIEMEN V TYPE 4L SECx78.2
Teil 51 SPANNROLLE:FLACH: 2.75 OD
Art.Nr.: WG-756-04224
Part 51 PUL:IDLR:FLAT 2.75 OD
Article no.: WG-756-04224
Partie 51 POULIE TENDEUR
Numéro d'article: WG-756-04224
29,43 €**Teil 51 SPANNROLLE:FLACH: 2.75 OD Art.Nr.: WG-756-04224
inkl. 19 % MwSt. Steuer-Info
zzgl. Versandkosten
Lieferzeit: 3-10 Werktage*
In den Warenkorb

Wenn Sie Hilfe zu einer Störung Ihres MTD Gerätes benötigen, nehmen Sie einfach Kontakt zu uns auf. Sie können gerne auch eine Nachricht per WhatsApp an 0152 560 383 53 senden. Wir helfen Ihnen gerne!

Alle aufgelisteten Ersatzteile sind original MTD Ersatzteile.

Alle Artikel aus der Kategorie Ersatzteile MTD Rasentraktor P 155 HF Typ: 13AM793F478 (2008)

Bitte beachten Sie, dass Elektro MTD Ersatzteile nur von Elektrofachkräften nach Vorgabe des Herstellers unter Berücksichtigung der gesetzlichen Vorschriften ersetzt werden dürfen.

Info zu GPSR: Stanley Black & Decker Deutschland GmbH Black-&-Decker-Strasse 40, 65510 Idstein support@blackanddecker.de

    Kategorien
    Ersatzteil-Fee

    Die Ersatzteilfee

    Das rege Interesse an dem Angebot in meinem Onlineshop hat mir gezeigt, dass die Zufriedenheit meiner Kunden sehr groß ist. Zahlreiche positive Kundenmeinungen bestätigen den gut sortierten Aufbau des Shops, die gute Beratung und den zügigen Versand. Mehr über mich...

    Wir helfen Ihnen gerne, das richtige Ersatzteil zu finden. Dazu können Sie uns auch gerne Anfragen oder Fotos vom Ersatzteil/Gerät auf das Handy 0152 560 383 53
    per WhatsApp senden. SMS Nachrichten können nicht empfangen werden!


    Info zur Mehrwertsteuer

    Lieferland wählen

    Wählen Sie das Lieferland aus, um die Preise inkl. MwSt. abhängig von der Lieferadresse angezeigt zu bekommen.



    Die im Shop angegebenen Preise sind in Euro inkl. der deutschen Mehrwertsteuer angegeben.
    Für Bestellungen aus einem anderen EU-Land muss die dort geltende Mehrwertsteuer berechnet werden. Wenn Sie im Warenkorb das Lieferland auswählen, wird Ihnen auch der korrekte Mehrwertsteuersatz zu Ihrem EU-Land angezeigt.