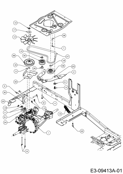
Ersatzteile MTD Rasentraktor Mnirider 76 RDHE Typ: 13A721SD600  (2017) Fahrantrieb
Für eine größere Ansicht klicken Sie auf das Vorschaubild

Ersatzteile MTD Rasentraktor Mnirider 76 RDHE Typ: 13A721SD600 (2017) Fahrantrieb


Ersatzteil
deutschenglishfrench
PreisBildkaufen
Teil 1 GETRIEBE HYDRO
Art.Nr.: WG-618-07144
Part 1 TRANSMISSION ASM HYDRO
Article no.: WG-618-07144
Partie 1 TRANSMISSION ASM HYDRO
Numéro d'article: WG-618-07144
1.093,93 €**ohne Abbildung
Teil 2
Art.Nr.: WG-683-05251
Part 2
Article no.: WG-683-05251
Partie 2
Numéro d'article: WG-683-05251
51,62 €**ohne Abbildung
Teil 3 HALB-RD-SCHR:SCHLITZ:10-24x.40
Art.Nr.: WG-710-04997
Part 3 SCR:10-24x.400:SELF TAP
Article no.: WG-710-04997
Partie 3 VIS
Numéro d'article: WG-710-04997
4,41 € ohne Abbildung
Teil 4 6KT-SCHR:3/8-16:1.50:GR5:STD
Art.Nr.: WG-710-0520
Part 4 HHCS:3/8-16:1.50:GR5:STD
Article no.: WG-710-0520
Partie 4 VIS HEX.:3/8-16:1.50:GR5:STD
Numéro d'article: WG-710-0520
3,36 € ohne Abbildung
Teil 5 SECHSKANTSCHRAUBE
Art.Nr.: WG-710-06194
Part 5 Screw
Article no.: WG-710-06194
Partie 5 VIS
Numéro d'article: WG-710-06194
5,97 € ohne Abbildung
Teil 6 6KT-BLECHSCHR:TT:3/8-16:0.75
Art.Nr.: WG-710-0623
Part 6 SCR:TT:3/8-16:.75:HXINDWSH
Article no.: WG-710-0623
Partie 6 VIS PARK. HEX.:TT:3/8-16:0.750
Numéro d'article: WG-710-0623
5,35 € ohne Abbildung
Teil 7 6KT-SCHRAUBE:TT:1/4-20:1.50
Art.Nr.: WG-710-0778
Part 7 SCR:TT:1/4-20:1.50:HXINDWSH
Article no.: WG-710-0778
Partie 7 VIS HEX. TT:1/4-20:1.500
Numéro d'article: WG-710-0778
2,95 € ohne Abbildung
Teil 8 6KT-SCHR:5/16-18:3.50:GR5:STD
Art.Nr.: WG-710-1266
Part 8 SCREW HHCS:5/16-18:3.5:GR5:STD
Article no.: WG-710-1266
Partie 8 VIS HHCS:5/16-18:3.5:GR5:STD
Numéro d'article: WG-710-1266
4,72 € ohne Abbildung
Teil 9 6KT-SCHR:5/16-18:2.00:GR5:STD
Art.Nr.: WG-710-3103
Part 9 SCRE.HHCS:5/16-18:2.00:GR5:STD
Article no.: WG-710-3103
Partie 9 VIS HEX.:5/16-18:2.00:GR5:STD
Numéro d'article: WG-710-3103
2,83 € ohne Abbildung
Teil 10 S-MUTTER:JAMLK:1/2-20:GRN2:NYL
Art.Nr.: WG-712-0346
Part 10 NUT:JAMLK:1/2-20:GRN2:NYL
Article no.: WG-712-0346
Partie 10 ECROU HEX. 1/2-20:GR5:NYLON
Numéro d'article: WG-712-0346
4,31 € ohne Abbildung
Teil 11 6KT-S-BUNDMUTTER:5/16-18:GRN5
Art.Nr.: WG-712-04063
Part 11 NUT:HEXFLGLK:5/16-18:GRN5:NYL
Article no.: WG-712-04063
Partie 11 ECROU HEX. AVEC FLANC
Numéro d'article: WG-712-04063
4,31 € Teil 11 6KT-S-BUNDMUTTER:5/16-18:GRN5 Art.Nr.: WG-712-04063
Teil 12 6KT-S-BUNDMUTTER:3/8-16:GRF
Art.Nr.: WG-712-04217
Part 12 NUT:HEXFLGLK:3/8-16:GRF:TOPLK
Article no.: WG-712-04217
Partie 12 ECROU
Numéro d'article: WG-712-04217
2,14 € Teil 12 6KT-S-BUNDMUTTER:3/8-16:GRF Art.Nr.: WG-712-04217
Teil 13 6KT-S-MUTTER:5/16-18:GRN5:NYL
Art.Nr.: WG-712-0429
Part 13 NUT:HEXLK:5/16-18:GRN5:NYLON
Article no.: WG-712-0429
Partie 13 ECROU
Numéro d'article: WG-712-0429
4,41 € Teil 13 6KT-S-MUTTER:5/16-18:GRN5:NYL Art.Nr.: WG-712-0429
Teil 14 LÜFTERRAD HYDROSTAT
Art.Nr.: WG-731-11508
Part 14 FAN HYDRO
Article no.: WG-731-11508
Partie 14 HELICE REFROIDISSEMENT
Numéro d'article: WG-731-11508
22,02 € ohne Abbildung
Teil 15 ZUGFEDER
Art.Nr.: WG-732-04934
Part 15 SPRING-BRAKE TENSION
Article no.: WG-732-04934
Partie 15 RESSORT
Numéro d'article: WG-732-04934
11,92 € Teil 15 ZUGFEDER Art.Nr.: WG-732-04934
Teil 16 SICHERUNGSRING:FEDERSTAHL
Art.Nr.: WG-732-0729
Part 16 CIRCLIP
Article no.: WG-732-0729
Partie 16 CIRCLIP
Numéro d'article: WG-732-0729
3,03 € ohne Abbildung
Teil 17 SPERRSCHEIBE:GETRIEBE HYDRO
Art.Nr.: WG-736-04263
Part 17 WASHER:LOCK:TRANS HYDRO
Article no.: WG-736-04263
Partie 17 RONDELLE
Numéro d'article: WG-736-04263
5,12 € ohne Abbildung
Teil 18 FL-SCHEIBE:.38 x.93 x.110:HT
Art.Nr.: WG-736-3072
Part 18 WASH:FLAT:.38 x.93 x.110:HT
Article no.: WG-736-3072
Partie 18 RONDELLE .38 x.93 x.110:HT
Numéro d'article: WG-736-3072
7,06 € ohne Abbildung
Teil 21 BUNDBUCHSE:0.381x0.624x0.200
Art.Nr.: WG-738-0372B
Part 21 SPCR:SHLDR:0.381X0.624X0.200
Article no.: WG-738-0372B
Partie 21 RONDELLE EPAULEE
Numéro d'article: WG-738-0372B
5,70 € Teil 21 BUNDBUCHSE:0.381x0.624x0.200 Art.Nr.: WG-738-0372B
Teil 22 ANSATZSCHRAUBE:TT:0.366x0.740
Art.Nr.: WG-738-05016A
Part 22 SCR:SHLDR:0.366 X 0.740:TT
Article no.: WG-738-05016A
Partie 22 VIS EPAULEE
Numéro d'article: WG-738-05016A
10,82 € ohne Abbildung
Teil 23 BYPASSSTANGE HYDROSTAT
Art.Nr.: WG-747-06617
Part 23 ROD HYDRO BYPASS
Article no.: WG-747-06617
Partie 23 TRINGLE DE PONT
Numéro d'article: WG-747-06617
15,27 € ohne Abbildung
Teil 24 DISTANZSTÜCK:1.750x0.800x0.680
Art.Nr.: WG-748-0334
Part 24 SPCR:1.750X0.800X0.680:RECT
Article no.: WG-748-0334
Partie 24 ENTRETOISE
Numéro d'article: WG-748-0334
5,97 € ohne Abbildung
Teil 25 BUNDBUCHSE:0.383x0.667x0.446
Art.Nr.: WG-748-05029A
Part 25 SPCR:SHLDR:0.383X0.667X0.446
Article no.: WG-748-05029A
Partie 25 ENTRETOISE
Numéro d'article: WG-748-05029A
6,10 € Teil 25 BUNDBUCHSE:0.383x0.667x0.446 Art.Nr.: WG-748-05029A
Teil 26 DISTANZSTÜCK:0.255x0.376x1.030
Art.Nr.: WG-750-0566A
Part 26 SPCR:0.255 X 0.376 X 1.030 LG
Article no.: WG-750-0566A
Partie 26 ENTRETOISE
Numéro d'article: WG-750-0566A
8,23 € Teil 26 DISTANZSTÜCK:0.255x0.376x1.030 Art.Nr.: WG-750-0566A
Teil 27 KEILRIEMEN:V TYP:A SEC:38.24"
Art.Nr.: WG-754-05130
Part 27 BELT: V TYP: A SEC:38.24"
Article no.: WG-754-05130
Partie 27 COURROIE DE TRANSMISSION
Numéro d'article: WG-754-05130
46,64 €**Teil 27 KEILRIEMEN:V TYP:A SEC:38.24
Teil 28 KEILRIEMENSCHEIBE:4.13" DIA
Art.Nr.: WG-756-04308
Part 28 PULLEY:INPUT:4.13 DIA
Article no.: WG-756-04308
Partie 28 POULIE DE PONT
Numéro d'article: WG-756-04308
32,35 €**ohne Abbildung
Teil 29 SPANNROLLE:V-TYPE x 3.06
Art.Nr.: WG-756-04325
Part 29 PUL:IDLR:V-TYPE x 3.06
Article no.: WG-756-04325
Partie 29 POULIE TENDEUR
Numéro d'article: WG-756-04325
37,08 €**
Teil 30 SPANNROLLE:FLACH 2.25 OD
Art.Nr.: WG-756-05209
Part 30 PUL:IDLER:FLAT 2.25 OD
Article no.: WG-756-05209
Partie 30 POULIE TENDEUR
Numéro d'article: WG-756-05209
24,55 €**ohne Abbildung
Teil 31
Art.Nr.: WG-783-08131
Part 31
Article no.: WG-783-08131
Partie 31
Numéro d'article: WG-783-08131
13,39 € ohne Abbildung
Teil 32
Art.Nr.: WG-783-08916
Part 32
Article no.: WG-783-08916
Partie 32
Numéro d'article: WG-783-08916
12,56 € ohne Abbildung
Teil 33
Art.Nr.: WG-783-08933
Part 33
Article no.: WG-783-08933
Partie 33
Numéro d'article: WG-783-08933
40,73 €**ohne Abbildung
inkl. 19 % MwSt. Steuer-Info
zzgl. Versandkosten
Lieferzeit: 3-10 Werktage*
In den Warenkorb

Wenn Sie Hilfe zu einer Störung Ihres MTD Gerätes benötigen, nehmen Sie einfach Kontakt zu uns auf. Sie können gerne auch eine Nachricht per WhatsApp an 0152 560 383 53 senden. Wir helfen Ihnen gerne!

Alle aufgelisteten Ersatzteile sind original MTD Ersatzteile.

Alle Artikel aus der Kategorie Ersatzteile MTD Rasentraktor Mnirider 76 RDHE Typ: 13A721SD600 (2017)

Bitte beachten Sie, dass Elektro MTD Ersatzteile nur von Elektrofachkräften nach Vorgabe des Herstellers unter Berücksichtigung der gesetzlichen Vorschriften ersetzt werden dürfen.

Info zu GPSR: Stanley Black & Decker Deutschland GmbH Black-&-Decker-Strasse 40, 65510 Idstein support@blackanddecker.de

    Kategorien
    Ersatzteil-Fee

    Die Ersatzteilfee

    Das rege Interesse an dem Angebot in meinem Onlineshop hat mir gezeigt, dass die Zufriedenheit meiner Kunden sehr groß ist. Zahlreiche positive Kundenmeinungen bestätigen den gut sortierten Aufbau des Shops, die gute Beratung und den zügigen Versand. Mehr über mich...

    Wir helfen Ihnen gerne, das richtige Ersatzteil zu finden. Dazu können Sie uns auch gerne Anfragen oder Fotos vom Ersatzteil/Gerät auf das Handy 0152 560 383 53
    per WhatsApp senden. SMS Nachrichten können nicht empfangen werden!


    Info zur Mehrwertsteuer

    Lieferland wählen

    Wählen Sie das Lieferland aus, um die Preise inkl. MwSt. abhängig von der Lieferadresse angezeigt zu bekommen.



    Die im Shop angegebenen Preise sind in Euro inkl. der deutschen Mehrwertsteuer angegeben.
    Für Bestellungen aus einem anderen EU-Land muss die dort geltende Mehrwertsteuer berechnet werden. Wenn Sie im Warenkorb das Lieferland auswählen, wird Ihnen auch der korrekte Mehrwertsteuersatz zu Ihrem EU-Land angezeigt.