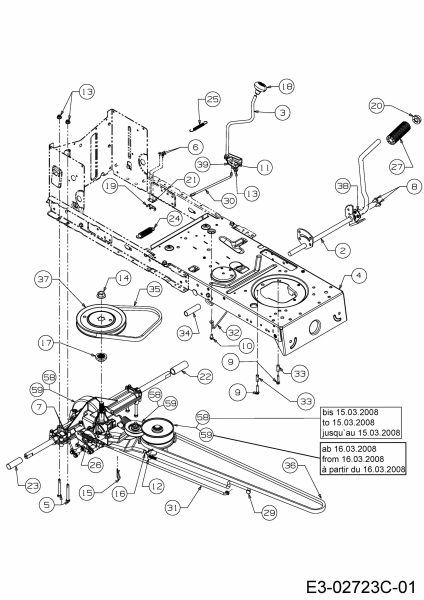
Ersatzteile MTD Rasentraktor LF 155 Typ: 13AM773F600  (2009) Fahrantrieb
Für eine größere Ansicht klicken Sie auf das Vorschaubild

Ersatzteile MTD Rasentraktor LF 155 Typ: 13AM773F600 (2009) Fahrantrieb

MTD
MTD Art.Nr.: E3-02723C-01
Hier können Sie Ersatzteile MTD Rasentraktor LF 155 Typ: 13AM773F600 (2009) Fahrantrieb einfach online kaufen.

In der Skizze sind die Teile mit einer Zahl gekennzeichnet. Diese finden Sie in der Tabelle wieder und können so das Ersatzteil aus der Tabelle auswählen und online kaufen.


Ersatzteil
deutschenglishfrench
PreisBildkaufen
Teil 3 SCHALTHEBEL VOLLST.
Art.Nr.: WG-647-04035
Part 3 SHFT ASM:PIVOT
Article no.: WG-647-04035
Partie 3 LEVIER INVERSEUR
Numéro d'article: WG-647-04035
27,21 €**Teil 3 SCHALTHEBEL VOLLST. Art.Nr.: WG-647-04035
Teil 5 6KT-SCHR:5/16-18:2.75:GR5:STD
Art.Nr.: WG-710-0176
Part 5 HHCS:5/16-18:2.75:GR5:STD
Article no.: WG-710-0176
Partie 5 VIS HEX.:5/16-18:2.75:GR5:STD
Numéro d'article: WG-710-0176
5,70 € ohne Abbildung
Teil 6 6KT-BLECHSCHR:AB:#8-18:0.50
Art.Nr.: WG-710-0227
Part 6 SCR:AB:#8-18:0.50:HXINDWH
Article no.: WG-710-0227
Partie 6 VIS
Numéro d'article: WG-710-0227
2,68 € Teil 6 6KT-BLECHSCHR:AB:#8-18:0.50 Art.Nr.: WG-710-0227
Teil 7 6KT-SCHRAUBE:TT:5/16-9:0.75
Art.Nr.: WG-710-04484
Part 7 SCR:TT:5/16-9:0.75:HXINDWSH
Article no.: WG-710-04484
Partie 7 VIS HEX. TT:5/16-18:.750:HXIND
Numéro d'article: WG-710-04484
6,10 € Teil 7 6KT-SCHRAUBE:TT:5/16-9:0.75 Art.Nr.: WG-710-04484
Teil 8 6KT-SCHRAUBE:TT:5/16-18:0.63
Art.Nr.: WG-710-0604A
Part 8 SCR:TT:5/16-18:0.63:HXINDWSH
Article no.: WG-710-0604A
Partie 8 VIS 5/16-18:0.625
Numéro d'article: WG-710-0604A
3,74 € ohne Abbildung
Teil 9 6KT-SCHRAUBE:TT:1/4-20:1.25
Art.Nr.: WG-710-0809
Part 9 SCR:TT:1/4-20:1.25:HXINDWSH
Article no.: WG-710-0809
Partie 9 VIS HEX. TT:1/4-20:1.250:HXIND
Numéro d'article: WG-710-0809
3,21 € ohne Abbildung
Teil 10 6KT-SCHRAUBE:TT:1/4-20:0.500
Art.Nr.: WG-710-0599
Part 10 SCREW:TT:1/4-20:0.500:HXINDWSH
Article no.: WG-710-0599
Partie 10 VIS A SIX PANS CREUX
Numéro d'article: WG-710-0599
4,58 € Teil 10 6KT-SCHRAUBE:TT:1/4-20:0.500 Art.Nr.: WG-710-0599
Teil 11 6KT-SCHR:5/16-18:0.75 GR5:STD
Art.Nr.: WG-710-3008
Part 11 HHCS:5/16-18:0.75:GR5:STD
Article no.: WG-710-3008
Partie 11 VIS 5/16-18:.75:GR5:STD
Numéro d'article: WG-710-3008
2,68 € ohne Abbildung
Teil 12 SPINDELMUTTER:3/8-24 x.375DIA
Art.Nr.: WG-711-04075A
Part 12 FRL:3/8-24 X.375 DIA
Article no.: WG-711-04075A
Partie 12 EMBOUT
Numéro d'article: WG-711-04075A
12,68 € ohne Abbildung
Teil 13 6KT-S-BUNDMUTTER:5/16-18:GRN5
Art.Nr.: WG-712-04063
Part 13 NUT:HEXFLGLK:5/16-18:GRN5:NYL
Article no.: WG-712-04063
Partie 13 ECROU HEX. AVEC FLANC
Numéro d'article: WG-712-04063
4,31 € Teil 13 6KT-S-BUNDMUTTER:5/16-18:GRN5 Art.Nr.: WG-712-04063
Teil 14 6KT-BUNDMUTTER:9/16-18:GR2
Art.Nr.: WG-712-0700
Part 14 NUT:HEXFLG:9/16-18:GR2
Article no.: WG-712-0700
Partie 14 ECROU HEXAGONAL
Numéro d'article: WG-712-0700
5,47 € ohne Abbildung
Teil 15 FEDERSTECKER:0.125:1.56
Art.Nr.: WG-714-0209
Part 15 PIN:HAIR:0.125:1.56
Article no.: WG-714-0209
Partie 15 GOUPILLE FENDUE
Numéro d'article: WG-714-0209
2,95 € ohne Abbildung
Teil 16 SPLINT:1/8 x 1.0"
Art.Nr.: WG-714-0115
Part 16 PIN:COT:SPLIT:1/8 X 1.0
Article no.: WG-714-0115
Partie 16 GOUPILLE FENDUE 1/8 x 1.0
Numéro d'article: WG-714-0115
3,21 € ohne Abbildung
Teil 17 NABE:RIEMENSCHEIBE:5/8 INNEN-
Art.Nr.: WG-718-04407
Part 17 HUB:PUL:5/8 SPLINE
Article no.: WG-718-04407
Partie 17 MOYEU: POULIE:5/8 DENTELURE
Numéro d'article: WG-718-04407
20,71 € Teil 17 NABE:RIEMENSCHEIBE:5/8 INNEN- Art.Nr.: WG-718-04407
Teil 18 SCHALTKNAUF
Art.Nr.: WG-720-04028
Part 18 KNOB:SHIFT: BLACK
Article no.: WG-720-04028
Partie 18 POIGNEE INVERSEUR
Numéro d'article: WG-720-04028
8,99 € Teil 18 SCHALTKNAUF Art.Nr.: WG-720-04028
Teil 19 SCHALTKONTAKT:KURZ
Art.Nr.: WG-725-1644
Part 19 SWITCH:SPRING:SHORT
Article no.: WG-725-1644
Partie 19 INTERRUPTEUR DE SÜCURITÜ
Numéro d'article: WG-725-1644
6,94 € Teil 19 SCHALTKONTAKT:KURZ Art.Nr.: WG-725-1644
Teil 20 AUFDRUCKKAPPE:.625 DIA
Art.Nr.: WG-726-0214
Part 20 CAP:PUSH 5/8
Article no.: WG-726-0214
Partie 20 BOUCHON
Numéro d'article: WG-726-0214
5,58 € Teil 20 AUFDRUCKKAPPE:.625 DIA Art.Nr.: WG-726-0214
Teil 21 ISOLIERPLATTE
Art.Nr.: WG-726-0320
Part 21 INSULATING PLATE
Article no.: WG-726-0320
Partie 21 PLAQUE D ISOLATION
Numéro d'article: WG-726-0320
2,56 € ohne Abbildung
Teil 22 ABSTANDSHÜLSE:.758x.821x3.3125
Art.Nr.: WG-731-04602
Part 22 SLEV:.758X.821X3.3125
Article no.: WG-731-04602
Partie 22 ENTRETOISE
Numéro d'article: WG-731-04602
5,47 € ohne Abbildung
Teil 23 ABSTANDSHÜLSE:.758x.821x2.4375
Art.Nr.: WG-731-04604
Part 23 SLEV:.758X.821X2.4375
Article no.: WG-731-04604
Partie 23 ENTRETOISE
Numéro d'article: WG-731-04604
5,02 € ohne Abbildung
Teil 24 ZUGFEDER:.80 OD x 3.28 LG
Art.Nr.: WG-732-04306
Part 24 SPR:EXT:.80 X 3.28
Article no.: WG-732-04306
Partie 24 RESSORT
Numéro d'article: WG-732-04306
9,74 € ohne Abbildung
Teil 25 ZUGFEDER:.38 OD x 3.25 LG
Art.Nr.: WG-732-04488
Part 25 SPRING:EXT:.38 OD x 3.25 LG
Article no.: WG-732-04488
Partie 25 RESSORT DE TRACTION
Numéro d'article: WG-732-04488
19,14 € Teil 25 ZUGFEDER:.38 OD x 3.25 LG Art.Nr.: WG-732-04488
Teil 26 ZUGFEDER: .59 OD x 4.00 LG
Art.Nr.: WG-732-0716D
Part 26 SPR:EXTN:.59 OD x 4.00 LG
Article no.: WG-732-0716D
Partie 26 RESSORT
Numéro d'article: WG-732-0716D
11,75 € Teil 26 ZUGFEDER: .59 OD x 4.00 LG Art.Nr.: WG-732-0716D
Teil 27 PEDALGUMMI:RUND:GERILLT:4.0 LG
Art.Nr.: WG-735-0239A
Part 27 PAD:FOOT:4.0 LONG
Article no.: WG-735-0239A
Partie 27 CAOUTCHOUC/PEDALE 4;0 LG
Numéro d'article: WG-735-0239A
8,02 € Teil 27 PEDALGUMMI:RUND:GERILLT:4.0 LG Art.Nr.: WG-735-0239A
Teil 29 SCHALTSTANGE:VARI SPEED
Art.Nr.: WG-747-04265
Part 29 ROD:CONT:VARIABLE SPEED
Article no.: WG-747-04265
Partie 29 TRINGLE TENDEUR VARIATEUR
Numéro d'article: WG-747-04265
25,90 €**ohne Abbildung
Teil 32 STANGE:KEILRIEMENFÜHRUNG
Art.Nr.: WG-747-04969
Part 32 ROD:KEEPR:BELT
Article no.: WG-747-04969
Partie 32 TRINGLE
Numéro d'article: WG-747-04969
16,11 € ohne Abbildung
Teil 33 DISTANZSTÜCK:0.255x0.376x1.030
Art.Nr.: WG-750-0566A
Part 33 SPCR:0.255 X 0.376 X 1.030 LG
Article no.: WG-750-0566A
Partie 33 ENTRETOISE
Numéro d'article: WG-750-0566A
8,23 € Teil 33 DISTANZSTÜCK:0.255x0.376x1.030 Art.Nr.: WG-750-0566A
Teil 34 DISTANZROHR:0.630x0.770x2.630
Art.Nr.: WG-750-0802
Part 34 SPCR:0.630 X 0.770 X 2.630
Article no.: WG-750-0802
Partie 34 ENTRETOISE / .640IDX.760DX2.63
Numéro d'article: WG-750-0802
2,56 € ohne Abbildung
Teil 35 KEILRIEMEN:V TYP:5L:35.25:POLY
Art.Nr.: WG-754-05040
Part 35 BELT:V-TYP:5L:35.25:POLY
Article no.: WG-754-05040
Partie 35 COURROIE VARIATEUR/BOITE
Numéro d'article: WG-754-05040
34,86 €**Teil 35 KEILRIEMEN:V TYP:5L:35.25:POLY Art.Nr.: WG-754-05040
Teil 36 KEILRIEMEN:V TYP:5L:68.90:POLY
Art.Nr.: WG-754-04001A
Part 36 BELT:V TYP:5L:68.90:POLY
Article no.: WG-754-04001A
Partie 36 COURROIE TRANSMISSION
Numéro d'article: WG-754-04001A
48,96 €**Teil 36 KEILRIEMEN:V TYP:5L:68.90:POLY Art.Nr.: WG-754-04001A
Teil 37 KEILRIEMENSCHEIBE:V-TYP:Ò7.25"
Art.Nr.: WG-756-04002
Part 37 PULLEY:V-TYPE:7.25 DIA SPUN
Article no.: WG-756-04002
Partie 37 POULIE DE PONT
Numéro d'article: WG-756-04002
18,21 € ohne Abbildung
Teil 39 VERSTELLPLATTE:SCHALTUNG
Art.Nr.: WG-783-04595A
Part 39 BRKT:SHFT:ADJ
Article no.: WG-783-04595A
Partie 39 SUPPORT DE LEVIER
Numéro d'article: WG-783-04595A
6,69 € ohne Abbildung
inkl. 19 % MwSt. Steuer-Info
zzgl. Versandkosten
Lieferzeit: 3-10 Werktage*
In den Warenkorb

Wenn Sie Hilfe zu einer Störung Ihres MTD Gerätes benötigen, nehmen Sie einfach Kontakt zu uns auf. Sie können gerne auch eine Nachricht per WhatsApp an 0152 560 383 53 senden. Wir helfen Ihnen gerne!

Alle aufgelisteten Ersatzteile sind original MTD Ersatzteile.

Alle Artikel aus der Kategorie Ersatzteile MTD Rasentraktor LF 155 Typ: 13AM773F600 (2009)

Bitte beachten Sie, dass Elektro MTD Ersatzteile nur von Elektrofachkräften nach Vorgabe des Herstellers unter Berücksichtigung der gesetzlichen Vorschriften ersetzt werden dürfen.

Info zu GPSR: Stanley Black & Decker Deutschland GmbH Black-&-Decker-Strasse 40, 65510 Idstein support@blackanddecker.de

    Kategorien
    Ersatzteil-Fee

    Die Ersatzteilfee

    Das rege Interesse an dem Angebot in meinem Onlineshop hat mir gezeigt, dass die Zufriedenheit meiner Kunden sehr groß ist. Zahlreiche positive Kundenmeinungen bestätigen den gut sortierten Aufbau des Shops, die gute Beratung und den zügigen Versand. Mehr über mich...

    Wir helfen Ihnen gerne, das richtige Ersatzteil zu finden. Dazu können Sie uns auch gerne Anfragen oder Fotos vom Ersatzteil/Gerät auf das Handy 0152 560 383 53
    per WhatsApp senden. SMS Nachrichten können nicht empfangen werden!


    Info zur Mehrwertsteuer

    Lieferland wählen

    Wählen Sie das Lieferland aus, um die Preise inkl. MwSt. abhängig von der Lieferadresse angezeigt zu bekommen.



    Die im Shop angegebenen Preise sind in Euro inkl. der deutschen Mehrwertsteuer angegeben.
    Für Bestellungen aus einem anderen EU-Land muss die dort geltende Mehrwertsteuer berechnet werden. Wenn Sie im Warenkorb das Lieferland auswählen, wird Ihnen auch der korrekte Mehrwertsteuersatz zu Ihrem EU-Land angezeigt.