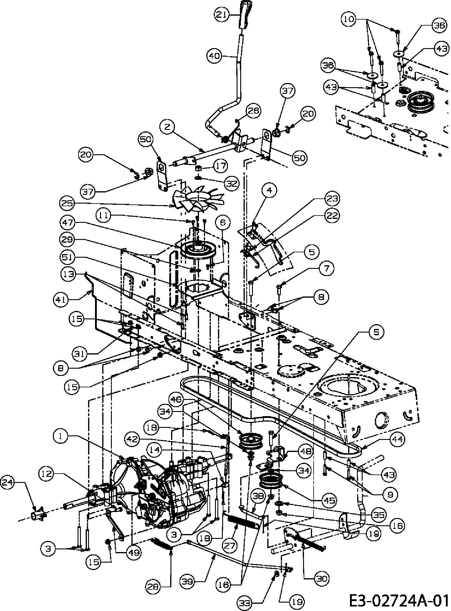
Ersatzteile MTD Rasentraktor JG 155 H Typ: 13AM793G678  (2006) Fahrantrieb
Für eine größere Ansicht klicken Sie auf das Vorschaubild

Ersatzteile MTD Rasentraktor JG 155 H Typ: 13AM793G678 (2006) Fahrantrieb


Ersatzteil
deutschenglishfrench
PreisBildkaufen
Teil 1 GETRIEBE KPLT.:LT-5:SD:HYDRO
Art.Nr.: WG-618-04198
Part 1 TRANS ASM:HYDRO:0510:LT-5
Article no.: WG-618-04198
Partie 1 PONT HYDRO CONTACTER MTD
Numéro d'article: WG-618-04198
1.215,84 €**ohne Abbildung
Teil 3 6KT-SCHR:5/16-18:2.75:GR5:STD
Art.Nr.: WG-710-0176
Part 3 HHCS:5/16-18:2.75:GR5:STD
Article no.: WG-710-0176
Partie 3 VIS HEX.:5/16-18:2.75:GR5:STD
Numéro d'article: WG-710-0176
5,70 € ohne Abbildung
Teil 4 6KT-BLECHSCHR:AB:#8-18:0.50
Art.Nr.: WG-710-0227
Part 4 SCR:AB:#8-18:0.50:HXINDWH
Article no.: WG-710-0227
Partie 4 VIS
Numéro d'article: WG-710-0227
2,68 € Teil 4 6KT-BLECHSCHR:AB:#8-18:0.50 Art.Nr.: WG-710-0227
Teil 5 6KT-SCHR:3/8-16:1.75:GR5:STD
Art.Nr.: WG-710-0347
Part 5 HHCS:3/8-16:1.75:GR5:STD
Article no.: WG-710-0347
Partie 5 VIS HEX. 3/8-16:1.75:GR5:STD
Numéro d'article: WG-710-0347
3,88 € Teil 5 6KT-SCHR:3/8-16:1.75:GR5:STD Art.Nr.: WG-710-0347
Teil 6 KREUZSCHLITZ-SCHR:#10-16:0.500
Art.Nr.: WG-710-0351
Part 6 SCR:B:#10-16:0.5":PANPHI
Article no.: WG-710-0351
Partie 6 VIS
Numéro d'article: WG-710-0351
3,38 € Teil 6 KREUZSCHLITZ-SCHR:#10-16:0.500 Art.Nr.: WG-710-0351
Teil 7 6KT-SCHR:3/8-16:1.00:GR5:STD
Art.Nr.: WG-710-0514
Part 7 HHCS:3/8-16:1.00:GR5:STD
Article no.: WG-710-0514
Partie 7 VIS HEX.:3/8-16:1.00:GR5:STD
Numéro d'article: WG-710-0514
3,88 € Teil 7 6KT-SCHR:3/8-16:1.00:GR5:STD Art.Nr.: WG-710-0514
Teil 8 6KT-SCHRAUBE:TT:5/16-18:0.63
Art.Nr.: WG-710-0604A
Part 8 SCR:TT:5/16-18:0.63:HXINDWSH
Article no.: WG-710-0604A
Partie 8 VIS 5/16-18:0.625
Numéro d'article: WG-710-0604A
3,74 € ohne Abbildung
Teil 9 6KT-SCHRAUBE:TT:1/4-20:1.25
Art.Nr.: WG-710-0809
Part 9 SCR:TT:1/4-20:1.25:HXINDWSH
Article no.: WG-710-0809
Partie 9 VIS HEX. TT:1/4-20:1.250:HXIND
Numéro d'article: WG-710-0809
3,21 € ohne Abbildung
Teil 10 6KT-SCHRAUBE:TT:1/4-20:1.63
Art.Nr.: WG-710-1325
Part 10 SCR:TT:1/4-20:1.63:HXINDWSH
Article no.: WG-710-1325
Partie 10 VIS HEXAGONALE
Numéro d'article: WG-710-1325
3,74 € ohne Abbildung
Teil 11 6KT-SCHR:#12-24:0.38:HXINDWSH
Art.Nr.: WG-710-3007
Part 11 SCR:TT:#12-24:0.38:HXINDWSH
Article no.: WG-710-3007
Partie 11 VIS HEXAGONALE
Numéro d'article: WG-710-3007
4,50 € ohne Abbildung
Teil 12 6KT-SCHR:5/16-18:0.75 GR5:STD
Art.Nr.: WG-710-3008
Part 12 HHCS:5/16-18:0.75:GR5:STD
Article no.: WG-710-3008
Partie 12 VIS 5/16-18:.75:GR5:STD
Numéro d'article: WG-710-3008
2,68 € ohne Abbildung
Teil 14 SPINDELMUTTER:5/16-18x.312 DIA
Art.Nr.: WG-711-0677
Part 14 FERRULE:5/16-18 x.312 DIA
Article no.: WG-711-0677
Partie 14 FUSEAU D ÜCROU - EX 711-0611
Numéro d'article: WG-711-0677
14,36 € ohne Abbildung
Teil 15 6KT-S-BUNDMUTTER:5/16-18:GRN5
Art.Nr.: WG-712-04063
Part 15 NUT:HEXFLGLK:5/16-18:GRN5:NYL
Article no.: WG-712-04063
Partie 15 ECROU HEX. AVEC FLANC
Numéro d'article: WG-712-04063
4,31 € Teil 15 6KT-S-BUNDMUTTER:5/16-18:GRN5 Art.Nr.: WG-712-04063
Teil 16 6KT-S-BUNDMUTTER 3/8-16:GRN5
Art.Nr.: WG-712-04065
Part 16 NUT:HEXFLGLK:3/8-16:GRN5:NYLON
Article no.: WG-712-04065
Partie 16 ECROU HEXAGONAL
Numéro d'article: WG-712-04065
4,19 € Teil 16 6KT-S-BUNDMUTTER 3/8-16:GRN5 Art.Nr.: WG-712-04065
Teil 17 6KT-MUTTER:1/2-20:GR5
Art.Nr.: WG-712-3066
Part 17 NUT:HEX:1/2-20:GR5
Article no.: WG-712-3066
Partie 17 ECROU HEXAGONAL 1/2-20 GR5
Numéro d'article: WG-712-3066
2,68 € ohne Abbildung
Teil 18 FEDERSTECKER:.072DIA x 1.13 LG
Art.Nr.: WG-714-0104
Part 18 PIN:COT:.072 DIA x 1.13 LG
Article no.: WG-714-0104
Partie 18 GOUPILLE
Numéro d'article: WG-714-0104
2,42 € Teil 18 FEDERSTECKER:.072DIA x 1.13 LG Art.Nr.: WG-714-0104
Teil 19 SPLINT:3/32 x 1.0"
Art.Nr.: WG-714-0111
Part 19 COTTER PIN 3/32 DIA X 1.00
Article no.: WG-714-0111
Partie 19 GOUPILLE FENDUE 3/32:1.0"
Numéro d'article: WG-714-0111
2,95 € ohne Abbildung
Teil 20 SICHERUNGSSCHEIBE:0.62:E-62
Art.Nr.: WG-716-0106A
Part 20 RING:RET:EXT:0.62:E-62
Article no.: WG-716-0106A
Partie 20 CIRCLIPS
Numéro d'article: WG-716-0106A
3,09 € Teil 20 SICHERUNGSSCHEIBE:0.62:E-62 Art.Nr.: WG-716-0106A
Teil 21 HANDGRIFF:1/2
Art.Nr.: WG-720-0311
Part 21 GRIP-HANDLE:1/2
Article no.: WG-720-0311
Partie 21 POIGNÜE LEVIER COUPE : 1/2
Numéro d'article: WG-720-0311
15,42 € Teil 21 HANDGRIFF:1/2 Art.Nr.: WG-720-0311
Teil 22 FEDERSCHALTER:HYDRO
Art.Nr.: WG-725-04249
Part 22 SW:SPR:HYDRO
Article no.: WG-725-04249
Partie 22 INTERRUPTEUR ¡ RESSORT
Numéro d'article: WG-725-04249
6,71 € ohne Abbildung
Teil 23 ISOLIERPLATTE
Art.Nr.: WG-726-0320
Part 23 INSULATING PLATE
Article no.: WG-726-0320
Partie 23 PLAQUE D ISOLATION
Numéro d'article: WG-726-0320
2,56 € ohne Abbildung
Teil 24 HÜLSE:.765 ID x 1.500 LG
Art.Nr.: WG-731-05299
Part 24 SLV:.765 ID x 1.500 LG
Article no.: WG-731-05299
Partie 24 BAGUE
Numéro d'article: WG-731-05299
9,72 € ohne Abbildung
Teil 25 LÜFTERFLÜGEL:MESSER:10
Art.Nr.: WG-731-1449A
Part 25 FAN:BLADE:10
Article no.: WG-731-1449A
Partie 25 HELICE DE REFROIDISSEMENT
Numéro d'article: WG-731-1449A
24,79 € ohne Abbildung
Teil 26 SCHENKELFEDER
Art.Nr.: WG-732-04225
Part 26 SPRING-EXTENSION
Article no.: WG-732-04225
Partie 26 RESSORT
Numéro d'article: WG-732-04225
8,88 € ohne Abbildung
Teil 27 ZUGFEDER:.75 DIA x 6.02
Art.Nr.: WG-732-04229
Part 27 SPR:EXT:.75 DIA x 6.02
Article no.: WG-732-04229
Partie 27 RESSORT
Numéro d'article: WG-732-04229
15,71 € ohne Abbildung
Teil 28 ZUGFEDER:.59 OD x 4.00 LG
Art.Nr.: WG-732-0716C
Part 28 SPR:EXT:.59 OD x 4.00 LG
Article no.: WG-732-0716C
Partie 28 RESSORT
Numéro d'article: WG-732-0716C
10,94 € ohne Abbildung
Teil 29 SICHERUNGSRING:FEDERSTAHL
Art.Nr.: WG-732-0729
Part 29 CIRCLIP
Article no.: WG-732-0729
Partie 29 CIRCLIP
Numéro d'article: WG-732-0729
3,03 € ohne Abbildung
Teil 30 ZUGFEDER: .50 DIA x 6.37 LG
Art.Nr.: WG-732-0963
Part 30 SPRING:EXTN: .50 DIA x 6.37 LG
Article no.: WG-732-0963
Partie 30 RESSORT
Numéro d'article: WG-732-0963
10,61 € Teil 30 ZUGFEDER: .50 DIA x 6.37 LG Art.Nr.: WG-732-0963
Teil 31 ZAHNSCHEIBE:5/16" EXT
Art.Nr.: WG-736-0607
Part 31 WASH:LOCK:5/16 EXT
Article no.: WG-736-0607
Partie 31 RONDELLE
Numéro d'article: WG-736-0607
2,68 € ohne Abbildung
Teil 32 FEDERRING:1/2"
Art.Nr.: WG-736-0921
Part 32 WASHER:LOCK:1/2:SPLT:REG
Article no.: WG-736-0921
Partie 32 RONDELLE GROWER
Numéro d'article: WG-736-0921
3,03 € ohne Abbildung
Teil 33 U-SCHEIBE:0.334x0.760x0.120
Art.Nr.: WG-736-3008
Part 33 WASH:FLAT:0.334 X0.760 X 0.120
Article no.: WG-736-3008
Partie 33 RONDELLE
Numéro d'article: WG-736-3008
2,95 € Teil 33 U-SCHEIBE:0.334x0.760x0.120 Art.Nr.: WG-736-3008
Teil 34 SCHEIBE:FL:0.402x0.822x.135:HD
Art.Nr.: WG-736-3010
Part 34 WASH:FL:0.402X0.822X0.135:HD
Article no.: WG-736-3010
Partie 34 RONDELLE
Numéro d'article: WG-736-3010
3,09 € ohne Abbildung
Teil 35 BUNDSCHEIBE:0.381x0.625x0.169
Art.Nr.: WG-738-0347
Part 35 SPCR:SHLDR:0.381X0.625X0.169
Article no.: WG-738-0347
Partie 35 RONDELLE ¡ EMB. .625IDx.169
Numéro d'article: WG-738-0347
4,58 € Teil 35 BUNDSCHEIBE:0.381x0.625x0.169 Art.Nr.: WG-738-0347
Teil 37 SECHSKANT-FLANSCHLAGER
Art.Nr.: WG-741-0225
Part 37 HEX FLANGE BEARING
Article no.: WG-741-0225
Partie 37 BAGUE HEXAGONALE TEFLON 6 PANS
Numéro d'article: WG-741-0225
4,41 € Teil 37 SECHSKANT-FLANSCHLAGER Art.Nr.: WG-741-0225
Teil 40 KONTROLLHEBEL HYDRO LT-5
Art.Nr.: WG-747-04296
Part 40 HNDL:CONT:HYDRO
Article no.: WG-747-04296
Partie 40 LEVIER INVERSEUR
Numéro d'article: WG-747-04296
26,75 €**ohne Abbildung
Teil 43 DISTANZSTÜCK:0.255x0.376x1.030
Art.Nr.: WG-750-0566A
Part 43 SPCR:0.255 X 0.376 X 1.030 LG
Article no.: WG-750-0566A
Partie 43 ENTRETOISE
Numéro d'article: WG-750-0566A
8,23 € Teil 43 DISTANZSTÜCK:0.255x0.376x1.030 Art.Nr.: WG-750-0566A
Teil 44 KEILRIEMEN V TYPE 4L SECx78.2"
Art.Nr.: WG-754-04074A
Part 44 BELT:V TYP:4L SEC x 78,2 LG
Article no.: WG-754-04074A
Partie 44 COURROIE HYDRO
Numéro d'article: WG-754-04074A
45,88 €**Teil 44 KEILRIEMEN V TYPE 4L SECx78.2
Teil 45 SPANNROLLE:FLACH: 2.75 OD
Art.Nr.: WG-756-04224
Part 45 PUL:IDLR:FLAT 2.75 OD
Article no.: WG-756-04224
Partie 45 POULIE TENDEUR
Numéro d'article: WG-756-04224
29,43 €**Teil 45 SPANNROLLE:FLACH: 2.75 OD Art.Nr.: WG-756-04224
Teil 45 SPANNROLLE:FLACH: 2.75 OD
Art.Nr.: WG-756-04224
Part 45 PUL:IDLR:FLAT 2.75 OD
Article no.: WG-756-04224
Partie 45 POULIE TENDEUR
Numéro d'article: WG-756-04224
29,43 €**Teil 45 SPANNROLLE:FLACH: 2.75 OD Art.Nr.: WG-756-04224
Teil 47 KEILRIEMENSCHEIBE:INPUT:5.0DIA
Art.Nr.: WG-756-1166
Part 47 PULLEY:INPUT 5" DIA
Article no.: WG-756-1166
Partie 47 POULIE DIA. 5"
Numéro d'article: WG-756-1166
51,53 €**ohne Abbildung
Teil 48 HALTER KEILRIEMENSCHEIBE
Art.Nr.: WG-783-04570A-S
Part 48 KEEPR:BELT:IDLR
Article no.: WG-783-04570A-S
Partie 48 TENDEUR
Numéro d'article: WG-783-04570A-S
16,52 € ohne Abbildung
inkl. 19 % MwSt. Steuer-Info
zzgl. Versandkosten
Lieferzeit: 3-10 Werktage*
In den Warenkorb

Wenn Sie Hilfe zu einer Störung Ihres MTD Gerätes benötigen, nehmen Sie einfach Kontakt zu uns auf. Sie können gerne auch eine Nachricht per WhatsApp an 0152 560 383 53 senden. Wir helfen Ihnen gerne!

Alle aufgelisteten Ersatzteile sind original MTD Ersatzteile.

Alle Artikel aus der Kategorie Ersatzteile MTD Rasentraktor JG 155 H Typ: 13AM793G678 (2006)

Bitte beachten Sie, dass Elektro MTD Ersatzteile nur von Elektrofachkräften nach Vorgabe des Herstellers unter Berücksichtigung der gesetzlichen Vorschriften ersetzt werden dürfen.

Info zu GPSR: Stanley Black & Decker Deutschland GmbH Black-&-Decker-Strasse 40, 65510 Idstein support@blackanddecker.de

    Kategorien
    Ersatzteil-Fee

    Die Ersatzteilfee

    Das rege Interesse an dem Angebot in meinem Onlineshop hat mir gezeigt, dass die Zufriedenheit meiner Kunden sehr groß ist. Zahlreiche positive Kundenmeinungen bestätigen den gut sortierten Aufbau des Shops, die gute Beratung und den zügigen Versand. Mehr über mich...

    Wir helfen Ihnen gerne, das richtige Ersatzteil zu finden. Dazu können Sie uns auch gerne Anfragen oder Fotos vom Ersatzteil/Gerät auf das Handy 0152 560 383 53
    per WhatsApp senden. SMS Nachrichten können nicht empfangen werden!


    Info zur Mehrwertsteuer

    Lieferland wählen

    Wählen Sie das Lieferland aus, um die Preise inkl. MwSt. abhängig von der Lieferadresse angezeigt zu bekommen.



    Die im Shop angegebenen Preise sind in Euro inkl. der deutschen Mehrwertsteuer angegeben.
    Für Bestellungen aus einem anderen EU-Land muss die dort geltende Mehrwertsteuer berechnet werden. Wenn Sie im Warenkorb das Lieferland auswählen, wird Ihnen auch der korrekte Mehrwertsteuersatz zu Ihrem EU-Land angezeigt.