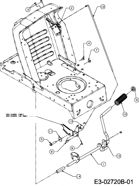
Ersatzteile MTD Rasentraktor JF 135 H Typ: 13AH793F678  (2007) Geschwindigkeitsregelung, Pedale
Für eine größere Ansicht klicken Sie auf das Vorschaubild

Ersatzteile MTD Rasentraktor JF 135 H Typ: 13AH793F678 (2007) Geschwindigkeitsregelung, Pedale


Ersatzteil
deutschenglishfrench
PreisBildkaufen
Teil 3 SCHR:TT:1/4-20:.500:PANTRXI
Art.Nr.: WG-710-04483
Part 3 SCR:TT:1/4-20:0.500 PANTRXI
Article no.: WG-710-04483
Partie 3 VIS:TT:1/4-20:.500:TRUSTRXI
Numéro d'article: WG-710-04483
7,59 € ohne Abbildung
Teil 4 6KT-SCHRAUBE:TT:5/16-18:0.63
Art.Nr.: WG-710-0604A
Part 4 SCR:TT:5/16-18:0.63:HXINDWSH
Article no.: WG-710-0604A
Partie 4 VIS 5/16-18:0.625
Numéro d'article: WG-710-0604A
3,74 € ohne Abbildung
Teil 5 6KT-SCHR:3/8-16:2.00:GR5:STD
Art.Nr.: WG-710-3144
Part 5 HHCS:3/8-16:2.00:GR5:STD
Article no.: WG-710-3144
Partie 5 VIS HEX.: 3/8-16:2.00:GR5:STD
Numéro d'article: WG-710-3144
3,09 € ohne Abbildung
Teil 6 SPINDELMUTTER:1/4-20x.312x.205
Art.Nr.: WG-711-0736
Part 6 FRL:ADJ:1/4-20X0.312X0.205
Article no.: WG-711-0736
Partie 6 AXE
Numéro d'article: WG-711-0736
17,47 € ohne Abbildung
Teil 7 6KT-S-BUNDMUTTER 3/8-16:GRN5
Art.Nr.: WG-712-04065
Part 7 NUT:HEXFLGLK:3/8-16:GRN5:NYLON
Article no.: WG-712-04065
Partie 7 ECROU HEXAGONAL
Numéro d'article: WG-712-04065
4,19 € Teil 7 6KT-S-BUNDMUTTER 3/8-16:GRN5 Art.Nr.: WG-712-04065
Teil 8 SPLINT:3/32 x 1.0"
Art.Nr.: WG-714-0111
Part 8 COTTER PIN 3/32 DIA X 1.00
Article no.: WG-714-0111
Partie 8 GOUPILLE FENDUE 3/32:1.0"
Numéro d'article: WG-714-0111
2,95 € ohne Abbildung
Teil 9 AUFDRUCKKAPPE:.625 DIA
Art.Nr.: WG-726-0214
Part 9 CAP:PUSH 5/8
Article no.: WG-726-0214
Partie 9 BOUCHON
Numéro d'article: WG-726-0214
5,58 € Teil 9 AUFDRUCKKAPPE:.625 DIA Art.Nr.: WG-726-0214
Teil 10 PEDALGUMMI:RUND:GERILLT:4.0 LG
Art.Nr.: WG-735-0239A
Part 10 PAD:FOOT:4.0 LONG
Article no.: WG-735-0239A
Partie 10 CAOUTCHOUC/PEDALE 4;0 LG
Numéro d'article: WG-735-0239A
8,02 € Teil 10 PEDALGUMMI:RUND:GERILLT:4.0 LG Art.Nr.: WG-735-0239A
Teil 11 U-SCHEIBE:0.401x1.280x0.101
Art.Nr.: WG-736-0133
Part 11 WASH:FLAT:0.401 X 1.280 X0.101
Article no.: WG-736-0133
Partie 11 RONDELLE .411X1.25X1.00
Numéro d'article: WG-736-0133
3,57 € ohne Abbildung
Teil 12 SCHALTSTANGE:SPEED SELECTOR
Art.Nr.: WG-747-04430
Part 12 ROD:CONT:SPEED SELECTOR
Article no.: WG-747-04430
Partie 12 TRINGLE
Numéro d'article: WG-747-04430
21,33 €**ohne Abbildung
Teil 13 DISTANZHÜLSE .390X.671X1.095
Art.Nr.: WG-750-04465
Part 13 SPCR:FLG:.390X.671X1.095
Article no.: WG-750-04465
Partie 13 ENTRETOISE
Numéro d'article: WG-750-04465
6,20 € ohne Abbildung
Teil 14 DISTANZROHR:0.630x0.770x2.630
Art.Nr.: WG-750-0802
Part 14 SPCR:0.630 X 0.770 X 2.630
Article no.: WG-750-0802
Partie 14 ENTRETOISE / .640IDX.760DX2.63
Numéro d'article: WG-750-0802
2,56 € ohne Abbildung
inkl. 19 % MwSt. Steuer-Info
zzgl. Versandkosten
Lieferzeit: 3-10 Werktage*
In den Warenkorb

Wenn Sie Hilfe zu einer Störung Ihres MTD Gerätes benötigen, nehmen Sie einfach Kontakt zu uns auf. Sie können gerne auch eine Nachricht per WhatsApp an 0152 560 383 53 senden. Wir helfen Ihnen gerne!

Alle aufgelisteten Ersatzteile sind original MTD Ersatzteile.

Alle Artikel aus der Kategorie Ersatzteile MTD Rasentraktor JF 135 H Typ: 13AH793F678 (2007)

Bitte beachten Sie, dass Elektro MTD Ersatzteile nur von Elektrofachkräften nach Vorgabe des Herstellers unter Berücksichtigung der gesetzlichen Vorschriften ersetzt werden dürfen.

Info zu GPSR: Stanley Black & Decker Deutschland GmbH Black-&-Decker-Strasse 40, 65510 Idstein support@blackanddecker.de

    Kategorien
    Ersatzteil-Fee

    Die Ersatzteilfee

    Das rege Interesse an dem Angebot in meinem Onlineshop hat mir gezeigt, dass die Zufriedenheit meiner Kunden sehr groß ist. Zahlreiche positive Kundenmeinungen bestätigen den gut sortierten Aufbau des Shops, die gute Beratung und den zügigen Versand. Mehr über mich...

    Wir helfen Ihnen gerne, das richtige Ersatzteil zu finden. Dazu können Sie uns auch gerne Anfragen oder Fotos vom Ersatzteil/Gerät auf das Handy 0152 560 383 53
    per WhatsApp senden. SMS Nachrichten können nicht empfangen werden!


    Info zur Mehrwertsteuer

    Lieferland wählen

    Wählen Sie das Lieferland aus, um die Preise inkl. MwSt. abhängig von der Lieferadresse angezeigt zu bekommen.



    Die im Shop angegebenen Preise sind in Euro inkl. der deutschen Mehrwertsteuer angegeben.
    Für Bestellungen aus einem anderen EU-Land muss die dort geltende Mehrwertsteuer berechnet werden. Wenn Sie im Warenkorb das Lieferland auswählen, wird Ihnen auch der korrekte Mehrwertsteuersatz zu Ihrem EU-Land angezeigt.