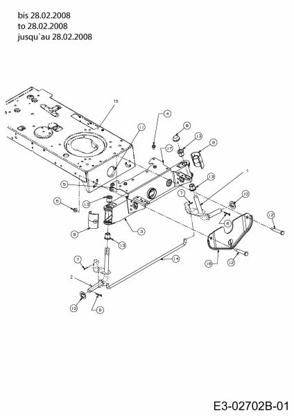
Ersatzteile MTD Rasentraktor JF 135 H Typ: 13AH793F478  (2007) Vorderachse bis 28.02.2008
Für eine größere Ansicht klicken Sie auf das Vorschaubild

Ersatzteile MTD Rasentraktor JF 135 H Typ: 13AH793F478 (2007) Vorderachse bis 28.02.2008


Ersatzteil
deutschenglishfrench
PreisBildkaufen
Teil 1 ACHSSCHENKEL:LI:LT-5:SD PKT:0
Art.Nr.: WG-638-04007
Part 1 AXLE ASM:FRT:LH LT-5
Article no.: WG-638-04007
Partie 1 AXE AVANT GAUCHE
Numéro d'article: WG-638-04007
38,45 €**ohne Abbildung
Teil 2 ACHSSCHENKEL VST:VORN:RE:LT-5
Art.Nr.: WG-638-04008
Part 2 AXLE ASM:FRT:RH LT-5
Article no.: WG-638-04008
Partie 2 AXE AVANT DROIT
Numéro d'article: WG-638-04008
42,50 €**ohne Abbildung
Teil 4 6KT-SCHRAUBE:TT:5/16-18:0.63
Art.Nr.: WG-710-0604A
Part 4 SCR:TT:5/16-18:0.63:HXINDWSH
Article no.: WG-710-0604A
Partie 4 VIS 5/16-18:0.625
Numéro d'article: WG-710-0604A
3,74 € ohne Abbildung
Teil 5 6KT-S-BUNDMUTTER 3/8-16:GRN5
Art.Nr.: WG-712-04065
Part 5 NUT:HEXFLGLK:3/8-16:GRN5:NYLON
Article no.: WG-712-04065
Partie 5 ECROU HEXAGONAL
Numéro d'article: WG-712-04065
4,19 € Teil 5 6KT-S-BUNDMUTTER 3/8-16:GRN5 Art.Nr.: WG-712-04065
Teil 6 SPLINT:5/32:1.25
Art.Nr.: WG-714-04039
Part 6 PIN:COT:5/32:1.25
Article no.: WG-714-04039
Partie 6 EPINGLE
Numéro d'article: WG-714-04039
4,79 € Teil 6 SPLINT:5/32:1.25 Art.Nr.: WG-714-04039
Teil 7 SPLINT:1/8 x 0.75
Art.Nr.: WG-714-0474
Part 7 PIN:COT:SPLIT:1/8X0.75
Article no.: WG-714-0474
Partie 7 GOUPILLE
Numéro d'article: WG-714-0474
2,95 € Teil 7 SPLINT:1/8 x 0.75 Art.Nr.: WG-714-0474
Teil 8 AUFDRUCKKAPPE:3/4-M19
Art.Nr.: WG-726-0341
Part 8 CAP:PUSH:LGE:3/4-M19
Article no.: WG-726-0341
Partie 8 CAPUCHON CLIPS
Numéro d'article: WG-726-0341
4,79 € Teil 8 AUFDRUCKKAPPE:3/4-M19 Art.Nr.: WG-726-0341
Teil 9 KAPPE-ACHSE M. ABSCHMIERNIPPEL
Art.Nr.: WG-731-1291A
Part 9 CAP:END:PIVOT BAR
Article no.: WG-731-1291A
Partie 9 CARTER PLASTIQUE
Numéro d'article: WG-731-1291A
9,86 €
Teil 10 SCHEIBE:KLAUE:.781IDx1.590 OD
Art.Nr.: WG-736-04228
Part 10 WASH:FL:.781 ID x1.590 OD:SPCL
Article no.: WG-736-04228
Partie 10 RONDELLE
Numéro d'article: WG-736-04228
4,72 € ohne Abbildung
Teil 12 SCHULTERSCHR:.500x2.370:3/8-16
Art.Nr.: WG-738-04128
Part 12 SCR:SHLDR:0.500 X 2.370:3/8-16
Article no.: WG-738-04128
Partie 12 VIS A EPAULE .500x2.38:3/8-16
Numéro d'article: WG-738-04128
6,69 € ohne Abbildung
Teil 13 FLANSCHLAGER:.760 x .941 x 1.0
Art.Nr.: WG-741-0660A
Part 13 BRG:FLG:.760 x .941 x 1.0
Article no.: WG-741-0660A
Partie 13 BAGUE ESSIEU DE ROUE
Numéro d'article: WG-741-0660A
6,26 € Teil 13 FLANSCHLAGER:.760 x .941 x 1.0 Art.Nr.: WG-741-0660A
Teil 14 SPURSTANGE: LT-5
Art.Nr.: WG-747-04299A
Part 14 ROD:FIXED:LT-5
Article no.: WG-747-04299A
Partie 14 TRINGLE DE DIRECTION
Numéro d'article: WG-747-04299A
26,48 €**Teil 14 SPURSTANGE: LT-5 Art.Nr.: WG-747-04299A
inkl. 19 % MwSt. Steuer-Info
zzgl. Versandkosten
Lieferzeit: 3-10 Werktage*
In den Warenkorb

Wenn Sie Hilfe zu einer Störung Ihres MTD Gerätes benötigen, nehmen Sie einfach Kontakt zu uns auf. Sie können gerne auch eine Nachricht per WhatsApp an 0152 560 383 53 senden. Wir helfen Ihnen gerne!

Alle aufgelisteten Ersatzteile sind original MTD Ersatzteile.

Alle Artikel aus der Kategorie Ersatzteile MTD Rasentraktor JF 135 H Typ: 13AH793F478 (2007)

Bitte beachten Sie, dass Elektro MTD Ersatzteile nur von Elektrofachkräften nach Vorgabe des Herstellers unter Berücksichtigung der gesetzlichen Vorschriften ersetzt werden dürfen.

Info zu GPSR: Stanley Black & Decker Deutschland GmbH Black-&-Decker-Strasse 40, 65510 Idstein support@blackanddecker.de

    Kategorien
    Ersatzteil-Fee

    Die Ersatzteilfee

    Das rege Interesse an dem Angebot in meinem Onlineshop hat mir gezeigt, dass die Zufriedenheit meiner Kunden sehr groß ist. Zahlreiche positive Kundenmeinungen bestätigen den gut sortierten Aufbau des Shops, die gute Beratung und den zügigen Versand. Mehr über mich...

    Wir helfen Ihnen gerne, das richtige Ersatzteil zu finden. Dazu können Sie uns auch gerne Anfragen oder Fotos vom Ersatzteil/Gerät auf das Handy 0152 560 383 53
    per WhatsApp senden. SMS Nachrichten können nicht empfangen werden!


    Info zur Mehrwertsteuer

    Lieferland wählen

    Wählen Sie das Lieferland aus, um die Preise inkl. MwSt. abhängig von der Lieferadresse angezeigt zu bekommen.



    Die im Shop angegebenen Preise sind in Euro inkl. der deutschen Mehrwertsteuer angegeben.
    Für Bestellungen aus einem anderen EU-Land muss die dort geltende Mehrwertsteuer berechnet werden. Wenn Sie im Warenkorb das Lieferland auswählen, wird Ihnen auch der korrekte Mehrwertsteuersatz zu Ihrem EU-Land angezeigt.