Ersatzteile MTD Rasentraktor 75 Platinum RD Typ: 13AI913N686  (2013) Motorzubehör
Für eine größere Ansicht klicken Sie auf das Vorschaubild

Ersatzteile MTD Rasentraktor 75 Platinum RD Typ: 13AI913N686 (2013) Motorzubehör

MTD
MTD Art.Nr.: E3-07563B-01
Hier können Sie Ersatzteile MTD Rasentraktor 75 Platinum RD Typ: 13AI913N686 (2013) Motorzubehör einfach online kaufen.

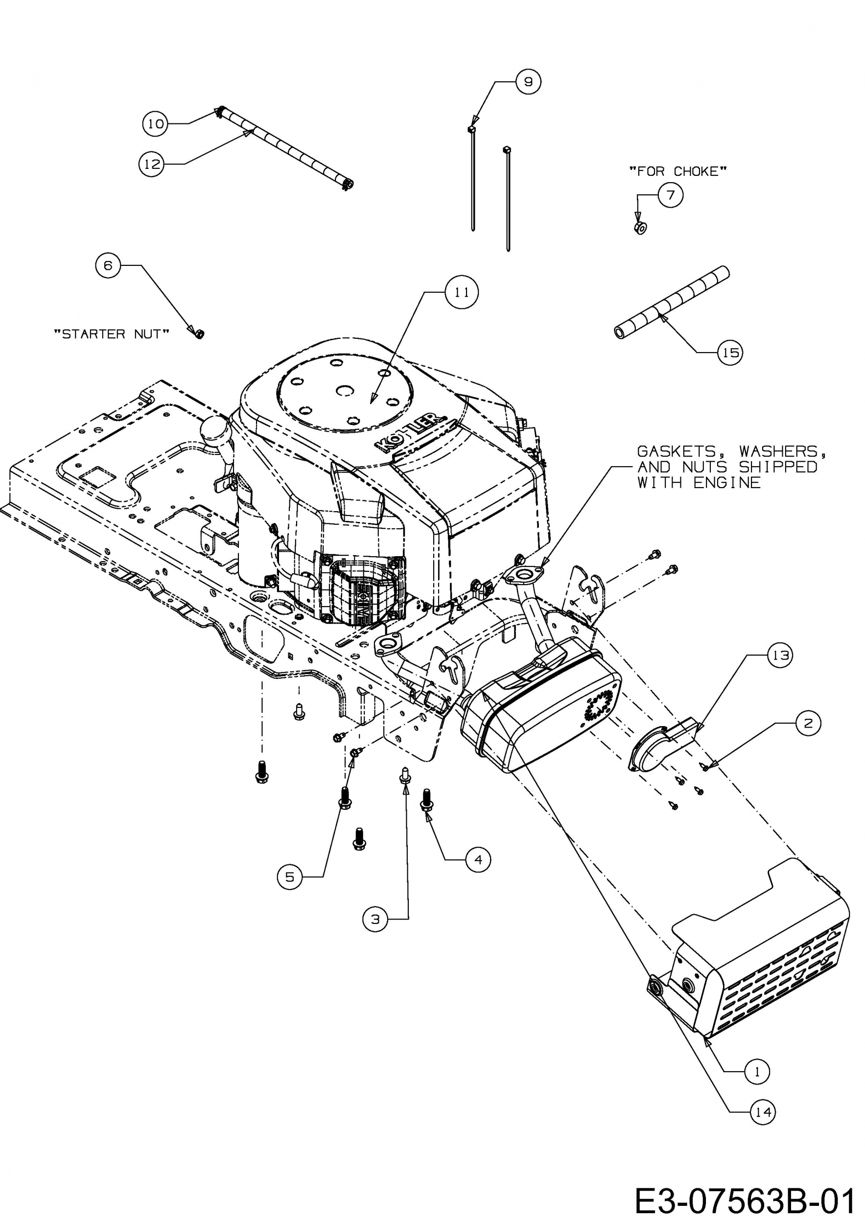
In der Skizze sind die Teile mit einer Zahl gekennzeichnet. Diese finden Sie in der Tabelle wieder und können so das Ersatzteil aus der Tabelle auswählen und online kaufen.


Ersatzteil
deutschenglishfrench
PreisBildkaufen
Teil 2 6KT-BLECHSCHR:AB:#8-18:0.50
Art.Nr.: WG-710-0227
Part 2 SCR:AB:#8-18:0.50:HXINDWH
Article no.: WG-710-0227
Partie 2 VIS
Numéro d'article: WG-710-0227
2,68 € Teil 2 6KT-BLECHSCHR:AB:#8-18:0.50 Art.Nr.: WG-710-0227
Teil 3 6KT-SCHRAUBE:TT:5/16-9:0.75
Art.Nr.: WG-710-04484
Part 3 SCR:TT:5/16-9:0.75:HXINDWSH
Article no.: WG-710-04484
Partie 3 VIS HEX. TT:5/16-18:.750:HXIND
Numéro d'article: WG-710-04484
6,10 € Teil 3 6KT-SCHRAUBE:TT:5/16-9:0.75 Art.Nr.: WG-710-04484
Teil 4 6KT-SCHR:TT:SEMS:3/8-16:1.63
Art.Nr.: WG-710-1007
Part 4 SCR:TT:SEMS:3/8-16:1.63:HXLWSH
Article no.: WG-710-1007
Partie 4 VIS HEX.TTSEMS3/8-16:1,500
Numéro d'article: WG-710-1007
4,31 € Teil 4 6KT-SCHR:TT:SEMS:3/8-16:1.63 Art.Nr.: WG-710-1007
Teil 5 6KT-SCHRAUBE:TT:1/4-20:0.500
Art.Nr.: WG-710-0599
Part 5 SCREW:TT:1/4-20:0.500:HXINDWSH
Article no.: WG-710-0599
Partie 5 VIS A SIX PANS CREUX
Numéro d'article: WG-710-0599
4,58 € Teil 5 6KT-SCHRAUBE:TT:1/4-20:0.500 Art.Nr.: WG-710-0599
Teil 6 6KT-MUTTER 1/4-20"+ZAHNSCHEIBE
Art.Nr.: WG-712-0271
Part 6 NUT:HEXKEPS:1/4-20:GR5
Article no.: WG-712-0271
Partie 6 ECROU 1/4-20"+ DISQUE DENTE
Numéro d'article: WG-712-0271
2,68 € ohne Abbildung
Teil 7 6KT-S-BUNDMUTTER:3/8-16:GR5
Art.Nr.: WG-712-3005
Part 7 NUT:HEXFLGLK:3/8-16:GR5:SERR
Article no.: WG-712-3005
Partie 7 ECROU AVEC FLANC:3/8-16:GR5
Numéro d'article: WG-712-3005
2,95 € ohne Abbildung
Teil 9 KABELBINDER:.05X.18X7.56:50LB
Art.Nr.: WG-725-0157
Part 9 TIE:CBL:0.05X0.18X7.56:50LB
Article no.: WG-725-0157
Partie 9 COLLIER DE SERRAGE3/16X0.5X7.4
Numéro d'article: WG-725-0157
2,68 € ohne Abbildung
Teil 10 SCHLAUCHKLEMME: 0.50 DIA
Art.Nr.: WG-726-0205
Part 10 CLAMP HOSE: 0.50
Article no.: WG-726-0205
Partie 10 COLLIER DE SERRAGE DE BOYAU
Numéro d'article: WG-726-0205
2,56 € Teil 10 SCHLAUCHKLEMME: 0.50 DIA Art.Nr.: WG-726-0205
Teil 13 DEFLEKTOR:AUSPUFF
Art.Nr.: WG-751-11053B
Part 13 DFL:MFLR:LONG EXHAUST
Article no.: WG-751-11053B
Partie 13 DEFLECTEUR D ECHAPPEMENT
Numéro d'article: WG-751-11053B
10,82 € Teil 13 DEFLEKTOR:AUSPUFF Art.Nr.: WG-751-11053B
Teil 14 SCHALLDÄMPFER:TWIN:KAWA 730CC
Art.Nr.: WG-751-11471A
Part 14 MFLR:TWIN:KAWASAKI 730CC
Article no.: WG-751-11471A
Partie 14 ECHAPPEMENT BIS CYLINDRE KAWA
Numéro d'article: WG-751-11471A
120,08 €**ohne Abbildung
inkl. 19 % MwSt. Steuer-Info
zzgl. Versandkosten
Lieferzeit: 3-10 Werktage*
In den Warenkorb

Wenn Sie Hilfe zu einer Störung Ihres MTD Gerätes benötigen, nehmen Sie einfach Kontakt zu uns auf. Sie können gerne auch eine Nachricht per WhatsApp an 0152 560 383 53 senden. Wir helfen Ihnen gerne!

Alle aufgelisteten Ersatzteile sind original MTD Ersatzteile.

Alle Artikel aus der Kategorie Ersatzteile MTD Rasentraktor 75 Platinum RD Typ: 13AI913N686 (2013)

Bitte beachten Sie, dass Elektro MTD Ersatzteile nur von Elektrofachkräften nach Vorgabe des Herstellers unter Berücksichtigung der gesetzlichen Vorschriften ersetzt werden dürfen.

Info zu GPSR: Stanley Black & Decker Deutschland GmbH Black-&-Decker-Strasse 40, 65510 Idstein support@blackanddecker.de

    Kategorien
    Ersatzteil-Fee

    Die Ersatzteilfee

    Das rege Interesse an dem Angebot in meinem Onlineshop hat mir gezeigt, dass die Zufriedenheit meiner Kunden sehr groß ist. Zahlreiche positive Kundenmeinungen bestätigen den gut sortierten Aufbau des Shops, die gute Beratung und den zügigen Versand. Mehr über mich...

    Wir helfen Ihnen gerne, das richtige Ersatzteil zu finden. Dazu können Sie uns auch gerne Anfragen oder Fotos vom Ersatzteil/Gerät auf das Handy 0152 560 383 53
    per WhatsApp senden. SMS Nachrichten können nicht empfangen werden!


    Info zur Mehrwertsteuer

    Lieferland wählen

    Wählen Sie das Lieferland aus, um die Preise inkl. MwSt. abhängig von der Lieferadresse angezeigt zu bekommen.



    Die im Shop angegebenen Preise sind in Euro inkl. der deutschen Mehrwertsteuer angegeben.
    Für Bestellungen aus einem anderen EU-Land muss die dort geltende Mehrwertsteuer berechnet werden. Wenn Sie im Warenkorb das Lieferland auswählen, wird Ihnen auch der korrekte Mehrwertsteuersatz zu Ihrem EU-Land angezeigt.