Ersatzteile MTD Rasentraktor 742 RL Typ: 13AN772G029  (2009) Sitzträger
Für eine größere Ansicht klicken Sie auf das Vorschaubild

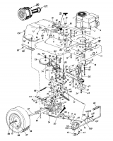
Ersatzteile MTD Rasentraktor 742 RL Typ: 13AN772G029 (2009) Sitzträger

MTD
MTD Art.Nr.: E3-02714A-01
Hier können Sie Ersatzteile MTD Rasentraktor 742 RL Typ: 13AN772G029 (2009) Sitzträger einfach online kaufen.

In der Skizze sind die Teile mit einer Zahl gekennzeichnet. Diese finden Sie in der Tabelle wieder und können so das Ersatzteil aus der Tabelle auswählen und online kaufen.


Ersatzteil
deutschenglishfrench
PreisBildkaufen
Teil 1 6KT-SCHR:FLG:3/8-16:0.88:GR5
Art.Nr.: WG-710-04482
Part 1 HHWSH:3/8-16:0.88:GR5:STD
Article no.: WG-710-04482
Partie 1 VIS:3/8-16:.875:GR5:STD
Numéro d'article: WG-710-04482
2,95 € Teil 1 6KT-SCHR:FLG:3/8-16:0.88:GR5 Art.Nr.: WG-710-04482
Teil 2 6KT-S-BUNDMUTTER:5/16-18:GRN5
Art.Nr.: WG-712-04063
Part 2 NUT:HEXFLGLK:5/16-18:GRN5:NYL
Article no.: WG-712-04063
Partie 2 ECROU HEX. AVEC FLANC
Numéro d'article: WG-712-04063
4,31 € Teil 2 6KT-S-BUNDMUTTER:5/16-18:GRN5 Art.Nr.: WG-712-04063
Teil 3 ZACKENRING:5/16-18
Art.Nr.: WG-726-0201
Part 3 RET:PUSH-ON:BOLT:5/16-18
Article no.: WG-726-0201
Partie 3 RONDELLE .3125 ID
Numéro d'article: WG-726-0201
2,68 € Teil 3 ZACKENRING:5/16-18 Art.Nr.: WG-726-0201
Teil 4 ZUGFEDER F.SITZ:.84 DIAx4.6 LG
Art.Nr.: WG-732-1184
Part 4 SPRING:SEAT:
Article no.: WG-732-1184
Partie 4 RESSORT
Numéro d'article: WG-732-1184
12,34 € Teil 4 ZUGFEDER F.SITZ:.84 DIAx4.6 LG Art.Nr.: WG-732-1184
Teil 5 SCHEIBE:FL:0.339 x0.703 x0.065
Art.Nr.: WG-736-0275
Part 5 WASH:FLAT:0.339 x0.703 x0.065
Article no.: WG-736-0275
Partie 5 RONDELLE
Numéro d'article: WG-736-0275
2,68 € ohne Abbildung
Teil 6 SCHULTERSCHR:.437x.262:5/16-18
Art.Nr.: WG-738-0296
Part 6 SCR:SHLDR:.437 x .262:5/16-18
Article no.: WG-738-0296
Partie 6 AXE EPAULE
Numéro d'article: WG-738-0296
6,69 € ohne Abbildung
Teil 7 SCHULTERSCHR:.625 x.145:3/8-16
Art.Nr.: WG-738-04012A
Part 7 SCR:SHLDR:.625 x.145:3/8-16
Article no.: WG-738-04012A
Partie 7 VIS EPAULEE
Numéro d'article: WG-738-04012A
3,09 € ohne Abbildung
Teil 8 HALTER:FEDER:SITZVERSTELLUNG
Art.Nr.: WG-783-0209D
Part 8 BRKT:LIFT:SEAT
Article no.: WG-783-0209D
Partie 8 SUPP. SI£GE
Numéro d'article: WG-783-0209D
8,88 € ohne Abbildung
Teil 9 SITZPLATTE
Art.Nr.: WG-783-04081D-S
Part 9 CVR:SEATBASE
Article no.: WG-783-04081D-S
Partie 9 PLAQUE SUPPORT DE SIEGE
Numéro d'article: WG-783-04081D-S
49,00 €**Teil 9 SITZPLATTE Art.Nr.: WG-783-04081D-S
inkl. 19 % MwSt. Steuer-Info
zzgl. Versandkosten
Lieferzeit: 3-10 Werktage*
In den Warenkorb

Wenn Sie Hilfe zu einer Störung Ihres MTD Gerätes benötigen, nehmen Sie einfach Kontakt zu uns auf. Sie können gerne auch eine Nachricht per WhatsApp an 0152 560 383 53 senden. Wir helfen Ihnen gerne!

Alle aufgelisteten Ersatzteile sind original MTD Ersatzteile.

Alle Artikel aus der Kategorie Ersatzteile MTD Rasentraktor 742 RL Typ: 13AN772G029 (2009)

Bitte beachten Sie, dass Elektro MTD Ersatzteile nur von Elektrofachkräften nach Vorgabe des Herstellers unter Berücksichtigung der gesetzlichen Vorschriften ersetzt werden dürfen.

Info zu GPSR: Stanley Black & Decker Deutschland GmbH Black-&-Decker-Strasse 40, 65510 Idstein support@blackanddecker.de

    Kategorien
    Ersatzteil-Fee

    Die Ersatzteilfee

    Das rege Interesse an dem Angebot in meinem Onlineshop hat mir gezeigt, dass die Zufriedenheit meiner Kunden sehr groß ist. Zahlreiche positive Kundenmeinungen bestätigen den gut sortierten Aufbau des Shops, die gute Beratung und den zügigen Versand. Mehr über mich...

    Wir helfen Ihnen gerne, das richtige Ersatzteil zu finden. Dazu können Sie uns auch gerne Anfragen oder Fotos vom Ersatzteil/Gerät auf das Handy 0152 560 383 53
    per WhatsApp senden. SMS Nachrichten können nicht empfangen werden!


    Info zur Mehrwertsteuer

    Lieferland wählen

    Wählen Sie das Lieferland aus, um die Preise inkl. MwSt. abhängig von der Lieferadresse angezeigt zu bekommen.



    Die im Shop angegebenen Preise sind in Euro inkl. der deutschen Mehrwertsteuer angegeben.
    Für Bestellungen aus einem anderen EU-Land muss die dort geltende Mehrwertsteuer berechnet werden. Wenn Sie im Warenkorb das Lieferland auswählen, wird Ihnen auch der korrekte Mehrwertsteuersatz zu Ihrem EU-Land angezeigt.