Ersatzteile MTD Rasentraktor 547/42 Typ: 13A877KS308  (2017) Motorzubehör
Für eine größere Ansicht klicken Sie auf das Vorschaubild

Ersatzteile MTD Rasentraktor 547/42 Typ: 13A877KS308 (2017) Motorzubehör

MTD
MTD Art.Nr.: E3-09423B-01
Hier können Sie Ersatzteile MTD Rasentraktor 547/42 Typ: 13A877KS308 (2017) Motorzubehör einfach online kaufen.

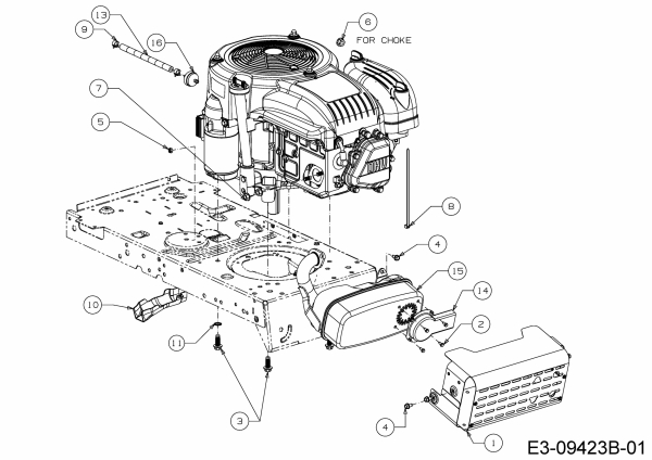
In der Skizze sind die Teile mit einer Zahl gekennzeichnet. Diese finden Sie in der Tabelle wieder und können so das Ersatzteil aus der Tabelle auswählen und online kaufen.


Ersatzteil
deutschenglishfrench
PreisBildkaufen
Teil 2 6KT-BLECHSCHR:AB:#8-18:0.50
Art.Nr.: WG-710-0227
Part 2 SCR:AB:#8-18:0.50:HXINDWH
Article no.: WG-710-0227
Partie 2 VIS
Numéro d'article: WG-710-0227
2,68 € Teil 2 6KT-BLECHSCHR:AB:#8-18:0.50 Art.Nr.: WG-710-0227
Teil 3 6KT-SCHRAUBE:TT:3/8-16:1.000
Art.Nr.: WG-710-04683C
Part 3 SCR.TT:3/8-16:1.000:HEXINDWSH
Article no.: WG-710-04683C
Partie 3 VIS
Numéro d'article: WG-710-04683C
2,49 € Teil 3 6KT-SCHRAUBE:TT:3/8-16:1.000 Art.Nr.: WG-710-04683C
Teil 4 6KT-SCHRAUBE:TT:1/4-20:0.500
Art.Nr.: WG-710-0599
Part 4 SCREW:TT:1/4-20:0.500:HXINDWSH
Article no.: WG-710-0599
Partie 4 VIS A SIX PANS CREUX
Numéro d'article: WG-710-0599
4,58 € Teil 4 6KT-SCHRAUBE:TT:1/4-20:0.500 Art.Nr.: WG-710-0599
Teil 5 S-6KT-MUTTER: M6 DIN 985-8
Art.Nr.: WG-712-0691
Part 5 NUT:HEXLK:M6-1:NYLON:DIN 985
Article no.: WG-712-0691
Partie 5 ECROU HEXAGONAL
Numéro d'article: WG-712-0691
2,68 € Teil 5 S-6KT-MUTTER: M6     DIN 985-8 Art.Nr.: WG-712-0691
Teil 6 6KT-S-BUNDMUTTER:3/8-16:GR5
Art.Nr.: WG-712-3005
Part 6 NUT:HEXFLGLK:3/8-16:GR5:SERR
Article no.: WG-712-3005
Partie 6 ECROU AVEC FLANC:3/8-16:GR5
Numéro d'article: WG-712-3005
2,95 € ohne Abbildung
Teil 7 6KT-MUTTER/FLANSH:M8-1.25:CL10
Art.Nr.: WG-712-3086
Part 7 NUT:HEXFLG:M8-1.25:CL10
Article no.: WG-712-3086
Partie 7 ECROU/FLANC: M8-1.25
Numéro d'article: WG-712-3086
2,68 € ohne Abbildung
Teil 8 KABELBINDER:.05X.18X7.56:50LB
Art.Nr.: WG-725-0157
Part 8 TIE:CBL:0.05X0.18X7.56:50LB
Article no.: WG-725-0157
Partie 8 COLLIER DE SERRAGE3/16X0.5X7.4
Numéro d'article: WG-725-0157
2,68 € ohne Abbildung
Teil 9 SCHLAUCHKLEMME: 0.50 DIA
Art.Nr.: WG-726-0205
Part 9 CLAMP HOSE: 0.50
Article no.: WG-726-0205
Partie 9 COLLIER DE SERRAGE DE BOYAU
Numéro d'article: WG-726-0205
2,56 € Teil 9 SCHLAUCHKLEMME: 0.50 DIA Art.Nr.: WG-726-0205
Teil 10 ÖLABLAUFRINNE
Art.Nr.: WG-731-05628
Part 10 SLEV:DRAIN:OIL
Article no.: WG-731-05628
Partie 10 GOUTIERE VIDANGE D HUILE
Numéro d'article: WG-731-05628
10,52 € Teil 10 ÖLABLAUFRINNE Art.Nr.: WG-731-05628
Teil 11 ZAHNSCHEIBE:3/8:EXT
Art.Nr.: WG-736-0148
Part 11 WASH:LOCK:3/8:EXT
Article no.: WG-736-0148
Partie 11 RONDELLE
Numéro d'article: WG-736-0148
2,47 € ohne Abbildung
Teil 13 KRAFTSTOFFSCHLAUCH:DURCHGANG
Art.Nr.: WG-751-10349
Part 13 HOSE:FUEL:LOW PERMEATION
Article no.: WG-751-10349
Partie 13 TUYAU ESSENCE
Numéro d'article: WG-751-10349
13,99 € ohne Abbildung
Teil 14 DEFLEKTOR:AUSPUFF
Art.Nr.: WG-751-11053B
Part 14 DFL:MFLR:LONG EXHAUST
Article no.: WG-751-11053B
Partie 14 DEFLECTEUR D ECHAPPEMENT
Numéro d'article: WG-751-11053B
10,82 € Teil 14 DEFLEKTOR:AUSPUFF Art.Nr.: WG-751-11053B
Teil 15 SCHALLDÄMPFER:SINGLE:MTD X90
Art.Nr.: WG-751-14585
Part 15 MFLR:MTD X90 SINGLE
Article no.: WG-751-14585
Partie 15 ECHAPPEMENT
Numéro d'article: WG-751-14585
73,56 €**ohne Abbildung
inkl. 19 % MwSt. Steuer-Info
zzgl. Versandkosten
Lieferzeit: 3-10 Werktage*
In den Warenkorb

Wenn Sie Hilfe zu einer Störung Ihres MTD Gerätes benötigen, nehmen Sie einfach Kontakt zu uns auf. Sie können gerne auch eine Nachricht per WhatsApp an 0152 560 383 53 senden. Wir helfen Ihnen gerne!

Alle aufgelisteten Ersatzteile sind original MTD Ersatzteile.

Alle Artikel aus der Kategorie Ersatzteile MTD Rasentraktor 547/42 Typ: 13A877KS308 (2017)

Bitte beachten Sie, dass Elektro MTD Ersatzteile nur von Elektrofachkräften nach Vorgabe des Herstellers unter Berücksichtigung der gesetzlichen Vorschriften ersetzt werden dürfen.

Info zu GPSR: Stanley Black & Decker Deutschland GmbH Black-&-Decker-Strasse 40, 65510 Idstein support@blackanddecker.de

    Kategorien
    Ersatzteil-Fee

    Die Ersatzteilfee

    Das rege Interesse an dem Angebot in meinem Onlineshop hat mir gezeigt, dass die Zufriedenheit meiner Kunden sehr groß ist. Zahlreiche positive Kundenmeinungen bestätigen den gut sortierten Aufbau des Shops, die gute Beratung und den zügigen Versand. Mehr über mich...

    Wir helfen Ihnen gerne, das richtige Ersatzteil zu finden. Dazu können Sie uns auch gerne Anfragen oder Fotos vom Ersatzteil/Gerät auf das Handy 0152 560 383 53
    per WhatsApp senden. SMS Nachrichten können nicht empfangen werden!


    Info zur Mehrwertsteuer

    Lieferland wählen

    Wählen Sie das Lieferland aus, um die Preise inkl. MwSt. abhängig von der Lieferadresse angezeigt zu bekommen.



    Die im Shop angegebenen Preise sind in Euro inkl. der deutschen Mehrwertsteuer angegeben.
    Für Bestellungen aus einem anderen EU-Land muss die dort geltende Mehrwertsteuer berechnet werden. Wenn Sie im Warenkorb das Lieferland auswählen, wird Ihnen auch der korrekte Mehrwertsteuersatz zu Ihrem EU-Land angezeigt.