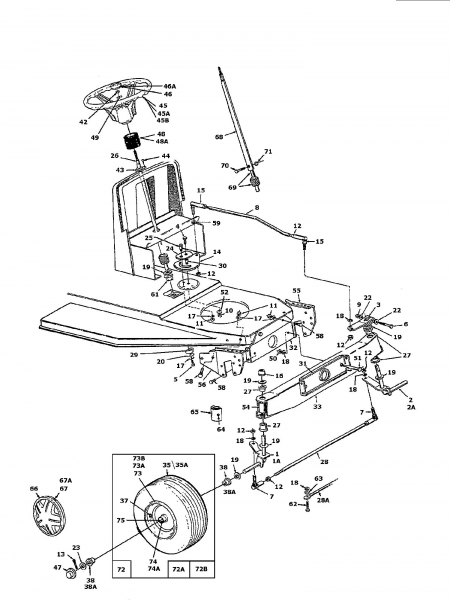
Ersatzteile MTD Rasentraktor 12/81 Typ: 135H450D678  (1995) Vorderachse
Für eine größere Ansicht klicken Sie auf das Vorschaubild

Ersatzteile MTD Rasentraktor 12/81 Typ: 135H450D678 (1995) Vorderachse


Ersatzteil
deutschenglishfrench
PreisBildkaufen
Teil 2 ACHSSCHENKEL LINKS
Art.Nr.: WG-17585
Part 2 AXLE ASSY-FR-LH
Article no.: WG-17585
Partie 2 AXE COMPLET AVANT GAUCHE
Numéro d'article: WG-17585
95,47 €**ohne Abbildung
Teil 2A ACHSSCHENKEL ZUS. LI.
Art.Nr.: WG-683-0041A
Part 2A FRONT AXLE ASSY L.H. 3.64X6.06
Article no.: WG-683-0041A
Partie 2A AXE AVANT GAUCHE
Numéro d'article: WG-683-0041A
44,75 €**ohne Abbildung
Teil 3 LENKHEBEL VOLLST.
Art.Nr.: WG-683-0055637
Part 3 STEERING ARM-WELDMENT
Article no.: WG-683-0055637
Partie 3 BIELLETTE DE DIRECTION
Numéro d'article: WG-683-0055637
46,28 €**Teil 3 LENKHEBEL VOLLST. Art.Nr.: WG-683-0055637
Teil 4 6KT-SCHR:3/8-24:1.00:GR5:STD
Art.Nr.: WG-710-1039
Part 4 SCREW HHCS:3/8-24:1.00:GR5:STD
Article no.: WG-710-1039
Partie 4 VIS HCCS:3/8-24:1.00:GR5:STD
Numéro d'article: WG-710-1039
4,17 € Teil 4 6KT-SCHR:3/8-24:1.00:GR5:STD Art.Nr.: WG-710-1039
Teil 5 6KT-SCHR:5/16-18:.625:GR5:LOCK
Art.Nr.: WG-710-0538
Part 5 HHCS:5/16-18:.625:GR5:LOCK
Article no.: WG-710-0538
Partie 5 VIS HEX.:5/16-18:.625:GR.5:LOC
Numéro d'article: WG-710-0538
3,52 € Teil 5 6KT-SCHR:5/16-18:.625:GR5:LOCK Art.Nr.: WG-710-0538
Teil 6 SKT-SCHR.:5/16-24X2.00
Art.Nr.: WG-710-0772
Part 6 HHCS:5/16-24:2.00:GR5:SPEC
Article no.: WG-710-0772
Partie 6 VIS HEX.:5/16-24X2.00
Numéro d'article: WG-710-0772
7,37 € ohne Abbildung
Teil 7 KUGELGELENK:3/8-24 UNF 2B
Art.Nr.: WG-723-3018
Part 7 BALL:JOINT:3/8 24 UNF 2B
Article no.: WG-723-3018
Partie 7 ROTULE DE DIRECTION 3/8-24
Numéro d'article: WG-723-3018
20,63 € Teil 7 KUGELGELENK:3/8-24 UNF 2B Art.Nr.: WG-723-3018
Teil 7 KUGELGELENK:3/8-24 UNF 2B
Art.Nr.: WG-723-3018
Part 7 BALL:JOINT:3/8 24 UNF 2B
Article no.: WG-723-3018
Partie 7 ROTULE DE DIRECTION 3/8-24
Numéro d'article: WG-723-3018
20,63 € Teil 7 KUGELGELENK:3/8-24 UNF 2B Art.Nr.: WG-723-3018
Teil 9 6KT-MUTTER-STOPP:5/16-24:GRB
Art.Nr.: WG-712-0237
Part 9 NUT:HEXLK:5/16-24:GRB:CTRLK
Article no.: WG-712-0237
Partie 9 ECROU EX.712-0305
Numéro d'article: WG-712-0237
9,29 € ohne Abbildung
Teil 9 6KT-MUTTER-STOPP:5/16-24:GRB
Art.Nr.: WG-712-0237
Part 9 NUT:HEXLK:5/16-24:GRB:CTRLK
Article no.: WG-712-0237
Partie 9 ECROU EX.712-0305
Numéro d'article: WG-712-0237
9,29 € ohne Abbildung
Teil 10 6KT-MUTTER:3/8-24:GR5
Art.Nr.: WG-712-0241
Part 10 NUT:HEX:3/8-24:GR5
Article no.: WG-712-0241
Partie 10 ECROU HEX.: 3/8-24:GR5
Numéro d'article: WG-712-0241
2,42 € Teil 10 6KT-MUTTER:3/8-24:GR5 Art.Nr.: WG-712-0241
Teil 12 SKT.-MUTTER 3/8-24 X .218
Art.Nr.: WG-712-0446
Part 12 HEX JAM NUT 3/8-24 X .218
Article no.: WG-712-0446
Partie 12 ECROU
Numéro d'article: WG-712-0446
3,09 € ohne Abbildung
Teil 13 SPLINT:1/8 x 1.25
Art.Nr.: WG-714-0470
Part 13 PIN:COT:SPLIT:1/8X1.25
Article no.: WG-714-0470
Partie 13 EPINGLE EX AF-43010
Numéro d'article: WG-714-0470
4,58 € Teil 13 SPLINT:1/8 x 1.25 Art.Nr.: WG-714-0470
Teil 16 AUFDRUCKKAPPE:.625 DIA
Art.Nr.: WG-726-0214
Part 16 CAP:PUSH 5/8
Article no.: WG-726-0214
Partie 16 BOUCHON
Numéro d'article: WG-726-0214
5,58 € Teil 16 AUFDRUCKKAPPE:.625 DIA Art.Nr.: WG-726-0214
Teil 17 FEDERRING:5/16" NORMALAUSF.
Art.Nr.: WG-736-0119
Part 17 WASHER:LOCK:5/16:SPLT:REG
Article no.: WG-736-0119
Partie 17 RONDELLE
Numéro d'article: WG-736-0119
3,09 € Teil 17 FEDERRING:5/16
Teil 18 FEDERRING 3/8"
Art.Nr.: WG-736-0169
Part 18 WASH:LOCK:3/8:REGULAR DUTY
Article no.: WG-736-0169
Partie 18 BAGUE ÜLASTIQUE
Numéro d'article: WG-736-0169
2,56 € Teil 18 FEDERRING 3/8
Teil 19 U-SCHEIBE:0.630x1.250x0.060:HD
Art.Nr.: WG-736-0187
Part 19 WASH:FLAT:0.630X1.250X0.060:HD
Article no.: WG-736-0187
Partie 19 RONDELLE .64X1.24X.06
Numéro d'article: WG-736-0187
3,09 € Teil 19 U-SCHEIBE:0.630x1.250x0.060:HD Art.Nr.: WG-736-0187
Teil 20 SCHEIBE:FLACH:.320x1.250x.120
Art.Nr.: WG-736-0343
Part 20 WASH:FLAT:.320 x 1.250 x.120
Article no.: WG-736-0343
Partie 20 RONDELLE .330 ID X 1.25 X .12
Numéro d'article: WG-736-0343
3,62 € Teil 20 SCHEIBE:FLACH:.320x1.250x.120 Art.Nr.: WG-736-0343
Teil 22 WELLENSCHEIBE:.319x.635x.020:
Art.Nr.: WG-736-0271
Part 22 WASH:WAVE:0.319X0.635X0.020:HD
Article no.: WG-736-0271
Partie 22 RONDELLE
Numéro d'article: WG-736-0271
2,83 € ohne Abbildung
Teil 23 U-SCHEIBE:.630 X 1.599 X.060
Art.Nr.: WG-736-0285
Part 23 WASH:FLAT:.630 x 1.599 x.060
Article no.: WG-736-0285
Partie 23 RONDELLE .635 X 1.589 X .06
Numéro d'article: WG-736-0285
4,31 € Teil 23 U-SCHEIBE:.630 X 1.599 X.060 Art.Nr.: WG-736-0285
Teil 24 VERSTEIFUNGSPLATTE
Art.Nr.: WG-17198A
Zur Zeit nicht lieferbar
Part 24 RETAINER PLT-GEAR SEGMENT
Article no.: WG-17198A
currently not available
Partie 24 PLAQUE
Numéro d'article: WG-17198A
actuellement indisponible
ohne Abbildung
Teil 25 SHLT-SCHR. .435 X .350 LG
Art.Nr.: WG-738-0141
Zur Zeit nicht lieferbar
Part 25 SCR:SHLDR:.435 DIA X .350
Article no.: WG-738-0141
currently not available
Partie 25 AXE
Numéro d'article: WG-738-0141
actuellement indisponible
Teil 25 SHLT-SCHR. .435 X .350 LG Art.Nr.: WG-738-0141
Teil 26 LENKSÄULE
Art.Nr.: WG-738-0730
Part 26 steering column
Article no.: WG-738-0730
Partie 26 ARBRE DE DIRECTION
Numéro d'article: WG-738-0730
78,38 €**ohne Abbildung
Teil 27 FLANSCHLAGERBUCHSE .632 ID
Art.Nr.: WG-741-0487C
Zur Zeit nicht lieferbar
Part 27 FLANGE BEARING
Article no.: WG-741-0487C
currently not available
Partie 27 PALIER DE BRIDE
Numéro d'article: WG-741-0487C
actuellement indisponible
Teil 27 FLANSCHLAGERBUCHSE .632 ID Art.Nr.: WG-741-0487C
Teil 27 FLANSCHLAGERBUCHSE .632 ID
Art.Nr.: WG-741-0487C
Zur Zeit nicht lieferbar
Part 27 FLANGE BEARING
Article no.: WG-741-0487C
currently not available
Partie 27 PALIER DE BRIDE
Numéro d'article: WG-741-0487C
actuellement indisponible
Teil 27 FLANSCHLAGERBUCHSE .632 ID Art.Nr.: WG-741-0487C
Teil 28A STANGE, N. EINSTELLB. 21.72"
Art.Nr.: WG-747-0861
Part 28A ROD:TIE:NON-ADJ 21.72 LG
Article no.: WG-747-0861
Partie 28A VOIR 747-0861-0637
Numéro d'article: WG-747-0861
14,47 € ohne Abbildung
Teil 30 DIST-SCHEIBE:0.376X0.625X0.215
Art.Nr.: WG-750-0535
Part 30 SPCR:0.376X0.625X0.215
Article no.: WG-750-0535
Partie 30 ENTRETOISE
Numéro d'article: WG-750-0535
7,27 € ohne Abbildung
Teil 33 VORDERACHSE ZUS.
Art.Nr.: WG-683-0002B637
Part 33 AXLE ASSY-FR
Article no.: WG-683-0002B637
Partie 33 VOIR 753-0642-0637
Numéro d'article: WG-683-0002B637
164,35 €**Teil 33 VORDERACHSE ZUS. Art.Nr.: WG-683-0002B637
Teil 35 REIFEN 15x6.00-6 2 PR K 382TL
Art.Nr.: WG-734-0864
Part 35 TIRE:15 X 6 X 6 RND SH
Article no.: WG-734-0864
Partie 35 PNEU 15*600*6
Numéro d'article: WG-734-0864
83,83 €**ohne Abbildung
Teil 35A REIFEN:13X5.00-6 2PR ST50
Art.Nr.: WG-734-0298
Part 35A TIRE:13x5.0-6 PNEUM TUBELESS
Article no.: WG-734-0298
Partie 35A PNEU 13*500*6
Numéro d'article: WG-734-0298
86,16 €**Teil 35A REIFEN:13X5.00-6 2PR ST50 Art.Nr.: WG-734-0298
Teil 37 LUFTVENTIL:REIFEN
Art.Nr.: WG-734-0255
Part 37 VALVE - TUBELESS AIR
Article no.: WG-734-0255
Partie 37 VALVE:PNEU
Numéro d'article: WG-734-0255
7,33 € Teil 37 LUFTVENTIL:REIFEN Art.Nr.: WG-734-0255
Teil 38A KUGELLAGER:.625 ID x 1.38 OD
Art.Nr.: WG-741-0569
Part 38A BRG:FLG:BALL .625 ID x 1.38 OD
Article no.: WG-741-0569
Partie 38A ROULEMENT DE ROUE AVANT
Numéro d'article: WG-741-0569
18,11 € Teil 38A KUGELLAGER:.625 ID x 1.38 OD Art.Nr.: WG-741-0569
Teil 44 SENKSCHR:#10-16:0.62:OVAL
Art.Nr.: WG-710-0837
Part 44 SCR:AB:#10-16:0.62:OVAL:TYPE 1
Article no.: WG-710-0837
Partie 44 VIS
Numéro d'article: WG-710-0837
3,36 € ohne Abbildung
Teil 46 LENKRADKAPPE rund/schw. 5.5
Art.Nr.: WG-731-0220
Part 46 CAP:WHL:STEERING
Article no.: WG-731-0220
Partie 46 COUVERCLE / VOLANT
Numéro d'article: WG-731-0220
9,72 € ohne Abbildung
Teil 46a DRUCKKAPPE F.LENKRAD
Art.Nr.: WG-731-1459
Part 46a CAP-STEERING WHL SQ
Article no.: WG-731-1459
Partie 46a COUVERCLE BOUCHON /VOLANT
Numéro d'article: WG-731-1459
5,81 € ohne Abbildung
Teil 47 ABDECKKAPPE:RADNABE
Art.Nr.: WG-731-0484A
Part 47 CAP:HUB
Article no.: WG-731-0484A
Partie 47 ENJOLIVEUR DEVANT
Numéro d'article: WG-731-0484A
4,31 € Teil 47 ABDECKKAPPE:RADNABE Art.Nr.: WG-731-0484A
Teil 48A GUMMIBALG
Art.Nr.: WG-731-0954
Dieses Produkt wird mir leider nicht mehr angeboten
Part 48A BELLOW STEERING COLUMN
Article no.: WG-731-0954
no longer available
Partie 48A SOUFFLET GOMMEUX
Numéro d'article: WG-731-0954
plus disponible
ohne Abbildung
Teil 49 TELLERFEDER:0.336X0.885X.060
Art.Nr.: WG-736-0242
Part 49 WASH:BLVL:0.336X0.885X0.060
Article no.: WG-736-0242
Partie 49 RONDELLE CONIQUE.340X.872X.060
Numéro d'article: WG-736-0242
3,74 € Teil 49 TELLERFEDER:0.336X0.885X.060 Art.Nr.: WG-736-0242
Teil 50 6KT-MUTTER:3/8-16:GR2
Art.Nr.: WG-712-0798
Part 50 NUT:HEX:3/8-16:GR2
Article no.: WG-712-0798
Partie 50 ECROU HEXAGONAL
Numéro d'article: WG-712-0798
7,27 € Teil 50 6KT-MUTTER:3/8-16:GR2 Art.Nr.: WG-712-0798
Teil 51 SHLT-SCHR. .498 X 2.045
Art.Nr.: WG-738-0527
Part 51 SCR:SHLDR:.498 DIA X 2.045
Article no.: WG-738-0527
Partie 51 BOULON
Numéro d'article: WG-738-0527
7,49 € ohne Abbildung
Teil 52 TELLERFEDER:.390x 1.380x.062
Art.Nr.: WG-736-0356
Part 52 WASH:BLVL:.390 x 1.380 x .062
Article no.: WG-736-0356
Partie 52 RONDELLE
Numéro d'article: WG-736-0356
3,09 € ohne Abbildung
Teil 54 KUNSTSTOFFBUCHSE
Art.Nr.: WG-731-1389
Dieses Produkt wird mir leider nicht mehr angeboten
Part 54 TUBE-PLASTIC
Article no.: WG-731-1389
no longer available
Partie 54 DOUILLE EN PLASTIQUE
Numéro d'article: WG-731-1389
plus disponible
ohne Abbildung
Teil 56 ACHSAUFHÄNGUNG RECHTS
Art.Nr.: WG-783-0256
Part 56 PLT:SD:PIVOT BAR-R.H.
Article no.: WG-783-0256
Partie 56 SUSPENSION D AXE DROITE
Numéro d'article: WG-783-0256
23,75 € ohne Abbildung
Teil 58 6KT-SCHR:TT:5/16-18 x0.625:HEX
Art.Nr.: WG-710-0604
Part 58 SCREW TT:5/16-18:0.625HXINDWSH
Article no.: WG-710-0604
Partie 58 VIS HEX.TT:5/16-18:0.62
Numéro d'article: WG-710-0604
3,74 € ohne Abbildung
Teil 59 FEDERRING 3/8" SCHW. AUSF.
Art.Nr.: WG-736-0217
Part 59 WASHER:LOCK:3/8:HEAVY DUTY
Article no.: WG-736-0217
Partie 59 RONDELLE GROWER
Numéro d'article: WG-736-0217
2,47 € Teil 59 FEDERRING 3/8
Teil 61 SECHSKANT-FLANSCHLAGER
Art.Nr.: WG-741-0225
Part 61 HEX FLANGE BEARING
Article no.: WG-741-0225
Partie 61 BAGUE HEXAGONALE TEFLON 6 PANS
Numéro d'article: WG-741-0225
4,41 € Teil 61 SECHSKANT-FLANSCHLAGER Art.Nr.: WG-741-0225
Teil 62 SKT-SCHR.3/8-24X1.50" GR.5
Art.Nr.: WG-710-0459
Part 62 HHCS:3/8-24:1.5:GR5:STD
Article no.: WG-710-0459
Partie 62 VIS
Numéro d'article: WG-710-0459
3,48 € ohne Abbildung
Teil 63 6KT-MUTTER:3/8-24:GR5
Art.Nr.: WG-712-0711
Part 63 NUT:JAM:3/8-24:GR5
Article no.: WG-712-0711
Partie 63 ECROU HEXAGONAL
Numéro d'article: WG-712-0711
2,68 € Teil 63 6KT-MUTTER:3/8-24:GR5 Art.Nr.: WG-712-0711
Teil 64 SCHMIERNIPPEL
Art.Nr.: WG-737-0280
Part 64 FITTING-GREASE
Article no.: WG-737-0280
Partie 64 GRAISSEUR
Numéro d'article: WG-737-0280
8,84 € ohne Abbildung
Teil 64 SCHMIERNIPPEL
Art.Nr.: WG-737-0280
Part 64 FITTING-GREASE
Article no.: WG-737-0280
Partie 64 GRAISSEUR
Numéro d'article: WG-737-0280
8,84 € ohne Abbildung
Teil 65 SCHUTZKAPPE
Art.Nr.: WG-731-1291A
Part 65 CAP-PIVOT BAR END
Article no.: WG-731-1291A
Partie 65 PALIER DE GRAISSAGE
Numéro d'article: WG-731-1291A
9,86 €
Teil 66 FEDERCLIP
Art.Nr.: WG-727-0425A
Part 66 SPRING CLIP
Article no.: WG-727-0425A
Partie 66 CLIP ENJOLIVEUR
Numéro d'article: WG-727-0425A
3,09 € ohne Abbildung
Teil 67A RADKAPPE VORNE, GRAU
Art.Nr.: WG-734-1613
Part 67A HUBCAP 6" DIA OYSTER GRAY
Article no.: WG-734-1613
Partie 67A ENJOLIVEUR AVANT GRIS
Numéro d'article: WG-734-1613
22,64 € ohne Abbildung
Teil 68 WELLE
Art.Nr.: WG-738-0896
Part 68 SHAFT ASSY-TINE
Article no.: WG-738-0896
Partie 68 AXE DE COLONNE N.M SERIE 400
Numéro d'article: WG-738-0896
49,18 €**ohne Abbildung
Teil 70 6kt-SCHR: 1/4-20:1.25:GR5:SPEC
Art.Nr.: WG-710-0958
Part 70 HHCS:1/4-20:1.25:GR5:SPEC
Article no.: WG-710-0958
Partie 70 VIS
Numéro d'article: WG-710-0958
6,71 € ohne Abbildung
Teil 71 6KT-S-MUTTER:1/4-20:GR8:NYLON
Art.Nr.: WG-712-0324
Part 71 NUT:HEXLK:1/4-20:GR8:NYLON
Article no.: WG-712-0324
Partie 71 ECROU HEX.:1/4-20:GR8:NYLON
Numéro d'article: WG-712-0324
3,31 € ohne Abbildung
Teil 72 RAD KPL. 15 X 6.0 FLANSCHLAGER
Art.Nr.: WG-634-0087
Part 72 WHEEL ASSY W/TIRE
Article no.: WG-634-0087
Partie 72 ROUE COMPL 15 X 6,0
Numéro d'article: WG-634-0087
204,77 €**ohne Abbildung
Teil 72A RAD KPL.VORN KL.
Art.Nr.: WG-634-0091
Part 72A WHEEL ASSY - COMPL.
Article no.: WG-634-0091
Partie 72A ROUE COMPL
Numéro d'article: WG-634-0091
187,61 €**ohne Abbildung
Teil 72B RAD KPL. 13" X 5"
Art.Nr.: WG-634-0097
Part 72B WHL:COMPL.: 13 X 5 X 6:PLAS
Article no.: WG-634-0097
Partie 72B ROUE COMPL 13" x 15"
Numéro d'article: WG-634-0097
178,33 €**ohne Abbildung
Teil 73 FELGE GESCHW. 6.0X4.5
Art.Nr.: WG-634-0088
Part 73 RIM 6.0x4.5
Article no.: WG-634-0088
Partie 73 JANTE 6.0x4.5
Numéro d'article: WG-634-0088
65,14 €**ohne Abbildung
Teil 74 SCHMIERNIPPEL
Art.Nr.: WG-737-0211
Part 74 FITTING-GREASE
Article no.: WG-737-0211
Partie 74 GRAISSEUR
Numéro d'article: WG-737-0211
3,09 € ohne Abbildung
inkl. 19 % MwSt. Steuer-Info
zzgl. Versandkosten
Lieferzeit: 3-10 Werktage*
In den Warenkorb

Wenn Sie Hilfe zu einer Störung Ihres MTD Gerätes benötigen, nehmen Sie einfach Kontakt zu uns auf. Sie können gerne auch eine Nachricht per WhatsApp an 0152 560 383 53 senden. Wir helfen Ihnen gerne!

Alle aufgelisteten Ersatzteile sind original MTD Ersatzteile.

Alle Artikel aus der Kategorie Ersatzteile MTD Rasentraktor 12/81 Typ: 135H450D678 (1995)

Bitte beachten Sie, dass Elektro MTD Ersatzteile nur von Elektrofachkräften nach Vorgabe des Herstellers unter Berücksichtigung der gesetzlichen Vorschriften ersetzt werden dürfen.

Info zu GPSR: Stanley Black & Decker Deutschland GmbH Black-&-Decker-Strasse 40, 65510 Idstein support@blackanddecker.de

    Kategorien
    Ersatzteil-Fee

    Die Ersatzteilfee

    Das rege Interesse an dem Angebot in meinem Onlineshop hat mir gezeigt, dass die Zufriedenheit meiner Kunden sehr groß ist. Zahlreiche positive Kundenmeinungen bestätigen den gut sortierten Aufbau des Shops, die gute Beratung und den zügigen Versand. Mehr über mich...

    Wir helfen Ihnen gerne, das richtige Ersatzteil zu finden. Dazu können Sie uns auch gerne Anfragen oder Fotos vom Ersatzteil/Gerät auf das Handy 0152 560 383 53
    per WhatsApp senden. SMS Nachrichten können nicht empfangen werden!


    Info zur Mehrwertsteuer

    Lieferland wählen

    Wählen Sie das Lieferland aus, um die Preise inkl. MwSt. abhängig von der Lieferadresse angezeigt zu bekommen.



    Die im Shop angegebenen Preise sind in Euro inkl. der deutschen Mehrwertsteuer angegeben.
    Für Bestellungen aus einem anderen EU-Land muss die dort geltende Mehrwertsteuer berechnet werden. Wenn Sie im Warenkorb das Lieferland auswählen, wird Ihnen auch der korrekte Mehrwertsteuersatz zu Ihrem EU-Land angezeigt.