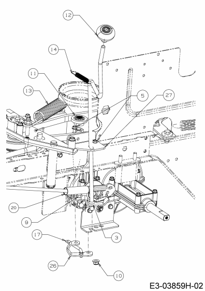
Ersatzteile MTD Rasentraktor 115/92 B Typ: 13IH761E600  (2018) Schalthebel
Für eine größere Ansicht klicken Sie auf das Vorschaubild

Ersatzteile MTD Rasentraktor 115/92 B Typ: 13IH761E600 (2018) Schalthebel

MTD
MTD Art.Nr.: E3-03859H-02
Hier können Sie Ersatzteile MTD Rasentraktor 115/92 B Typ: 13IH761E600 (2018) Schalthebel einfach online kaufen.

In der Skizze sind die Teile mit einer Zahl gekennzeichnet. Diese finden Sie in der Tabelle wieder und können so das Ersatzteil aus der Tabelle auswählen und online kaufen.


Ersatzteil
deutschenglishfrench
PreisBildkaufen
Teil 3 SCHALTSTANGE VOLLST:RR DIS LT5
Art.Nr.: WG-647-05112A
Part 3 ROD ASM:SHFT:RR DIS LT-5
Article no.: WG-647-05112A
Partie 3 LEVIER INVERSEUR
Numéro d'article: WG-647-05112A
19,77 €**Teil 3 SCHALTSTANGE VOLLST:RR DIS LT5 Art.Nr.: WG-647-05112A
Teil 5 6KT-SCHRAUBE:TT:1/4-20:0.500
Art.Nr.: WG-710-0599
Part 5 SCREW:TT:1/4-20:0.500:HXINDWSH
Article no.: WG-710-0599
Partie 5 VIS A SIX PANS CREUX
Numéro d'article: WG-710-0599
4,58 € Teil 5 6KT-SCHRAUBE:TT:1/4-20:0.500 Art.Nr.: WG-710-0599
Teil 6 6KT-SCHRAUBE:TT:5/16-18:0.63
Art.Nr.: WG-710-0604A
Part 6 SCR:TT:5/16-18:0.63:HXINDWSH
Article no.: WG-710-0604A
Partie 6 VIS 5/16-18:0.625
Numéro d'article: WG-710-0604A
3,74 € ohne Abbildung
Teil 7 6KT-SCHRAUBE:TT:1/4-20:1.25
Art.Nr.: WG-710-0809
Part 7 SCR:TT:1/4-20:1.25:HXINDWSH
Article no.: WG-710-0809
Partie 7 VIS HEX. TT:1/4-20:1.250:HXIND
Numéro d'article: WG-710-0809
3,21 € ohne Abbildung
Teil 8 6KT-SCHR:TT:1/4-20:1.750:HXIND
Art.Nr.: WG-710-1026
Part 8 SCREW:TT:1/4-20:1.750:HXINDWSH
Article no.: WG-710-1026
Partie 8 VIS HEX:TT:1/4-20:1.750
Numéro d'article: WG-710-1026
3,09 € Teil 8 6KT-SCHR:TT:1/4-20:1.750:HXIND Art.Nr.: WG-710-1026
Teil 9 6KT-SCHR:5/16-18:0.62:GR5:STD
Art.Nr.: WG-710-3025
Part 9 HHCS:5/16-18:0.62:GR5:STD
Article no.: WG-710-3025
Partie 9 VIS
Numéro d'article: WG-710-3025
2,68 € ohne Abbildung
Teil 10 6KT-S-BUNDMUTTER:5/16-18:GRN5
Art.Nr.: WG-712-04063
Part 10 NUT:HEXFLGLK:5/16-18:GRN5:NYL
Article no.: WG-712-04063
Partie 10 ECROU HEX. AVEC FLANC
Numéro d'article: WG-712-04063
4,31 € Teil 10 6KT-S-BUNDMUTTER:5/16-18:GRN5 Art.Nr.: WG-712-04063
Teil 11 NABE:RIEMENSCHEIBE:5/8 INNEN-
Art.Nr.: WG-718-04407
Part 11 HUB:PUL:5/8 SPLINE
Article no.: WG-718-04407
Partie 11 MOYEU: POULIE:5/8 DENTELURE
Numéro d'article: WG-718-04407
20,71 € Teil 11 NABE:RIEMENSCHEIBE:5/8 INNEN- Art.Nr.: WG-718-04407
Teil 12 SCHALTKNAUF
Art.Nr.: WG-720-04028
Part 12 KNOB:SHIFT: BLACK
Article no.: WG-720-04028
Partie 12 POIGNEE INVERSEUR
Numéro d'article: WG-720-04028
8,99 € Teil 12 SCHALTKNAUF Art.Nr.: WG-720-04028
Teil 13 ZUGFEDER:1.063 DIA x 8.576 LG
Art.Nr.: WG-732-04517
Part 13 SPR:EXTN:1.063 DIA x 8.576 LG
Article no.: WG-732-04517
Partie 13 RESSORT
Numéro d'article: WG-732-04517
15,82 € Teil 13 ZUGFEDER:1.063 DIA x 8.576 LG Art.Nr.: WG-732-04517
Teil 14 ZUGFEDER:.45 OD X 3.32 LG
Art.Nr.: WG-732-05609
Part 14 SPR:EXT:.45 OD x 3.32 LG
Article no.: WG-732-05609
Partie 14 ZUGFEDER:.45 OD X 3.32 LG
Numéro d'article: WG-732-05609
18,42 € ohne Abbildung
Teil 15 SCHALTSTANGE:GETRIEBE:HECKAUSW
Art.Nr.: WG-747-04780
Part 15 ROD:CNTRL:TRANS RR DIS LT-5
Article no.: WG-747-04780
Partie 15 TRINGLE
Numéro d'article: WG-747-04780
41,68 €**ohne Abbildung
Teil 17 STANGE:UMSCHALTEN:ENTRIEGELUNG
Art.Nr.: WG-747-06967
Part 17 ROD:CONT:SHIFT/RELEASE:RRDISLT
Article no.: WG-747-06967
Partie 17 TIGE
Numéro d'article: WG-747-06967
16,74 € Teil 17 STANGE:UMSCHALTEN:ENTRIEGELUNG Art.Nr.: WG-747-06967
Teil 18 DISTANZSTÜCK:0.255x0.376x1.420
Art.Nr.: WG-750-04456
Part 18 SPACER:0.255 x 0.376 x 1.420
Article no.: WG-750-04456
Partie 18 ENTRETOISE
Numéro d'article: WG-750-04456
4,56 € Teil 18 DISTANZSTÜCK:0.255x0.376x1.420 Art.Nr.: WG-750-04456
Teil 19 DISTANZSTÜCK:0.255x0.376x1.030
Art.Nr.: WG-750-0566A
Part 19 SPCR:0.255 X 0.376 X 1.030 LG
Article no.: WG-750-0566A
Partie 19 ENTRETOISE
Numéro d'article: WG-750-0566A
8,23 € Teil 19 DISTANZSTÜCK:0.255x0.376x1.030 Art.Nr.: WG-750-0566A
Teil 20 DISTANZROHR:0.630x0.770x2.630
Art.Nr.: WG-750-0802
Part 20 SPCR:0.630 X 0.770 X 2.630
Article no.: WG-750-0802
Partie 20 ENTRETOISE / .640IDX.760DX2.63
Numéro d'article: WG-750-0802
2,56 € ohne Abbildung
Teil 21 KEILRIEMEN:V TYPE:5Lx65.96 LG
Art.Nr.: WG-754-04211
Part 21 BELT:V TYPE:5L x 65.96 LG POLY
Article no.: WG-754-04211
Partie 21 COURROIE MOTEUR VARIATEUR
Numéro d'article: WG-754-04211
98,76 €**Teil 21 KEILRIEMEN:V TYPE:5Lx65.96 LG Art.Nr.: WG-754-04211
Teil 22 KEILRIEMEN:V TYPE:5Lx45.95"LG
Art.Nr.: WG-754-04268
Part 22 BELT:V TYPE:5L x 45.95LG POLY
Article no.: WG-754-04268
Partie 22 COURROIE VARIATEUR PONT LT5
Numéro d'article: WG-754-04268
38,19 €**Teil 22 KEILRIEMEN:V TYPE:5Lx45.95
Teil 24 SPANNROLLENHALTER:TRANS:RR
Art.Nr.: WG-783-06623
Part 24 BRKT:TRANS:RR IDLR
Article no.: WG-783-06623
Partie 24 SUPPORT
Numéro d'article: WG-783-06623
16,52 € ohne Abbildung
Teil 25 SPERRKLINKE:SPEED:LT5:NRMC
Art.Nr.: WG-783-06991A-S
Part 25 BRKT:LATCH:SPD:NRMC
Article no.: WG-783-06991A-S
Partie 25 SUPPORT
Numéro d'article: WG-783-06991A-S
9,50 € Teil 25 SPERRKLINKE:SPEED:LT5:NRMC Art.Nr.: WG-783-06991A-S
Teil 26 SCHALTHEBELFÜHRUNG:RR DIS LT-5
Art.Nr.: WG-783-09625
Part 26 BRKT:SHFT:ADJ:RRDISLT5
Article no.: WG-783-09625
Partie 26 SUPPORT
Numéro d'article: WG-783-09625
7,70 € ohne Abbildung
Teil 27 FÜHRUNGSWINKEL:SCHALTUNG
Art.Nr.: WG-783-09677
Part 27 BRKT:SUPT:SHFT
Article no.: WG-783-09677
Partie 27 SUPPORT
Numéro d'article: WG-783-09677
7,70 € Teil 27 FÜHRUNGSWINKEL:SCHALTUNG Art.Nr.: WG-783-09677
inkl. 19 % MwSt. Steuer-Info
zzgl. Versandkosten
Lieferzeit: 3-10 Werktage*
In den Warenkorb

Wenn Sie Hilfe zu einer Störung Ihres MTD Gerätes benötigen, nehmen Sie einfach Kontakt zu uns auf. Sie können gerne auch eine Nachricht per WhatsApp an 0152 560 383 53 senden. Wir helfen Ihnen gerne!

Alle aufgelisteten Ersatzteile sind original MTD Ersatzteile.

Alle Artikel aus der Kategorie Ersatzteile MTD Rasentraktor 115/92 B Typ: 13IH761E600 (2018)

Bitte beachten Sie, dass Elektro MTD Ersatzteile nur von Elektrofachkräften nach Vorgabe des Herstellers unter Berücksichtigung der gesetzlichen Vorschriften ersetzt werden dürfen.

Info zu GPSR: Stanley Black & Decker Deutschland GmbH Black-&-Decker-Strasse 40, 65510 Idstein support@blackanddecker.de

    Kategorien
    Ersatzteil-Fee

    Die Ersatzteilfee

    Das rege Interesse an dem Angebot in meinem Onlineshop hat mir gezeigt, dass die Zufriedenheit meiner Kunden sehr groß ist. Zahlreiche positive Kundenmeinungen bestätigen den gut sortierten Aufbau des Shops, die gute Beratung und den zügigen Versand. Mehr über mich...

    Wir helfen Ihnen gerne, das richtige Ersatzteil zu finden. Dazu können Sie uns auch gerne Anfragen oder Fotos vom Ersatzteil/Gerät auf das Handy 0152 560 383 53
    per WhatsApp senden. SMS Nachrichten können nicht empfangen werden!


    Info zur Mehrwertsteuer

    Lieferland wählen

    Wählen Sie das Lieferland aus, um die Preise inkl. MwSt. abhängig von der Lieferadresse angezeigt zu bekommen.



    Die im Shop angegebenen Preise sind in Euro inkl. der deutschen Mehrwertsteuer angegeben.
    Für Bestellungen aus einem anderen EU-Land muss die dort geltende Mehrwertsteuer berechnet werden. Wenn Sie im Warenkorb das Lieferland auswählen, wird Ihnen auch der korrekte Mehrwertsteuersatz zu Ihrem EU-Land angezeigt.