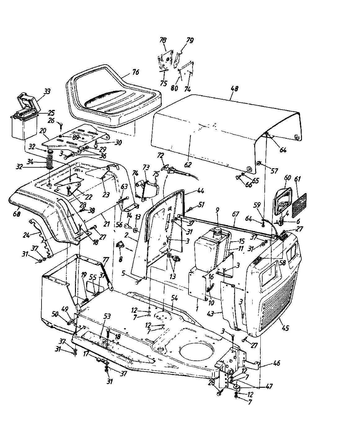
Ersatzteile MTD Rasentraktor 11/81 Typ: 137-3320  (1987) Armaturenbrett, Motorhaube, Sitzwanne
Für eine größere Ansicht klicken Sie auf das Vorschaubild

Ersatzteile MTD Rasentraktor 11/81 Typ: 137-3320 (1987) Armaturenbrett, Motorhaube, Sitzwanne

MTD
MTD Art.Nr.: A1986-87-496-01
Hier können Sie Ersatzteile MTD Rasentraktor 11/81 Typ: 137-3320 (1987) Armaturenbrett, Motorhaube, Sitzwanne einfach online kaufen.

In der Skizze sind die Teile mit einer Zahl gekennzeichnet. Diese finden Sie in der Tabelle wieder und können so das Ersatzteil aus der Tabelle auswählen und online kaufen.


Ersatzteil
deutschenglishfrench
PreisBildkaufen
Teil 3 6KT-SCHR.5/16-18:.75:GR2:STD
Art.Nr.: WG-710-0118
Part 3 HHCS:5/16-18:.75:GR2:STD
Article no.: WG-710-0118
Partie 3 VIS
Numéro d'article: WG-710-0118
2,68 € ohne Abbildung
Teil 5
Art.Nr.: WG-710-0776
Part 5
Article no.: WG-710-0776
Partie 5
Numéro d'article: WG-710-0776
2,61 € ohne Abbildung
Teil 6
Art.Nr.: WG-725-1058
Part 6
Article no.: WG-725-1058
Partie 6
Numéro d'article: WG-725-1058
14,74 € ohne Abbildung
Teil 8 WIPPSCHALTER:LICHT
Art.Nr.: WG-725-0634
Part 8 SW:ROCKER
Article no.: WG-725-0634
Partie 8 COMMUTATEUR
Numéro d'article: WG-725-0634
18,88 € Teil 8 WIPPSCHALTER:LICHT Art.Nr.: WG-725-0634
Teil 11 KABELBINDER: 7.8 x 750 mm
Art.Nr.: WG-726-0230
Part 11 TIE:CBL:30.66 LG
Article no.: WG-726-0230
Partie 11 COLLIER
Numéro d'article: WG-726-0230
5,35 € Teil 11 KABELBINDER: 7.8 x 750 mm Art.Nr.: WG-726-0230
Teil 12 FEDERRING:5/16" NORMALAUSF.
Art.Nr.: WG-736-0119
Part 12 WASHER:LOCK:5/16:SPLT:REG
Article no.: WG-736-0119
Partie 12 RONDELLE
Numéro d'article: WG-736-0119
3,09 € Teil 12 FEDERRING:5/16
Teil 13 ZÜNDSCHLOß M.SCHL. 5POL (ADAPT
Art.Nr.: WG-725-0267B
Part 13 SW:IGN:5 PIN
Article no.: WG-725-0267B
Partie 13 CONTACTEUR A CLE 5 FICHES
Numéro d'article: WG-725-0267B
19,37 € Teil 13 ZÜNDSCHLOß M.SCHL. 5POL (ADAPT Art.Nr.: WG-725-0267B
Teil 14 ZÜNDSCHLÜSSEL
Art.Nr.: WG-925-0201
Part 14 IGNITION KEY FOR 7 PRONG SWITC
Article no.: WG-925-0201
Partie 14 CLE DE CONTACT
Numéro d'article: WG-925-0201
6,36 € Teil 14 ZÜNDSCHLÜSSEL Art.Nr.: WG-925-0201
Teil 16
Art.Nr.: WG-751-0173
Part 16
Article no.: WG-751-0173
Partie 16
Numéro d'article: WG-751-0173
13,99 € ohne Abbildung
Teil 17
Art.Nr.: WG-761-0157
Part 17
Article no.: WG-761-0157
Partie 17
Numéro d'article: WG-761-0157
31,76 €**ohne Abbildung
Teil 18 FL-RD-SCHRAUBE:1/4-20:0.62:GR2
Art.Nr.: WG-710-0134
Part 18 BOLT:CRG:1/4-20:0.62:GR2:STD
Article no.: WG-710-0134
Partie 18 VIS ¡ T¤TE PLATE
Numéro d'article: WG-710-0134
2,68 € Teil 18 FL-RD-SCHRAUBE:1/4-20:0.62:GR2 Art.Nr.: WG-710-0134
Teil 26 6KT-SCHRAUBE:TT:5/16-18:1.00
Art.Nr.: WG-710-0602
Part 26 SCR:TT:5/16-18:1.00:HXINDWSH
Article no.: WG-710-0602
Partie 26 VIS
Numéro d'article: WG-710-0602
4,20 € ohne Abbildung
Teil 27 HALB-RD-SCHR:1/4-20:.750:BTN
Art.Nr.: WG-710-0255
Part 27 SCR:MACH:1/4-20:0.75:ALLOY:BTN
Article no.: WG-710-0255
Partie 27 VIS
Numéro d'article: WG-710-0255
2,68 € ohne Abbildung
Teil 28 6KT-SCHR:AB:5/16-12:0.750
Art.Nr.: WG-710-0726
Part 28 SCR:AB:5/16-12:0.750:HXINDWSH
Article no.: WG-710-0726
Partie 28 VIS 5/16-12:0.750:HXINDWS
Numéro d'article: WG-710-0726
3,09 € Teil 28 6KT-SCHR:AB:5/16-12:0.750 Art.Nr.: WG-710-0726
Teil 29 6KT-S-MUTTER:5/16-18:GRA:CTRLK
Art.Nr.: WG-712-0158
Part 29 NUT:HEXLK:5/16-18:GRA:CTRLK
Article no.: WG-712-0158
Partie 29 ECROU EX AF-43064
Numéro d'article: WG-712-0158
6,14 € ohne Abbildung
Teil 30 6KT-BLECHSCHR:TT:3/8-16:0.75
Art.Nr.: WG-710-0623
Part 30 SCR:TT:3/8-16:.75:HXINDWSH
Article no.: WG-710-0623
Partie 30 VIS PARK. HEX.:TT:3/8-16:0.750
Numéro d'article: WG-710-0623
5,35 € ohne Abbildung
Teil 31 6KT-MUTTER:1/4-20:GR2
Art.Nr.: WG-712-0287
Part 31 NUT:HEX:1/4-20:GR2
Article no.: WG-712-0287
Partie 31 ECROU HEXAGONAL 1/4-20:GR2
Numéro d'article: WG-712-0287
2,73 € ohne Abbildung
Teil 32 GUMMISCHEIBE
Art.Nr.: WG-735-0126
Part 32 WASHER-RUBBER
Article no.: WG-735-0126
Partie 32 RONDELLE CAOUTCHOUC
Numéro d'article: WG-735-0126
2,73 € ohne Abbildung
Teil 36 TELLERFEDER:0.336X0.885X.060
Art.Nr.: WG-736-0242
Part 36 WASH:BLVL:0.336X0.885X0.060
Article no.: WG-736-0242
Partie 36 RONDELLE CONIQUE.340X.872X.060
Numéro d'article: WG-736-0242
3,74 € Teil 36 TELLERFEDER:0.336X0.885X.060 Art.Nr.: WG-736-0242
Teil 37 FEDERRING:1/4" NORMALAUSF.
Art.Nr.: WG-736-0329
Part 37 WASH:LOCK:1/4:SPLT:REG
Article no.: WG-736-0329
Partie 37 RONDELLE GROWER
Numéro d'article: WG-736-0329
2,95 € ohne Abbildung
Teil 38 KREUZSCHLITZ-SCHR:#10-16:0.500
Art.Nr.: WG-710-0351
Part 38 SCR:B:#10-16:0.5":PANPHI
Article no.: WG-710-0351
Partie 38 VIS
Numéro d'article: WG-710-0351
3,38 € Teil 38 KREUZSCHLITZ-SCHR:#10-16:0.500 Art.Nr.: WG-710-0351
Teil 44 KANTENSCHUTZ
Art.Nr.: WG-731-0511-37
Part 44 FAOM
Article no.: WG-731-0511-37
Partie 44 BORDURE DE PROTECTION
Numéro d'article: WG-731-0511-37
19,34 € Teil 44 KANTENSCHUTZ Art.Nr.: WG-731-0511-37
Teil 44 KANTENSCHUTZ
Art.Nr.: WG-731-0511-37
Part 44 FAOM
Article no.: WG-731-0511-37
Partie 44 BORDURE DE PROTECTION
Numéro d'article: WG-731-0511-37
19,34 € Teil 44 KANTENSCHUTZ Art.Nr.: WG-731-0511-37
Teil 44 KANTENSCHUTZ
Art.Nr.: WG-731-0511-37
Part 44 FAOM
Article no.: WG-731-0511-37
Partie 44 BORDURE DE PROTECTION
Numéro d'article: WG-731-0511-37
19,34 € Teil 44 KANTENSCHUTZ Art.Nr.: WG-731-0511-37
Teil 50 6KT-MUTTER:3/8-24:GR5
Art.Nr.: WG-712-0241
Part 50 NUT:HEX:3/8-24:GR5
Article no.: WG-712-0241
Partie 50 ECROU HEX.: 3/8-24:GR5
Numéro d'article: WG-712-0241
2,42 € Teil 50 6KT-MUTTER:3/8-24:GR5 Art.Nr.: WG-712-0241
Teil 51 SKT-SCHR.1/4-20X.62" LG.
Art.Nr.: WG-710-0258
Part 51 HHCS:1/4-20:.625:GR2:STD
Article no.: WG-710-0258
Partie 51 VIS
Numéro d'article: WG-710-0258
2,88 € ohne Abbildung
Teil 53
Art.Nr.: WG-723-0308
Part 53
Article no.: WG-723-0308
Partie 53
Numéro d'article: WG-723-0308
14,65 € ohne Abbildung
Teil 54
Art.Nr.: WG-723-0309
Part 54
Article no.: WG-723-0309
Partie 54
Numéro d'article: WG-723-0309
14,65 € ohne Abbildung
Teil 55 6KT-MUTTER:1/4-28:GR5
Art.Nr.: WG-712-0138
Part 55 NUT:HEX:1/4-28:GR5
Article no.: WG-712-0138
Partie 55 ECROU HEX. 1/4-28"
Numéro d'article: WG-712-0138
2,68 € Teil 55 6KT-MUTTER:1/4-28:GR5 Art.Nr.: WG-712-0138
Teil 57 6KT-S-MUTTER 1/4-28:GRF
Art.Nr.: WG-712-0380
Part 57 NUT:HEXFLGLK:1/4-28:GRF:TOPLK
Article no.: WG-712-0380
Partie 57 ECROU HEX.:1/4-28:GRF
Numéro d'article: WG-712-0380
2,61 € Teil 57 6KT-S-MUTTER 1/4-28:GRF Art.Nr.: WG-712-0380
Teil 59 HAUBENAUFFANGLEINE
Art.Nr.: WG-723-0302
Part 59 HOOD STOP X 7.0
Article no.: WG-723-0302
Partie 59 CABLE
Numéro d'article: WG-723-0302
21,12 € ohne Abbildung
Teil 63 U-SCHEIBE:0.276 x0.749 x0.063
Art.Nr.: WG-736-0173
Part 63 WASH:FLAT:0.276x0.749x0.063
Article no.: WG-736-0173
Partie 63 RONDELLE 281DX 74ODX.063
Numéro d'article: WG-736-0173
2,68 € ohne Abbildung
Teil 64 SKT-MUTTER:#10-24
Art.Nr.: WG-712-0272
Part 64 NUT SEMS:#10-24
Article no.: WG-712-0272
Partie 64 ECROU
Numéro d'article: WG-712-0272
2,88 € ohne Abbildung
Teil 65 FL-SCHEIBE:.390 x .625 x .012
Art.Nr.: WG-736-0413
Part 65 WASH-SPR:.390 x.625 x.012
Article no.: WG-736-0413
Partie 65 RONDELLE .62 OD X .390 X .01
Numéro d'article: WG-736-0413
3,09 € Teil 65 FL-SCHEIBE:.390 x .625 x .012 Art.Nr.: WG-736-0413
Teil 66 SCHULTERSCHRAUBE .375 DIA X .1
Art.Nr.: WG-738-0952A
Part 66 SHOULDER BOLT .375 DIA X .125
Article no.: WG-738-0952A
Partie 66 VIS
Numéro d'article: WG-738-0952A
3,21 € Teil 66 SCHULTERSCHRAUBE .375 DIA X .1 Art.Nr.: WG-738-0952A
Teil 67
Art.Nr.: WG-749-0722
Part 67
Article no.: WG-749-0722
Partie 67
Numéro d'article: WG-749-0722
17,03 € ohne Abbildung
Teil 73
Art.Nr.: WG-831-0823
Part 73
Article no.: WG-831-0823
Partie 73
Numéro d'article: WG-831-0823
25,38 €**ohne Abbildung
Teil 74
Art.Nr.: WG-710-0779
Part 74
Article no.: WG-710-0779
Partie 74
Numéro d'article: WG-710-0779
2,61 € ohne Abbildung
Teil 75 BOWDENZUG LOSE 18.5"
Art.Nr.: WG-746-0501
Part 75 CABLE
Article no.: WG-746-0501
Partie 75 CABLE gaz
Numéro d'article: WG-746-0501
23,54 € Teil 75 BOWDENZUG LOSE 18.5
Teil 78
Art.Nr.: WG-731-0796
Part 78
Article no.: WG-731-0796
Partie 78
Numéro d'article: WG-731-0796
25,38 €**ohne Abbildung
Teil 80
Art.Nr.: WG-731-0797
Part 80
Article no.: WG-731-0797
Partie 80
Numéro d'article: WG-731-0797
25,38 €**ohne Abbildung
inkl. 19 % MwSt. Steuer-Info
zzgl. Versandkosten
Lieferzeit: 3-10 Werktage*
In den Warenkorb

Wenn Sie Hilfe zu einer Störung Ihres MTD Gerätes benötigen, nehmen Sie einfach Kontakt zu uns auf. Sie können gerne auch eine Nachricht per WhatsApp an 0152 560 383 53 senden. Wir helfen Ihnen gerne!

Alle aufgelisteten Ersatzteile sind original MTD Ersatzteile.

Alle Artikel aus der Kategorie Ersatzteile MTD Rasentraktor 11/81 Typ: 137-3320 (1987)

Bitte beachten Sie, dass Elektro MTD Ersatzteile nur von Elektrofachkräften nach Vorgabe des Herstellers unter Berücksichtigung der gesetzlichen Vorschriften ersetzt werden dürfen.

Info zu GPSR: Stanley Black & Decker Deutschland GmbH Black-&-Decker-Strasse 40, 65510 Idstein support@blackanddecker.de

    Kategorien
    Ersatzteil-Fee

    Die Ersatzteilfee

    Das rege Interesse an dem Angebot in meinem Onlineshop hat mir gezeigt, dass die Zufriedenheit meiner Kunden sehr groß ist. Zahlreiche positive Kundenmeinungen bestätigen den gut sortierten Aufbau des Shops, die gute Beratung und den zügigen Versand. Mehr über mich...

    Wir helfen Ihnen gerne, das richtige Ersatzteil zu finden. Dazu können Sie uns auch gerne Anfragen oder Fotos vom Ersatzteil/Gerät auf das Handy 0152 560 383 53
    per WhatsApp senden. SMS Nachrichten können nicht empfangen werden!


    Info zur Mehrwertsteuer

    Lieferland wählen

    Wählen Sie das Lieferland aus, um die Preise inkl. MwSt. abhängig von der Lieferadresse angezeigt zu bekommen.



    Die im Shop angegebenen Preise sind in Euro inkl. der deutschen Mehrwertsteuer angegeben.
    Für Bestellungen aus einem anderen EU-Land muss die dort geltende Mehrwertsteuer berechnet werden. Wenn Sie im Warenkorb das Lieferland auswählen, wird Ihnen auch der korrekte Mehrwertsteuersatz zu Ihrem EU-Land angezeigt.