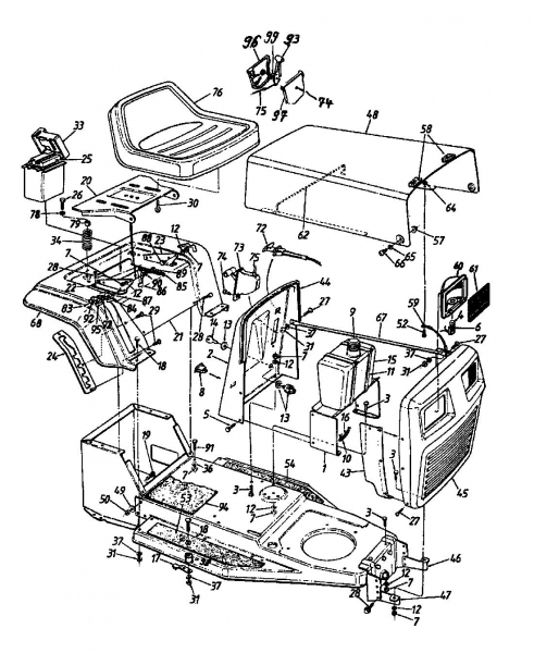
Ersatzteile MTD Rasentraktor 11/81 Typ: 130-332D  (1990) Armaturenbrett, Motorhaube, Sitzwanne
Für eine größere Ansicht klicken Sie auf das Vorschaubild

Ersatzteile MTD Rasentraktor 11/81 Typ: 130-332D (1990) Armaturenbrett, Motorhaube, Sitzwanne

MTD
MTD Art.Nr.: A1989-90-1545-01
Hier können Sie Ersatzteile MTD Rasentraktor 11/81 Typ: 130-332D (1990) Armaturenbrett, Motorhaube, Sitzwanne einfach online kaufen.

In der Skizze sind die Teile mit einer Zahl gekennzeichnet. Diese finden Sie in der Tabelle wieder und können so das Ersatzteil aus der Tabelle auswählen und online kaufen.


Ersatzteil
deutschenglishfrench
PreisBildkaufen
Teil 3 6KT-SCHR.5/16-18:.75:GR2:STD
Art.Nr.: WG-710-0118
Part 3 HHCS:5/16-18:.75:GR2:STD
Article no.: WG-710-0118
Partie 3 VIS
Numéro d'article: WG-710-0118
2,68 € ohne Abbildung
Teil 4 GLÜHLAMPE:12V 21W #1156
Art.Nr.: WG-725-0963
Part 4 LAMP:#1156
Article no.: WG-725-0963
Partie 4 AMPOULE ELECTRIQUE
Numéro d'article: WG-725-0963
7,70 € Teil 4 GLÜHLAMPE:12V 21W #1156 Art.Nr.: WG-725-0963
Teil 6
Art.Nr.: WG-725-1058
Part 6
Article no.: WG-725-1058
Partie 6
Numéro d'article: WG-725-1058
14,74 € ohne Abbildung
Teil 8 WIPPSCHALTER:LICHT
Art.Nr.: WG-725-0634
Part 8 SW:ROCKER
Article no.: WG-725-0634
Partie 8 COMMUTATEUR
Numéro d'article: WG-725-0634
18,88 € Teil 8 WIPPSCHALTER:LICHT Art.Nr.: WG-725-0634
Teil 9
Art.Nr.: WG-751-3071
Part 9
Article no.: WG-751-3071
Partie 9
Numéro d'article: WG-751-3071
8,99 € ohne Abbildung
Teil 10 SCHLAUCHKLEMME: 0.50 DIA
Art.Nr.: WG-726-0205
Part 10 CLAMP HOSE: 0.50
Article no.: WG-726-0205
Partie 10 COLLIER DE SERRAGE DE BOYAU
Numéro d'article: WG-726-0205
2,56 € Teil 10 SCHLAUCHKLEMME: 0.50 DIA Art.Nr.: WG-726-0205
Teil 11 KABELBINDER: 7.8 x 750 mm
Art.Nr.: WG-726-0230
Part 11 TIE:CBL:30.66 LG
Article no.: WG-726-0230
Partie 11 COLLIER
Numéro d'article: WG-726-0230
5,35 € Teil 11 KABELBINDER: 7.8 x 750 mm Art.Nr.: WG-726-0230
Teil 12 FEDERRING:5/16" NORMALAUSF.
Art.Nr.: WG-736-0119
Part 12 WASHER:LOCK:5/16:SPLT:REG
Article no.: WG-736-0119
Partie 12 RONDELLE
Numéro d'article: WG-736-0119
3,09 € Teil 12 FEDERRING:5/16
Teil 13 ZÜNDSCHLOß M.SCHL. 5POL (ADAPT
Art.Nr.: WG-725-0267B
Part 13 SW:IGN:5 PIN
Article no.: WG-725-0267B
Partie 13 CONTACTEUR A CLE 5 FICHES
Numéro d'article: WG-725-0267B
19,37 € Teil 13 ZÜNDSCHLOß M.SCHL. 5POL (ADAPT Art.Nr.: WG-725-0267B
Teil 14 ZÜNDSCHLÜSSEL
Art.Nr.: WG-925-0201
Part 14 IGNITION KEY FOR 7 PRONG SWITC
Article no.: WG-925-0201
Partie 14 CLE DE CONTACT
Numéro d'article: WG-925-0201
6,36 € Teil 14 ZÜNDSCHLÜSSEL Art.Nr.: WG-925-0201
Teil 15 KRAFTSTOFFTANK:1.25 GAL(ca.5L)
Art.Nr.: WG-751-0553
Part 15 TANK:FUEL:1.25 GALLON
Article no.: WG-751-0553
Partie 15 RESERVOIR 5 L ENV.
Numéro d'article: WG-751-0553
57,79 €**Teil 15 KRAFTSTOFFTANK:1.25 GAL(ca.5L) Art.Nr.: WG-751-0553
Teil 16 KRAFTSTOFFSCHLAUCH E-TEIL-SET
Art.Nr.: WG-751-10349-54
Part 16 GAS LINE 15" LG.
Article no.: WG-751-10349-54
Partie 16 TUYAU / ESSENCE
Numéro d'article: WG-751-10349-54
26,78 €**Teil 16 KRAFTSTOFFSCHLAUCH E-TEIL-SET Art.Nr.: WG-751-10349-54
Teil 18 FL-RD-SCHRAUBE:1/4-20x1.25:GR5
Art.Nr.: WG-710-0111
Part 18 BOLT:CRG:1/4-20:1.25:GR5:FTHD
Article no.: WG-710-0111
Partie 18 VIS 1/4-20X1,25"
Numéro d'article: WG-710-0111
2,61 € ohne Abbildung
Teil 24 SCHNITTHÖHENPLATTE 6-FACH
Art.Nr.: WG-17553
Part 24 BRKT:INDX:LIFT:DK:6POS-PAI
Article no.: WG-17553
Partie 24 PLAQUE D EPAISSEUR DE COUPURE
Numéro d'article: WG-17553
19,41 € Teil 24 SCHNITTHÖHENPLATTE 6-FACH Art.Nr.: WG-17553
Teil 26 6KT-SCHR.:TT:5/16-18:1.250:HXI
Art.Nr.: WG-710-0817
Part 26 SCR:TT:5/16-18:1.250:HXINDWSH
Article no.: WG-710-0817
Partie 26 VIS HEXAGONALE
Numéro d'article: WG-710-0817
3,43 € ohne Abbildung
Teil 27 HALB-RD-SCHR:1/4-20:.750:BTN
Art.Nr.: WG-710-0255
Part 27 SCR:MACH:1/4-20:0.75:ALLOY:BTN
Article no.: WG-710-0255
Partie 27 VIS
Numéro d'article: WG-710-0255
2,68 € ohne Abbildung
Teil 28 6KT-SCHR:AB:5/16-12:0.750
Art.Nr.: WG-710-0726
Part 28 SCR:AB:5/16-12:0.750:HXINDWSH
Article no.: WG-710-0726
Partie 28 VIS 5/16-12:0.750:HXINDWS
Numéro d'article: WG-710-0726
3,09 € Teil 28 6KT-SCHR:AB:5/16-12:0.750 Art.Nr.: WG-710-0726
Teil 29 SCHR:AB:1/4-14:0.625:TRUSTRXI
Art.Nr.: WG-710-1017
Part 29 TAP SCREW:1/4-14:.625:TRUSTRXI
Article no.: WG-710-1017
Partie 29 VIS
Numéro d'article: WG-710-1017
2,56 € Teil 29 SCHR:AB:1/4-14:0.625:TRUSTRXI Art.Nr.: WG-710-1017
Teil 30 6KT-BLECHSCHR:TT:3/8-16:0.75
Art.Nr.: WG-710-0623
Part 30 SCR:TT:3/8-16:.75:HXINDWSH
Article no.: WG-710-0623
Partie 30 VIS PARK. HEX.:TT:3/8-16:0.750
Numéro d'article: WG-710-0623
5,35 € ohne Abbildung
Teil 31 6KT-MUTTER:1/4-20:GR2
Art.Nr.: WG-712-0287
Part 31 NUT:HEX:1/4-20:GR2
Article no.: WG-712-0287
Partie 31 ECROU HEXAGONAL 1/4-20:GR2
Numéro d'article: WG-712-0287
2,73 € ohne Abbildung
Teil 34 DRUCKFEDER:1.35 OD x 3.6
Art.Nr.: WG-732-0588
Part 34 SPRG:COMP 1.35 OD X 3,6
Article no.: WG-732-0588
Partie 34 RESSORT DE PRESSION
Numéro d'article: WG-732-0588
13,63 € Teil 34 DRUCKFEDER:1.35 OD x 3.6 Art.Nr.: WG-732-0588
Teil 36 TELLERFEDER:0.336X0.885X.060
Art.Nr.: WG-736-0242
Part 36 WASH:BLVL:0.336X0.885X0.060
Article no.: WG-736-0242
Partie 36 RONDELLE CONIQUE.340X.872X.060
Numéro d'article: WG-736-0242
3,74 € Teil 36 TELLERFEDER:0.336X0.885X.060 Art.Nr.: WG-736-0242
Teil 37 FEDERRING:1/4" NORMALAUSF.
Art.Nr.: WG-736-0329
Part 37 WASH:LOCK:1/4:SPLT:REG
Article no.: WG-736-0329
Partie 37 RONDELLE GROWER
Numéro d'article: WG-736-0329
2,95 € ohne Abbildung
Teil 49 FEDERRING 3/8" SCHW. AUSF.
Art.Nr.: WG-736-0217
Part 49 WASHER:LOCK:3/8:HEAVY DUTY
Article no.: WG-736-0217
Partie 49 RONDELLE GROWER
Numéro d'article: WG-736-0217
2,47 € Teil 49 FEDERRING 3/8
Teil 50 6KT-MUTTER:3/8-24:GR5
Art.Nr.: WG-712-0241
Part 50 NUT:HEX:3/8-24:GR5
Article no.: WG-712-0241
Partie 50 ECROU HEX.: 3/8-24:GR5
Numéro d'article: WG-712-0241
2,42 € Teil 50 6KT-MUTTER:3/8-24:GR5 Art.Nr.: WG-712-0241
Teil 52 HALBR.SCHR:#10-24:0.500:TRUSPH
Art.Nr.: WG-710-0473
Part 52 SCR:MACH:#10-24:0.500:TRUSPHI
Article no.: WG-710-0473
Partie 52 VIS 1/4-20x;75
Numéro d'article: WG-710-0473
4,63 € ohne Abbildung
Teil 54 TRITTBRETTBELAG L.
Art.Nr.: WG-723-0475
Part 54 ABRASIVE FOOT PAD-LH
Article no.: WG-723-0475
Partie 54 MARCHE PIED EX.723-0309
Numéro d'article: WG-723-0475
14,65 € Teil 54 TRITTBRETTBELAG L. Art.Nr.: WG-723-0475
Teil 57 6KT-S-MUTTER 1/4-28:GRF
Art.Nr.: WG-712-0380
Part 57 NUT:HEXFLGLK:1/4-28:GRF:TOPLK
Article no.: WG-712-0380
Partie 57 ECROU HEX.:1/4-28:GRF
Numéro d'article: WG-712-0380
2,61 € Teil 57 6KT-S-MUTTER 1/4-28:GRF Art.Nr.: WG-712-0380
Teil 59 HAUBENAUFFANGLEINE
Art.Nr.: WG-723-0302
Part 59 HOOD STOP X 7.0
Article no.: WG-723-0302
Partie 59 CABLE
Numéro d'article: WG-723-0302
21,12 € ohne Abbildung
Teil 64 SKT-MUTTER:#10-24
Art.Nr.: WG-712-0272
Part 64 NUT SEMS:#10-24
Article no.: WG-712-0272
Partie 64 ECROU
Numéro d'article: WG-712-0272
2,88 € ohne Abbildung
Teil 65 FL-SCHEIBE:.390 x .625 x .012
Art.Nr.: WG-736-0413
Part 65 WASH-SPR:.390 x.625 x.012
Article no.: WG-736-0413
Partie 65 RONDELLE .62 OD X .390 X .01
Numéro d'article: WG-736-0413
3,09 € Teil 65 FL-SCHEIBE:.390 x .625 x .012 Art.Nr.: WG-736-0413
Teil 66 SCHULTERSCHRAUBE .375 DIA X .1
Art.Nr.: WG-738-0952A
Part 66 SHOULDER BOLT .375 DIA X .125
Article no.: WG-738-0952A
Partie 66 VIS
Numéro d'article: WG-738-0952A
3,21 € Teil 66 SCHULTERSCHRAUBE .375 DIA X .1 Art.Nr.: WG-738-0952A
Teil 67
Art.Nr.: WG-749-0722A
Part 67
Article no.: WG-749-0722A
Partie 67
Numéro d'article: WG-749-0722A
17,03 € ohne Abbildung
Teil 73 MOTORBETRIEBSSCHALTER KPL
Art.Nr.: WG-931-0823A
Part 73 THROTTLE CONTROL BOX ASSY
Article no.: WG-931-0823A
Partie 73 MANETTE GAZ AUTOPORTEE
Numéro d'article: WG-931-0823A
25,38 €**Teil 73 MOTORBETRIEBSSCHALTER KPL Art.Nr.: WG-931-0823A
Teil 74 RUNDKOPFSCHR:AB:#10-16:0.500:
Art.Nr.: WG-710-0779A
Part 74 SCR:AB:#10-16:0.500:TRUSPHI
Article no.: WG-710-0779A
Partie 74 VIS
Numéro d'article: WG-710-0779A
2,61 € Teil 74 RUNDKOPFSCHR:AB:#10-16:0.500: Art.Nr.: WG-710-0779A
Teil 75 BOWDENZUG LOSE 18.5"
Art.Nr.: WG-746-0501
Part 75 CABLE
Article no.: WG-746-0501
Partie 75 CABLE gaz
Numéro d'article: WG-746-0501
23,54 € Teil 75 BOWDENZUG LOSE 18.5
Teil 78 U-SCHEIBE:0.339x0.890x0.063
Art.Nr.: WG-736-0159
Part 78 WASH:FLAT:0.339X0.890X0.063
Article no.: WG-736-0159
Partie 78 RONDELLE .349 X 88X.06"
Numéro d'article: WG-736-0159
3,09 € ohne Abbildung
Teil 83 6KT-BLECHSCHR:AB:#8-18:0.50
Art.Nr.: WG-710-0227
Part 83 SCR:AB:#8-18:0.50:HXINDWH
Article no.: WG-710-0227
Partie 83 VIS
Numéro d'article: WG-710-0227
2,68 € Teil 83 6KT-BLECHSCHR:AB:#8-18:0.50 Art.Nr.: WG-710-0227
Teil 84 SCHALTFEDER:SITZ INNEN
Art.Nr.: WG-725-1439
Part 84 SW:INNER SEAT SPRG
Article no.: WG-725-1439
Partie 84 RESSORT SURETE DE SIEGE
Numéro d'article: WG-725-1439
9,09 € Teil 84 SCHALTFEDER:SITZ INNEN Art.Nr.: WG-725-1439
Teil 85 ZUGFEDER 5.31" LG.
Art.Nr.: WG-732-0581
Part 85 USE 732-0581B
Article no.: WG-732-0581
Partie 85 VOIR 732-0581B
Numéro d'article: WG-732-0581
6,82 € ohne Abbildung
Teil 86 KONTAKTHEBEL
Art.Nr.: WG-17239A
Part 86 SEAT LIFT BRACKET-PHOS & O
Article no.: WG-17239A
Partie 86 LEVIER / CONTACT
Numéro d'article: WG-17239A
9,64 € ohne Abbildung
Teil 87 HAUPTISOLIERPLATTE MIT CLIPS
Art.Nr.: WG-726-0278
Part 87 INSULATING PLATE
Article no.: WG-726-0278
Partie 87 PLAQUE D ISOLATION
Numéro d'article: WG-726-0278
2,56 € ohne Abbildung
Teil 88 SHLT-SCHR:0.437X0.155:5/16-18
Art.Nr.: WG-738-0155
Part 88 SCR:SHLDR:0.437X0.155:5/16-18
Article no.: WG-738-0155
Partie 88 VIS EPAULEE
Numéro d'article: WG-738-0155
7,16 € ohne Abbildung
Teil 89 SCHULTERSCHR:.437x.262:5/16-18
Art.Nr.: WG-738-0296
Part 89 SCR:SHLDR:.437 x .262:5/16-18
Article no.: WG-738-0296
Partie 89 AXE EPAULE
Numéro d'article: WG-738-0296
6,69 € ohne Abbildung
Teil 91 6KT-SCHR:TT:5/16-18 x0.625:HEX
Art.Nr.: WG-710-0604
Part 91 SCREW TT:5/16-18:0.625HXINDWSH
Article no.: WG-710-0604
Partie 91 VIS HEX.TT:5/16-18:0.62
Numéro d'article: WG-710-0604
3,74 € ohne Abbildung
Teil 92 ISOLIERPLATTE
Art.Nr.: WG-726-0279
Part 92 INSULATING PLATE
Article no.: WG-726-0279
Partie 92 PLAQUE D ISOLATION
Numéro d'article: WG-726-0279
2,56 € ohne Abbildung
Teil 95 SCHALTFEDER:SITZ AUSSEN:
Art.Nr.: WG-725-1303
Part 95 SW:OUTER SEAT SPRG
Article no.: WG-725-1303
Partie 95 RESSORT DE SURETE SI£GE
Numéro d'article: WG-725-1303
2,56 € Teil 95 SCHALTFEDER:SITZ AUSSEN: Art.Nr.: WG-725-1303
Teil 96 GEHÄUSETEIL RECHTS
Art.Nr.: WG-731-1068
Part 96 THROTTLE HALF - RH
Article no.: WG-731-1068
Partie 96 DEMI-BO¦TIER DROIT
Numéro d'article: WG-731-1068
25,38 €**ohne Abbildung
Teil 97 GEHÄUSETEIL LINKS
Art.Nr.: WG-731-1067
Part 97 THROTTLE HALF - LH
Article no.: WG-731-1067
Partie 97 PARTIE GAUCHE DE CARTER
Numéro d'article: WG-731-1067
25,38 €**ohne Abbildung
Teil 99 WELLENSCHEIBE:.521X.791X.013:
Art.Nr.: WG-736-0232
Part 99 WASH:WAVE:0.521X0.791X0.013:HD
Article no.: WG-736-0232
Partie 99 RONDELLE
Numéro d'article: WG-736-0232
3,31 € ohne Abbildung
inkl. 19 % MwSt. Steuer-Info
zzgl. Versandkosten
Lieferzeit: 3-10 Werktage*
In den Warenkorb

Wenn Sie Hilfe zu einer Störung Ihres MTD Gerätes benötigen, nehmen Sie einfach Kontakt zu uns auf. Sie können gerne auch eine Nachricht per WhatsApp an 0152 560 383 53 senden. Wir helfen Ihnen gerne!

Alle aufgelisteten Ersatzteile sind original MTD Ersatzteile.

Alle Artikel aus der Kategorie Ersatzteile MTD Rasentraktor 11/81 Typ: 130-332D (1990)

Bitte beachten Sie, dass Elektro MTD Ersatzteile nur von Elektrofachkräften nach Vorgabe des Herstellers unter Berücksichtigung der gesetzlichen Vorschriften ersetzt werden dürfen.

Info zu GPSR: Stanley Black & Decker Deutschland GmbH Black-&-Decker-Strasse 40, 65510 Idstein support@blackanddecker.de

    Kategorien
    Ersatzteil-Fee

    Die Ersatzteilfee

    Das rege Interesse an dem Angebot in meinem Onlineshop hat mir gezeigt, dass die Zufriedenheit meiner Kunden sehr groß ist. Zahlreiche positive Kundenmeinungen bestätigen den gut sortierten Aufbau des Shops, die gute Beratung und den zügigen Versand. Mehr über mich...

    Wir helfen Ihnen gerne, das richtige Ersatzteil zu finden. Dazu können Sie uns auch gerne Anfragen oder Fotos vom Ersatzteil/Gerät auf das Handy 0152 560 383 53
    per WhatsApp senden. SMS Nachrichten können nicht empfangen werden!


    Info zur Mehrwertsteuer

    Lieferland wählen

    Wählen Sie das Lieferland aus, um die Preise inkl. MwSt. abhängig von der Lieferadresse angezeigt zu bekommen.



    Die im Shop angegebenen Preise sind in Euro inkl. der deutschen Mehrwertsteuer angegeben.
    Für Bestellungen aus einem anderen EU-Land muss die dort geltende Mehrwertsteuer berechnet werden. Wenn Sie im Warenkorb das Lieferland auswählen, wird Ihnen auch der korrekte Mehrwertsteuersatz zu Ihrem EU-Land angezeigt.