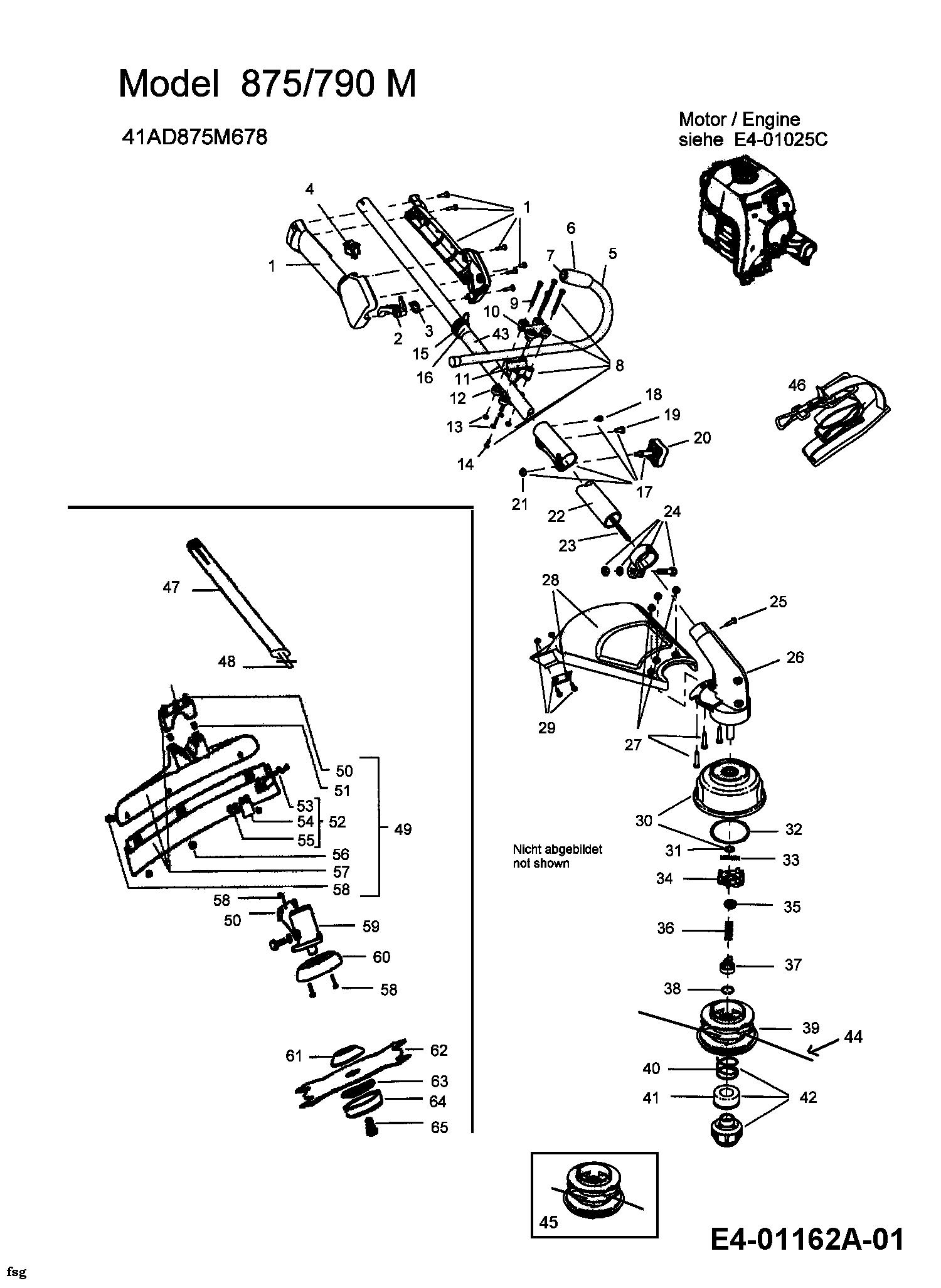
Ersatzteile MTD Motorsense 875/790 M Typ: 41AD875M678  (2004) Grundgerät
Für eine größere Ansicht klicken Sie auf das Vorschaubild

Ersatzteile MTD Motorsense 875/790 M Typ: 41AD875M678 (2004) Grundgerät

MTD
MTD Art.Nr.: E4-01162A-01
Hier können Sie Ersatzteile MTD Motorsense 875/790 M Typ: 41AD875M678 (2004) Grundgerät einfach online kaufen.

In der Skizze sind die Teile mit einer Zahl gekennzeichnet. Diese finden Sie in der Tabelle wieder und können so das Ersatzteil aus der Tabelle auswählen und online kaufen.


Ersatzteil
deutschenglishfrench
PreisBildkaufen
Teil 1 HANDGRIFF & HEBEL KPL.
Art.Nr.: WG-753-04234
Part 1 THROTTLE HOUS. & TRIGGER ASSY
Article no.: WG-753-04234
Partie 1 POIGNEE CLP
Numéro d'article: WG-753-04234
35,15 €**Teil 1 HANDGRIFF & HEBEL KPL. Art.Nr.: WG-753-04234
Teil 2 GASHEBEL
Art.Nr.: WG-791-00042
Part 2 LEVER-THROTTLE
Article no.: WG-791-00042
Partie 2 LEVIER GAZ
Numéro d'article: WG-791-00042
5,58 € ohne Abbildung
Teil 3 SCHENKELFEDER AM GASHEBEL
Art.Nr.: WG-791-182690
Part 3 THROTTLE TRIGGER SPRING
Article no.: WG-791-182690
Partie 3 RESSORT
Numéro d'article: WG-791-182690
6,20 € Teil 3 SCHENKELFEDER AM GASHEBEL Art.Nr.: WG-791-182690
Teil 4 KIPPHEBELSCHALTER KPL.
Art.Nr.: WG-791-182673
Part 4 SWITCH-ON/OFF CULTV/EDGER
Article no.: WG-791-182673
Partie 4 INTERRUPTEUR ¡ LEVIER
Numéro d'article: WG-791-182673
11,67 € Teil 4 KIPPHEBELSCHALTER KPL. Art.Nr.: WG-791-182673
Teil 6 GRIFFÜBERZUG
Art.Nr.: WG-791-612831
Part 6 GRIP
Article no.: WG-791-612831
Partie 6 COUVERCLE DE POIGNEE
Numéro d'article: WG-791-612831
20,64 €**ohne Abbildung
Teil 8 KLEMMSATZ FÜR BÜGELGRIFF
Art.Nr.: WG-791-683295
Part 8 HANDLE BRACKET ASSEMBLY
Article no.: WG-791-683295
Partie 8 KIT SUPPORTS
Numéro d'article: WG-791-683295
50,44 €**ohne Abbildung
Teil 9 SCHRAUBE
Art.Nr.: WG-791-181811
Part 9 Screw
Article no.: WG-791-181811
Partie 9 VIS
Numéro d'article: WG-791-181811
9,17 € ohne Abbildung
Teil 10 BEFEST.KLAMMER OT F. HANDGRIFF
Art.Nr.: WG-791-181812
Part 10 UPPER HANDLE CLAMP
Article no.: WG-791-181812
Partie 10 ATTACHE SUPÜR. DE BRANCARD
Numéro d'article: WG-791-181812
7,23 € ohne Abbildung
Teil 11 BEFEST.KLAMMER MT F. HANDGRIFF
Art.Nr.: WG-791-181813
Part 11 MIDDLE HANDLE CLAMP
Article no.: WG-791-181813
Partie 11 ATTACHE INTERMED. BRANCARD
Numéro d'article: WG-791-181813
10,41 € ohne Abbildung
Teil 12 BEFEST.KLAMMER UT F. HANDGRIFF
Art.Nr.: WG-791-181814
Part 12 LOWER HANDLE CLAMP
Article no.: WG-791-181814
Partie 12 ATTACHE INFER. DE BRANCARD
Numéro d'article: WG-791-181814
9,86 €
Teil 13 MUTTER
Art.Nr.: WG-791-181815
Part 13 Nut
Article no.: WG-791-181815
Partie 13 ECROU
Numéro d'article: WG-791-181815
6,49 € ohne Abbildung
Teil 14 SCHRAUBE
Art.Nr.: WG-791-145569
Part 14 Screw
Article no.: WG-791-145569
Partie 14 VIS
Numéro d'article: WG-791-145569
10,94 € Teil 14 SCHRAUBE Art.Nr.: WG-791-145569
Teil 15 BEFESTIGUNGSCLIP F. SCHULTERG.
Art.Nr.: WG-791-610327
Part 15 SHOULDER STRAP CLIP
Article no.: WG-791-610327
Partie 15 CLIP POUR BANDOULIERE
Numéro d'article: WG-791-610327
22,92 € ohne Abbildung
Teil 17 ZWISCHENSTUECK KPL.
Art.Nr.: WG-753-04088
Zur Zeit nicht lieferbar
Part 17 EZ-LINK COUPLER
Article no.: WG-753-04088
currently not available
Partie 17 ACCOUPLEMENT
Numéro d'article: WG-753-04088
actuellement indisponible
ohne Abbildung
Teil 18 SCHRAUBE
Art.Nr.: WG-791-182057
Part 18 Screw
Article no.: WG-791-182057
Partie 18 VIS
Numéro d'article: WG-791-182057
8,74 € ohne Abbildung
Teil 19 SCHRAUBE
Art.Nr.: WG-791-181617
Part 19 Screw
Article no.: WG-791-181617
Partie 19 VIS
Numéro d'article: WG-791-181617
7,06 € ohne Abbildung
Teil 20 STERNGRIFFSCHRAUBE
Art.Nr.: WG-791-181981
Part 20 ADJUSTMENT KNOB SET
Article no.: WG-791-181981
Partie 20 POIGNEE
Numéro d'article: WG-791-181981
12,56 € ohne Abbildung
Teil 23 ANTRIEBSWELLE
Art.Nr.: WG-791-181166
Part 23 SHAFT, AUXILIARY
Article no.: WG-791-181166
Partie 23 ARBRE D ENTRAINEMENT
Numéro d'article: WG-791-181166
34,31 €**Teil 23 ANTRIEBSWELLE Art.Nr.: WG-791-181166
Teil 24 BEFESTIGUNGKLEMME VOLLST.
Art.Nr.: WG-791-153597
Part 24 LOWER CLAMP ASSEMBLY
Article no.: WG-791-153597
Partie 24 SET DE FIXATION
Numéro d'article: WG-791-153597
24,14 € ohne Abbildung
Teil 25 SCHRAUBE
Art.Nr.: WG-791-145569
Part 25 Screw
Article no.: WG-791-145569
Partie 25 VIS
Numéro d'article: WG-791-145569
10,94 € Teil 25 SCHRAUBE Art.Nr.: WG-791-145569
Teil 29 MESSER
Art.Nr.: WG-791-180553
Part 29 BLADE ASSEMBLY
Article no.: WG-791-180553
Partie 29 COUPE FIL
Numéro d'article: WG-791-180553
21,75 €**ohne Abbildung
Teil 34 MITNEHMER SCHEIBE
Art.Nr.: WG-791-181461
Part 34 SLIDER
Article no.: WG-791-181461
Partie 34 MITNEHMER SCHEIBE
Numéro d'article: WG-791-181461
33,60 €**ohne Abbildung
Teil 42 SPULENDRUCKKNOPF
Art.Nr.: WG-791-181468B
Part 42 BUMB HEAD KNOB ASSY
Article no.: WG-791-181468B
Partie 42 BOUTON PARE CHOC
Numéro d'article: WG-791-181468B
14,58 € ohne Abbildung
Teil 46 SCHULTERGURT
Art.Nr.: WG-791-682075B
Part 46 SHOULDER HARNESS
Article no.: WG-791-682075B
Partie 46 HARNAIS
Numéro d'article: WG-791-682075B
22,53 € ohne Abbildung
Teil 48 FLEXIBLE WELLE
Art.Nr.: WG-RT0011-08
Part 48 SHAFT FLEX
Article no.: WG-RT0011-08
Partie 48 ARBRE FLEXIBLE
Numéro d'article: WG-RT0011-08
53,18 €**ohne Abbildung
Teil 49 SCHUTZSCHILD MIT MESSER
Art.Nr.: WG-RT0071-02
Part 49 SHIELD AND BLADE ASSEMBLY
Article no.: WG-RT0071-02
Partie 49 PROTECTION CLP
Numéro d'article: WG-RT0071-02
57,41 €**ohne Abbildung
Teil 55 MUTTER
Art.Nr.: WG-B00052-00
Part 55 Nut
Article no.: WG-B00052-00
Partie 55 ECROU
Numéro d'article: WG-B00052-00
3,14 € ohne Abbildung
Teil 56 MUTTER
Art.Nr.: WG-930244
Part 56 SPEED NUT-U TYPE
Article no.: WG-930244
Partie 56 MA-A3010108002
Numéro d'article: WG-930244
2,71 € ohne Abbildung
Teil 57 SCHUTZSCHILD
Art.Nr.: WG-B00118-02
Part 57 SHIELD-HEAT
Article no.: WG-B00118-02
Partie 57 CARTER
Numéro d'article: WG-B00118-02
25,51 €**ohne Abbildung
Teil 61 MITNEHMER
Art.Nr.: WG-B00112-00
Part 61 CARRIER
Article no.: WG-B00112-00
Partie 61 MITNEHMER
Numéro d'article: WG-B00112-00
17,47 € ohne Abbildung
Teil 62 MESSER 23cm
Art.Nr.: WG-B00051-00
Part 62 BLADE
Article no.: WG-B00051-00
Partie 62 LAME
Numéro d'article: WG-B00051-00
30,86 €**ohne Abbildung
Teil 63 MESSERHALTER
Art.Nr.: WG-B00111-00
Part 63 blade holder
Article no.: WG-B00111-00
Partie 63 RONDELLE
Numéro d'article: WG-B00111-00
7,70 € ohne Abbildung
Teil 64 ABDECKKAPPE
Art.Nr.: WG-B00110-00
Part 64 CAP
Article no.: WG-B00110-00
Partie 64 CAPUCHON
Numéro d'article: WG-B00110-00
6,69 € ohne Abbildung
Teil 65 SCHRAUBE M10x1.5 (LINKSGEW.)
Art.Nr.: WG-B00114-00
Part 65 SCREW M10x1.5
Article no.: WG-B00114-00
Partie 65 VIS M10x1.5
Numéro d'article: WG-B00114-00
8,52 € Teil 65 SCHRAUBE M10x1.5 (LINKSGEW.) Art.Nr.: WG-B00114-00
inkl. 19 % MwSt. Steuer-Info
zzgl. Versandkosten
Lieferzeit: 3-10 Werktage*
In den Warenkorb

Wenn Sie Hilfe zu einer Störung Ihres MTD Gerätes benötigen, nehmen Sie einfach Kontakt zu uns auf. Sie können gerne auch eine Nachricht per WhatsApp an 0152 560 383 53 senden. Wir helfen Ihnen gerne!

Alle aufgelisteten Ersatzteile sind original MTD Ersatzteile.

Alle Artikel aus der Kategorie Ersatzteile MTD Motorsense 875/790 M Typ: 41AD875M678 (2004)

Bitte beachten Sie, dass Elektro MTD Ersatzteile nur von Elektrofachkräften nach Vorgabe des Herstellers unter Berücksichtigung der gesetzlichen Vorschriften ersetzt werden dürfen.

Info zu GPSR: Stanley Black & Decker Deutschland GmbH Black-&-Decker-Strasse 40, 65510 Idstein support@blackanddecker.de

    Kategorien
    Ersatzteil-Fee

    Die Ersatzteilfee

    Das rege Interesse an dem Angebot in meinem Onlineshop hat mir gezeigt, dass die Zufriedenheit meiner Kunden sehr groß ist. Zahlreiche positive Kundenmeinungen bestätigen den gut sortierten Aufbau des Shops, die gute Beratung und den zügigen Versand. Mehr über mich...

    Wir helfen Ihnen gerne, das richtige Ersatzteil zu finden. Dazu können Sie uns auch gerne Anfragen oder Fotos vom Ersatzteil/Gerät auf das Handy 0152 560 383 53
    per WhatsApp senden. SMS Nachrichten können nicht empfangen werden!


    Info zur Mehrwertsteuer

    Lieferland wählen

    Wählen Sie das Lieferland aus, um die Preise inkl. MwSt. abhängig von der Lieferadresse angezeigt zu bekommen.



    Die im Shop angegebenen Preise sind in Euro inkl. der deutschen Mehrwertsteuer angegeben.
    Für Bestellungen aus einem anderen EU-Land muss die dort geltende Mehrwertsteuer berechnet werden. Wenn Sie im Warenkorb das Lieferland auswählen, wird Ihnen auch der korrekte Mehrwertsteuersatz zu Ihrem EU-Land angezeigt.