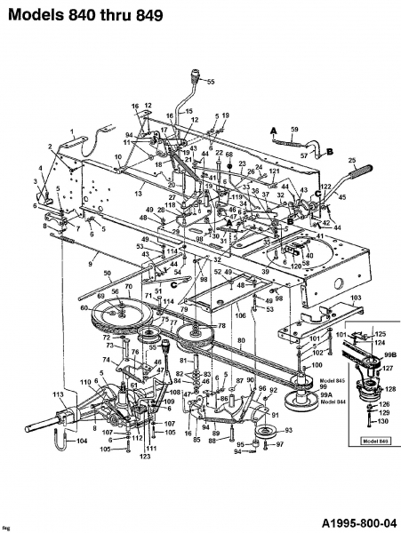
Ersatzteile MTD Gartentraktor U 845 H Typ: 144U845H678  (1994) Fahrantrieb
Für eine größere Ansicht klicken Sie auf das Vorschaubild

Ersatzteile MTD Gartentraktor U 845 H Typ: 144U845H678 (1994) Fahrantrieb

MTD
MTD Art.Nr.: A1995-800-04
Hier können Sie Ersatzteile MTD Gartentraktor U 845 H Typ: 144U845H678 (1994) Fahrantrieb einfach online kaufen.

In der Skizze sind die Teile mit einer Zahl gekennzeichnet. Diese finden Sie in der Tabelle wieder und können so das Ersatzteil aus der Tabelle auswählen und online kaufen.


Ersatzteil
deutschenglishfrench
PreisBildkaufen
Teil 2 6KT-SCHR:AB:5/16-12:0.750
Art.Nr.: WG-710-0726
Part 2 SCR:AB:5/16-12:0.750:HXINDWSH
Article no.: WG-710-0726
Partie 2 VIS 5/16-12:0.750:HXINDWS
Numéro d'article: WG-710-0726
3,09 € Teil 2 6KT-SCHR:AB:5/16-12:0.750 Art.Nr.: WG-710-0726
Teil 4 FEDERSTECKER:0.125:1.94
Art.Nr.: WG-714-0147
Part 4 PIN:HAIR:0.125:1.94
Article no.: WG-714-0147
Partie 4 GOUPILLE ¡ RESSORT:.125 X 1.75
Numéro d'article: WG-714-0147
3,36 € ohne Abbildung
Teil 6 FEDERRING:5/16" NORMALAUSF.
Art.Nr.: WG-736-0119
Part 6 WASHER:LOCK:5/16:SPLT:REG
Article no.: WG-736-0119
Partie 6 RONDELLE
Numéro d'article: WG-736-0119
3,09 € Teil 6 FEDERRING:5/16
Teil 8 6KT-SCHR:5/16-18:0.75 GR5:STD
Art.Nr.: WG-710-3008
Part 8 HHCS:5/16-18:0.75:GR5:STD
Article no.: WG-710-3008
Partie 8 VIS 5/16-18:.75:GR5:STD
Numéro d'article: WG-710-3008
2,68 € ohne Abbildung
Teil 11 SCHEIBE:FL:.385 x.87 x.06:HT
Art.Nr.: WG-736-0267
Part 11 WASH:FLAT:.385 x.87 x.06:HT
Article no.: WG-736-0267
Partie 11 RONDELLE PL.:.385 x.87 x.06:HT
Numéro d'article: WG-736-0267
3,36 € ohne Abbildung
Teil 12 SCHEIBE:WELLE:.438X.750X.017
Art.Nr.: WG-736-0141
Part 12 WASH:WAVE:0.438X0.750X0.017:HD
Article no.: WG-736-0141
Partie 12 RONDELLE
Numéro d'article: WG-736-0141
2,88 € ohne Abbildung
Teil 14 U-SCHEIBE:0.527X0.940X0.092
Art.Nr.: WG-736-0192
Part 14 WASH:FLAT:0.527X0.940X0.092
Article no.: WG-736-0192
Partie 14 RONDELLE .531 X 93 X .090
Numéro d'article: WG-736-0192
3,09 € ohne Abbildung
Teil 16 SCHULTERSCHR:.437x.262:5/16-18
Art.Nr.: WG-738-0296
Part 16 SCR:SHLDR:.437 x .262:5/16-18
Article no.: WG-738-0296
Partie 16 AXE EPAULE
Numéro d'article: WG-738-0296
6,69 € ohne Abbildung
Teil 17 6KT-SCHR:5/16-24:1.25:GR5:STD
Art.Nr.: WG-710-0672
Part 17 HHCS:5/16-24:1.25:GR5:STD
Article no.: WG-710-0672
Partie 17 VIS HEX. 5/16-24:1.25:GR5:STD
Numéro d'article: WG-710-0672
3,36 € Teil 17 6KT-SCHR:5/16-24:1.25:GR5:STD Art.Nr.: WG-710-0672
Teil 18 ZUGFEDER:.50 DIA x 3.97 LG
Art.Nr.: WG-732-0429A
Part 18 SPR:EXTN:.50 DIA X 3.97 LG
Article no.: WG-732-0429A
Partie 18 RESSORT
Numéro d'article: WG-732-0429A
9,64 € Teil 18 ZUGFEDER:.50 DIA x 3.97 LG Art.Nr.: WG-732-0429A
Teil 19 6KT-MUTTER:5/16-24:GR5
Art.Nr.: WG-712-3057
Part 19 NUT:HEX:5/16-24:GR5
Article no.: WG-712-3057
Partie 19 ECROU HEXAGONAL
Numéro d'article: WG-712-3057
3,09 € Teil 19 6KT-MUTTER:5/16-24:GR5 Art.Nr.: WG-712-3057
Teil 20 SHLT-SCHRAUBE 3/8-24X4.5"
Art.Nr.: WG-710-0620
Part 20 SCREW-HEX HD
Article no.: WG-710-0620
Partie 20 VIS
Numéro d'article: WG-710-0620
13,92 € ohne Abbildung
Teil 21 ZUGFEDER:.94 OD X 11.0 LG
Art.Nr.: WG-732-0603
Part 21 EXTENSION SPRING .94 OD X 11.0
Article no.: WG-732-0603
Partie 21 RESSORT
Numéro d'article: WG-732-0603
21,70 € ohne Abbildung
Teil 24 6KT-SCHR:5/16-24:.75 GR5 STD
Art.Nr.: WG-710-0157
Part 24 HHCS:5/16-24:.75:GR5:STD
Article no.: WG-710-0157
Partie 24 VIS HEX.:5/16-24:.75 GR5 STD
Numéro d'article: WG-710-0157
4,72 € Teil 24 6KT-SCHR:5/16-24:.75 GR5 STD Art.Nr.: WG-710-0157
Teil 25 PEDALAUFLAGE:RUND:GUMMI:4.6 LG
Art.Nr.: WG-735-0196
Part 25 PAD:FOOT:4.6 LONG
Article no.: WG-735-0196
Partie 25 GARNITURE PEDALE 4,6 LG
Numéro d'article: WG-735-0196
8,02 € ohne Abbildung
Teil 28 ZUGFEDER
Art.Nr.: WG-732-0568
Part 28 TENSION SPRING
Article no.: WG-732-0568
Partie 28 RESSORT DE TRACTION
Numéro d'article: WG-732-0568
5,70 € ohne Abbildung
Teil 30 FLANSCHLAGERBUCHSE.63x.695x.60
Art.Nr.: WG-741-0495
Part 30 BRG:FLG:.630 ID X.695 OD x.60
Article no.: WG-741-0495
Partie 30 BAGUE
Numéro d'article: WG-741-0495
8,99 € Teil 30 FLANSCHLAGERBUCHSE.63x.695x.60 Art.Nr.: WG-741-0495
Teil 32 6KT-SCHR:5/16-18:1.25:GR5:STD
Art.Nr.: WG-710-0528
Part 32 HHCS:5/16-18:1.25:GR5:STD
Article no.: WG-710-0528
Partie 32 VIS HEX. 5/16-18:1.25:GR5:STD
Numéro d'article: WG-710-0528
3,36 € Teil 32 6KT-SCHR:5/16-18:1.25:GR5:STD Art.Nr.: WG-710-0528
Teil 36 SECHSKANT-FLANSCHLAGER
Art.Nr.: WG-741-0225
Part 36 HEX FLANGE BEARING
Article no.: WG-741-0225
Partie 36 BAGUE HEXAGONALE TEFLON 6 PANS
Numéro d'article: WG-741-0225
4,41 € Teil 36 SECHSKANT-FLANSCHLAGER Art.Nr.: WG-741-0225
Teil 37 SCHULTERBUCHSE:0.315X0.50X0.14
Art.Nr.: WG-748-0234
Part 37 SPCR:SHLDR:0.315X0.500X0.140
Article no.: WG-748-0234
Partie 37 RONDELLE EPAULEE
Numéro d'article: WG-748-0234
5,58 € ohne Abbildung
Teil 38 U-SCHEIBE:0.630x1.250x0.060:HD
Art.Nr.: WG-736-0187
Part 38 WASH:FLAT:0.630X1.250X0.060:HD
Article no.: WG-736-0187
Partie 38 RONDELLE .64X1.24X.06
Numéro d'article: WG-736-0187
3,09 € Teil 38 U-SCHEIBE:0.630x1.250x0.060:HD Art.Nr.: WG-736-0187
Teil 39 6KT-SCHR.5/16-18:.75:GR2:STD
Art.Nr.: WG-710-0118
Part 39 HHCS:5/16-18:.75:GR2:STD
Article no.: WG-710-0118
Partie 39 VIS
Numéro d'article: WG-710-0118
2,68 € ohne Abbildung
Teil 40 SKT-SCHR.10-24X5/8" SS
Art.Nr.: WG-710-0651
Part 40 SCREW-HEX WASH HD
Article no.: WG-710-0651
Partie 40 VIS
Numéro d'article: WG-710-0651
6,39 € ohne Abbildung
Teil 41 U-SCHEIBE:0.401 x0.749 x0.063
Art.Nr.: WG-736-0185
Part 41 WASH:FLAT:0.401x.0749x0.063
Article no.: WG-736-0185
Partie 41 RONDELLE 3/8.738X.063
Numéro d'article: WG-736-0185
3,09 € Teil 41 U-SCHEIBE:0.401 x0.749 x0.063 Art.Nr.: WG-736-0185
Teil 42 SPLINT:1/8 x 1.0"
Art.Nr.: WG-714-0115
Part 42 PIN:COT:SPLIT:1/8 X 1.0
Article no.: WG-714-0115
Partie 42 GOUPILLE FENDUE 1/8 x 1.0
Numéro d'article: WG-714-0115
3,21 € ohne Abbildung
Teil 43 SCHEIBE:FL:0.339 x0.703 x0.065
Art.Nr.: WG-736-0275
Part 43 WASH:FLAT:0.339 x0.703 x0.065
Article no.: WG-736-0275
Partie 43 RONDELLE
Numéro d'article: WG-736-0275
2,68 € ohne Abbildung
Teil 44 SPLINT:3/32 x 1.0"
Art.Nr.: WG-714-0111
Part 44 COTTER PIN 3/32 DIA X 1.00
Article no.: WG-714-0111
Partie 44 GOUPILLE FENDUE 3/32:1.0"
Numéro d'article: WG-714-0111
2,95 € ohne Abbildung
Teil 46 FEDERRING 3/8"
Art.Nr.: WG-736-0169
Part 46 WASH:LOCK:3/8:REGULAR DUTY
Article no.: WG-736-0169
Partie 46 BAGUE ÜLASTIQUE
Numéro d'article: WG-736-0169
2,56 € Teil 46 FEDERRING 3/8
Teil 47 6KT-MUTTER:3/8-24:GR5
Art.Nr.: WG-712-0241
Part 47 NUT:HEX:3/8-24:GR5
Article no.: WG-712-0241
Partie 47 ECROU HEX.: 3/8-24:GR5
Numéro d'article: WG-712-0241
2,42 € Teil 47 6KT-MUTTER:3/8-24:GR5 Art.Nr.: WG-712-0241
Teil 48 FEDERRING:1/4" NORMALAUSF.
Art.Nr.: WG-736-0329
Part 48 WASH:LOCK:1/4:SPLT:REG
Article no.: WG-736-0329
Partie 48 RONDELLE GROWER
Numéro d'article: WG-736-0329
2,95 € ohne Abbildung
Teil 49 6KT-MUTTER:1/4-20:GR2
Art.Nr.: WG-712-0287
Part 49 NUT:HEX:1/4-20:GR2
Article no.: WG-712-0287
Partie 49 ECROU HEXAGONAL 1/4-20:GR2
Numéro d'article: WG-712-0287
2,73 € ohne Abbildung
Teil 52 SKT-S-MUTTER:3/8-16:GRA:CTRLK
Art.Nr.: WG-712-0375
Part 52 NUT:HEXLK:3/8-16:GRA:CTRLK
Article no.: WG-712-0375
Partie 52 ECROU
Numéro d'article: WG-712-0375
3,36 € Teil 52 SKT-S-MUTTER:3/8-16:GRA:CTRLK Art.Nr.: WG-712-0375
Teil 53 6KT-SCHR:1/4-20:2.0:GR5:STD
Art.Nr.: WG-710-0501
Part 53 HHCS:1/4-20:2.0:GR5:STD
Article no.: WG-710-0501
Partie 53 VIS HEXAGONALE
Numéro d'article: WG-710-0501
3,09 € ohne Abbildung
Teil 56 6KT-S-MUTTER:9/16-18:GR5
Art.Nr.: WG-712-3035
Part 56 NUT:JAM:9/16-18:GR5
Article no.: WG-712-3035
Partie 56 ECROU HEXAGONAL
Numéro d'article: WG-712-3035
3,09 € Teil 56 6KT-S-MUTTER:9/16-18:GR5 Art.Nr.: WG-712-3035
Teil 58 STÜTZPLATTE:SCHALTER
Art.Nr.: WG-17962
Part 58 PLT:SW
Article no.: WG-17962
Partie 58 PLAQUE DE SUPP. P. COMMUTATEUR
Numéro d'article: WG-17962
3,74 € ohne Abbildung
Teil 60 SCHEIBE:FLACH:.635x1.125x.090
Art.Nr.: WG-736-0156
Part 60 WASH:FLAT:.625x1.125x.090
Article no.: WG-736-0156
Partie 60 RONDELLE .635x1.125x090 "
Numéro d'article: WG-736-0156
6,10 € ohne Abbildung
Teil 68 KUGELKNOPF F.FESTSTELLBREMSE
Art.Nr.: WG-720-0166
Part 68 KNOB:BALL:1.06 DIA
Article no.: WG-720-0166
Partie 68 BOUTON FIXATION FREINS
Numéro d'article: WG-720-0166
6,73 €**ohne Abbildung
Teil 69 TELLERFEDER:.567 x 1.125 x .06
Art.Nr.: WG-736-0427
Part 69 BELL:WASH:.567 x 1.125 x .06
Article no.: WG-736-0427
Partie 69 RONDELLE
Numéro d'article: WG-736-0427
2,68 € ohne Abbildung
Teil 71 6KT-SCHRAUBE:3/8-24:1.75:GR5
Art.Nr.: WG-710-0539
Part 71 HHCS:3/8-24:1.75:GR5:STD
Article no.: WG-710-0539
Partie 71 VIS
Numéro d'article: WG-710-0539
4,41 € ohne Abbildung
Teil 72 SICHERUNGSRING
Art.Nr.: WG-732-0614
Part 72 Circlip
Article no.: WG-732-0614
Partie 72 CIRCLIPS
Numéro d'article: WG-732-0614
3,43 € Teil 72 SICHERUNGSRING Art.Nr.: WG-732-0614
Teil 75 SPANNROLLE 3,5"
Art.Nr.: WG-756-0542
Part 75 PULLEY-IDLER
Article no.: WG-756-0542
Partie 75 POULIE
Numéro d'article: WG-756-0542
90,04 €**ohne Abbildung
Teil 76 ZUGFEDER:.62 DIA x 6.12 LG
Art.Nr.: WG-732-0384
Part 76 SPR:EXTN:.62 DIA x 6.12 LG
Article no.: WG-732-0384
Partie 76 RESSORT DE TRACTION
Numéro d'article: WG-732-0384
17,12 € Teil 76 ZUGFEDER:.62 DIA x 6.12 LG Art.Nr.: WG-732-0384
Teil 77 KEILRIEMEN
Art.Nr.: WG-754-0362
Part 77 V-BELT
Article no.: WG-754-0362
Partie 77 COURROIE
Numéro d'article: WG-754-0362
64,08 €**ohne Abbildung
Teil 78 SCHEIBE:TEFLON:.565x1.135x.062
Art.Nr.: WG-736-0414
Part 78 WASH:FLAT:0.565X1.135X0.062:TE
Article no.: WG-736-0414
Partie 78 RONDELLE TÜFLON
Numéro d'article: WG-736-0414
5,02 € ohne Abbildung
Teil 80 KEILRIEMEN
Art.Nr.: WG-754-0358
Part 80 V-BELT
Article no.: WG-754-0358
Partie 80 COURROIE
Numéro d'article: WG-754-0358
71,76 €**ohne Abbildung
Teil 82 FL-SCHEIBE:.56 x 1.0 x.040:HT
Art.Nr.: WG-736-0355
Part 82 WASH:FLAT:.56 x 1.0 x.040:HT
Article no.: WG-736-0355
Partie 82 RONDELLE
Numéro d'article: WG-736-0355
2,61 € Teil 82 FL-SCHEIBE:.56 x 1.0 x.040:HT Art.Nr.: WG-736-0355
Teil 87 TELLERFEDER:.375X0.880X0.060
Art.Nr.: WG-736-0105
Part 87 WASH:BLVL:0.375X0.880X0.060
Article no.: WG-736-0105
Partie 87 RONDELLE CONIQUE
Numéro d'article: WG-736-0105
3,09 € Teil 87 TELLERFEDER:.375X0.880X0.060 Art.Nr.: WG-736-0105
Teil 88 SHLT-SCHRAUBE.498X2.00"
Art.Nr.: WG-738-0129
Part 88 SCREW-SHLD
Article no.: WG-738-0129
Partie 88 AXE
Numéro d'article: WG-738-0129
12,88 € ohne Abbildung
Teil 89 FEDER 6.12 LG.
Art.Nr.: WG-732-0478
Part 89 SPR:EXTN:6.12
Article no.: WG-732-0478
Partie 89 RESSORT 6.12 LG
Numéro d'article: WG-732-0478
16,64 € Teil 89 FEDER 6.12  LG. Art.Nr.: WG-732-0478
Teil 90 ZUGFEDER:.50 DIA x 6.37 LG
Art.Nr.: WG-732-0308A
Part 90 SPR:EXTN:.50 DIA x 6.37 LG
Article no.: WG-732-0308A
Partie 90 RESSORT
Numéro d'article: WG-732-0308A
9,76 € ohne Abbildung
Teil 92 6KT-S-MUTTER:3/8-24:GRB:CTRLK
Art.Nr.: WG-712-0214
Part 92 NUT:HEXLK:3/8-24:GRB:CTRLK
Article no.: WG-712-0214
Partie 92 ECROU
Numéro d'article: WG-712-0214
3,36 € ohne Abbildung
Teil 93 SPANNROLLE
Art.Nr.: WG-756-0293A
Part 93 PULLEY-IDLER-FLAT
Article no.: WG-756-0293A
Partie 93 POULIE
Numéro d'article: WG-756-0293A
36,30 €**ohne Abbildung
Teil 94 FEDERSTECKER:.072DIA x 1.13 LG
Art.Nr.: WG-714-0104
Part 94 PIN:COT:.072 DIA x 1.13 LG
Article no.: WG-714-0104
Partie 94 GOUPILLE
Numéro d'article: WG-714-0104
2,42 € Teil 94 FEDERSTECKER:.072DIA x 1.13 LG Art.Nr.: WG-714-0104
Teil 95 DISTANZSTÜCK
Art.Nr.: WG-748-0278
Part 95 SPACER
Article no.: WG-748-0278
Partie 95 ENTRETOISE
Numéro d'article: WG-748-0278
12,91 € ohne Abbildung
Teil 97 SKT-SCHR.3/8-24X1.50" GR.5
Art.Nr.: WG-710-0459
Part 97 HHCS:3/8-24:1.5:GR5:STD
Article no.: WG-710-0459
Partie 97 VIS
Numéro d'article: WG-710-0459
3,48 € ohne Abbildung
Teil 98 6KT-SCHRAUBE:TT:1/4-20:0.500
Art.Nr.: WG-710-0599
Part 98 SCREW:TT:1/4-20:0.500:HXINDWSH
Article no.: WG-710-0599
Partie 98 VIS A SIX PANS CREUX
Numéro d'article: WG-710-0599
4,58 € Teil 98 6KT-SCHRAUBE:TT:1/4-20:0.500 Art.Nr.: WG-710-0599
Teil 100 PASSFEDER:1/4 x 1.500:CLASS 1
Art.Nr.: WG-714-0118
Part 100 KEY:SQ:1/4X1.500:CLASS 1
Article no.: WG-714-0118
Partie 100 CLAVETTE
Numéro d'article: WG-714-0118
5,70 € ohne Abbildung
Teil 101 TELLERFEDER:0.336X0.885X.060
Art.Nr.: WG-736-0242
Part 101 WASH:BLVL:0.336X0.885X0.060
Article no.: WG-736-0242
Partie 101 RONDELLE CONIQUE.340X.872X.060
Numéro d'article: WG-736-0242
3,74 € Teil 101 TELLERFEDER:0.336X0.885X.060 Art.Nr.: WG-736-0242
Teil 102 SKT-SCHR.5/16-18X5.25"
Art.Nr.: WG-710-0833
Part 102 SCREW-HEX
Article no.: WG-710-0833
Partie 102 VIS
Numéro d'article: WG-710-0833
14,03 € ohne Abbildung
Teil 107 U-SCHEIBE:0.320 x0.640 x 0.064
Art.Nr.: WG-736-0264
Part 107 WASH:FLAT:0.320X0.640X0.064
Article no.: WG-736-0264
Partie 107 RONDELLE: .330 x.630 x.0635
Numéro d'article: WG-736-0264
3,09 € ohne Abbildung
Teil 109 6KT-MUTTER:5/16-24:GR2
Art.Nr.: WG-712-3057
Part 109 NUT:HEX:5/16-24:GR2
Article no.: WG-712-3057
Partie 109 ÜCROU HEXAGONAL
Numéro d'article: WG-712-3057
3,09 € Teil 109 6KT-MUTTER:5/16-24:GR2 Art.Nr.: WG-712-3057
Teil 112 SKT-SCHR. 1/4-20X1.50"
Art.Nr.: WG-710-0886
Part 112 SCREW-HEX
Article no.: WG-710-0886
Partie 112 VIS
Numéro d'article: WG-710-0886
6,10 € ohne Abbildung
Teil 114 U-SCHEIBE:0.380x1.015x0.135
Art.Nr.: WG-736-0258
Part 114 WASHER:FLAT:0.380X1.015X0.135
Article no.: WG-736-0258
Partie 114 RONDELLE PLATE .385x1.0x.135
Numéro d'article: WG-736-0258
3,36 € ohne Abbildung
Teil 118 FLANSCHLAGERBUCHSE
Art.Nr.: WG-741-0419
Part 118 BEARING FLANGE
Article no.: WG-741-0419
Partie 118 SUPPORT DE BRIDE / DOUILLE
Numéro d'article: WG-741-0419
12,03 € ohne Abbildung
Teil 120 SCHALTER
Art.Nr.: WG-725-1657
Part 120 SWITCH
Article no.: WG-725-1657
Partie 120 VOIR 725-1657A
Numéro d'article: WG-725-1657
15,81 €**ohne Abbildung
Teil 121 SPINDELMUTTER:3/8-24X.375X.187
Art.Nr.: WG-711-0832
Part 121 FRL:ADJ:3/8-24X0.375X0.187:HD
Article no.: WG-711-0832
Partie 121 ECROU
Numéro d'article: WG-711-0832
10,82 € ohne Abbildung
Teil 122 U-SCHEIBE:0.339 x0.640 x0.033
Art.Nr.: WG-736-0204
Part 122 WASH:FLAT:0.339 X 0.640 X0.033
Article no.: WG-736-0204
Partie 122 RONDELLE .344 X 62 X.03
Numéro d'article: WG-736-0204
3,09 € ohne Abbildung
Teil 124 6KT-SCHR:5/16-18:0.75 GR5:STD
Art.Nr.: WG-710-3008
Part 124 HHCS:5/16-18:0.75:GR5:STD
Article no.: WG-710-3008
Partie 124 VIS 5/16-18:.75:GR5:STD
Numéro d'article: WG-710-3008
2,68 € ohne Abbildung
Teil 126 FLANSCHBUCHSE:1.38x.445x.36
Art.Nr.: WG-738-0785
Part 126 SPCR:SHLDR:1.38x.445x.36
Article no.: WG-738-0785
Partie 126 ENTRETOISE
Numéro d'article: WG-738-0785
17,06 € ohne Abbildung
Teil 127 PASSFEDER:1/4x1/4:1.00
Art.Nr.: WG-714-0128
Part 127 KEY-SQ:1/4:1.00
Article no.: WG-714-0128
Partie 127 CLAVETTE 1/4X1/4X1"
Numéro d'article: WG-714-0128
6,90 € ohne Abbildung
Teil 129 FEDERRING 7/16" NORMALAUSF.
Art.Nr.: WG-736-0171
Part 129 WASHER:LOCK:7/16:REGULAR DUTY
Article no.: WG-736-0171
Partie 129 RONDELLE GROWER
Numéro d'article: WG-736-0171
2,56 € Teil 129 FEDERRING 7/16
Teil 130 SCHRAUBE 7/16-20X3.75
Art.Nr.: WG-710-1049
Part 130 HHCS:7/16-20:3.75:GR5:STD
Article no.: WG-710-1049
Partie 130 VIS
Numéro d'article: WG-710-1049
6,10 € ohne Abbildung
inkl. 19 % MwSt. Steuer-Info
zzgl. Versandkosten
Lieferzeit: 3-10 Werktage*
In den Warenkorb

Wenn Sie Hilfe zu einer Störung Ihres MTD Gerätes benötigen, nehmen Sie einfach Kontakt zu uns auf. Sie können gerne auch eine Nachricht per WhatsApp an 0152 560 383 53 senden. Wir helfen Ihnen gerne!

Alle aufgelisteten Ersatzteile sind original MTD Ersatzteile.

Alle Artikel aus der Kategorie Ersatzteile MTD Gartentraktor U 845 H Typ: 144U845H678 (1994)

Bitte beachten Sie, dass Elektro MTD Ersatzteile nur von Elektrofachkräften nach Vorgabe des Herstellers unter Berücksichtigung der gesetzlichen Vorschriften ersetzt werden dürfen.

Info zu GPSR: Stanley Black & Decker Deutschland GmbH Black-&-Decker-Strasse 40, 65510 Idstein support@blackanddecker.de

    Kategorien
    Ersatzteil-Fee

    Die Ersatzteilfee

    Das rege Interesse an dem Angebot in meinem Onlineshop hat mir gezeigt, dass die Zufriedenheit meiner Kunden sehr groß ist. Zahlreiche positive Kundenmeinungen bestätigen den gut sortierten Aufbau des Shops, die gute Beratung und den zügigen Versand. Mehr über mich...

    Wir helfen Ihnen gerne, das richtige Ersatzteil zu finden. Dazu können Sie uns auch gerne Anfragen oder Fotos vom Ersatzteil/Gerät auf das Handy 0152 560 383 53
    per WhatsApp senden. SMS Nachrichten können nicht empfangen werden!


    Info zur Mehrwertsteuer

    Lieferland wählen

    Wählen Sie das Lieferland aus, um die Preise inkl. MwSt. abhängig von der Lieferadresse angezeigt zu bekommen.



    Die im Shop angegebenen Preise sind in Euro inkl. der deutschen Mehrwertsteuer angegeben.
    Für Bestellungen aus einem anderen EU-Land muss die dort geltende Mehrwertsteuer berechnet werden. Wenn Sie im Warenkorb das Lieferland auswählen, wird Ihnen auch der korrekte Mehrwertsteuersatz zu Ihrem EU-Land angezeigt.