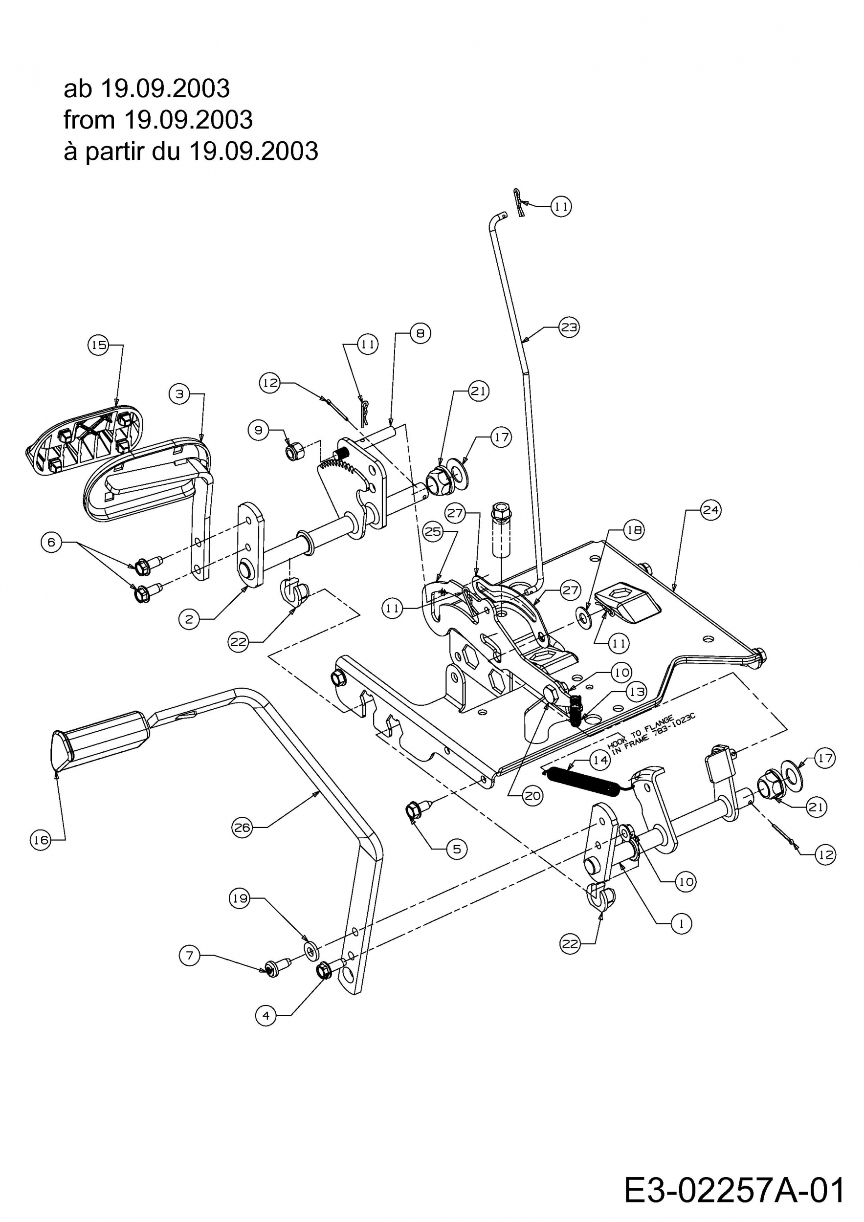
Ersatzteile MTD Gartentraktor G 200 Typ: 14AQ808H678  (2004) Pedale ab 19.09.2003
Für eine größere Ansicht klicken Sie auf das Vorschaubild

Ersatzteile MTD Gartentraktor G 200 Typ: 14AQ808H678 (2004) Pedale ab 19.09.2003

MTD
MTD Art.Nr.: E3-02257A-02
Hier können Sie Ersatzteile MTD Gartentraktor G 200 Typ: 14AQ808H678 (2004) Pedale ab 19.09.2003 einfach online kaufen.

In der Skizze sind die Teile mit einer Zahl gekennzeichnet. Diese finden Sie in der Tabelle wieder und können so das Ersatzteil aus der Tabelle auswählen und online kaufen.


Ersatzteil
deutschenglishfrench
PreisBildkaufen
Teil 2 WELLE VOLLST:GESCHWINDK. PEDAL
Art.Nr.: WG-647-0032A
Part 2 CONT ASM:SPEED
Article no.: WG-647-0032A
Partie 2 LEVIER COMPLET
Numéro d'article: WG-647-0032A
65,21 €**ohne Abbildung
Teil 4 6KT-SCHR:TT:5/16-18:.88:HXINDS
Art.Nr.: WG-710-0650
Part 4 SCR:TT:5/16-18:0.88:HXINDWSH
Article no.: WG-710-0650
Partie 4 VIS HEX.:TT:5/16-18:0.875
Numéro d'article: WG-710-0650
3,14 € ohne Abbildung
Teil 5 6KT-SCHR:AB:5/16-12:0.750
Art.Nr.: WG-710-0726
Part 5 SCR:AB:5/16-12:0.750:HXINDWSH
Article no.: WG-710-0726
Partie 5 VIS 5/16-12:0.750:HXINDWS
Numéro d'article: WG-710-0726
3,09 € Teil 5 6KT-SCHR:AB:5/16-12:0.750 Art.Nr.: WG-710-0726
Teil 6 6KT-SCHRAUBE:TT:5/16-18:.750
Art.Nr.: WG-710-1260A
Part 6 SCR:TT:5/16-18:0.750:HXINDWSH
Article no.: WG-710-1260A
Partie 6 VIS TT:5/16-18:.750
Numéro d'article: WG-710-1260A
4,07 € Teil 6 6KT-SCHRAUBE:TT:5/16-18:.750 Art.Nr.: WG-710-1260A
Teil 7 SCHR:TT:5/16-18:0.750:PANTRXI
Art.Nr.: WG-710-1611B
Part 7 SCR:TT:5/16-18:0.750:PANTRXI
Article no.: WG-710-1611B
Partie 7 VIS:TT:5/16-18:0.750:PANTRXI
Numéro d'article: WG-710-1611B
6,20 € ohne Abbildung
Teil 9 6KT-S-MUTTER:3/8-16:GRN8:NYLON
Art.Nr.: WG-712-0130
Part 9 NUT:HEXLK:3/8-16:GRN8:NYLON
Article no.: WG-712-0130
Partie 9 ECROU POLY STOP 3/8-16" GR 8
Numéro d'article: WG-712-0130
2,33 € Teil 9 6KT-S-MUTTER:3/8-16:GRN8:NYLON Art.Nr.: WG-712-0130
Teil 10 6KT-S-BUNDMUTTER:5/16-18:GRF
Art.Nr.: WG-712-3004A
Part 10 NUT:HEXFLGLK:5/16-18:GRF:CTRLK
Article no.: WG-712-3004A
Partie 10 ECROU HEX.: 5/16-18:GR5:SD:LK
Numéro d'article: WG-712-3004A
2,56 € Teil 10 6KT-S-BUNDMUTTER:5/16-18:GRF Art.Nr.: WG-712-3004A
Teil 11 FEDERSTECKER:.072DIA x 1.13 LG
Art.Nr.: WG-714-0104
Part 11 PIN:COT:.072 DIA x 1.13 LG
Article no.: WG-714-0104
Partie 11 GOUPILLE
Numéro d'article: WG-714-0104
2,42 € Teil 11 FEDERSTECKER:.072DIA x 1.13 LG Art.Nr.: WG-714-0104
Teil 12 SPLINT:3/32 x 1.0"
Art.Nr.: WG-714-0111
Part 12 COTTER PIN 3/32 DIA X 1.00
Article no.: WG-714-0111
Partie 12 GOUPILLE FENDUE 3/32:1.0"
Numéro d'article: WG-714-0111
2,95 € ohne Abbildung
Teil 13 DRUCKFEDER
Art.Nr.: WG-732-0335
Part 13 Spring
Article no.: WG-732-0335
Partie 13 RESSORT
Numéro d'article: WG-732-0335
3,43 € ohne Abbildung
Teil 14 ZUGFEDER: .50 DIA x 6.37 LG
Art.Nr.: WG-732-0963
Part 14 SPRING:EXTN: .50 DIA x 6.37 LG
Article no.: WG-732-0963
Partie 14 RESSORT
Numéro d'article: WG-732-0963
10,61 € Teil 14 ZUGFEDER: .50 DIA x 6.37 LG Art.Nr.: WG-732-0963
Teil 16 BELAG FÜR FUSSPEDAL
Art.Nr.: WG-735-3049
Part 16 FOOT BRAKE PAD
Article no.: WG-735-3049
Partie 16 GARNITURE DE FREIN ¡ PIED
Numéro d'article: WG-735-3049
16,33 € ohne Abbildung
Teil 17 U-SCHEIBE:0.630x1.250x0.060:HD
Art.Nr.: WG-736-0187
Part 17 WASH:FLAT:0.630X1.250X0.060:HD
Article no.: WG-736-0187
Partie 17 RONDELLE .64X1.24X.06
Numéro d'article: WG-736-0187
3,09 € Teil 17 U-SCHEIBE:0.630x1.250x0.060:HD Art.Nr.: WG-736-0187
Teil 18 U-SCHEIBE:0.396 x0.885 x0.060
Art.Nr.: WG-736-0300
Part 18 WASH:FLAT:0.396X0.885X0.060
Article no.: WG-736-0300
Partie 18 RONDELLE
Numéro d'article: WG-736-0300
2,56 € Teil 18 U-SCHEIBE:0.396 x0.885 x0.060 Art.Nr.: WG-736-0300
Teil 19 U-SCHEIBE:0.334x0.760x0.120
Art.Nr.: WG-736-3008
Part 19 WASH:FLAT:0.334 X0.760 X 0.120
Article no.: WG-736-3008
Partie 19 RONDELLE
Numéro d'article: WG-736-3008
2,95 € Teil 19 U-SCHEIBE:0.334x0.760x0.120 Art.Nr.: WG-736-3008
Teil 20 SHLT-SCHR:0.437X0.155:5/16-18
Art.Nr.: WG-738-0155
Part 20 SCR:SHLDR:0.437X0.155:5/16-18
Article no.: WG-738-0155
Partie 20 VIS EPAULEE
Numéro d'article: WG-738-0155
7,16 € ohne Abbildung
Teil 21 SECHSKANT-FLANSCHLAGER
Art.Nr.: WG-741-0225
Part 21 HEX FLANGE BEARING
Article no.: WG-741-0225
Partie 21 BAGUE HEXAGONALE TEFLON 6 PANS
Numéro d'article: WG-741-0225
4,41 € Teil 21 SECHSKANT-FLANSCHLAGER Art.Nr.: WG-741-0225
Teil 22 LAGER:6KT/FLANSCH:.628 ID
Art.Nr.: WG-741-3065B
Part 22 BRG:HEX FLG:.628 ID:SPLIT
Article no.: WG-741-3065B
Partie 22 BAGUE HEXAGONALE RAINUREE
Numéro d'article: WG-741-3065B
7,12 € ohne Abbildung
Teil 23 BREMSSTANGE
Art.Nr.: WG-747-04093
Part 23 ROD-BRAKE
Article no.: WG-747-04093
Partie 23 TIGE DE FREIN
Numéro d'article: WG-747-04093
15,71 € ohne Abbildung
Teil 24 HALTEPLATTE-LENKUNG
Art.Nr.: WG-783-0653F
Part 24 BRACKET-STEERING SPT
Article no.: WG-783-0653F
Partie 24 SUPPORT DE DIRECTION
Numéro d'article: WG-783-0653F
92,41 €**ohne Abbildung
inkl. 19 % MwSt. Steuer-Info
zzgl. Versandkosten
Lieferzeit: 3-10 Werktage*
In den Warenkorb

Wenn Sie Hilfe zu einer Störung Ihres MTD Gerätes benötigen, nehmen Sie einfach Kontakt zu uns auf. Sie können gerne auch eine Nachricht per WhatsApp an 0152 560 383 53 senden. Wir helfen Ihnen gerne!

Alle aufgelisteten Ersatzteile sind original MTD Ersatzteile.

Alle Artikel aus der Kategorie Ersatzteile MTD Gartentraktor G 200 Typ: 14AQ808H678 (2004)

Bitte beachten Sie, dass Elektro MTD Ersatzteile nur von Elektrofachkräften nach Vorgabe des Herstellers unter Berücksichtigung der gesetzlichen Vorschriften ersetzt werden dürfen.

Info zu GPSR: Stanley Black & Decker Deutschland GmbH Black-&-Decker-Strasse 40, 65510 Idstein support@blackanddecker.de

    Kategorien
    Ersatzteil-Fee

    Die Ersatzteilfee

    Das rege Interesse an dem Angebot in meinem Onlineshop hat mir gezeigt, dass die Zufriedenheit meiner Kunden sehr groß ist. Zahlreiche positive Kundenmeinungen bestätigen den gut sortierten Aufbau des Shops, die gute Beratung und den zügigen Versand. Mehr über mich...

    Wir helfen Ihnen gerne, das richtige Ersatzteil zu finden. Dazu können Sie uns auch gerne Anfragen oder Fotos vom Ersatzteil/Gerät auf das Handy 0152 560 383 53
    per WhatsApp senden. SMS Nachrichten können nicht empfangen werden!


    Info zur Mehrwertsteuer

    Lieferland wählen

    Wählen Sie das Lieferland aus, um die Preise inkl. MwSt. abhängig von der Lieferadresse angezeigt zu bekommen.



    Die im Shop angegebenen Preise sind in Euro inkl. der deutschen Mehrwertsteuer angegeben.
    Für Bestellungen aus einem anderen EU-Land muss die dort geltende Mehrwertsteuer berechnet werden. Wenn Sie im Warenkorb das Lieferland auswählen, wird Ihnen auch der korrekte Mehrwertsteuersatz zu Ihrem EU-Land angezeigt.