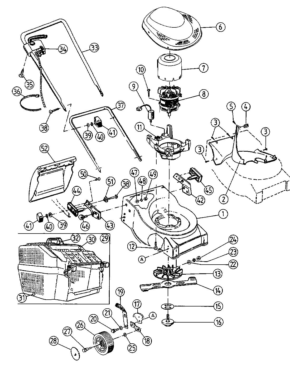
Ersatzteile MTD Elektro Rasenmäher ohne Antrieb 46 E Typ: 18C-66G-600  (2000) Grundgerät
Für eine größere Ansicht klicken Sie auf das Vorschaubild

Ersatzteile MTD Elektro Rasenmäher ohne Antrieb 46 E Typ: 18C-66G-600 (2000) Grundgerät

MTD
MTD Art.Nr.: E3-01444A-01
Hier können Sie Ersatzteile MTD Elektro Rasenmäher ohne Antrieb 46 E Typ: 18C-66G-600 (2000) Grundgerät einfach online kaufen.

In der Skizze sind die Teile mit einer Zahl gekennzeichnet. Diese finden Sie in der Tabelle wieder und können so das Ersatzteil aus der Tabelle auswählen und online kaufen.


Ersatzteil
deutschenglishfrench
PreisBildkaufen
Teil 3 HALB-RD-SCHR:KREUZ#12-16:0.750
Art.Nr.: WG-710-1220
Part 3 SCR:HL:12-16:0.750:TRUSPHI
Article no.: WG-710-1220
Partie 3 VIS
Numéro d'article: WG-710-1220
2,56 € Teil 3 HALB-RD-SCHR:KREUZ#12-16:0.750 Art.Nr.: WG-710-1220
Teil 4 BLECHMUTTER # 10-16
Art.Nr.: WG-712-0400
Part 4 U-NUT: # 10-16
Article no.: WG-712-0400
Partie 4 ECROU
Numéro d'article: WG-712-0400
5,97 € ohne Abbildung
Teil 5 KREUZSCHLITZ-SCHR:#10-16:0.500
Art.Nr.: WG-710-0351
Part 5 SCR:B:#10-16:0.5":PANPHI
Article no.: WG-710-0351
Partie 5 VIS
Numéro d'article: WG-710-0351
3,38 € Teil 5 KREUZSCHLITZ-SCHR:#10-16:0.500 Art.Nr.: WG-710-0351
Teil 10 TORX-SCHRAUBE M7x30 GELB VERZ.
Art.Nr.: WG-000.02.495
Part 10 SCREW
Article no.: WG-000.02.495
Partie 10 Vis
Numéro d'article: WG-000.02.495
4,89 € ohne Abbildung
Teil 12 TORX-SCHRAUBE
Art.Nr.: WG-000.02.498
Part 12 SCREW-TORX HD 5/16-18
Article no.: WG-000.02.498
Partie 12 VIS DE LAME
Numéro d'article: WG-000.02.498
4,31 € ohne Abbildung
Teil 13 MESSERNABE KPL.
Art.Nr.: WG-631-0132
Part 13 FAN ASM:ELEC
Article no.: WG-631-0132
Partie 13 MOYEU DE LAME CPL.
Numéro d'article: WG-631-0132
34,60 €**Teil 13 MESSERNABE KPL. Art.Nr.: WG-631-0132
Teil 14 MESSER 18" *S*
Art.Nr.: WG-742-0815
Part 14 MOWER BLADE
Article no.: WG-742-0815
Partie 14 LAME TONDEUSE COUPE 46CM (45E)
Numéro d'article: WG-742-0815
27,45 €**Teil 14 MESSER 18
Teil 15 SICHERUNGSBLECH
Art.Nr.: WG-079.77.407
Part 15 LOCK PLATE
Article no.: WG-079.77.407
Partie 15 PLAQUE D ARRET
Numéro d'article: WG-079.77.407
7,12 € ohne Abbildung
Teil 16 MESSERSCHRAUBE VOLLST.
Art.Nr.: WG-624-0075
Part 16 BOLT ASM:BLADE:T-DECK:ELEC
Article no.: WG-624-0075
Partie 16 VIS / LAME COMPL.
Numéro d'article: WG-624-0075
7,82 €
Teil 17 VERSTELLPLATTE - 5 FACH -
Art.Nr.: WG-079.30.313
Part 17 ADJUSTING PLATE
Article no.: WG-079.30.313
Partie 17 PLAQUE DE REGLAGE
Numéro d'article: WG-079.30.313
14,87 € ohne Abbildung
Teil 18 VERSTELLARM
Art.Nr.: WG-782-0617
Part 18 Adjusting arm
Article no.: WG-782-0617
Partie 18 TIGE REGLAGE
Numéro d'article: WG-782-0617
11,03 € ohne Abbildung
Teil 19 HÖHENVERSTELLHEBEL VOLLST.
Art.Nr.: WG-682-0232
Part 19 LVR ASM:HGT:L0-WHL
Article no.: WG-682-0232
Partie 19 LEVIER AJUSTEMENT HAUTEUR
Numéro d'article: WG-682-0232
11,81 € ohne Abbildung
Teil 20 SCHRAUBE M8X24 VERZINKT
Art.Nr.: WG-738-1030
Part 20 SCREW - INDIVIDUAL HEIGHT ADJ.
Article no.: WG-738-1030
Partie 20 BOULON
Numéro d'article: WG-738-1030
8,88 € ohne Abbildung
Teil 21 TELLERFEDER DIN 2093
Art.Nr.: WG-736-0651
Part 21 SPRING WASHER
Article no.: WG-736-0651
Partie 21 RONDELLE CONIQUE
Numéro d'article: WG-736-0651
2,56 € ohne Abbildung
Teil 22 SCHEIBE A8.4 DIN 9021
Art.Nr.: WG-736-0701
Part 22 WASH:FLAT:8.4x24x2.00 DIN 9021
Article no.: WG-736-0701
Partie 22 RONDELLE
Numéro d'article: WG-736-0701
3,38 € Teil 22 SCHEIBE A8.4          DIN 9021 Art.Nr.: WG-736-0701
Teil 23 SICHERUNGSSCHEIBE DIN N
Art.Nr.: WG-736-0708
Zur Zeit nicht lieferbar
Part 23 LOCK WASHER SCHNORR D 8
Article no.: WG-736-0708
currently not available
Partie 23 RONDELLE
Numéro d'article: WG-736-0708
actuellement indisponible
ohne Abbildung
Teil 24 6KT-MUTTER: M8 DIN 934-8
Art.Nr.: WG-712-0690
Part 24 NUT:HEX:M8-1.25:CL8:DIN 934
Article no.: WG-712-0690
Partie 24 ECROU HEXAGONAL
Numéro d'article: WG-712-0690
2,84 € Teil 24 6KT-MUTTER: M8       DIN 934-8 Art.Nr.: WG-712-0690
Teil 25 SCHEIBE 8,4 DIN 7349-ST
Art.Nr.: WG-736-0695
Part 25 WASHER
Article no.: WG-736-0695
Partie 25 RONDELLE
Numéro d'article: WG-736-0695
2,56 € ohne Abbildung
Teil 27 RADBOLZEN:M8:53+1 LG 5.8
Art.Nr.: WG-079.29.166
Part 27 Wheel bolt
Article no.: WG-079.29.166
Partie 27 AXE DE ROUE
Numéro d'article: WG-079.29.166
13,11 € ohne Abbildung
Teil 28 RADKAPPE MIT MTD LOGO D=180MM
Art.Nr.: WG-720-0334662
Part 28 HUB CAP WITH MTD LOGO, PREMIUM
Article no.: WG-720-0334662
Partie 28 ENJOLIVEUR (ROUE 0180) MTD L
Numéro d'article: WG-720-0334662
4,56 € ohne Abbildung
Teil 32 GRIFF
Art.Nr.: WG-731-2180637
Part 32 KNOB-T
Article no.: WG-731-2180637
Partie 32 POIGNÜE
Numéro d'article: WG-731-2180637
8,12 €**ohne Abbildung
Teil 35 PT-SCHRAUBE KB40x16 VERZINKT
Art.Nr.: WG-000.02.502
Part 35 SCR: M4x16: PHI
Article no.: WG-000.02.502
Partie 35 VIS
Numéro d'article: WG-000.02.502
2,49 € ohne Abbildung
Teil 36 KABELBINDER 3,6x140 SCHWARZ
Art.Nr.: WG-000.70.563
Part 36 CABLE TIE
Article no.: WG-000.70.563
Partie 36 Attache gaine
Numéro d'article: WG-000.70.563
3,09 € ohne Abbildung
Teil 38 FL-RUNDSCHR:M8X50 DIN 603-4.6
Art.Nr.: WG-710-1719
Part 38 BOLT:CRG:M8x1.25x50 DIN 603
Article no.: WG-710-1719
Partie 38 VIS A TETE PLATE M8X50 DIN 603
Numéro d'article: WG-710-1719
2,95 € Teil 38 FL-RUNDSCHR:M8X50 DIN 603-4.6 Art.Nr.: WG-710-1719
Teil 39 U-SCHEIBE:8x16x1.6:ISO 7089
Art.Nr.: WG-736-0700
Part 39 WASH:FLAT:8X16X1.6:ISO 7089
Article no.: WG-736-0700
Partie 39 RONDELLE A8.4 DIN 125
Numéro d'article: WG-736-0700
2,37 € Teil 39 U-SCHEIBE:8x16x1.6:ISO 7089 Art.Nr.: WG-736-0700
Teil 40 FÄCHERSCHEIBE:M8:EXT:DIN 6798
Art.Nr.: WG-736-0689
Part 40 WASH:LOCK:M8:EXT:DIN 6798
Article no.: WG-736-0689
Partie 40 RONDELLE A DENTS CHEVAUCHANTES
Numéro d'article: WG-736-0689
2,95 € Teil 40 FÄCHERSCHEIBE:M8:EXT:DIN 6798 Art.Nr.: WG-736-0689
Teil 41 FLUEGELMUTTER:M8 SCHWARZ
Art.Nr.: WG-000.02.377
Part 41 WING NUT
Article no.: WG-000.02.377
Partie 41 ÜCROU PAPILLON
Numéro d'article: WG-000.02.377
5,12 € ohne Abbildung
Teil 44 HOLMBRAKETTE I SCHWARZ
Art.Nr.: WG-731-2185
Part 44 HANDLE BRACKET RIGHT
Article no.: WG-731-2185
Partie 44 FIXATION BRANCARD
Numéro d'article: WG-731-2185
10,53 €**ohne Abbildung
Teil 45 HOLMBRAKETTE II SCHWARZ
Art.Nr.: WG-731-2186
Part 45 HANDLE BRACKET LEFT
Article no.: WG-731-2186
Partie 45 SUPPORT BRANCARD GA
Numéro d'article: WG-731-2186
10,53 €**ohne Abbildung
Teil 46 FLACHRUNDSCHRAUBE VERZINKT
Art.Nr.: WG-000.02.578
Part 46 SCREW M8X12
Article no.: WG-000.02.578
Partie 46 VIS RONDE ZINGUEE
Numéro d'article: WG-000.02.578
4,31 € ohne Abbildung
Teil 47 U-SCHEIBE:8x16x1.6:ISO 7089
Art.Nr.: WG-736-0700
Part 47 WASH:FLAT:8X16X1.6:ISO 7089
Article no.: WG-736-0700
Partie 47 RONDELLE A8.4 DIN 125
Numéro d'article: WG-736-0700
2,37 € Teil 47 U-SCHEIBE:8x16x1.6:ISO 7089 Art.Nr.: WG-736-0700
Teil 48 SICHERUNGSSCHEIBE DIN N
Art.Nr.: WG-736-0708
Zur Zeit nicht lieferbar
Part 48 LOCK WASHER SCHNORR D 8
Article no.: WG-736-0708
currently not available
Partie 48 RONDELLE
Numéro d'article: WG-736-0708
actuellement indisponible
ohne Abbildung
Teil 49 6KT-MUTTER: M8 DIN 934-8
Art.Nr.: WG-712-0690
Part 49 NUT:HEX:M8-1.25:CL8:DIN 934
Article no.: WG-712-0690
Partie 49 ECROU HEXAGONAL
Numéro d'article: WG-712-0690
2,84 € Teil 49 6KT-MUTTER: M8       DIN 934-8 Art.Nr.: WG-712-0690
Teil 52 HECKKLAPPE SCHWARZ RAL 9005
Art.Nr.: WG-731-2181637
Part 52 DEFLECTOR
Article no.: WG-731-2181637
Partie 52 DEFLECTEUR
Numéro d'article: WG-731-2181637
19,35 €**ohne Abbildung
inkl. 19 % MwSt. Steuer-Info
zzgl. Versandkosten
Lieferzeit: 3-10 Werktage*
In den Warenkorb

Wenn Sie Hilfe zu einer Störung Ihres MTD Gerätes benötigen, nehmen Sie einfach Kontakt zu uns auf. Sie können gerne auch eine Nachricht per WhatsApp an 0152 560 383 53 senden. Wir helfen Ihnen gerne!

Alle aufgelisteten Ersatzteile sind original MTD Ersatzteile.

Alle Artikel aus der Kategorie Ersatzteile MTD Elektro Rasenmäher ohne Antrieb 46 E Typ: 18C-66G-600 (2000)

Bitte beachten Sie, dass Elektro MTD Ersatzteile nur von Elektrofachkräften nach Vorgabe des Herstellers unter Berücksichtigung der gesetzlichen Vorschriften ersetzt werden dürfen.

Info zu GPSR: Stanley Black & Decker Deutschland GmbH Black-&-Decker-Strasse 40, 65510 Idstein support@blackanddecker.de

    Kategorien
    Ersatzteil-Fee

    Die Ersatzteilfee

    Das rege Interesse an dem Angebot in meinem Onlineshop hat mir gezeigt, dass die Zufriedenheit meiner Kunden sehr groß ist. Zahlreiche positive Kundenmeinungen bestätigen den gut sortierten Aufbau des Shops, die gute Beratung und den zügigen Versand. Mehr über mich...

    Wir helfen Ihnen gerne, das richtige Ersatzteil zu finden. Dazu können Sie uns auch gerne Anfragen oder Fotos vom Ersatzteil/Gerät auf das Handy 0152 560 383 53
    per WhatsApp senden. SMS Nachrichten können nicht empfangen werden!


    Info zur Mehrwertsteuer

    Lieferland wählen

    Wählen Sie das Lieferland aus, um die Preise inkl. MwSt. abhängig von der Lieferadresse angezeigt zu bekommen.



    Die im Shop angegebenen Preise sind in Euro inkl. der deutschen Mehrwertsteuer angegeben.
    Für Bestellungen aus einem anderen EU-Land muss die dort geltende Mehrwertsteuer berechnet werden. Wenn Sie im Warenkorb das Lieferland auswählen, wird Ihnen auch der korrekte Mehrwertsteuersatz zu Ihrem EU-Land angezeigt.