Einstellungen
Versandland
Ihr Warenkorb ist leer.
Schnellkauf

Bitte geben Sie eine Artikelnummer ein.

Ersatzteile MTD Benzin Rasenmäher ohne Antrieb GE 46 E Typ: 11A-660A678 (1998) Grundgerät

MTD
Art.Nr.: E3-01213A-01
Ersatzteile MTD Benzin Rasenmäher ohne Antrieb GE 46 E Typ: 11A-660A678 (1998) Grundgerät
Ersatzteile MTD Benzin Rasenmäher ohne Antrieb GE 46 E Typ: 11A-660A678 (1998) Grundgerät
Lieferzeit: 3-7 Werktage*
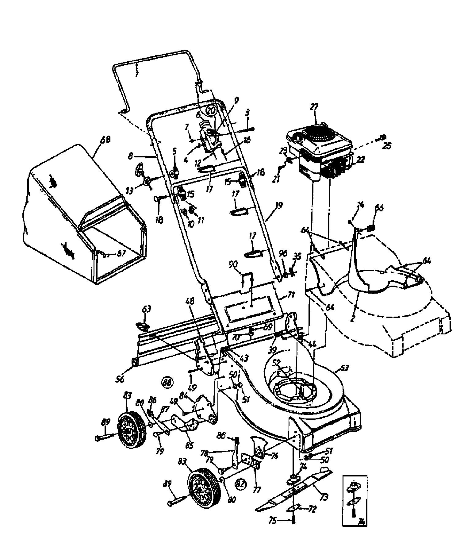
Suchen Sie in der Zeichnung nach der Nummer die sie benötigen. Wählen Sie diese dann in der Tabelle aus. Nur die, in der Tabelle aufgeführten Ersatzteile, sind verfügbar.

ErsatzteilPreisBildkaufen
Teil: 3 | SCHR:MACH:1/4-20:1.825:OVALCSK
WG-710-0605
10,26 € Teil 3 SCHR:MACH:1/4-20:1.825:OVALCSK Art.Nr.: WG-710-0605
Teil: 4 | SCHEIBE:WELLE:0.658X0.98X0.014
WG-736-0501
4,03 € ohne Abbildung
Teil: 5 | FLUEGELMUTTER:1/4-20
WG-720-0279
2,56 € ohne Abbildung
Teil: 6 | GEHAEUSE GASFERNBED.
WG-646-0875
18,11 € ohne Abbildung
Teil: 7 | 6KT-S-MUTTER:1/4-20:GR8:NYLON
WG-712-0324
3,31 € ohne Abbildung
Teil: 9 | GASHEBEL
WG-746-0876
13,09 € ohne Abbildung
Teil: 10 | SCHEIBE DIN 125
WG-24.6481.18
2,37 € ohne Abbildung
Teil: 11 | FAECHERSCHEIBE DIN 6798
WG-24.8191.18
2,95 € ohne Abbildung
Teil: 12 | GASBOWDENZUG 60" LG
WG-746-0841
16,96 € ohne Abbildung
Teil: 13 | STARTERHALTER:1/4-20
WG-710-1205
3,58 €**ohne Abbildung
Teil: 14 | KREUZSCHLITZ-SCHR:#10-16:0.500
WG-710-0351
3,38 € Teil 14 KREUZSCHLITZ-SCHR:#10-16:0.500 Art.Nr.: WG-710-0351
Teil: 15 | FLUEGELMUTTER:M8 SCHWARZ
WG-000.02.377
5,12 € ohne Abbildung
Teil: 16 | BOWDENZUG 47.0" LG. - BREMSE -
WG-746-0557
22,48 € ohne Abbildung
Teil: 17 | KABELBINDER:4.8x178 LG
WG-726-0240
2,68 € ohne Abbildung
Teil: 18 | FLACHRD-SCHR.M 4KT-ANSDIN 603
WG-22.3417.31
2,88 € ohne Abbildung
Teil: 19 | UNTERHOLM
WG-749-1030
31,67 €**ohne Abbildung
Teil: 20 | SG: GASFERNBEDIENUNG KPL.
WG-811-00303
29,29 €**ohne Abbildung
Teil: 21 | 6KT-SCHRAUBE:T:#10-32:0.625
WG-710-1237
3,09 € Teil 21 6KT-SCHRAUBE:T:#10-32:0.625 Art.Nr.: WG-710-1237
Teil: 25 | 6KT-SCHRAUBE:B:#10-16:0.375:
WG-710-1268
2,87 € ohne Abbildung
Teil: 35 | FEDERSTECKER:.072DIA x 1.13 LG
WG-714-0104
2,42 € Teil 35 FEDERSTECKER:.072DIA x 1.13 LG Art.Nr.: WG-714-0104
Teil: 43 | FEDER
WG-732-0678
8,41 € ohne Abbildung
Teil: 49 | SCHRAUBE:1/4-14:0,625:HXINDWSH
WG-710-0896
5,24 € Teil 49 SCHRAUBE:1/4-14:0,625:HXINDWSH Art.Nr.: WG-710-0896
Teil: 50 | TELLERFEDER:.390x 1.380x.062
WG-736-0356
3,09 € ohne Abbildung
Teil: 51 | 6KT-MUTTER:3/8-16:GR2
WG-712-0798
7,27 € Teil 51 6KT-MUTTER:3/8-16:GR2 Art.Nr.: WG-712-0798
  • Produktbeschreibung
  • Downloads
  • Hersteller Informationen
Produktbeschreibung
Hier können Sie Ersatzteile MTD Benzin Rasenmäher ohne Antrieb GE 46 E Typ: 11A-660A678 (1998) Grundgerät einfach online kaufen.

In der Skizze sind die Teile mit einer Zahl gekennzeichnet. Diese finden Sie in der Tabelle wieder und können so das Ersatzteil aus der Tabelle auswählen und online kaufen.

Wenn Sie Hilfe bei der Suche nach dem richtigen MTD Ersatzteils benötigen, nehmen Sie einfach Kontakt zu uns auf. Sie können gerne auch eine Nachricht per WhatsApp an 0152 560 383 53 senden. Alle aufgelisteten Ersatzteile sind original MTD Ersatzteile. Nachbauartikel oder Ersatzartikel von anderen Herstellern sind mit dem Wort Nachbau bzw. Ersatzartikel gekennzeichnet.

Alle Artikel aus der Kategorie Ersatzteile MTD Benzin Rasenmäher ohne Antrieb GE 46 E Typ: 11A-660A678 (1998) einfach online kaufen!

Bitte beachten Sie, dass Elektro MTD Ersatzteile nur von Elektrofachkräften nach Vorgabe des Herstellers unter Berücksichtigung der gesetzlichen Vorschriften ersetzt werden dürfen.

Datei
Ersatzteilzeichnung als Pdf hier klicken...Ansehen
Hersteller Informationen
Kontakt Hersteller
Stanley Black & Decker Deutschland GmbH
Black-&-Decker-Strasse 40
65510 Idstein
Germany

support@blackanddecker.de
* gilt für Lieferungen innerhalb Deutschlands, Lieferzeiten für andere Länder entnehmen Sie bitte der Schaltfläche mit den Versandinformationen.
** Die Versandkosten betragen innerhalb Deutschlands für Produkte mit ** Vermerk und KÄRCHER Zubehör 5,90 EUR. Für alle Produkte ohne diesen Vermerk betragen die Versandkosten 4,99 EUR.