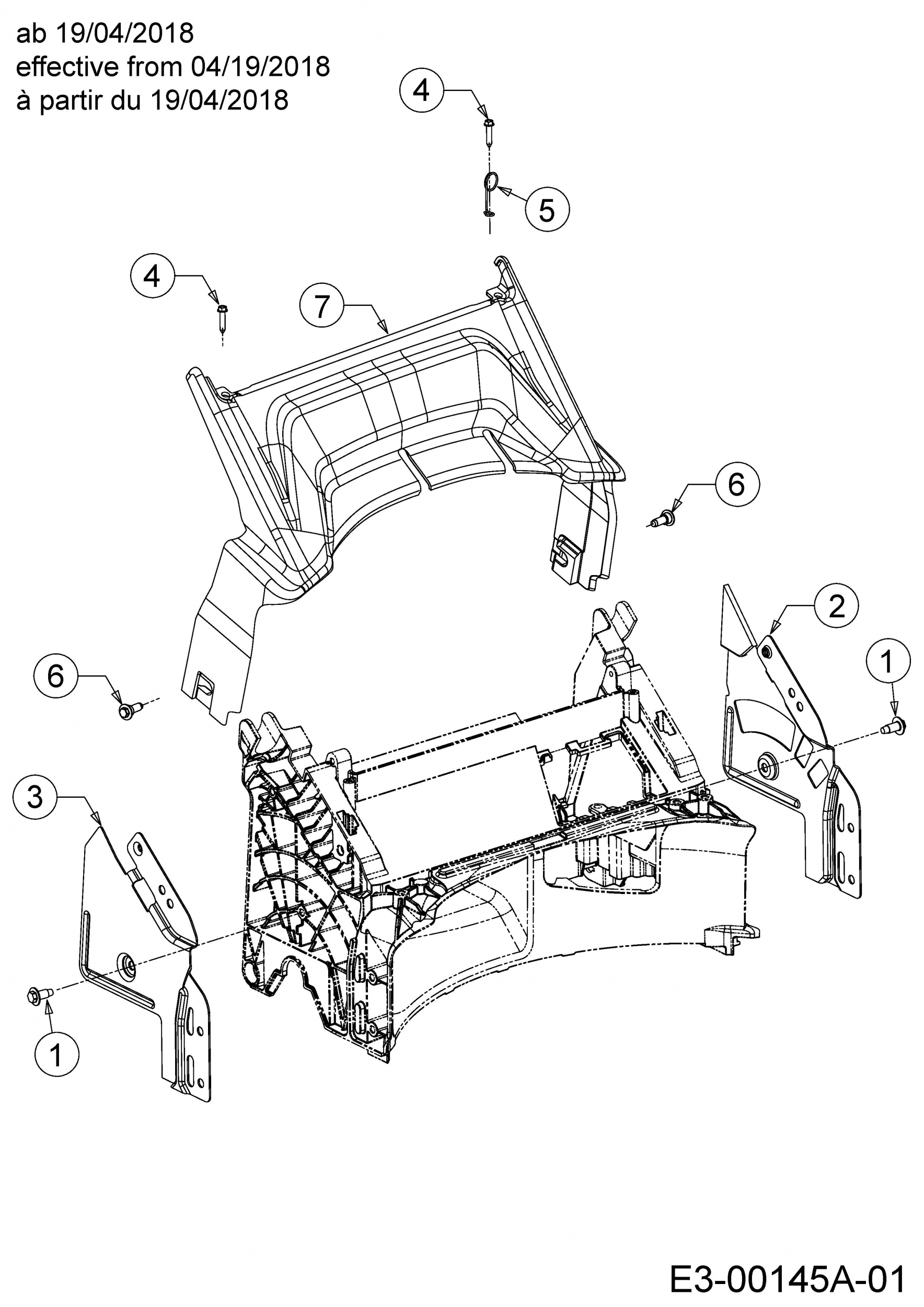
Ersatzteile MTD Benzin Rasenmäher mit Antrieb Smart 46 SPOE Typ: 12BETCS7600  (2020) Abdeckung hinten ab 19/04/2018
Für eine größere Ansicht klicken Sie auf das Vorschaubild

Ersatzteile MTD Benzin Rasenmäher mit Antrieb Smart 46 SPOE Typ: 12BETCS7600 (2020) Abdeckung hinten ab 19/04/2018


Ersatzteil
deutschenglishfrench
PreisBildkaufen
Teil 1 6KT-SCHR/SCHEIBE:5/16-14:.750
Art.Nr.: WG-710-07434
Part 1 SCREW:BOSSCREW:5/16-14:.750
Article no.: WG-710-07434
Partie 1 VIS 5/16-14:.750
Numéro d'article: WG-710-07434
2,52 € Teil 1 6KT-SCHR/SCHEIBE:5/16-14:.750 Art.Nr.: WG-710-07434
Teil 4 6KT-SCHRAUBE:HL:#12-16:1.000:
Art.Nr.: WG-710-04744
Part 4 SCREW:HL:#12-16:1.000:HXWSHHD
Article no.: WG-710-04744
Partie 4 VIS:HL:#12-16:1.000:
Numéro d'article: WG-710-04744
2,68 € Teil 4 6KT-SCHRAUBE:HL:#12-16:1.000: Art.Nr.: WG-710-04744
Teil 5 KABELFÜHRUNG FEDERSTAHL
Art.Nr.: WG-732-05530
Part 5 CLIP:CBL
Article no.: WG-732-05530
Partie 5 GUIDE CABLE
Numéro d'article: WG-732-05530
2,49 € ohne Abbildung
Teil 6 6KT-SCHULTERSCHR:0.465 x 0.241
Art.Nr.: WG-738-04431A
Part 6 SCR:SHLDR:0.465 x 0.241:HL
Article no.: WG-738-04431A
Partie 6 VIS 5/16-14:.972
Numéro d'article: WG-738-04431A
2,33 € ohne Abbildung
Teil 7 ABDECKUNG HINTEN 46CM
Art.Nr.: WG-731-10365
Part 7 COVER REAR 46CM
Article no.: WG-731-10365
Partie 7 COUVERCLE ARRIERE 46 CM
Numéro d'article: WG-731-10365
27,66 €**ohne Abbildung
inkl. 19 % MwSt. Steuer-Info
zzgl. Versandkosten
Lieferzeit: 3-10 Werktage*
In den Warenkorb

Wenn Sie Hilfe zu einer Störung Ihres MTD Gerätes benötigen, nehmen Sie einfach Kontakt zu uns auf. Sie können gerne auch eine Nachricht per WhatsApp an 0152 560 383 53 senden. Wir helfen Ihnen gerne!

Alle aufgelisteten Ersatzteile sind original MTD Ersatzteile.

Alle Artikel aus der Kategorie Ersatzteile MTD Benzin Rasenmäher mit Antrieb Smart 46 SPOE Typ: 12BETCS7600 (2020)

Bitte beachten Sie, dass Elektro MTD Ersatzteile nur von Elektrofachkräften nach Vorgabe des Herstellers unter Berücksichtigung der gesetzlichen Vorschriften ersetzt werden dürfen.

Info zu GPSR: Stanley Black & Decker Deutschland GmbH Black-&-Decker-Strasse 40, 65510 Idstein support@blackanddecker.de

    Kategorien
    Ersatzteil-Fee

    Die Ersatzteilfee

    Das rege Interesse an dem Angebot in meinem Onlineshop hat mir gezeigt, dass die Zufriedenheit meiner Kunden sehr groß ist. Zahlreiche positive Kundenmeinungen bestätigen den gut sortierten Aufbau des Shops, die gute Beratung und den zügigen Versand. Mehr über mich...

    Wir helfen Ihnen gerne, das richtige Ersatzteil zu finden. Dazu können Sie uns auch gerne Anfragen oder Fotos vom Ersatzteil/Gerät auf das Handy 0152 560 383 53
    per WhatsApp senden. SMS Nachrichten können nicht empfangen werden!


    Info zur Mehrwertsteuer

    Lieferland wählen

    Wählen Sie das Lieferland aus, um die Preise inkl. MwSt. abhängig von der Lieferadresse angezeigt zu bekommen.



    Die im Shop angegebenen Preise sind in Euro inkl. der deutschen Mehrwertsteuer angegeben.
    Für Bestellungen aus einem anderen EU-Land muss die dort geltende Mehrwertsteuer berechnet werden. Wenn Sie im Warenkorb das Lieferland auswählen, wird Ihnen auch der korrekte Mehrwertsteuersatz zu Ihrem EU-Land angezeigt.