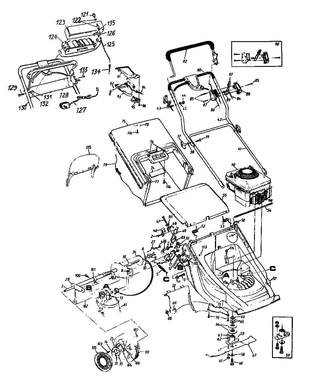
Ersatzteile MTD Benzin Rasenmäher mit Antrieb Euro-Star 46 S Typ: 121-626R  (1991) Grundgerät
Für eine größere Ansicht klicken Sie auf das Vorschaubild

Ersatzteile MTD Benzin Rasenmäher mit Antrieb Euro-Star 46 S Typ: 121-626R (1991) Grundgerät

MTD
MTD Art.Nr.: A1990-91-2115-01
Hier können Sie Ersatzteile MTD Benzin Rasenmäher mit Antrieb Euro-Star 46 S Typ: 121-626R (1991) Grundgerät einfach online kaufen.

In der Skizze sind die Teile mit einer Zahl gekennzeichnet. Diese finden Sie in der Tabelle wieder und können so das Ersatzteil aus der Tabelle auswählen und online kaufen.


Ersatzteil
deutschenglishfrench
PreisBildkaufen
Teil 2 6KT-SCHRAUBE:TT:1/4-20:0.500
Art.Nr.: WG-710-0599
Part 2 SCREW:TT:1/4-20:0.500:HXINDWSH
Article no.: WG-710-0599
Partie 2 VIS A SIX PANS CREUX
Numéro d'article: WG-710-0599
4,58 € Teil 2 6KT-SCHRAUBE:TT:1/4-20:0.500 Art.Nr.: WG-710-0599
Teil 4 SKT.-STOP MUTTER:3/8-24
Art.Nr.: WG-712-0296
Part 4 NUT:JAMLK:3/8-24
Article no.: WG-712-0296
Partie 4 ECROU
Numéro d'article: WG-712-0296
3,09 € ohne Abbildung
Teil 5 FEDER 6.12 LG.
Art.Nr.: WG-732-0478
Part 5 SPR:EXTN:6.12
Article no.: WG-732-0478
Partie 5 RESSORT 6.12 LG
Numéro d'article: WG-732-0478
16,64 € Teil 5 FEDER 6.12  LG. Art.Nr.: WG-732-0478
Teil 6 U-SCHEIBE:0.526x0.940x0.049
Art.Nr.: WG-736-0160
Part 6 WASH:FLAT:0.526x0.940x0.049
Article no.: WG-736-0160
Partie 6 RONDELLE 536 IDX.930ODX.050
Numéro d'article: WG-736-0160
2,88 € ohne Abbildung
Teil 7 FEDERRING:1/4" NORMALAUSF.
Art.Nr.: WG-736-0329
Part 7 WASH:LOCK:1/4:SPLT:REG
Article no.: WG-736-0329
Partie 7 RONDELLE GROWER
Numéro d'article: WG-736-0329
2,95 € ohne Abbildung
Teil 9 6KT-FLANSCHLAGER .506"IDX.590
Art.Nr.: WG-741-0324
Part 9 BRG:FLG:HEX:.506 IDX .590LG
Article no.: WG-741-0324
Partie 9 PALIER
Numéro d'article: WG-741-0324
4,31 € ohne Abbildung
Teil 10 FLANSCHLAGER .506"
Art.Nr.: WG-741-0522
Part 10 BEARING-HEX FLANGE
Article no.: WG-741-0522
Partie 10 SUPPORT DE BRIDE .506"
Numéro d'article: WG-741-0522
4,56 € ohne Abbildung
Teil 14 NYLON-FEDER
Art.Nr.: WG-10622B
Part 14 SPR:RTCHT:PLASTIC
Article no.: WG-10622B
Partie 14 RESSORT EN NYLON
Numéro d'article: WG-10622B
5,02 € Teil 14 NYLON-FEDER Art.Nr.: WG-10622B
Teil 25 SPERRKLINKE LINKS
Art.Nr.: WG-748-0188B
Part 25 PAWL LH
Article no.: WG-748-0188B
Partie 25 CLIQUET D ARRET GAUCHE
Numéro d'article: WG-748-0188B
12,91 € ohne Abbildung
Teil 29 6KT-SCHR:1/4-20:0.62:GR5:STD
Art.Nr.: WG-710-0751
Part 29 HHCS:1/4-20:0.62:GR5:STD
Article no.: WG-710-0751
Partie 29 VIS HEX.: 1/4-20:.620:GR5:STD
Numéro d'article: WG-710-0751
2,88 € Teil 29 6KT-SCHR:1/4-20:0.62:GR5:STD Art.Nr.: WG-710-0751
Teil 31 SPLINT:1/8 x 1.0"
Art.Nr.: WG-714-0115
Part 31 PIN:COT:SPLIT:1/8 X 1.0
Article no.: WG-714-0115
Partie 31 GOUPILLE FENDUE 1/8 x 1.0
Numéro d'article: WG-714-0115
3,21 € ohne Abbildung
Teil 35 SPERRAD MIT FEINVERZ.
Art.Nr.: WG-748-0318
Part 35 RATCHET WHEEL
Article no.: WG-748-0318
Partie 35 PIGNON
Numéro d'article: WG-748-0318
12,34 € ohne Abbildung
Teil 36 DISTANZHUELSE:.505x .895x .448
Art.Nr.: WG-750-0664
Part 36 SPCR::0.505 X 0.895 X 0.448
Article no.: WG-750-0664
Partie 36 ENTRETOISE
Numéro d'article: WG-750-0664
3,48 € ohne Abbildung
Teil 37 FLÜGELMUTTER 5/16-18"
Art.Nr.: WG-720-0241
Part 37 WING NUT
Article no.: WG-720-0241
Partie 37 ÜCROU PAPILLON
Numéro d'article: WG-720-0241
4,58 € ohne Abbildung
Teil 38 SCHEIBE GEWÖLBT:.320x.930x.060
Art.Nr.: WG-736-0451
Part 38 WASH:SDL:.320 x.930 x.060
Article no.: WG-736-0451
Partie 38 RONDELLE BOMBÜE
Numéro d'article: WG-736-0451
2,56 € Teil 38 SCHEIBE GEWÖLBT:.320x.930x.060 Art.Nr.: WG-736-0451
Teil 45 FEDERRING:5/16" NORMALAUSF.
Art.Nr.: WG-736-0119
Part 45 WASHER:LOCK:5/16:SPLT:REG
Article no.: WG-736-0119
Partie 45 RONDELLE
Numéro d'article: WG-736-0119
3,09 € Teil 45 FEDERRING:5/16
Teil 46 SEILFÜHRUNGSÖSE
Art.Nr.: WG-719-0279
Part 46 GUIDE-ROPE
Article no.: WG-719-0279
Partie 46 GUIDE
Numéro d'article: WG-719-0279
10,20 € ohne Abbildung
Teil 51 BLECHMUTTER 5/16-18:U-TYPE
Art.Nr.: WG-726-0211
Part 51 NUT:CLIP ON:U:5/16-18:U-TYPE
Article no.: WG-726-0211
Partie 51 ECROU EN TOLE 5/16-18
Numéro d'article: WG-726-0211
3,69 € ohne Abbildung
Teil 52 SCHENKELFEDER RE.
Art.Nr.: WG-732-0654
Part 52 SPRING-HDLE LATCH RH
Article no.: WG-732-0654
Partie 52 RESSORT
Numéro d'article: WG-732-0654
8,23 € ohne Abbildung
Teil 56 6KT-SCHR:TT:SEMS:3/8-16:1.63
Art.Nr.: WG-710-1007
Part 56 SCR:TT:SEMS:3/8-16:1.63:HXLWSH
Article no.: WG-710-1007
Partie 56 VIS HEX.TTSEMS3/8-16:1,500
Numéro d'article: WG-710-1007
4,31 € Teil 56 6KT-SCHR:TT:SEMS:3/8-16:1.63 Art.Nr.: WG-710-1007
Teil 60 6KT-SCHR:7/16-20:1.50:GR5:STD
Art.Nr.: WG-710-0757
Part 60 SCRE.HHCS:7/16-20:1.50:GR5:STD
Article no.: WG-710-0757
Partie 60 VIS
Numéro d'article: WG-710-0757
5,81 € Teil 60 6KT-SCHR:7/16-20:1.50:GR5:STD Art.Nr.: WG-710-0757
Teil 61 6KT-SCHRAUBE:3/8-24:1.00:GR5:
Art.Nr.: WG-710-1055
Part 61 HHCS:3/8-24:1.00:GR5:SPEC
Article no.: WG-710-1055
Partie 61 VIS
Numéro d'article: WG-710-1055
9,15 € ohne Abbildung
Teil 62 FEDERRING 3/8"
Art.Nr.: WG-736-0169
Part 62 WASH:LOCK:3/8:REGULAR DUTY
Article no.: WG-736-0169
Partie 62 BAGUE ÜLASTIQUE
Numéro d'article: WG-736-0169
2,56 € Teil 62 FEDERRING 3/8
Teil 63 6KT-MUTTER:3/8-24:GR5
Art.Nr.: WG-712-0241
Part 63 NUT:HEX:3/8-24:GR5
Article no.: WG-712-0241
Partie 63 ECROU HEX.: 3/8-24:GR5
Numéro d'article: WG-712-0241
2,42 € Teil 63 6KT-MUTTER:3/8-24:GR5 Art.Nr.: WG-712-0241
Teil 64 KR-SCHEIBENHÄLFTE OT/UT VERZ.
Art.Nr.: WG-756-0502
Part 64 PULLEY HALF-SERRATED
Article no.: WG-756-0502
Partie 64 POULIE ZINGUE
Numéro d'article: WG-756-0502
56,12 €**ohne Abbildung
Teil 68 BLECHMUTTER # 10-16
Art.Nr.: WG-712-0400
Part 68 U-NUT: # 10-16
Article no.: WG-712-0400
Partie 68 ECROU
Numéro d'article: WG-712-0400
5,97 € ohne Abbildung
Teil 69 KREUZSCHLITZ-SCHR:#10-16:0.500
Art.Nr.: WG-710-0351
Part 69 SCR:B:#10-16:0.5":PANPHI
Article no.: WG-710-0351
Partie 69 VIS
Numéro d'article: WG-710-0351
3,38 € Teil 69 KREUZSCHLITZ-SCHR:#10-16:0.500 Art.Nr.: WG-710-0351
Teil 70 SCHRAUBE:HL:#12-16:1.000:TRUSP
Art.Nr.: WG-710-0969
Part 70 SCR:HL:#12-16:1.000:TRUSPHI
Article no.: WG-710-0969
Partie 70 VIS:#12-16:1.000:TRUSPHI
Numéro d'article: WG-710-0969
2,56 € ohne Abbildung
Teil 71 ABDECKUNG
Art.Nr.: WG-17740
Part 71 COVER
Article no.: WG-17740
Partie 71 COUVERTURE CHASSIS
Numéro d'article: WG-17740
45,58 €**ohne Abbildung
Teil 79 GRASFANGSACK (GEWEBE)
Art.Nr.: WG-764-0273
Part 79 GRASS BAG
Article no.: WG-764-0273
Partie 79 TOILE BAC DE RAMASSAGE
Numéro d'article: WG-764-0273
114,19 €**ohne Abbildung
Teil 80 LENKERBEZUG
Art.Nr.: WG-720-0225
Part 80 GRIP-FOAM
Article no.: WG-720-0225
Partie 80 PROTECTION
Numéro d'article: WG-720-0225
9,61 € ohne Abbildung
Teil 81 KEILRIEMEN
Art.Nr.: WG-754-0327
Part 81 BELT-V
Article no.: WG-754-0327
Partie 81 COURROIE TONDEUSE COUPE 46CM
Numéro d'article: WG-754-0327
22,27 € Teil 81 KEILRIEMEN Art.Nr.: WG-754-0327
Teil 83 TELLERFEDER:0.336X0.885X.060
Art.Nr.: WG-736-0242
Part 83 WASH:BLVL:0.336X0.885X0.060
Article no.: WG-736-0242
Partie 83 RONDELLE CONIQUE.340X.872X.060
Numéro d'article: WG-736-0242
3,74 € Teil 83 TELLERFEDER:0.336X0.885X.060 Art.Nr.: WG-736-0242
Teil 84 GASBOWDENZUG 60" LG
Art.Nr.: WG-746-0841
Part 84 CABLE-THROTTLE
Article no.: WG-746-0841
Partie 84 CABLE GAZ " 60
Numéro d'article: WG-746-0841
16,96 € ohne Abbildung
Teil 86
Art.Nr.: WG-746-0480A
Part 86
Article no.: WG-746-0480A
Partie 86
Numéro d'article: WG-746-0480A
48,90 €**ohne Abbildung
Teil 91 SCHALTERGEHÄUSE OBERTEIL
Art.Nr.: WG-731-1057
Part 91 UPPER DRIVE COVER
Article no.: WG-731-1057
Partie 91 1/2 BOITIER SUPERIEUR
Numéro d'article: WG-731-1057
20,83 €**ohne Abbildung
Teil 92 SCHALTHEBEL
Art.Nr.: WG-731-0620
Part 92 LVR:SHFT
Article no.: WG-731-0620
Partie 92 LEVIER
Numéro d'article: WG-731-0620
14,90 €**ohne Abbildung
Teil 94 BOWDENZUG-KUPPLUNG 52.5"
Art.Nr.: WG-746-0713
Part 94 CABLE-CLUTCH
Article no.: WG-746-0713
Partie 94 CABLE EMBRAYAGE 52,5"
Numéro d'article: WG-746-0713
22,56 €**ohne Abbildung
Teil 95 GEHÄUSEDECKEL
Art.Nr.: WG-731-1059
Part 95 BOX STEERING COVER
Article no.: WG-731-1059
Partie 95 COUVERCLE DE BOITIER
Numéro d'article: WG-731-1059
10,37 €**ohne Abbildung
Teil 96 BLECHSCHRAUBE
Art.Nr.: WG-710-0841
Part 96 SCR:AB
Article no.: WG-710-0841
Partie 96 VIS PARKER
Numéro d'article: WG-710-0841
2,68 € ohne Abbildung
Teil 99 RAD KPL. GRAU INKL. KUGELLAGER
Art.Nr.: WG-734-1513B
Part 99 WHEEL ASSY W/TIRE
Article no.: WG-734-1513B
Partie 99 ROUE AVANT
Numéro d'article: WG-734-1513B
35,11 €**ohne Abbildung
Teil 100 KREUZSCHLITZ-SCHR:#10-16:0.500
Art.Nr.: WG-710-0351
Part 100 SCR:B:#10-16:0.5":PANPHI
Article no.: WG-710-0351
Partie 100 VIS
Numéro d'article: WG-710-0351
3,38 € Teil 100 KREUZSCHLITZ-SCHR:#10-16:0.500 Art.Nr.: WG-710-0351
Teil 103 SHLT-SCHRAUBE.342X.268"
Art.Nr.: WG-738-0137A
Part 103 SCREW-SHLD
Article no.: WG-738-0137A
Partie 103 AXE
Numéro d'article: WG-738-0137A
9,42 € Teil 103 SHLT-SCHRAUBE.342X.268
Teil 104 LAGERPLATTE
Art.Nr.: WG-16855
Part 104 BEARING PLATE
Article no.: WG-16855
Partie 104 SEMELLE D¨APPUI
Numéro d'article: WG-16855
9,74 € Teil 104 LAGERPLATTE Art.Nr.: WG-16855
Teil 105 RADKAPPE RADIAL SPEICHE GRAU
Art.Nr.: WG-731-0981C
Part 105 HUBCP:WHL:RADIAL SPOKE GREY
Article no.: WG-731-0981C
Partie 105 ENJOLIVEUR
Numéro d'article: WG-731-0981C
7,96 € Teil 105 RADKAPPE RADIAL SPEICHE GRAU Art.Nr.: WG-731-0981C
Teil 107 SCHWEISSMUTTER:1/4-20 (FLACH)
Art.Nr.: WG-712-0414
Part 107 NUT:WELD:TOP-LOCK TAB:1/4-20
Article no.: WG-712-0414
Partie 107 ECROU 1/4-20
Numéro d'article: WG-712-0414
3,74 € Teil 107 SCHWEISSMUTTER:1/4-20 (FLACH) Art.Nr.: WG-712-0414
Teil 109 FLK.-SCHR: 1/4-20:2.000:PANPHI
Art.Nr.: WG-710-1131
Part 109 SCREW
Article no.: WG-710-1131
Partie 109 VIS
Numéro d'article: WG-710-1131
5,97 € ohne Abbildung
Teil 113 GEWINDEEINSATZ E-TEIL-SET
Art.Nr.: WG-712-0399
Part 113 NUT-PROPEL
Article no.: WG-712-0399
Partie 113 ECROU
Numéro d'article: WG-712-0399
3,62 € ohne Abbildung
Teil 114 SKT.SCHR. 1/4 X 3/4" SS
Art.Nr.: WG-710-0947
Part 114 SCREW-HEX WASH HD
Article no.: WG-710-0947
Partie 114 VIS
Numéro d'article: WG-710-0947
3,88 € ohne Abbildung
Teil 116 HALB-RD-SCHR:KREUZ#12-16:0.750
Art.Nr.: WG-710-1220
Part 116 SCR:HL:12-16:0.750:TRUSPHI
Article no.: WG-710-1220
Partie 116 VIS
Numéro d'article: WG-710-1220
2,56 € Teil 116 HALB-RD-SCHR:KREUZ#12-16:0.750 Art.Nr.: WG-710-1220
Teil 121 ZÜNDSCHLÜSSEL
Art.Nr.: WG-925-0201
Part 121 IGNITION KEY FOR 7 PRONG SWITC
Article no.: WG-925-0201
Partie 121 CLE DE CONTACT
Numéro d'article: WG-925-0201
6,36 € Teil 121 ZÜNDSCHLÜSSEL Art.Nr.: WG-925-0201
Teil 124 BATTERIESATZ 12V 2,5AH
Art.Nr.: WG-725-1276
Part 124 BATTERY 12V 2,5AH
Article no.: WG-725-1276
Partie 124 BATTERIE 12V 2,5 AH
Numéro d'article: WG-725-1276
120,50 €**ohne Abbildung
Teil 130 SCHRAUBE:HL:#12-16:1.000:TRUSP
Art.Nr.: WG-710-0969
Part 130 SCR:HL:#12-16:1.000:TRUSPHI
Article no.: WG-710-0969
Partie 130 VIS:#12-16:1.000:TRUSPHI
Numéro d'article: WG-710-0969
2,56 € ohne Abbildung
Teil 132 TELLERFEDER:0.336X0.885X.060
Art.Nr.: WG-736-0242
Part 132 WASH:BLVL:0.336X0.885X0.060
Article no.: WG-736-0242
Partie 132 RONDELLE CONIQUE.340X.872X.060
Numéro d'article: WG-736-0242
3,74 € Teil 132 TELLERFEDER:0.336X0.885X.060 Art.Nr.: WG-736-0242
inkl. 19 % MwSt. Steuer-Info
zzgl. Versandkosten
Lieferzeit: 3-10 Werktage*
In den Warenkorb

Wenn Sie Hilfe zu einer Störung Ihres MTD Gerätes benötigen, nehmen Sie einfach Kontakt zu uns auf. Sie können gerne auch eine Nachricht per WhatsApp an 0152 560 383 53 senden. Wir helfen Ihnen gerne!

Alle aufgelisteten Ersatzteile sind original MTD Ersatzteile.

Alle Artikel aus der Kategorie Ersatzteile MTD Benzin Rasenmäher mit Antrieb Euro-Star 46 S Typ: 121-626R (1991)

Bitte beachten Sie, dass Elektro MTD Ersatzteile nur von Elektrofachkräften nach Vorgabe des Herstellers unter Berücksichtigung der gesetzlichen Vorschriften ersetzt werden dürfen.

Info zu GPSR: Stanley Black & Decker Deutschland GmbH Black-&-Decker-Strasse 40, 65510 Idstein support@blackanddecker.de

    Kategorien
    Ersatzteil-Fee

    Die Ersatzteilfee

    Das rege Interesse an dem Angebot in meinem Onlineshop hat mir gezeigt, dass die Zufriedenheit meiner Kunden sehr groß ist. Zahlreiche positive Kundenmeinungen bestätigen den gut sortierten Aufbau des Shops, die gute Beratung und den zügigen Versand. Mehr über mich...

    Wir helfen Ihnen gerne, das richtige Ersatzteil zu finden. Dazu können Sie uns auch gerne Anfragen oder Fotos vom Ersatzteil/Gerät auf das Handy 0152 560 383 53
    per WhatsApp senden. SMS Nachrichten können nicht empfangen werden!


    Info zur Mehrwertsteuer

    Lieferland wählen

    Wählen Sie das Lieferland aus, um die Preise inkl. MwSt. abhängig von der Lieferadresse angezeigt zu bekommen.



    Die im Shop angegebenen Preise sind in Euro inkl. der deutschen Mehrwertsteuer angegeben.
    Für Bestellungen aus einem anderen EU-Land muss die dort geltende Mehrwertsteuer berechnet werden. Wenn Sie im Warenkorb das Lieferland auswählen, wird Ihnen auch der korrekte Mehrwertsteuersatz zu Ihrem EU-Land angezeigt.