Einstellungen
Versandland
Ihr Warenkorb ist leer.
Schnellkauf

Bitte geben Sie eine Artikelnummer ein.

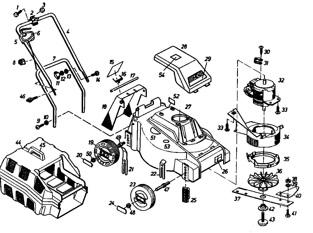
Ersatzteile Gutbrod Elektromäher HE 40 Typ: 02889.04 (1986) Grundgerät

MTD
Art.Nr.: A1986-421-01
Ersatzteile Gutbrod Elektromäher HE 40 Typ: 02889.04 (1986) Grundgerät
Ersatzteile Gutbrod Elektromäher HE 40 Typ: 02889.04 (1986) Grundgerät
Lieferzeit: 3-7 Werktage*
Suchen Sie in der Zeichnung nach der Nummer die sie benötigen. Wählen Sie diese dann in der Tabelle aus. Nur die, in der Tabelle aufgeführten Ersatzteile, sind verfügbar.

ErsatzteilPreisBildkaufen
Teil: 3 | HUTMUTTER:M6 5S DIN 1587
WG-24.3423.14
2,68 € ohne Abbildung
Teil: 10 | FAECHERSCHEIBE A4,3 DIN 6798
WG-24.8191.09
3,00 € ohne Abbildung
Teil: 12 | FAECHERSCHEIBE DIN 6798
WG-24.8191.18
2,95 € ohne Abbildung
Teil: 13 | FEDERRING DIN 127
WG-24.8195.16
2,95 € ohne Abbildung
Teil: 33 | PLASTITE-SCHRAUBE
WG-000.02.417
4,58 € ohne Abbildung
Teil: 37 | MESSER VOLLST.
WG-079.77.868
30,65 €**ohne Abbildung
Teil: 38 | SECHSKANTMUTTER DIN 934
WG-24.1421.14
1,77 € ohne Abbildung
Teil: 39 | FEDERRING DIN 127
WG-24.8195.14
2,33 € ohne Abbildung
Teil: 41 | FLACHRUNDSCHRAUBE VERZINKT
WG-000.02.379
2,02 € ohne Abbildung
Teil: 42 | SICHERUNGSSCHEIBE
WG-079.77.184
5,20 € Teil 42 SICHERUNGSSCHEIBE Art.Nr.: WG-079.77.184
Teil: 43 | MESSERSCHRAUBE VOLLST.
WG-079.77.626
Zur Zeit nicht lieferbar
ohne Abbildung
Teil: 45 | GRIFF SCHWARZ RAL 9005
WG-079.80.084
7,49 € ohne Abbildung
Teil: 50 | SCHNELLBEFESTIGER D12
WG-000.02.401
3,36 € ohne Abbildung
  • Produktbeschreibung
  • Downloads
  • Hersteller Informationen
Produktbeschreibung
Hier können Sie Ersatzteile Gutbrod Elektromäher HE 40 Typ: 02889.04 (1986) Grundgerät einfach online kaufen.

In der Skizze sind die Teile mit einer Zahl gekennzeichnet. Diese finden Sie in der Tabelle wieder und können so das Ersatzteil aus der Tabelle auswählen und online kaufen.

Wenn Sie Hilfe bei der Suche nach dem richtigen MTD Ersatzteils benötigen, nehmen Sie einfach Kontakt zu uns auf. Sie können gerne auch eine Nachricht per WhatsApp an 0152 560 383 53 senden. Alle aufgelisteten Ersatzteile sind original MTD Ersatzteile. Nachbauartikel oder Ersatzartikel von anderen Herstellern sind mit dem Wort Nachbau bzw. Ersatzartikel gekennzeichnet.

Alle Artikel aus der Kategorie Ersatzteile Gutbrod Elektromäher HE 40 Typ: 02889.04 (1986) einfach online kaufen!

Bitte beachten Sie, dass Elektro MTD Ersatzteile nur von Elektrofachkräften nach Vorgabe des Herstellers unter Berücksichtigung der gesetzlichen Vorschriften ersetzt werden dürfen.

Datei
Ersatzteilzeichnung als Pdf hier klicken...Ansehen
Hersteller Informationen
Kontakt Hersteller
Stanley Black & Decker Deutschland GmbH
Black-&-Decker-Strasse 40
65510 Idstein
Germany

support@blackanddecker.de
* gilt für Lieferungen innerhalb Deutschlands, Lieferzeiten für andere Länder entnehmen Sie bitte der Schaltfläche mit den Versandinformationen.
** Die Versandkosten betragen innerhalb Deutschlands für Produkte mit ** Vermerk und KÄRCHER Zubehör 5,90 EUR. Für alle Produkte ohne diesen Vermerk betragen die Versandkosten 4,99 EUR.